Sony HCD-DZ880W Receiver Dosen't Power ON

Collapse
X
 
  • Time
  • Show
Clear All
new posts
  • Agent24
    I see dead caps
    • Oct 2007
    • 5037
    • New Zealand

    #21
    Re: Sony HCD-DZ880W Receiver Dosen't Power ON

    No, they have just formed (bent) the legs differently to your one. You'd just need to take some pliers and form them to however you need them for your board.

    Also before replacing it, you should probably check the snubber components (looks like C921 and D921 at least) as a failure in those could cause the IC to fail again.
    Last edited by Agent24; 11-10-2014, 02:48 PM.
    "Tantalum for the brave, Solid Aluminium for the wise, Wet Electrolytic for the adventurous"
    -David VanHorn

    Comment

    • ortiko
      Senior Member
      • Apr 2014
      • 62
      • Greece

      #22
      Re: Sony HCD-DZ880W Receiver Dosen't Power ON

      They are significantly shorter than the one is burned.
      Will go tomorrow and buy it and add wires to some of the IC legs.
      I hope there is no difference of the IC's specs

      Comment

      • Agent24
        I see dead caps
        • Oct 2007
        • 5037
        • New Zealand

        #23
        Re: Sony HCD-DZ880W Receiver Dosen't Power ON

        Ah, yes that could be a problem. Soldering wires will probably work, but on something switching high currents at high frequency... it could be a bit.. ehh.

        As long as they are straight, soldered well, it'll hopefully work. Would be best if you can source one with longer leads.
        "Tantalum for the brave, Solid Aluminium for the wise, Wet Electrolytic for the adventurous"
        -David VanHorn

        Comment

        • ortiko
          Senior Member
          • Apr 2014
          • 62
          • Greece

          #24
          Re: Sony HCD-DZ880W Receiver Dosen't Power ON

          Originally posted by budm
          Those Voltage on CN906 Pin 4, 5, 6 are the always on and should be present when the unit is plugged into the outlet.
          Right now the IC921 for the always on power supply is not functioning so there is no DC voltage from Q922 to feed Q901 to run the 31.5V switched power supply (IC901) for supplying the Voltage for the power amplifier sections, this power supply is turned on by the command signal from main board that fed into pin 2 (EN) of CN906.\
          So right now we need to get the IC921 circuit working again.
          You need to check the fusible resistor FR929 which supplies the Voltage to run IC921. There are two start up caps C912, C926 that you need to check the dc Voltage RIGHT AT THE TWO LEGS OF THE CAPS, BE REAL CAREFUL SINCE YOU ARE WORKING IN THE PRIMARY SIDE OF THE CIRCUIT, you can work on the board by itself without having any other boards connected to it, just the power supply cord., We need to get the voltage on pin 4, 5, and 6 back first.
          BTW, I cannot find the spec sheet for the IC921 MR4020-7103 yet.

          I am back with new IC MR4020 installed after long and hard soldering of the pins but it is ok and think it is working fine

          Took some measurements of voltage at CN906 and CN908 (PS not in case and only cable to mains is connected)
          At below photos i have the report of all Voltages
          Attached Files
          Last edited by ortiko; 11-11-2014, 12:45 PM.

          Comment

          • Agent24
            I see dead caps
            • Oct 2007
            • 5037
            • New Zealand

            #25
            Re: Sony HCD-DZ880W Receiver Dosen't Power ON

            So the 31.5v rail is low, but IC921 was blown, but it does not handle that rail. So maybe whatever is wrong with the other circuit blew IC921 as well?
            "Tantalum for the brave, Solid Aluminium for the wise, Wet Electrolytic for the adventurous"
            -David VanHorn

            Comment

            • ortiko
              Senior Member
              • Apr 2014
              • 62
              • Greece

              #26
              Re: Sony HCD-DZ880W Receiver Dosen't Power ON

              Maybe the IC was blown off because when i removed the ps from case to check it accidently touched the metal bottom of case and a "spark" occured

              Like budm said

              "So right now we need to get the IC921 circuit working again" I think this part is working now and
              "Voltage on CN906 Pin 4, 5, 6 are the always on and should be present when the unit is plugged into the outlet"

              So now i am starting from the beginning...
              Help please

              Comment

              • budm
                Badcaps Legend
                • Feb 2010
                • 40746
                • USA

                #27
                Re: Sony HCD-DZ880W Receiver Dosen't Power ON

                "Maybe the IC was blown off because when i removed the ps from case to check it accidently touched the metal bottom of case and a "spark" occured" OK, that was the missing info I did not have as to why the always on power supply stops working when we working on the 30V power supply for the power amp section.
                So yes, back to the original problem.
                So what DC Voltage do you have at E, C, B of the Q901 which is switched ON (EN pins goes HI) to pass the 20VDC to supply the VCC to run IC901?
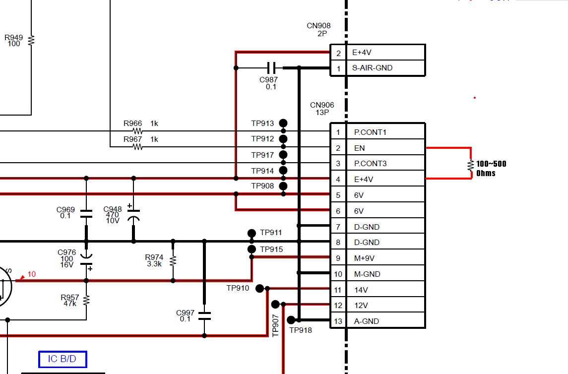
                That EN pin control signal is from the main board should be ON steady. What you can do is to disconnect that wire feeding the EN pin first and then use 100~500 Ohms between the EN pin and the EN 4V to force on the 30V power supply.
                Last edited by budm; 11-12-2014, 02:35 PM.
                Never stop learning
                Basic LCD TV and Monitor troubleshooting guides.
                http://www.badcaps.net/forum/showthr...956#post305956

                Voltage Regulator (LDO) testing:
                http://www.badcaps.net/forum/showthr...999#post300999

                Inverter testing using old CFL:
                http://www.badcaps.net/forum/showthr...er+testing+cfl

                Tear down pictures : Hit the ">" Show Albums and stories" on the left side
                http://s807.photobucket.com/user/budm/library/

                TV Factory reset codes listing:
                http://www.badcaps.net/forum/showthread.php?t=24809

                Comment

                • ortiko
                  Senior Member
                  • Apr 2014
                  • 62
                  • Greece

                  #28
                  Re: Sony HCD-DZ880W Receiver Dosen't Power ON

                  In picture one i have the DC Voltage E, C, B of the Q901
                  Must i connect 100~500 Ohms resistor as picture two ?

                  Will not do anything until you reply just to be sure
                  Attached Files
                  Last edited by ortiko; 11-13-2014, 12:15 PM.

                  Comment

                  • budm
                    Badcaps Legend
                    • Feb 2010
                    • 40746
                    • USA

                    #29
                    Re: Sony HCD-DZ880W Receiver Dosen't Power ON

                    OK, something does not make sense here, Q901 is not biased on due to the fact that the E-B junction voltage is the same, it should be ~0.6V difference between E and B.
                    Since Q901 is not biased on then I do not expect any out put Voltage on the Collector pin (transistor is used as a electronics switch to supply VCC to the SMPS IC when EN signal is present). So if you power up the board by itself without other board connected, there should be no voltage on the C of Q901 until force on is applied.
                    I would check the Q901 off the board, it may have leakage resistance between E and C.
                    The input Voltage to the E of Q901 is also low per SCH which should be 20V.
                    The force on resistor connection is correct.
                    BTW, do you have about 20V at the E of Q922?
                    Last edited by budm; 11-13-2014, 12:42 PM.
                    Never stop learning
                    Basic LCD TV and Monitor troubleshooting guides.
                    http://www.badcaps.net/forum/showthr...956#post305956

                    Voltage Regulator (LDO) testing:
                    http://www.badcaps.net/forum/showthr...999#post300999

                    Inverter testing using old CFL:
                    http://www.badcaps.net/forum/showthr...er+testing+cfl

                    Tear down pictures : Hit the ">" Show Albums and stories" on the left side
                    http://s807.photobucket.com/user/budm/library/

                    TV Factory reset codes listing:
                    http://www.badcaps.net/forum/showthread.php?t=24809

                    Comment

                    • ortiko
                      Senior Member
                      • Apr 2014
                      • 62
                      • Greece

                      #30
                      Re: Sony HCD-DZ880W Receiver Dosen't Power ON

                      Voltage at E of Q922 is 11V (With only the cable to mains power pluged)

                      Comment

                      • ortiko
                        Senior Member
                        • Apr 2014
                        • 62
                        • Greece

                        #31
                        Re: Sony HCD-DZ880W Receiver Dosen't Power ON

                        Originally posted by budm
                        I would check the Q901 off the board, it may have leakage resistance between E and C.
                        Have also replaced Q901 with new one and voltage at E, C, B is exact like before replacing it...

                        Comment

                        • ortiko
                          Senior Member
                          • Apr 2014
                          • 62
                          • Greece

                          #32
                          Re: Sony HCD-DZ880W Receiver Dosen't Power ON

                          Is it normal to have on pin7 of IC921 and GND 322V ?

                          In circuit diagram it says 152 on pin 7 and though maybe i must report this ?
                          Attached Files

                          Comment

                          • budm
                            Badcaps Legend
                            • Feb 2010
                            • 40746
                            • USA

                            #33
                            Re: Sony HCD-DZ880W Receiver Dosen't Power ON

                            Correction, the IC 921 is working because you are getting the always output Voltages, There will be high frequency pulse at the Drain pin 7 of that IC which your meter cannot measure, I do not know how they come up WITH 152V when the feeding Voltage to the transformer is >300vdc.
                            BTW, did you find the spec sheet of the IC 901 STRF6138?
                            Last edited by budm; 11-13-2014, 03:00 PM.
                            Never stop learning
                            Basic LCD TV and Monitor troubleshooting guides.
                            http://www.badcaps.net/forum/showthr...956#post305956

                            Voltage Regulator (LDO) testing:
                            http://www.badcaps.net/forum/showthr...999#post300999

                            Inverter testing using old CFL:
                            http://www.badcaps.net/forum/showthr...er+testing+cfl

                            Tear down pictures : Hit the ">" Show Albums and stories" on the left side
                            http://s807.photobucket.com/user/budm/library/

                            TV Factory reset codes listing:
                            http://www.badcaps.net/forum/showthread.php?t=24809

                            Comment

                            • Agent24
                              I see dead caps
                              • Oct 2007
                              • 5037
                              • New Zealand

                              #34
                              Re: Sony HCD-DZ880W Receiver Dosen't Power ON

                              Maybe they mean to measure with a RMS meter, if the 300VDC was being switched with 50% duty cycle wouldn't that show 150V RMS?
                              "Tantalum for the brave, Solid Aluminium for the wise, Wet Electrolytic for the adventurous"
                              -David VanHorn

                              Comment

                              • budm
                                Badcaps Legend
                                • Feb 2010
                                • 40746
                                • USA

                                #35
                                Re: Sony HCD-DZ880W Receiver Dosen't Power ON

                                The pulse on that Drain pin 8 will be in 70~100KHz range which is higher than most AC meter can read, and the kick back spike even with snubber R-C circuit (the snubber cap C921 is rated at 2KV for the D to ground through R922) cannot keep it below the supply voltage.
                                PIN 7 is the Vin (it is shown on the SCH as 152) which goes back to the output of the bridge D901 with the red label of 15.2! I think there are many typo on the SCH.
                                BTW, my post 33 should have said pin 8 for the Drain, pin 7 is the Vin from the main bridge rectifier.
                                Last edited by budm; 11-13-2014, 06:38 PM.
                                Never stop learning
                                Basic LCD TV and Monitor troubleshooting guides.
                                http://www.badcaps.net/forum/showthr...956#post305956

                                Voltage Regulator (LDO) testing:
                                http://www.badcaps.net/forum/showthr...999#post300999

                                Inverter testing using old CFL:
                                http://www.badcaps.net/forum/showthr...er+testing+cfl

                                Tear down pictures : Hit the ">" Show Albums and stories" on the left side
                                http://s807.photobucket.com/user/budm/library/

                                TV Factory reset codes listing:
                                http://www.badcaps.net/forum/showthread.php?t=24809

                                Comment

                                • ortiko
                                  Senior Member
                                  • Apr 2014
                                  • 62
                                  • Greece

                                  #36
                                  Re: Sony HCD-DZ880W Receiver Dosen't Power ON

                                  Could not find anything about the IC 901 STRF6138 yet.

                                  Comment

                                  • budm
                                    Badcaps Legend
                                    • Feb 2010
                                    • 40746
                                    • USA

                                    #37
                                    Re: Sony HCD-DZ880W Receiver Dosen't Power ON

                                    I see the pin out in the service manual but not the Voltage requirement to run, there is minimum voltage that the IC requires to run.
                                    Never stop learning
                                    Basic LCD TV and Monitor troubleshooting guides.
                                    http://www.badcaps.net/forum/showthr...956#post305956

                                    Voltage Regulator (LDO) testing:
                                    http://www.badcaps.net/forum/showthr...999#post300999

                                    Inverter testing using old CFL:
                                    http://www.badcaps.net/forum/showthr...er+testing+cfl

                                    Tear down pictures : Hit the ">" Show Albums and stories" on the left side
                                    http://s807.photobucket.com/user/budm/library/

                                    TV Factory reset codes listing:
                                    http://www.badcaps.net/forum/showthread.php?t=24809

                                    Comment

                                    • budm
                                      Badcaps Legend
                                      • Feb 2010
                                      • 40746
                                      • USA

                                      #38
                                      Re: Sony HCD-DZ880W Receiver Dosen't Power ON

                                      Can you please take the resistance reading between the two legs of C908, no power applied to the unit.
                                      https://www.badcaps.net/forum/attach...1&d=1415902213
                                      Never stop learning
                                      Basic LCD TV and Monitor troubleshooting guides.
                                      http://www.badcaps.net/forum/showthr...956#post305956

                                      Voltage Regulator (LDO) testing:
                                      http://www.badcaps.net/forum/showthr...999#post300999

                                      Inverter testing using old CFL:
                                      http://www.badcaps.net/forum/showthr...er+testing+cfl

                                      Tear down pictures : Hit the ">" Show Albums and stories" on the left side
                                      http://s807.photobucket.com/user/budm/library/

                                      TV Factory reset codes listing:
                                      http://www.badcaps.net/forum/showthread.php?t=24809

                                      Comment

                                      • vinceroger69
                                        Badcaps Legend
                                        • Mar 2012
                                        • 6714
                                        • uk

                                        #39
                                        Re: Sony HCD-DZ880W Receiver Dosen't Power ON

                                        theres a post here but its in spanish showing that chip in use and some voltages maybe worth a read
                                        http://www.dtforum.info/index.php?to...prev_next=prev

                                        Comment

                                        • ortiko
                                          Senior Member
                                          • Apr 2014
                                          • 62
                                          • Greece

                                          #40
                                          Re: Sony HCD-DZ880W Receiver Dosen't Power ON

                                          Tthe resistance reading between the two legs of C908 starts with 39 Mohms and slowly it decreases...

                                          Comment

                                          Related Topics

                                          Collapse

                                          Working...