I have this sony receiver and it doesn't power on at all...
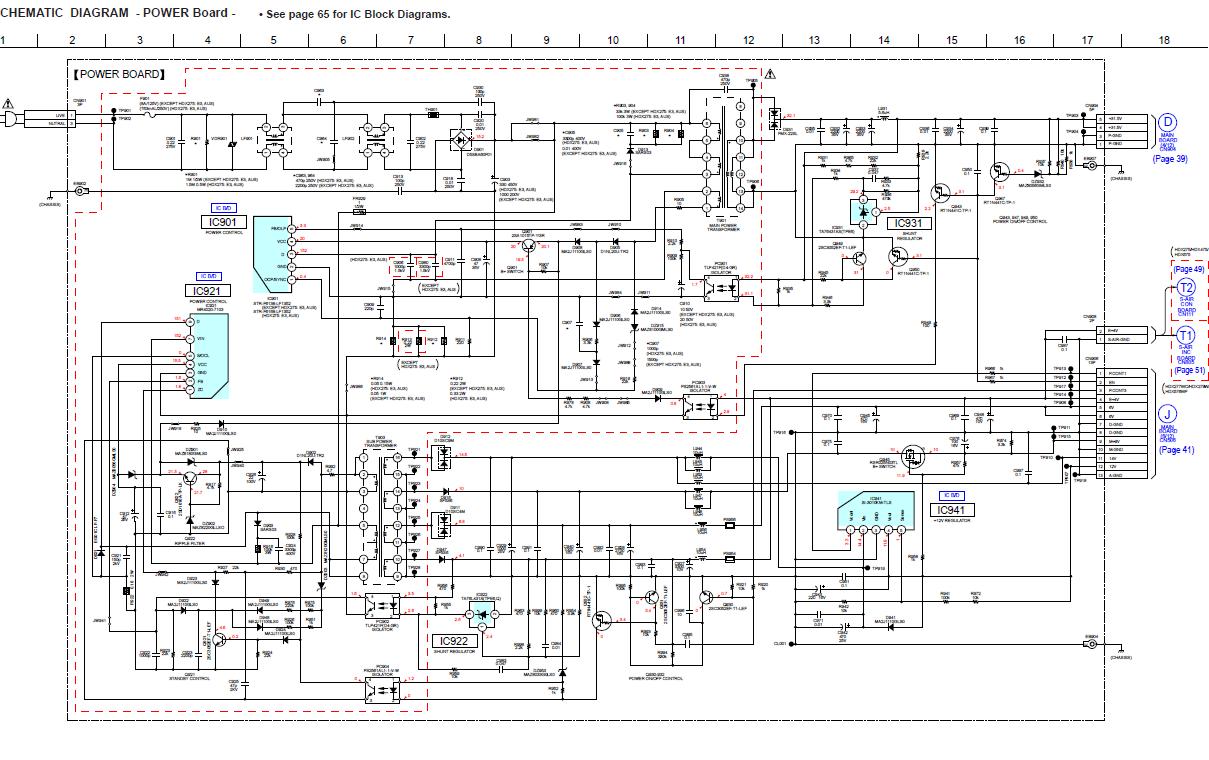
Power Supply model: 09DAV-POWER-MR-MP-13
I started looking the power supply and fuse on it are ok.
At rectifier output i measure 32V dc
The red circle the output is 8V and on pcb it reads 32-0 32-0
So i suppose this is the problem but don't know how to find the defective part
Every part on pcb looks ok...
Any suggestions will be appreciated
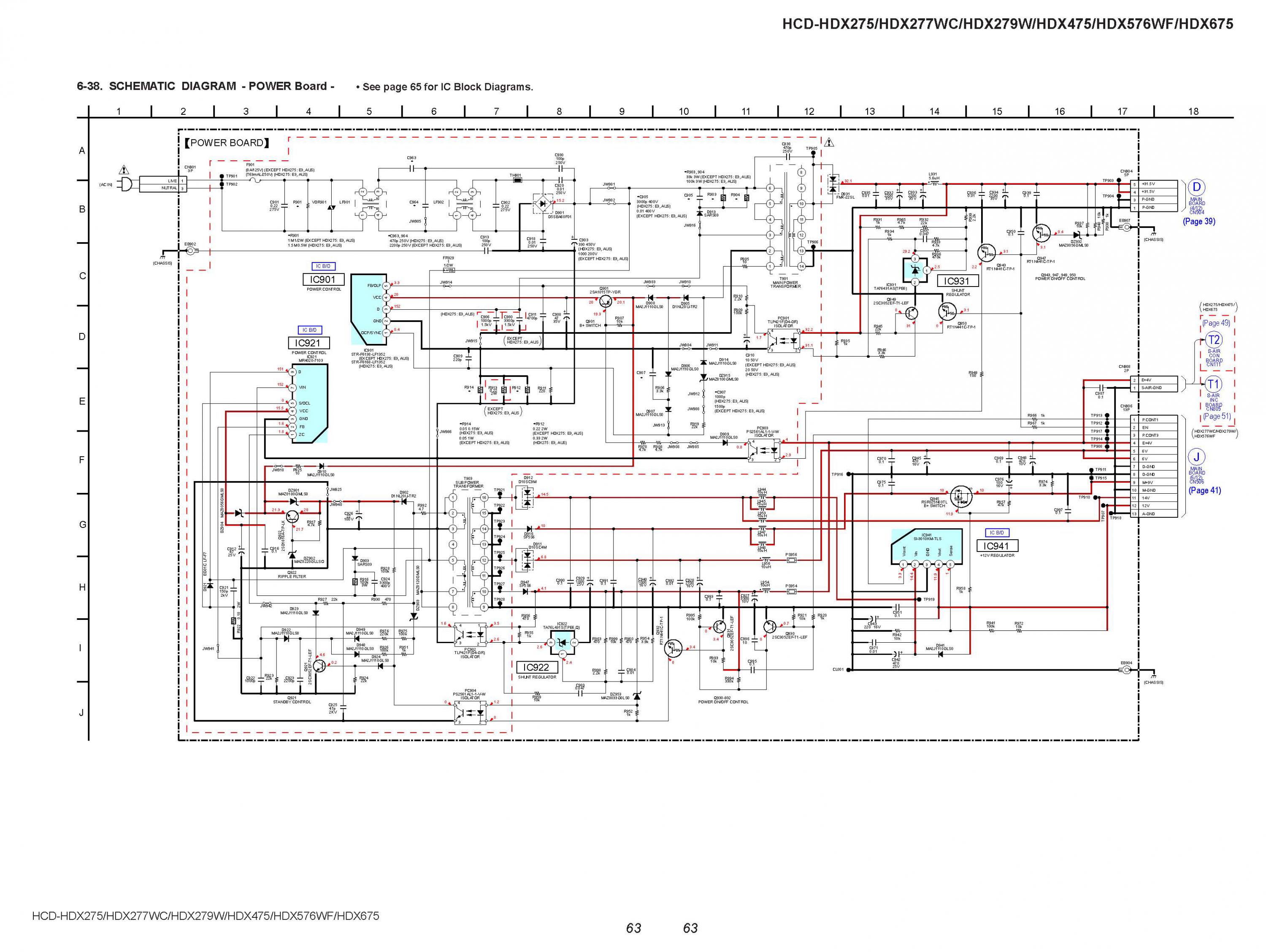
Power Supply model: 09DAV-POWER-MR-MP-13
I started looking the power supply and fuse on it are ok.
At rectifier output i measure 32V dc
The red circle the output is 8V and on pcb it reads 32-0 32-0
So i suppose this is the problem but don't know how to find the defective part
Every part on pcb looks ok...
Any suggestions will be appreciated
Comment