Ok i have a vizio that has an issue, i know go figure, been doing a lot of reading it would appear that these units have many problems.
Anyway the original problem was the unit would not power on or anything. I had the power board tested and it came back as good. Had the main board tested it came back as damaged beyond repair.
So i purchased a used board, i know big mistake, but it was the only one i could find.
Anyway the symptoms are as follows: Power off/standby vizio symbol orange, power on vizio symbol goes white. Now the screen flashes breifly as does a blue light you can see reflecting on the back panel from the power supply. I only have a 12in green ccfl lamp and i hooked it into the output that drives the lamp and you can see that it flashes briefly as well.
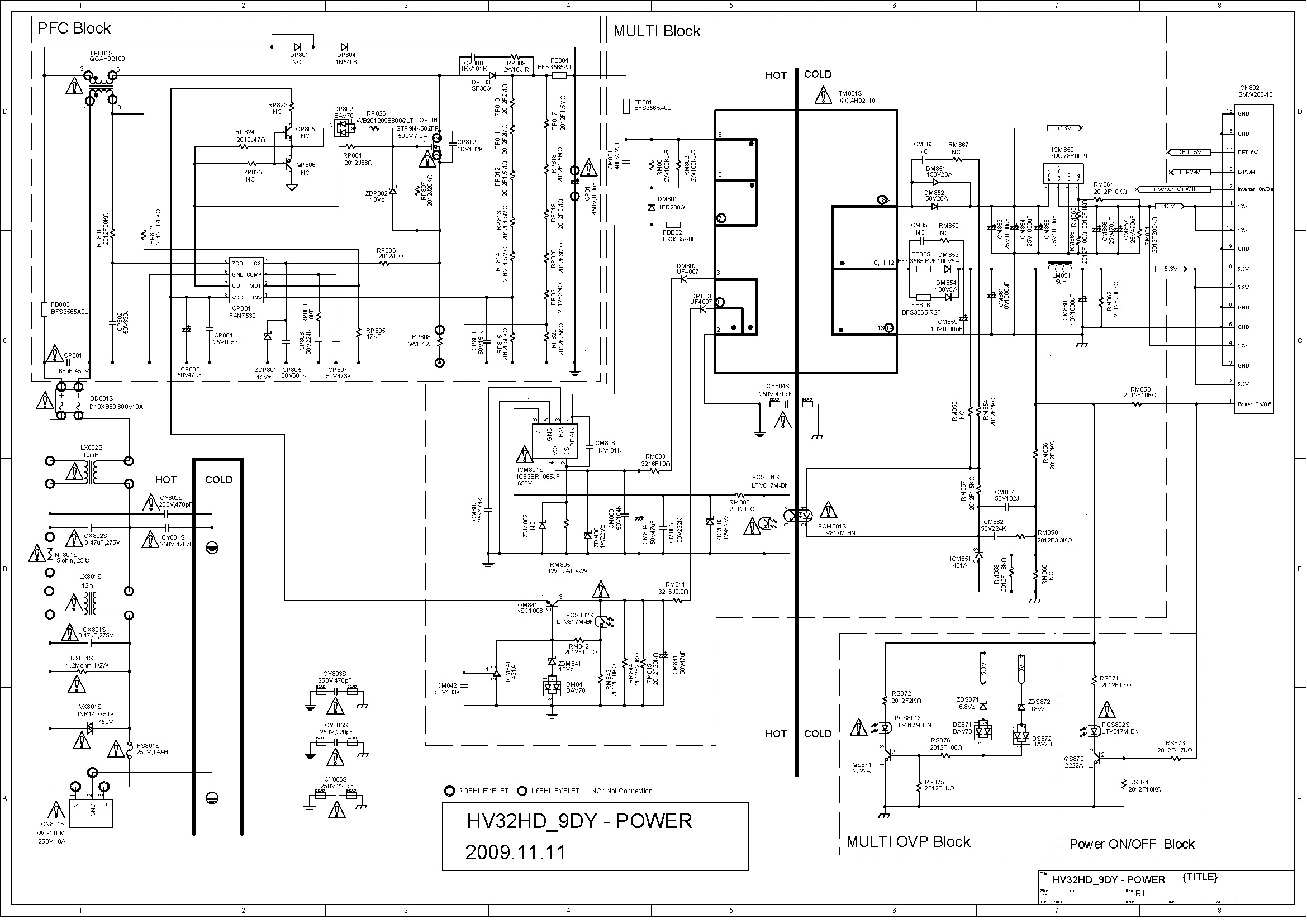
A friend of mine told me to take voltage measurements on J1 which is the main plug between the power board and the logic board, said 14 should be like 3.3, 13 should be 9.2, 12 should be 3.3 and 11 should be 2.2. Well the voltage on 12 is correct and the voltage on 11 is correct, the other two voltages are (0) zero.
On a hunch i cut the two wire about midpoint between power board and logic board.
I measured all 4 wires in ref to dgnd.
With the tv plugged in but the vizio symbol in orange, which is to be standby if I understand the manual correctly, all 4 wires measured (0) zero. Which is exactly what one would expect.
With the tv plugged in and the vizio symbol in white, also taken as the tv would normally start up, the red and orange wires from the logic board measured zero. However the red wire from the power supply side spiked up but it was two quick for my DVM to read but then it settled at like 5.38 volts, and the orange wire from the power supply ran up to about 3.37 volts.
Now I want to add that also the back lights on the television still flashed, just one quick maybe half a second flash.
Now what I done was hooked up the orange wire, left the red wire unhooked, measured voltage, this time I got (0) zero.
And the final thing I done was hooked up the red wire, left the orange wire unhooked, measured voltage and I got the short spike but then again it settled down to 5.38
What is odd is if you connect both red and orange wires, you get zero all the time.
So now does this come back to a power board failing or the main logic board failing? would like to know how i can turn the invertor output on continuous on the power board so i could see all the lamps light behind the screen. Dont know if that is even possible.
Thanks for reading and thanks for any and all guidance you can supply.
Anyway the original problem was the unit would not power on or anything. I had the power board tested and it came back as good. Had the main board tested it came back as damaged beyond repair.
So i purchased a used board, i know big mistake, but it was the only one i could find.
Anyway the symptoms are as follows: Power off/standby vizio symbol orange, power on vizio symbol goes white. Now the screen flashes breifly as does a blue light you can see reflecting on the back panel from the power supply. I only have a 12in green ccfl lamp and i hooked it into the output that drives the lamp and you can see that it flashes briefly as well.
A friend of mine told me to take voltage measurements on J1 which is the main plug between the power board and the logic board, said 14 should be like 3.3, 13 should be 9.2, 12 should be 3.3 and 11 should be 2.2. Well the voltage on 12 is correct and the voltage on 11 is correct, the other two voltages are (0) zero.
On a hunch i cut the two wire about midpoint between power board and logic board.
I measured all 4 wires in ref to dgnd.
With the tv plugged in but the vizio symbol in orange, which is to be standby if I understand the manual correctly, all 4 wires measured (0) zero. Which is exactly what one would expect.
With the tv plugged in and the vizio symbol in white, also taken as the tv would normally start up, the red and orange wires from the logic board measured zero. However the red wire from the power supply side spiked up but it was two quick for my DVM to read but then it settled at like 5.38 volts, and the orange wire from the power supply ran up to about 3.37 volts.
Now I want to add that also the back lights on the television still flashed, just one quick maybe half a second flash.
Now what I done was hooked up the orange wire, left the red wire unhooked, measured voltage, this time I got (0) zero.
And the final thing I done was hooked up the red wire, left the orange wire unhooked, measured voltage and I got the short spike but then again it settled down to 5.38
What is odd is if you connect both red and orange wires, you get zero all the time.
So now does this come back to a power board failing or the main logic board failing? would like to know how i can turn the invertor output on continuous on the power board so i could see all the lamps light behind the screen. Dont know if that is even possible.
Thanks for reading and thanks for any and all guidance you can supply.
Comment