Re: Panasonic sc tnpa5081 rebuild
You're right. You need a good samaritan to help out here and maybe offer their TV as a test bed. If the SC passed a SC50 bypass test and was then put n a TV and it blew up the SC then I think that would be conclusive.
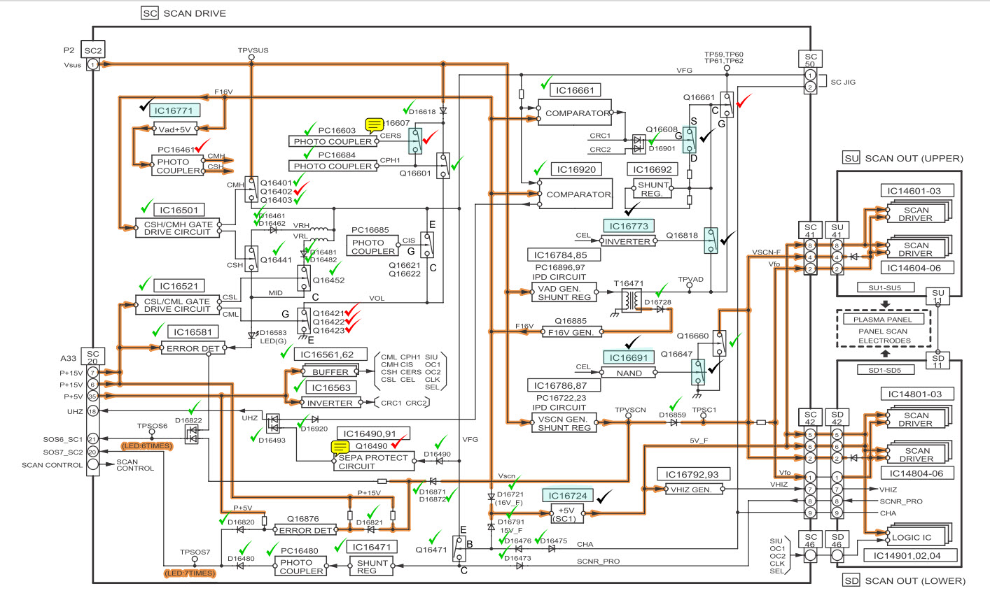
Is it worth going on? I have no answers for you and the resistances sound normal.
If another model TV surfaces like a 50" then you could potentially continue at least with a different panel and buffer set.
50g20,g25,gt25, or even a S2 you should be able to shoehorn the board for a test at least.
You're right. You need a good samaritan to help out here and maybe offer their TV as a test bed. If the SC passed a SC50 bypass test and was then put n a TV and it blew up the SC then I think that would be conclusive.
Is it worth going on? I have no answers for you and the resistances sound normal.
If another model TV surfaces like a 50" then you could potentially continue at least with a different panel and buffer set.
50g20,g25,gt25, or even a S2 you should be able to shoehorn the board for a test at least.


and I found that pin 4 had a poor solder joint as in it was not even solder to the board! There was solder there but the pin was loose maybe from working on it and flexing the board but make sure you check it.

Comment