Sanyo DP42849-01 No Picture

Collapse
X
 
  • Time
  • Show
Clear All
new posts
  • kevinm34232
    Badcaps Legend
    • May 2012
    • 1884
    • USA

    #1

    Sanyo DP42849-01 No Picture

    Picked up this TV from someone used to be in the business, says he had another of same model that was working and swapped PS boards and both TV's worked with the working PS board.

    The TV looks to be dead on plug in, no standby light but I found out all voltages were present, 5v, 12v, audio 15v. Inverter circuit is built into PS board. When powered on, green LED comes on and TV does not shutdown, but no pic, sound or backlight. Shining a light into screen does not show any video.

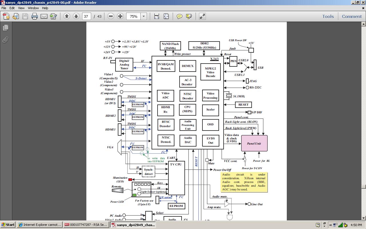
    On PS Board, when powered on there is no voltage at BL-ON pin.

    From what I can find from other repairs, it seems like the main board is the problem. However because of what I was told by the seller and the fact that the TV does not shutdown from a power failure circuit, wondering if it is something in the PS. And strange that there is no red standby LED..

    Is there some feedback from the inverter circuit happening before BL-ON?
    Attached Files
  • kevinm34232
    Badcaps Legend
    • May 2012
    • 1884
    • USA

    #2
    Re: Sanyo DP42849-01 No Picture

    Couple of a lilttle clearer pics before I get yelled at
    Attached Files

    Comment

    • budm
      Badcaps Legend
      • Feb 2010
      • 40746
      • USA

      #3
      Re: Sanyo DP42849-01 No Picture

      It does sound like the problem is in the main board since the power supply in this TV works OK in another working TV. The BL_ON is from main board, it has to be sent to the inverter first to try to turn it on, then any error signal if it is used in this TV will be feedback back to the main board if there is problem with the inverter section.
      Never stop learning
      Basic LCD TV and Monitor troubleshooting guides.
      http://www.badcaps.net/forum/showthr...956#post305956

      Voltage Regulator (LDO) testing:
      http://www.badcaps.net/forum/showthr...999#post300999

      Inverter testing using old CFL:
      http://www.badcaps.net/forum/showthr...er+testing+cfl

      Tear down pictures : Hit the ">" Show Albums and stories" on the left side
      http://s807.photobucket.com/user/budm/library/

      TV Factory reset codes listing:
      http://www.badcaps.net/forum/showthread.php?t=24809

      Comment

      • selldoor
        Slow Learner
        • Dec 2010
        • 7870

        #4
        Re: Sanyo DP42849-01 No Picture

        Originally posted by kevinm34232
        When powered on, green LED comes on and TV does not shutdown, but no pic, sound or backlight. Shining a light into screen does not show any video.
        You have got a source connected ?- video with sound running or something.
        Sound may also have been muted prior to breakdown and stays muted.
        Please upload pictures using attachment function when ask for help on the repair
        http://www.badcaps.net/forum/showthread.php?t=39740

        Comment

        • kevinm34232
          Badcaps Legend
          • May 2012
          • 1884
          • USA

          #5
          Re: Sanyo DP42849-01 No Picture

          Well I had all voltages expected at main board, not sure why I wasn't getting BL-ON so I decided to jump BL-ON from a 3.3v source on the main board. Backlight comes on for a few seconds (long enough to see LCD screen is cracked ), and then goes off.

          So now I don't know what boards are good unfortunately.

          Comment

          • kevinm34232
            Badcaps Legend
            • May 2012
            • 1884
            • USA

            #6
            Re: Sanyo DP42849-01 No Picture

            If I jump BL-ON and BL-DIM with 3.3v backlight comes on and stays on, but no signal from main board without jumping. Since LCD is found cracked, could there be a signal coming from T-Con board to not give the BL-ON? Or could T-Con be bad too?
            Attached Files
            Last edited by kevinm34232; 09-09-2012, 02:52 PM.

            Comment

            • henrysin44
              Senior Member
              • Apr 2013
              • 109
              • United States

              #7
              Re: Sanyo DP42849-01 No Picture

              I'm having the same problem, what did you jump blon and bldim to?
              I have salvaged and fixed 18 TVs (1 DLP), 22 LCD monitors, 8 stereos, network stuff, and more laptops and computers than i can count.

              Service Menu/Factory Reset Codes for TVs
              http://www.badcaps.net/forum/showthread.php?t=24809

              Comment

              Related Topics

              Collapse

              Working...