Pin 2 VDD is DC, not AC. Replace that starter cap on the VDD line (pin2).
Corshair RM750 - doesn't allow for board to turn on
Collapse
X
-
-
Where's your ground reference? Make sure you're referenced to primary side ground (i.e. primary filter cap negative pin) and not output ground on the secondary side, or you WILL get weird readings.So I've measured the pin 2 of FSB127H and... the results are questionable...
Without mainboard:
PSU with mains applied - ~4VAC
PSU ON - ~5.3VAC
With mainboard:
Mainboard OFF - ~4.7VAC
Mainboard with shorted PWR_SW (still can't power it on) - ~60VAC
Now that 60VAC is very questionable. Max this chip can handle is 30V according to the datasheet. From what I could read from the typical application schematic, it also uses DC voltage and not AC (I made sure the MM is in the correct mode, in DC mode it spews -0.08V with spikes up to 20V when cutting mains power, AC mode has the results above).
What's even weirder for me is the fact that the PSU can boot without the mainboard with AC Vdd.
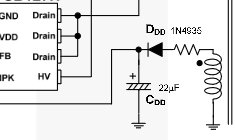
I made sure I soldered the probe wire to the Pin 2 and not Pin 7 (attached image is where the probe is soldered on).
"Tantalum for the brave, Solid Aluminium for the wise, Wet Electrolytic for the adventurous"
-David VanHornComment
-
Well, would ya look at that, bad startup cap! Was it well hidden tho, under a coil and a isolated wire.
Puffed up but not leaking. Hopefully it's the only issue (aside from ordering correct TO-220 FETs).
Rated 2200uF 16V, reads 1008uF
And as my luck would have it, no 16V 2200uF caps, only 1500 or 3300uF. Could also replace it for a poly, not sure if it makes sense to.
The B2050G diode is also fine.
And yup, I was measuring to sec. GND, not primary negative side.Last edited by kotel studios; 09-07-2025, 10:59 PM.Comment
-
Well, one side was connected to two pins of the 5vsb transformer, while the other to anode of that B2050G.
Maybe it's just another filter cap, either way it's more than out of spec which could cause the issues I had with 5VSB.
Found an used 2200uF 16v Ltec cap from a dead chieftec PSU. Seems to be inspec, so should be good enough for confirming if that's the only issue (which hopefully is the only one).Comment
-
Yup, that was the issue!
Now with 500mA load on 5VSB, the voltage stays near 5.10V (5.09V) and I can finally make my sacrificial board turn on!
While I could just write the verdict of this repair, but since I still don't have the correct TO-220 FETs to fully test if this PSU will handle 750W I can't.
I'll just keep the load under 100W and see if normal boards will post fine.Comment
-
Can make an standard AM3 board POST just fine, so now it's just to order a fresh pair of correct IPP60R190E6 in TO-220, not TO-220 FP.Comment
-
So out of fun I browsed for the IPP6R190P6 FETs on ali, and the most legit listing which is the cheapest looks to be this one. Only 1 bought, but store has 95.3% positive feedback.
Might be a gamble, seeing how most of the negative reviews were about fake/very poor quality parts...
Safest way would be to order from TME, but the shipping is too expensive just for 3 FETs (I don't have anything else to order at the moment).
Any thoughts on this?Comment
-
95% positive feedback isn't very good, really.So out of fun I browsed for the IPP6R190P6 FETs on ali, and the most legit listing which is the cheapest looks to be this one. Only 1 bought, but store has 95.3% positive feedback.
Might be a gamble, seeing how most of the negative reviews were about fake/very poor quality parts...
Safest way would be to order from TME, but the shipping is too expensive just for 3 FETs (I don't have anything else to order at the moment).
Any thoughts on this?
It's very unlikely you will get genuine MOSFETs from AliExpress.
I would wait and order them from a good supplier, once you have other parts to make the shipping worth it."Tantalum for the brave, Solid Aluminium for the wise, Wet Electrolytic for the adventurous"
-David VanHornComment
-
Yeah, for long term stability and safety (since this PSU will be used with very valuable parts) I will go with TME.
As for the 1 star reviews, they're all about fake/crap quality parts (3 total).Comment
-
That's the other problem,
You never know if they're going to put parts in a proper anti-static bag.
Or just wrap them in kitchen cling-film!"Tantalum for the brave, Solid Aluminium for the wise, Wet Electrolytic for the adventurous"
-David VanHornComment
Related Topics
Collapse
-
Vizio e601i-A3 - Has Sound and Display, But No Backlight - Bad Power Supply Board or Bad LED Bulbs ?by Tynan DillI was given this TV from my great uncle. He said it just wouldn't turn on one day out of nowhere, replaced the TV, and gave it to me to possibly fix and use for myself.
Upon bringing it home and plugging it up, it showed a standby light.
I powered it on and without a flashlight, the display showed the "V" but the lighting is very dim, but visible.
The screen seems to blackout and stay black, but with a flashlight I can see the display.
With my Playstation 4 connected via HDMI, and running a game I can hear sound.
Assuming...7 Photos -
by m1ch43lzmHi, this is my personal laptop, which the original board (lets call it Board A) blew up PU8700 (TPS51486), making a hole on the board, i had left the laptop at my desk one day with the battery fully charged and didn't touch it for a week, but when i tried to turn it on it didn't
Thought the battery was dead, so i plugged in the charger then tried to power on, the power LED blinked once, charged LED still orange, unplugged the charger, plugged in again and I noticed the "magic smoke" smell, so i unplugged the charger, removed the back cover and saw the blown IC (the "magic... -
by howardc64All left and right refers to looking from rear of TV (or looking from front with TV upside down)
- TV came with vertical bars and no image. Found faulty TVS on left buffer board. Also replaced T-Con (may have damaged the original while hot air removing components, board has slight warp) and have full image but few horizontal lines on the screen. Some of the lines appears to be 2 pixel tall while others are 1 pixel tall.
- Disconnecting left and right buffer board potentially reveals problems on both sides with different signals (unless this T-Con require jumper like Samsung FB_TRDY1&3) Fault
-
by HakuuHi There,
This TV was auto switching off after few seconds with some vertical lines on the screen, so got a new TCON board and replaced it.
After replacing the TCON board it was working fine and i set it up with everything, used for few hours, then had the bright idea to update the software on it. During the update process, TV switched off and now no audio or video. No relay switch sound.
More Details
TV Model - LG OLED77G1PUA
Got the same exact TCON board from TVPartsToday and replaced it. But didnt transfer the EPPROM data (didnt... -
by SoulzinkHi everyone,
I am trying to fix a samsung washinmachine power supply main board.
I already replaced it with another one to fix the machine but i want to try understand the issue with the old board.
Therefore i hope to be able to get some help to explain what to check in order to troubleshoot.
The power supply board reference is the following: DC41-00189a
I have followed one thread (https://www.badcaps.net/forum/troubl...ingmachine-rel... - Loading...
- No more items.

Comment