Lead acid battery protector

Collapse
X
 
  • Time
  • Show
Clear All
new posts
  • joshnz
    Badcaps Veteran
    • Feb 2011
    • 969
    • New Zealand

    #1

    Lead acid battery protector

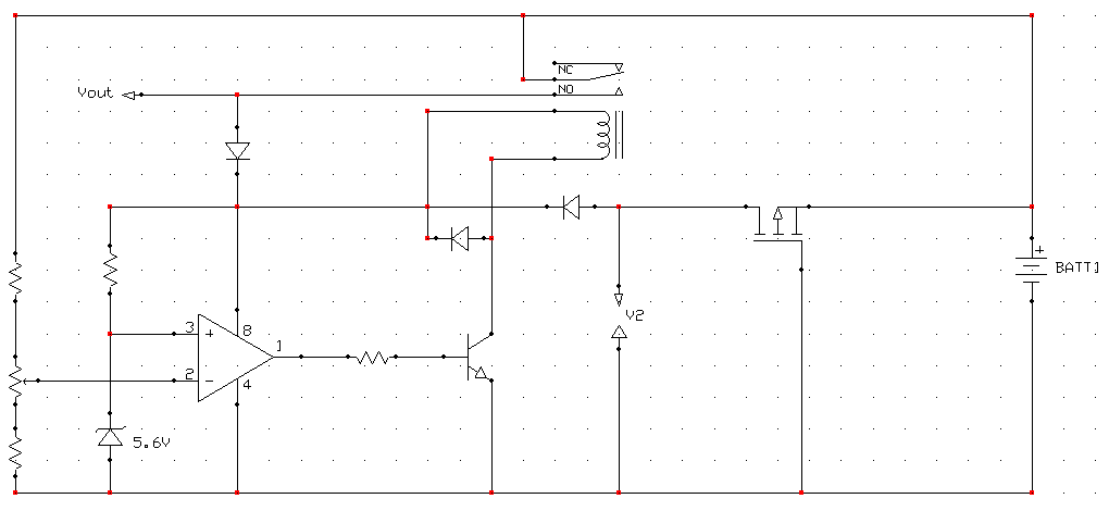
    I'm trying to build a low cost battery protector.
    this is what I have so far.


    It Is meant to work like this
    if power is lost run the load off battery intill battery reaches 10.6 volts.
    when power returns run off power supply and charge battery.

    I noticed I forgot diode to protect transistor.

    I may need a second set of relay contacts to run load off when dc power supply is on.
    Attached Files

    if you find these attachements useful please consider making a small donation to the site

    Last edited by joshnz; 01-12-2014, 07:05 AM.
    My pc
    CPU : AMD PHENOM II x4 @ 3.5Ghz
    MB : ASUS M4A89TD PRO USB3
    RAM : Kingston ValueRAM 16gb DDR3
    PSU : Cooler Master 850W Silent Pro
    GPU : ATI Radeon HD 6850
  • budm
    Badcaps Legend
    • Feb 2010
    • 40746
    • USA

    #2
    Re: Lead acid battery protector

    It does not look right.
    What is the D1 Zener voltage? If you want the battery to be disconnected from the circuit when its voltage is at 10.6V, that means when V2 (13.8) is working, then D1 will be on to turn on Q3, and when voltage is at 10.6V D1 has to be off to turn off Q3. Is that what you are trying to do. Q3 is on in normal operation, off when output voltage is at 10.6V? If that is the case then you will have to re-configure N.C. and N.O. contacts of the relay. Also the Gate of the MOSFET is tied to ground? At the same time when V2 (13.8V) will charge the battery through the body diode of the MOSFET and the R1, no protection when battery is fully charged (no trickle charge).
    So how do want the Q3 to be when V2 is OK and when V2 is not present (lost power)?
    Last edited by budm; 01-12-2014, 02:34 PM.
    Never stop learning
    Basic LCD TV and Monitor troubleshooting guides.
    http://www.badcaps.net/forum/showthr...956#post305956

    Voltage Regulator (LDO) testing:
    http://www.badcaps.net/forum/showthr...999#post300999

    Inverter testing using old CFL:
    http://www.badcaps.net/forum/showthr...er+testing+cfl

    Tear down pictures : Hit the ">" Show Albums and stories" on the left side
    http://s807.photobucket.com/user/budm/library/

    TV Factory reset codes listing:
    http://www.badcaps.net/forum/showthread.php?t=24809

    Comment

    • joshnz
      Badcaps Veteran
      • Feb 2011
      • 969
      • New Zealand

      #3
      Re: Lead acid battery protector

      I will explane later I was half asleep when I quickly put this together.
      The mosfet in this setup is a very eficent diode.
      My pc
      CPU : AMD PHENOM II x4 @ 3.5Ghz
      MB : ASUS M4A89TD PRO USB3
      RAM : Kingston ValueRAM 16gb DDR3
      PSU : Cooler Master 850W Silent Pro
      GPU : ATI Radeon HD 6850

      Comment

      • joshnz
        Badcaps Veteran
        • Feb 2011
        • 969
        • New Zealand

        #4
        Re: Lead acid battery protector

        Zener is 10v.
        None of this has been made yet just a concept.
        My pc
        CPU : AMD PHENOM II x4 @ 3.5Ghz
        MB : ASUS M4A89TD PRO USB3
        RAM : Kingston ValueRAM 16gb DDR3
        PSU : Cooler Master 850W Silent Pro
        GPU : ATI Radeon HD 6850

        Comment

        • joshnz
          Badcaps Veteran
          • Feb 2011
          • 969
          • New Zealand

          #5
          Re: Lead acid battery protector

          The .33 resistor has been chosen to to limit current to 12 amps when battery is at 10 volts to avoid over loading power supply.

          When battey voltage has reached cut off voltage the relay releases connecting the power supply back then because the power supply provides more than the cut off voltage the relay pulls back in.
          My pc
          CPU : AMD PHENOM II x4 @ 3.5Ghz
          MB : ASUS M4A89TD PRO USB3
          RAM : Kingston ValueRAM 16gb DDR3
          PSU : Cooler Master 850W Silent Pro
          GPU : ATI Radeon HD 6850

          Comment

          • joshnz
            Badcaps Veteran
            • Feb 2011
            • 969
            • New Zealand

            #6
            Re: Lead acid battery protector

            One issue I see is it may oscolate when power first come back.
            My pc
            CPU : AMD PHENOM II x4 @ 3.5Ghz
            MB : ASUS M4A89TD PRO USB3
            RAM : Kingston ValueRAM 16gb DDR3
            PSU : Cooler Master 850W Silent Pro
            GPU : ATI Radeon HD 6850

            Comment

            • budm
              Badcaps Legend
              • Feb 2010
              • 40746
              • USA

              #7
              Re: Lead acid battery protector

              "When battey voltage has reached cut off voltage the relay releases connecting the power supply back then because the power supply provides more than the cut off voltage the relay pulls back in."
              OK, if you look at the circuit. When first V2 (13.8V) is connected, the current will flow throw the N.C. (Normally Closed, the bottom set of contact as shown in the diagram post 1) contact to the DC+ out terminal, at the same time this voltage is above 10.6V cutoff voltage so the Zener will conduct, turn on Q3 which in activate relay X1 which will cause the N.C. contact to go open which will disconnect the V2 from the circuit, the N.O. contact will close to switch over to battery,that is not condition you want.
              And what is the MOSFET for?
              You can analyze your circuit by drawing the path of the current flow, then you will see what is going on.
              Last edited by budm; 01-12-2014, 05:17 PM.
              Never stop learning
              Basic LCD TV and Monitor troubleshooting guides.
              http://www.badcaps.net/forum/showthr...956#post305956

              Voltage Regulator (LDO) testing:
              http://www.badcaps.net/forum/showthr...999#post300999

              Inverter testing using old CFL:
              http://www.badcaps.net/forum/showthr...er+testing+cfl

              Tear down pictures : Hit the ">" Show Albums and stories" on the left side
              http://s807.photobucket.com/user/budm/library/

              TV Factory reset codes listing:
              http://www.badcaps.net/forum/showthread.php?t=24809

              Comment

              • joshnz
                Badcaps Veteran
                • Feb 2011
                • 969
                • New Zealand

                #8
                Re: Lead acid battery protector

                Mosfet Q1 is been used as a diode to stop current flow from V1 to V2 when V2 looses power.
                So when the low voltage drop out activates, Current from the battery can't flow back via R1 via the NC contact of X1 that would defeat the purpose of the low voltage protection.
                Last edited by joshnz; 01-12-2014, 07:41 PM.
                My pc
                CPU : AMD PHENOM II x4 @ 3.5Ghz
                MB : ASUS M4A89TD PRO USB3
                RAM : Kingston ValueRAM 16gb DDR3
                PSU : Cooler Master 850W Silent Pro
                GPU : ATI Radeon HD 6850

                Comment

                • ben7
                  Capaholic
                  • Jan 2011
                  • 4059
                  • USA

                  #9
                  Re: Lead acid battery protector

                  Would this work for you?

                  There is a voltage divider that divides the battery voltage, and a comparator compares it with a reference voltage.

                  The voltage divider can be 100K resistors, to minimize the current drain on the battery. Using 100K resistors, the current drawn from the battery will be less than 10uA (about 4uA I think).

                  The potentiometer is to tweak the voltage divider, especially since a 100K resistor with 20% tolerance can vary in resistance quite a lot.

                  The voltage divider is necessary, because the comparator can't compare voltages that are greater than it's supply voltage.

                  When the power is on, the comparator gets power from the power supply, and when the battery voltage is OK, then the battery voltage is fed to the output. Power supply goes off, and the output voltage from the battery stays on until the battery voltage goes too low.
                  Attached Files

                  if you find these attachements useful please consider making a small donation to the site

                  Muh-soggy-knee

                  Comment

                  • budm
                    Badcaps Legend
                    • Feb 2010
                    • 40746
                    • USA

                    #10
                    Re: Lead acid battery protector

                    So the power from V2 will go through body Diode of the P-CH which at the same time tied directly to the battery (no protection if the battery has shorted cell?). Use low Vf diode instead of MOSFET?
                    How much current are we talking about here?
                    Never stop learning
                    Basic LCD TV and Monitor troubleshooting guides.
                    http://www.badcaps.net/forum/showthr...956#post305956

                    Voltage Regulator (LDO) testing:
                    http://www.badcaps.net/forum/showthr...999#post300999

                    Inverter testing using old CFL:
                    http://www.badcaps.net/forum/showthr...er+testing+cfl

                    Tear down pictures : Hit the ">" Show Albums and stories" on the left side
                    http://s807.photobucket.com/user/budm/library/

                    TV Factory reset codes listing:
                    http://www.badcaps.net/forum/showthread.php?t=24809

                    Comment

                    Related Topics

                    Collapse

                    • Bowline
                      Dell E6400 PT434 type Battery Charging Stuck at 1%. Battery Pinouts?
                      by Bowline
                      My question pertains to understanding the control circuity inside a Dell PT434 type battery used in Dell E6400, E6410 and other Dell notebooks?

                      Does anyone have a circuit diagram for the inside of a Dell PT434 battery and/or a description of how the control lines work to control this battery?

                      My reason for asking is I have a battery which I cannot get to charge beyond 1% in a Dell E6410 or E6400.
                      The LED bar graph charge indicator on the battery shows one LED lighted when the info button is pressed.
                      I have tried multiple different Dell power adapters. My Dell...
                      06-11-2025, 10:13 AM
                    • mkdj
                      ASUS X571 no power : battery issue?
                      by mkdj
                      Hello everyone,

                      Mark and model: ASUS X571
                      Symptoms: not turning on. There is only the LED battery indicator working. The owner of the laptop told me this problem arrived one week after having changed the battery. He then managed to power on the laptop only once, and then it never powered on again.

                      Tests already made:
                      - Battery is charging when laptop is plugged in. The LED battery indicator turns white after a couple of hours of charge, indicating that battery is fully charged. However, laptop won't turn on anyway, with or without AC plug.
                      - I have removed...
                      07-14-2025, 09:16 AM
                    • clearchris
                      Auto Lead Acid Battery Charger
                      by clearchris
                      Hi!

                      I have a super basic schumacher 120v to 6/12v 2/5a auto battery charger. It's a metal box with a meter, switch that goes to the taps on the transformer, a rectifier attached to a sink and a thermal cutout switch. No electronics PCBs, or other circuitry.

                      When I attach the clamps to the battery, it charges properly for maybe 30 seconds, then I hear what I believe is the thermal fuse tripping, and it goes off. In a minute or so, it turns back on and the cycle repeats. This happens on 2a mode and 5a mode.

                      With no battery attached, I measure 14v DC at...
                      09-17-2023, 11:57 AM
                    • sam_sam_sam
                      FNIRSI HRM-10 Internal Resistance Detector AC Lead Acid Lithium Battery Tester Review on some testing of device
                      by sam_sam_sam
                      https://www.ebay.com/itm/405035016711

                      I got this device yesterday and did some testing on some tabbing and some incandescent light bulbs and it seems to work very well from what I can tell but how do I know how accurate the m-ohms section is what can I use to verify it accurately I also tested some li-ion battery cells and this seems to be fairly accurate because I have another tester and they seem to agree with each other

                      I also checked some capacitors with it that were brand new and seem to show about what I expected to see with my blue capacitor tester so I think it...
                      04-13-2025, 08:17 PM
                    • techfreak9356
                      Vostro 3400 (LA-K033P) won't charge battery, everything else ok
                      by techfreak9356
                      I bought a Vostro 3400 motherboard (LA-K033P) to upgrade over my damaged Inspiron 5593 (LA-J091P) board. Everything else is ok except for the battery. This battery I am using now is already a replacement one since I disposed of the bloated original one. Back in the Inspiron 5593 motherboard, the battery charges fine and is identified just fine. However, with the upgraded motherboard, suddenly the replacement battery is labeled as "Not a dell battery". When I borrow a similar battery from my colleague (which did not have replacements yet), it is identified and charges just fine.
                      ...
                      09-14-2023, 11:10 PM
                    • Loading...
                    • No more items.
                    Working...