Hello, I am working on a board that has no water damage just died and only have 5v on the charger. I do have PP1V8_SLP2R present, PP3V3_G3H_RTC Present and PHV_INT_XA_G3H Present. Missing PP5V_G3S. Where is this power generated? from CD3215 or U7100? I need your help please. Thanks.
MBA 820-01521-A Missing PP5V_G3S
Collapse
X
-
Re: MBA 820-01521-A Missing PP5V_G3S
Power is generated by the external power adapter. It will start off by default @ 5V and provided that each CD3215 is working properly, only then can they negotiate with the external power adapter to supply the 20V power delivery contract. Respectively, it is vital that the CD3215 are functioning properly.
What is the voltage for PPBUS_G3H ?
Measure @ C7050 on the logic board. Meter in 20V DC scale.
Red meter probe to C7050 (+) = pin # 1. Black meter probe to ground (shield) or can be pin # 2 on the same capacitor or convenient cluster of caps in the same group. -
Re: MBA 820-01521-A Missing PP5V_G3S
C7050 PIN1= 333k Ohms red on +Power is generated by the external power adapter. It will start off by default @ 5V and provided that each CD3215 is working properly, only then can they negotiate with the external power adapter to supply the 20V power delivery contract. Respectively, it is vital that the CD3215 are functioning properly.
What is the voltage for PPBUS_G3H ?
Measure @ C7050 on the logic board. Meter in 20V DC scale. 12.33v
Red meter probe to C7050 (+) = pin # 1. Black meter probe to ground (shield) or can be pin # 2 on the same capacitor or convenient cluster of caps in the same group.Comment
-
Re: MBA 820-01521-A Missing PP5V_G3S
PP5V_G3S is created by U7650.
Remove all power. Meter in resistance mode (2k scale).
Check & post the resistance to ground for L7670 (either side). Checking for a low resistance value which will likely lead to a bad (shorted) cap. This will cause an excessive current draw and force this regulator to shut down.
If the resistance is not very low, then proceed to use the meter in DC volts mode (20V DC scale).
Measure & post the voltage for:
P5VG3S_EN_DLY
P5VG3S_EN
L7690
PP3V3_G3H
U7650 is responsible for 2 voltage rails. You have confirmed that at least one side is not working as expected. Confirm the ENABLE is present for this missing rail.
While there, check the right side rail as well to see if it is working.Comment
-
Re: MBA 820-01521-A Missing PP5V_G3S
No shorted on L7690 and L7670PP5V_G3S is created by U7650.
Remove all power. Meter in resistance mode (2k scale).
Check & post the resistance to ground for L7670 (either side). Checking for a low resistance value which will likely lead to a bad (shorted) cap. This will cause an excessive current draw and force this regulator to shut down.
If the resistance is not very low, then proceed to use the meter in DC volts mode (20V DC scale).
Measure & post the voltage for:
P5VG3S_EN_DLY =0v
P5VG3S_EN = 0V
L7690 3.3v no shorted on L7670 = 0v
PP3V3_G3H = 3v3
U7650 is responsible for 2 voltage rails. You have confirmed that at least one side is not working as expected. Confirm the ENABLE is present for this missing rail.
While there, check the right side rail as well to see if it is working.
L7690 = 3.3v
L7670= 0v. no short.Comment
-
Re: MBA 820-01521-A Missing PP5V_G3S
Hi I am also working on an 820-01521 that has no PP5V_G3S. U7650 is not getting enable signal for this voltage. It looks like that EN should come from PMIC U7800. Any further news on this repair please @MobileXT ?
Thanks I know it's probably best to make a new post but this one isn't that old so I thought I would just piggyback on here.My YouTube channel - https://www.youtube.com/channel/UCiD...5d6OgizDqoi_SAComment
-
Comment
-
Re: MBA 820-01521-A Missing PP5V_G3S
I realise that this is the other guys post but he is MIA
I would greatly appreciate any help please @mon2
* I have 0v both sides of R7613 (working board is 1.79v)
* R7613 measures 0.7Ω (should be 0Ω but probably just resistance of DMM leads?)
* RTG of P5VG3S_EN is 46K (working board is 46K also)
* P5VG3S_EN comes from PMIC U7800 so am I screwed
PS - I tried DFU restore / revive but board wouldn't go into DFU modeMy YouTube channel - https://www.youtube.com/channel/UCiD...5d6OgizDqoi_SAComment
-
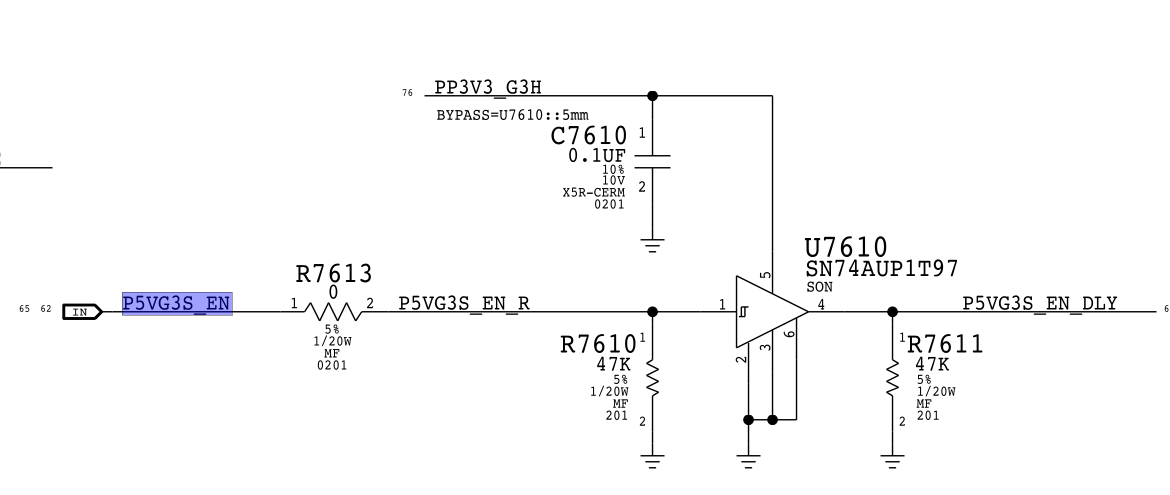
Re: MBA 820-01521-A Missing PP5V_G3S
Sorry for the delay but I have now turned on thread notifications.
PPBUS_G3H - 12.64v 20v / 0.03A on charger and seeing what else I have or am missing.
PP3V3_G3H - 3.3V
PP5VG3S - 0.029V diode 0.441 so no short
P5VG3S_EN_DLY - 0v
this comes from U7610 which has its
PP3V3_G3H supply at 3.3v
but no P5VG3S_EN_R (diode 0.540 so no short) which also comes from U7800
P5VG3S_PGOOD - 1.75v
P1V8G3S - 0v
P1V8G3S_EN - 0.560 so no short
Pointing to PMIC/T2 issues?
I also forced into DFU mode (1v8v into SOC_FORCE_DFU) but it timed out and would't complete. I tried twice but cannot recall the exact error. Suffice to say that isn't going to fix it
Last edited by Pedro147; 06-12-2022, 12:47 AM.My YouTube channel - https://www.youtube.com/channel/UCiD...5d6OgizDqoi_SAComment
-
Re: MBA 820-01521-A Missing PP5V_G3S
Use the exact net names from the schematics. It will make the review much easier to follow.
This does not look correct.P5VG3S_PGOOD - 1.75v
P1V8G3S - 0v (correction: PP1V8_G3S)
PGOOD signals are open-drain lines. There will be a logic low but no logic high. Instead, '1' state will be high impedance and demands a local pull-up.
The pull-up here is R7600. The other side of R7600 should be 1v8 (PP1V8_G3S).
You have 1v75 yet the PP1V8_G3S = 0v ??
Confirm the voltage of PP1V8_G3S.
Also remove all power, confirm the resistance of R7600. Measurement ?Comment
-
Re: MBA 820-01521-A Missing PP5V_G3S
Apologies for the sloppy net names @mon2
Yes I see what you are saying now.
PP1V8_G3S is indeed 0v diode 0.344
R7600 is 99.7Ω so within spec.
I rechecked all my other readings and they are all good, both voltages and diode reading.My YouTube channel - https://www.youtube.com/channel/UCiD...5d6OgizDqoi_SAComment
-
Re: MBA 820-01521-A Missing PP5V_G3S
That is the voltage measured at R7600.
Diode value 0.344v refers to diode mode measurement of that line PP1V8_G3S
P5VG3S_PGOOD is 0v tooLast edited by Pedro147; 06-12-2022, 11:59 PM.My YouTube channel - https://www.youtube.com/channel/UCiD...5d6OgizDqoi_SAComment
-
Re: MBA 820-01521-A Missing PP5V_G3S
Yes sorry post #10 was a mistake. I had three of these boards going at once and I got confused
P5VG3S_PGOOD resistance to GND is 595K ohms on auto ranging scale.My YouTube channel - https://www.youtube.com/channel/UCiD...5d6OgizDqoi_SAComment
-
Re: MBA 820-01521-A Missing PP5V_G3S
Pin 1 (PP1V8_SLPS2R) of R4519 is a steady 1.8v but PP1V8_SLPS2R_SOC_LPOSC_RC (pin 2 of R4519) is only 0.628v (should be 1.8v)
R4519 is correct value at 49.9Ω
In regard to your questions, I have all those voltages.
PP1V8_SLPS2R - 1.8v
PP1V1_SLPS2R - 1.1v
PP0V8_SLPS2R - 0.8v
PP1V2_AWAKE - 1.2v
PP3V3_AWAKE - 3.3vLast edited by Pedro147; 06-13-2022, 11:16 PM.My YouTube channel - https://www.youtube.com/channel/UCiD...5d6OgizDqoi_SAComment
-
Re: MBA 820-01521-A Missing PP5V_G3S
PP1V8_SLPS2R_SOC_LPOSC_RC is not at the correct value.Pin 1 (PP1V8_SLPS2R) of R4519 is a steady 1.8v but PP1V8_SLPS2R_SOC_LPOSC_RC (pin 2 of R4519) is only 0.628v (should be 1.8v)
R4519 is correct value at 49.9Ω
Remove all power. Meter in resistance mode. Check the resistance to ground of PP1V8_SLPS2R_SOC_LPOSC_RC.
What is the voltage of PP1V8_SLPS2R_SOC_LPADC_RC ?Comment
-
Re: MBA 820-01521-A Missing PP5V_G3S
resistance to ground of PP1V8_SLPS2R_SOC_LPOSC_RC - 63.3Ω
voltage of PP1V8_SLPS2R_SOC_LPADC_RC - 1.8vMy YouTube channel - https://www.youtube.com/channel/UCiD...5d6OgizDqoi_SAComment
Related Topics
Collapse
-
by Lucifer87Hi, I need the schematic and boardview of a Radeon RX 5700 Pulse, sometimes it turns on, sometimes it doesn't... I checked when it doesn't turn on, the enable signal is missing on pin 15 EN2 3v to power 1.8v... the problem is that when it works I can't test it since the signal is present... I would like to check the signal paths but I would need the diagram and the boardview thanks​...
-
Channel: BIOS & Schematic Requests!
-
-
by KooopaHi! I'm diagnosing my Nitro 5 AN515-43 Mobo: FH50Q LA-J621P. I left it on sleep mode but when I came back It won't turn on. Power LED would turn on for a few seconds then off. no fan spin nor keyboard backlight.
So I tried the usual procedures first, power cycling and bios reset but non did the trick so I decided to delve deeper.
Nothing strikes as red flags aside from the dust. there's no history of any liquid being poured at it since I bought the thing, I've been real careful. Anyways.
I checked the usual rails +5VALW +3VALW even the 1.8VALW and 0.9VALW... -
by reessiHello,
This Macbook does not turn on:
The power button is ripped, I received it like this and the machine was working fine with a ripped power button as boots when plugged in.
Current state:
When plugged in the USB meter goes to 20v /~0.5 gradually increasing to 0.7a charging for 10s then resets charging but remains at 20v, current draw drops to around ~40/50mah then restarts a second later looping.. all 4 ports are the same.
The touchpad responds (vibrating when pressed) but also is cycling on and then off.
PP3V_G3S... -
by ProttHey fellow Badcappers

I am troubleshooting Surface 7 board (rev 1.0) which was working great until it experienced a short circuit due to a bad screen.
Now it's missing SLP_S3 signal. Everything in the power on sequence works properly up until that signal.
- The resistance to ground on the SLP_S3 line is >50 kOhms.
- No shorts on any powerrails that I can find.
- I get a proper clock signal on the RTC crystal (XTAL_2P) once the Surface gets power.
- SLP_S4 is, suprisingly, present, but it looks very weird (jump up to 2 V for about... -
by npielawskiI will just preface all this by saying that I have a fairly technical background but have never attempted SMD electronics diagnostics and repair before, I really like the idea and want to learn.
I have a MacBook Pro late 2016 that died maybe four years ago. Over the course of 30 seconds, it got slower and stuttered, until it froze for a second and died. No click from the trackpad anymore, nothing. I started getting interested in electronics repair and decided to give it a shot, so I opened it, removed the battery (one cell was puffy), took out the motherboard and experimented with...10-15-2025, 01:53 AM - Loading...
- No more items.
Comment