Macbook Pro 13" - A1989 - 820-00850-A - No Power Issue

Collapse
X
 
  • Time
  • Show
Clear All
new posts
  • reessi
    Badcaps Veteran
    • Jan 2016
    • 334
    • uk

    #1

    Macbook Pro 13" - A1989 - 820-00850-A - No Power Issue

    Hello,

    This Macbook does not turn on:

    The power button is ripped, I received it like this and the machine was working fine with a ripped power button as boots when plugged in.

    Current state:

    When plugged in the USB meter goes to 20v /~0.5 gradually increasing to 0.7a charging for 10s then resets charging but remains at 20v, current draw drops to around ~40/50mah then restarts a second later looping.. all 4 ports are the same.

    The touchpad responds (vibrating when pressed) but also is cycling on and then off.

    PP3V_G3S -> Present (3.35v) on Battery or just Charger, NOT cycling, always present!
    PP5V_G3S -> Present (5.12v) on Battery or just Charger, NOT cycling, always present!
    3v3_G3H_RTC -> 3.3v on Battery or just Charger.

    There is 3.3v on the Power button connector and when shorted to ground nothing happens.
    The fans do not spin at any point..


    I am not sure where to go from here, is this a charging fault with the CD3215 IC's or something else.

    I have checked as many areas as possible for shorts, all inductors I have seen and checked on the board are not short.


    U7800 has no shorts in the output inductors and has voltages present on several of them.. I am not sure if at this point all of them should be on..
    The voltages present on U7800 turn off for a split second when the charging resets!

    Voltages present on u7800 (Some have multiple outputs and are all present):

    PP1V8_SLPS2R -> 1.8v
    PP0V9_SLPDDR -> 0.9v
    PP1V1_SLPS2R -> 1.1v
    PPVDDCPU_AWAKE -> 0.74v
    PP0V82_SLPDDR -> 0.81v
    PPVDDCPUSRAM_AWAKE -> 0.79v

    MISSING (Not sure if should be present at this stage):

    PVCCPCOREPRIM -> 0v (SW0 & SW1)
    P1VPRIM -> 0v (SW0 & SW1)


    On the charger with battery dis-connected:


    PP_G3HOT:
    12.55v @ 38mah then every 30s it changes to 12.22v @ 60mah!!

    Battery is currently at 11v.

    I can upload photos of the board and I have the boardview and schematics from this forum.

    I have thoroughly inspected the board under the microscope and no damage can be seen.

    Many thanks.
    Last edited by reessi; 08-19-2025, 09:48 AM.
  • mon2
    Badcaps Legend
    • Dec 2019
    • 14735
    • Canada

    #2
    Flux and remove the fuse @ F7000. Then power up again.

    Measure the voltage to ground on F7000, pcb pad # 1 on the PCB at the site of the removed fuse. Is the voltage stable? What is the voltage?

    Comment

    • reessi
      Badcaps Veteran
      • Jan 2016
      • 334
      • uk

      #3
      Hi mate,

      Pin 1 shows 12.22v no changes after removal with battery connected and charger.

      1.4v with just battery.

      And 12.22v with charger no battery.

      It is stable, 12mah consumption on the USB C meter in all cases.

      Cheers.

      Comment

      • mon2
        Badcaps Legend
        • Dec 2019
        • 14735
        • Canada

        #4
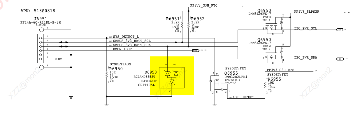
        Attach the power adapter only. Carefully measure the voltage to ground on each pin on the battery connector @ J6951.

        Post each measurement. We are testing if the SMBUS interface lines are ok or if one of the TVS ESD diodes has become defective.

        Click image for larger version

Name:	esd.png
Views:	101
Size:	87.9 KB
ID:	3707741

        Comment

        • reessi
          Badcaps Veteran
          • Jan 2016
          • 334
          • uk

          #5
          Actually I already checked SCL and SDA earlier due to seeing that in another thread.. But checked again now:

          1 -> 0v
          2-> 3.3v
          3-> 3.3v
          4-> 0v

          By the way nothing is in those lines when the fuse is removed. Also with the fuse removed the USB meter stays at 5v... Is this expected?

          Comment

          • reessi
            Badcaps Veteran
            • Jan 2016
            • 334
            • uk

            #6
            Sorry actually the voltage is cycling quickly, 3.3v, 3v, 2.84v, something like that but probably too quick for my multimeter!

            Same on both lines.

            Diode readings if helpful:

            SCL - 1300
            SDA - 1255

            OK just realised you said with charger only... On charger only the voltage is stable at 3.34v well occasionally changes to 3.32v but I don't think that is anything. It cycles with the battery connected.
            Last edited by reessi; 08-19-2025, 02:39 PM.

            Comment

            • mon2
              Badcaps Legend
              • Dec 2019
              • 14735
              • Canada

              #7
              These lines are fine. They are not shorted. If these lines reported a low voltage then one of the diodes is shorted.

              Remove all power. Meter in resistance mode. Measure the resistance to ground of each and every inductor on the board. You are hunting for a short on one of the power rails. If the resistance is too low, then the rail may have a short on that power rail and causing the power cycling.

              Comment

              • reessi
                Badcaps Veteran
                • Jan 2016
                • 334
                • uk

                #8
                I already did that on every inductor I could find, none are low except the CPU ones as expected.

                I'll do some checking again but I spent quite some time looking for shorts so far..

                What about the missing outputs on U7800?
                Should they be on at this stage or come on later?

                PVCCPCOREPRIM -> 0v (SW0 & SW1)
                P1VPRIM -> 0v (SW0 & SW1)

                I'm going to work through all the power rails one by one from the schematic and see if any are short..
                Last edited by reessi; 08-19-2025, 03:25 PM.

                Comment

                • mon2
                  Badcaps Legend
                  • Dec 2019
                  • 14735
                  • Canada

                  #9
                  Do you have a power sequence chart for this model?

                  Click image for larger versionName:	ps1.pngViews:	0Size:	110.1 KBID:	3707927



                  Click image for larger version  Name:	ps2.png Views:	0 Size:	327.4 KB ID:	3707928


                  Click image for larger version  Name:	ps3.png Views:	0 Size:	317.8 KB ID:	3707929


                  Click image for larger version  Name:	ps4.png Views:	0 Size:	335.0 KB ID:	3707930


                  Click image for larger version

Name:	ps5.png
Views:	102
Size:	371.6 KB
ID:	3707931
                  Last edited by mon2; 08-19-2025, 06:58 PM.

                  Comment

                  • reessi
                    Badcaps Veteran
                    • Jan 2016
                    • 334
                    • uk

                    #10
                    No I didn't have these, I was going to work through the Power Aliases page on the schematic.

                    Where did you get these?

                    Many Thanks.

                    Comment

                    • reessi
                      Badcaps Veteran
                      • Jan 2016
                      • 334
                      • uk

                      #11
                      I've checked quite a few of the sequences, basically the blue ones without circles all work but reset every 15 seconds but lots of the blue with red circles all belonging to U7800 are not working..

                      POWER SEQUENCE:

                      U7650 BLUE Numbers:

                      1 -> PPBUS_G3H -> Looping 12.22v @ 30mah when resets Batt Dis-connecting? / 11.6v When charging @ 0.5 – 0.8a.
                      Just Batt -> 11.22v Stable.
                      Just Charger – 12.55v/12.22v Looping!
                      2 -> Power Button -> U7800 (Showing 3.3v) Then:
                      U7650 – Pin 12 -> 3.35v
                      21 En -> 1.98v
                      3 -> P5VP3V3_VREF2 -> 1.98v
                      4 -> VREG2 -> Pin 14/22 connected together -> 3.28v
                      5 -> 5.13v
                      6 -> 3.35v STABLE – Not directly connected to IC.
                      7 -> 3.05v
                      8 -> 3.37v En Cycling every 15s. (5v Enable)
                      9 -> Stable 5.13v - 15s Cycle & Reset.

                      U7800 Blue Numbers:

                      10 -> 1.8v 15s Cycle & Reset.
                      11 -> 1.8v 15s Cycle & Reset.

                      U8200 Blue Numbers:

                      12 -> 3.37v 15s Cycling.

                      U8220 Blue Numbers:
                      12 -> 1.79v 15s Cycling.


                      U7800 Blue Numbers with RED Circles:
                      1 -> Diode Reading -> 566. MISSING – 0v!
                      2 -> Power Button has 3.3v on it.
                      3 -> Diode Reading -> 425. MISSING – 0v!
                      4 -> Diode Reading -> 328. MISSING – 0v!
                      5 -> Diode Reading -> 73. MISSING – 0v!

                      I stopped going any further as it is clear they are not working, can check more if needed.

                      Shorting the Power button to ground makes no difference and I think it is auto-booting anyway when USB charger is applied right?

                      Also I did it all with out the battery as cannot access the other side of the board otherwise but it should run with out the battery right?

                      Since step one on U7800 is a clock should I see anything on the multimeter? I do have an oscilloscope I can dig out and setup...

                      I had a good check around U7800 for shorts but nothing seams to be short... So I guess the question is whether it is faulty or something else is not right like the clock signal in step one!

                      Cheers.

                      Comment

                      Related Topics

                      Collapse

                      • ErinV
                        MacBook Pro A1989 820-00850-A not powering on
                        by ErinV
                        Hey everyone!

                        I have a MacBook Pro A1989 with a 820-00850-A board that recently stopped working. I used it overnight to charge my phone, in the morning it didn't turn on, I assumed flat battery but now won't charge and doesn't start at all.

                        I have fully dissassembled it, when disconnected the battery reads at 0.012V. Even with the battery disconnected the laptop doesn't boot.

                        The diode voltages around all 4 CD3215's seem fine.

                        For all CD3215 (UB300, UB400, U3100 and U3200) I read just above 5V on PP20V_USBC_TA_VBUS, 3.3V on PP3V3UPC_TA_LDO, 1.8V...
                        09-30-2024, 10:21 PM
                      • Madoy104
                        Macbook Pro A1989 - No image, working fine with external monitor
                        by Madoy104
                        Hi everyone,


                        I have a MacBook Pro A1989 that was likely exposed to liquid. It doesn't display an image on the built-in screen, but the screen is backlit (you can't see the Apple logo or any other elements when held up to light). The laptop provides 20V and 1.5-2A, and it works fine when I use it with an external monitor. Currently, the connector for the display (J8500) is disconnected. I'm writing to ask for help in diagnosing the issue. I've heard that when the J8500 is exposed to liquid, the processor pin responsible for the display might short-circuit, and I'd like to know...
                        08-15-2024, 10:01 AM
                      • tommy97
                        MacBook A1989 No power
                        by tommy97
                        Hi,

                        I’m having an issue with an A1989 board after water damage, it’s stuck at 5V 0.20A. I’ve checked the measurements, and all readings are the same across all four CD3215 chips. I replaced them one by one (using chips from a donor board), but nothing has changed.

                        I don’t need a fully functional board, as the repair is only for data recovery purposes.
                        • PP3V3_G3H: 3.3V
                        • PPBUS_G3H: 12.26V
                        • PP20V_USBC_XB_VBUS 5V
                        • PP3V3_UPC_XB_LDO 3.3v
                        • PP1V8_UPC_XB_LDOA 1.8V
                        • PP1V8_UPC_XB_LDOD 1.8V
                        • PP1V1_UPC_XB_LDO_BMC 1.1V
                        Can the A1989 work with just one master CD3215? What would...
                        10-16-2025, 01:57 PM
                      • PITERPENY
                        Macbook A1989, 820-00850, won't boot. 20V, 0A.
                        by PITERPENY
                        Today I have a MacBook A1989 at work 820-00850. When assembled, the laptop switches to 20 volts but the consumption is 0.00 ampere. if the motherboard is on the table then the consumption of all ports is 5 volts and0.35 amperes and does not go to 20 volts only if you assemble a MacBook.
                        Here are some measurements, maybe someone can tell what the problem is.
                        The initial problem was a burnt out induction coil L8504 (replaced).
                        When connected to another MacBook, it constantly hangs in dfu and cannot install updates, something is wrong.
                        here are some measurementsmotherboard...
                        01-16-2024, 02:19 PM
                      • biosdi
                        MacBook Pro A1989 trackpad and keyboard not working
                        by biosdi
                        Hi guys.
                        I Just replaced battery on my MacBook Pro A1989. Unfortunately doing that, I’ve broken the trackpad flex cable (821-01701-a), and I’ve already ordered a spare one. At the same moment I’ve noticed that also the keyboard it’s not working anymore and I’ve found an SMD chip unsoldered and moving freely inside the backplate. I can read L20L on the chip. Is something could explain the keyboard not working or the keyboard doesn’t work due the unconnected trackpad?




                        thanks...
                        04-17-2025, 09:42 AM
                      • Loading...
                      • No more items.
                      Working...