Macbook Pro A1286 GPU issue - Fan spin 2 seconds

Collapse
X
 
  • Time
  • Show
Clear All
new posts
  • simplylcd
    Member
    • Nov 2015
    • 13
    • United Kingdom

    #1

    Macbook Pro A1286 GPU issue - Fan spin 2 seconds

    820-2915 MacBook - No screen / no boot / no chime just fans spins for about 2/3 seconds
    I have already checked the following core voltages:
    ppbus_g3h=12.5v
    Dcin = 16v
    pp3v42_g3h =3.4v
    ppvrtc_g3h= 3.3v
    PP5V_S5=5v
    PP5V_SUS=5v
    PP5V_S3=0v
    When I short power on pads , fans spin then shuts down and pp5v_s3=5v for about 2 seconds then shutdown to 0v.
    I removed L2406 so I could program the g-mux but the same thing was happening - on , fan spin , off
    ppvcore_gpu diode = 0v
    ppvcore_gpu = 4.5 ohms
    Any tips would be useful.
  • mon2
    Badcaps Legend
    • Dec 2019
    • 14677
    • Canada

    #2
    Re: Macbook Pro A1286 GPU issue - Fan spin 2 seconds

    Check the ENABLE pin - what is voltage value?

    Check the output of this regulator -> what is the voltage value?

    You may have a shorted cap at the output of this voltage regulator.

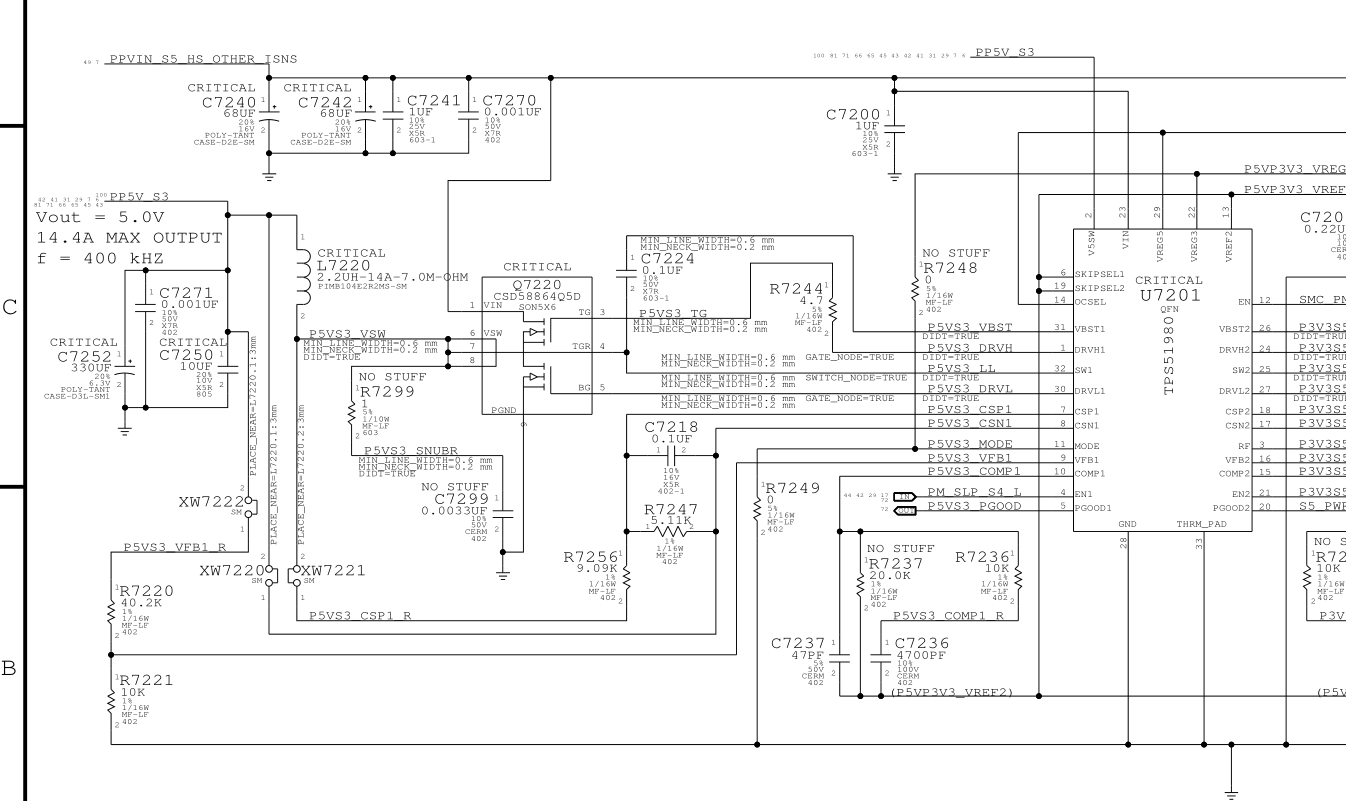
    Respectively, power down (after checking the above); check the resistance on the output of this regulator / power rail to ground @ L7220 pin # 1.

    What is the resistance reading?

    See attached.
    Attached Files

    Comment

    • dellxps15
      Badcaps Legend
      • Feb 2014
      • 1598
      • italy

      #3
      Re: Macbook Pro A1286 GPU issue - Fan spin 2 seconds

      mainboard code ?

      Comment

      • MobileXT
        Badcaps Veteran
        • Oct 2012
        • 214
        • USA

        #4
        Re: Macbook Pro A1286 GPU issue - Fan spin 2 seconds

        820-2915 known to have GPU failed. If the Video card is failed then there's nothing you do about it unless you can still able to boot into a single user then you can disabled the GPU.

        Comment

        • dellxps15
          Badcaps Legend
          • Feb 2014
          • 1598
          • italy

          #5
          Re: Macbook Pro A1286 GPU issue - Fan spin 2 seconds

          if it's the 2011 version, and he write "I removed L2406 so I could program the g-mux but the same thing was happening - on , fan spin , off" he can make it run witout ati, but 2 fan spin mean something is wrong.

          try remove the resistor R8911 that power on discrete vga and see if it still spin for 2 sseconds, or if it stay on , then u can program gmux.

          Comment

          • suiramix
            Senior Member
            • Mar 2011
            • 131
            • Canada

            #6
            Re: Macbook Pro A1286 GPU issue - Fan spin 2 seconds

            Hi there,
            Any updates regarding this issue? I have exactly same model & symptoms!
            There is gMux IC Bypass procedure by DosDude1 , does not require to remove L2406... just connect PLT_RESET_L to ground (see doslabelectronics. com /Demux). Do you want to share any .jed files? My guess is something else (beside GPU) is also defective (VRAM maybe) !

            Comment

            • suiramix
              Senior Member
              • Mar 2011
              • 131
              • Canada

              #7
              Re: Macbook Pro A1286 GPU issue - Fan spin 2 seconds

              An observation: just removing R9811 did not help much...same behavior (however there is 5.0V at one pin for 2 sec)... Simplylcd try to connect PLT_RESET_L from Pin 1 of R2881 to any GROUND and try again to program gmux IC...
              Attached Files

              Comment

              Related Topics

              Collapse

              • rounin
                MacBook Air A2337 (820-02016) USB-C Port Issue – Only Works in One Orientation (CC Line Problem?)
                by rounin
                Hi everyone,

                I'm working on a MacBook Air 2020 (A2337, board 820-02016) and running into a strange USB-C issue. I've gone through quite a bit of testing and part replacement, but I'm stuck — hoping someone here can shed some light.

                🛠 Original Issue
                The machine initially wouldn't negotiate 20V over USB-C — stuck at 5V.
                Diagnosis showed PP1V5_UPC0_LDO_CORE shorted to ground.

                I replaced U3100 (UF400) using a donor board (A2179), and the machine powers on fine now.

                ⚠️ New Problem: One USB-C Port Only Works in One Orientation...
                04-19-2025, 01:18 AM
              • zklgfs
                Anker SoundCore 2 Bluetooth Speaker Turns Off After a Few Seconds (Possibly Firmware Issue?)
                by zklgfs
                Hi,

                I have an Anker SoundCore 2 (A3105) that I saved from the trash (well, I guess there's a reason why it was supposed to go into the trash...). The problem is that it always turns off after a few seconds (sometimes it stays on a bit longer, between 30 and 60 seconds, but it still turns off). The power light turns on and the bluetooth light starts blinking, but both abruptly turn off again. The "turn off sound" is still played after the lights turn off. Sometimes, it also loops the on-off cycle several times without me pressing any buttons. If I connect an AUX cable, music...
                08-11-2025, 02:14 PM
              • barry101
                Apple A1286 Mid 2012 MacBook Pro 820-3330 LCD Backlight issue
                by barry101
                Hi everyone.

                I hope someone has some suggestions on how to proceed with this issue.

                I have an Apple A1286 2012 MacBook Pro with 820-3330 Logic board. My customer purchased this from me in full working condition. Unfortunately, it overheated on him due to being left running on his bed.

                Investigation showed the LCD Backlight was not working (had a latent image and external monitor worked), the battery was no longer functioning (system couldn't read it or charge it) and the Samsung 850 EVO SSD was dead (not seen by finder or disk utility). Quite the trifecta....
                03-24-2022, 03:25 PM
              • Gigabit2
                MacBook Pro Mid 2012 turns on, fans spin for five seconds and turns off, repeats
                by Gigabit2
                I have a MacBook Pro Mid 2012 with 820-3330-B board.

                The laptop shows a green light on the charger, turns on and the fans spin for about five seconds. Then it turns off and this repeats over and over.

                Before it turns off, the SuperDrive (DVD/CD drive) makes a noise like it does when it first turns on from cold (on a working machine).

                I am stumped, can anyone help?
                06-22-2022, 09:29 AM
              • pcbmaniac
                MacBook A1278 (3115) No PPBUS_G3H Issue
                by pcbmaniac
                Subject: Help Needed: MacBook A1278 (3115) No PPBUS_G3H Issue

                Hello everyone,

                I'm working on a MacBook A1278 with the 3115 logic board and facing an issue with no PPBUS_G3H voltage. Here's what I've checked so far:
                1. U7000 Measurements:
                  • Pin 3 has 0V, even though R7012 shows 16.5V from PPDCIN_S5_CHGR.
                2. Resistors:
                  • I measured R7010 and R7011 with one leg disconnected, and both tested OK.

                Based on these findings, I believe U7000 needs to be replaced. However, I have a related question:
                • If I also decide to replace the SMC, do I need to order it pre-programmed,
                ...
                12-02-2024, 04:12 PM
              • Loading...
              • No more items.
              Working...