Macbook Air A2337 dead at 5V/0,00A

Collapse
X
 
  • Time
  • Show
Clear All
new posts
  • Patrick501
    Member
    • Oct 2024
    • 39
    • Germany

    #1

    Macbook Air A2337 dead at 5V/0,00A

    Hey,
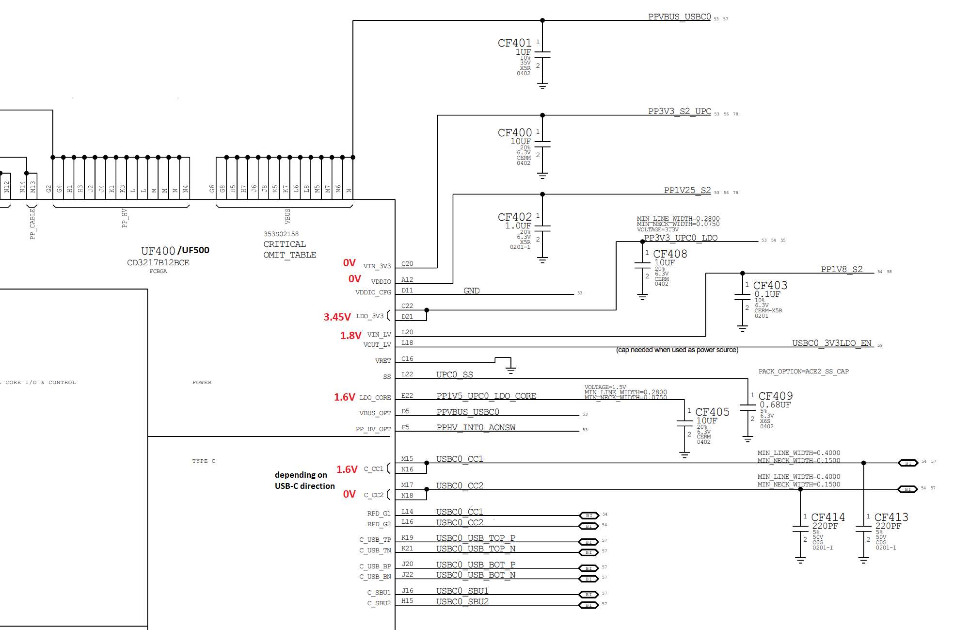
    I'm working on a MacBook Air M1. I'm pretty sure the U8100 is not working correctly. But I never had to change it before, so I wanna ask anyone of you guys to confirm (or not confirm) my thoughts on it.

    USB Tester: 5V / 0,00A
    PPBUS_AON: 12,3 V
    PP5v_S2: 0 V no short
    PP3v3_S2_UPC: 0 V no short
    PP1v25_S2: 0 V no short
    PPDCIN_AON_CHGR_R: 5 V
    no enable signals for the S2 rails by the U8100


    both CR3217 (UF400, UF500), are supplied by 5V (Fuses FF200 and FF201)
    PP3v3_UPC0_LDO: 0 V, 0,5V diode mode to gnd
    PP1v5_UPC0_LDO_CORE: 0 V, 0,5V diode mode to gnd
    PP3v3_UPC1_LDO: 3,4 V; 0,5V diode mode to gnd
    PP1v5_UPC1_LDO_CORE: 1,6 V; 0,5V diode mode to gnd
    when I switch the power supply to the other USB-C Port, it's the other way around. So this looks fine to me as well.


    schematics and boardview: https://www.badcaps.net/forum/troubl...creen-provisor
    ​also I considered this https://repair.wiki/w/MacBook_Air_A2...w_at_5V_repair
  • Patrick501
    Member
    • Oct 2024
    • 39
    • Germany

    #2
    I had some time to continue and I found out:
    CC1 1,6V on UF400 and UF500 but CC2 is 0 V

    Will it ever switch from 5 to 20V if CC2 is dead?

    Comment

    • mon2
      Badcaps Legend
      • Dec 2019
      • 14691
      • Canada

      #3
      CCx are the communication lines for this 1 wire interface used by power delivery. There is CC1 on one side of the USB connector blade. CC2 will be on the opposite half of the USB connector. Only one CCx pin will be active so your measurements so far are accurate.

      Remove the power plug and rotate it by 180 degrees to mate with the opposite half of the connector. Do you now see a voltage on CC2? CC1 will be at 0v since there is no connection on the original side.

      If still @ 0v then suggest to flux and carefully remove the ESD device(s) on the CCx pin that is probably shunting this signal.

      To debug, follow the general guideline for 20v and CD3215 controllers:

      https://logi.wiki/index.php/CD3215_Bootup_Sequence

      Start with confirming that each LDO rail on the CD321x controller is present. The BMC voltage of 1v1 will only be active for the active USB port. Only if each CD321x controller is not defective, then you will have 20v negotiated on the logic board.

      Would you have a thermal camera? To check if there is a shorted part on the board that may be heating up.

      Comment

      • Patrick501
        Member
        • Oct 2024
        • 39
        • Germany

        #4
        thanks for your answer!

        Originally posted by mon2
        CCx are the communication lines for this 1 wire interface used by power delivery. There is CC1 on one side of the USB connector blade. CC2 will be on the opposite half of the USB connector. Only one CCx pin will be active so your measurements so far are accurate.

        Remove the power plug and rotate it by 180 degrees to mate with the opposite half of the connector. Do you now see a voltage on CC2? CC1 will be at 0v since there is no connection on the original side.

        If still @ 0v then suggest to flux and carefully remove the ESD device(s) on the CCx pin that is probably shunting this signal.
        it switches, when I rotate the USB-C plug


        Originally posted by mon2
        To debug, follow the general guideline for 20v and CD3215 controllers:

        https://logi.wiki/index.php/CD3215_Bootup_Sequence

        Start with confirming that each LDO rail on the CD321x controller is present. The BMC voltage of 1v1 will only be active for the active USB port. Only if each CD321x controller is not defective, then you will have 20v negotiated on the logic board.
        I found this link before on here. I think it's a bit different compared to my board since I have the CD3217 (screenshot attached)
        I don't hvae the LDO's and HV_Gates which are listed threre. One or two positions are not even connected (for exampple SMC_RST)

        PP3v3_UPC0_LDO: 0 V, 0,5V diode mode to gnd
        PP1v5_UPC0_LDO_CORE: 0 V, 0,5V diode mode to gnd
        PP3v3_UPC1_LDO: 3,4 V; 0,5V diode mode to gnd
        PP1v5_UPC1_LDO_CORE: 1,6 V; 0,5V diode mode to gnd​

        I can easily find the bmc voltage on the CD3215 but not on the CD3217. Is there another name for it?



        Originally posted by mon2
        Would you have a thermal camera? To check if there is a shorted part on the board that may be heating up.
        yes, I have one but there's nothing heating up.
        Attached Files

        Comment

        • mon2
          Badcaps Legend
          • Dec 2019
          • 14691
          • Canada

          #5
          https://logi.wiki/index.php/CD3217_a...er_on_Sequence


          https://repair.wiki/w/MacBook_Pro_A2...w_at_5V_repair
          * A2338 article but may be of help


          Check each LDO rail on these CD3217 ACE controllers.

          You can try a DFU.
          Last edited by mon2; 12-06-2024, 11:45 AM.

          Comment

          • Patrick501
            Member
            • Oct 2024
            • 39
            • Germany

            #6
            according to this link and the one for the A2337 it could be a bad U8100.
            PPBUS_AON is also a bit low by 12.28V /diode mode 0.527V



            Originally posted by mon2
            You can try a DFU.
            I did a DFU twice, but this one won't connect. I also tried different USB ports. I think you can only use the two ports connected straight the logic board. Not sure though... neither of them worked


            Originally posted by mon2
            Check each LDO rail on these CD3217 ACE controllers.
            there are the voltages of both CD3217. (USB-C connected to UF 400 first, then UF500)
            Attached Files

            Comment

            • mon2
              Badcaps Legend
              • Dec 2019
              • 14691
              • Canada

              #7
              PPBUS_AON is ok. It is not yet boosted after the SMBUS / I2C communication.

              What is the voltage to ground of the following?

              I2C_SMC_PWR_3V3_SDA
              I2C_SMC_PWR_3V3_SCL


              Test at battery connector J5150 (pins # 3 & # 4).

              The LDO_3V3 rail @ 3v45 seems high. This should be 3v3 and may be of concern. Do you see this exact voltage on the 2nd CD3217 as well? This rail is used to power the SPI firmware boot flash used by these power delivery controllers. Share the above measurements.

              Comment

              • Patrick501
                Member
                • Oct 2024
                • 39
                • Germany

                #8
                Originally posted by mon2
                What is the voltage to ground of the following?

                I2C_SMC_PWR_3V3_SDA
                I2C_SMC_PWR_3V3_SCL
                I2C_SMC_PWR_3V3_SDA: 3.3V
                I2C_SMC_PWR_3V3_SCL: 3.3V


                Originally posted by mon2
                Test at battery connector J5150 (pins # 3 & # 4).
                3.3V both


                Originally posted by mon2
                The LDO_3V3 rail @ 3v45 seems high. This should be 3v3 and may be of concern. Do you see this exact voltage on the 2nd CD3217 as well? This rail is used to power the SPI firmware boot flash used by these power delivery controllers. Share the above measurements.
                yes it's 3.43V on both now. I just double checked with another multimeter.

                Comment

                • mon2
                  Badcaps Legend
                  • Dec 2019
                  • 14691
                  • Canada

                  #9
                  The repair wiki article (post #1) still notes that the voltage should be 3v3 for the LDO. The SPI flash is tolerant to 3v6 (max) so it should be ok.

                  See if this is your case here (ironically - still chasing a similar case on a high end iMAC):

                  https://www.youtube.com/watch?v=u4-66f6RFPM

                  Comment

                  • Patrick501
                    Member
                    • Oct 2024
                    • 39
                    • Germany

                    #10
                    Originally posted by mon2

                    See if this is your case here (ironically - still chasing a similar case on a high end iMAC):

                    https://www.youtube.com/watch?v=u4-66f6RFPM
                    I have the voltage (green) on the coil like in den video but no standby voltages in the red area.
                    Only the PP3V8_AON_VDDMAIN seems present


                    Attached Files

                    Comment

                    • mon2
                      Badcaps Legend
                      • Dec 2019
                      • 14691
                      • Canada

                      #11
                      See if the attached helps.

                      Click image for larger version

Name:	a2338_power_sequence1.png
Views:	567
Size:	295.3 KB
ID:	3523922




                      Click image for larger version

Name:	a2338_power_sequence1p2.png
Views:	585
Size:	319.7 KB
ID:	3523923




                      Click image for larger version  Name:	a2338_power_sequence.png Views:	0 Size:	335.5 KB ID:	3523917


                      Click image for larger version  Name:	a2338_power_sequence2.png Views:	0 Size:	324.4 KB ID:	3523918



                      Click image for larger version  Name:	a2338_power_sequence3.png Views:	0 Size:	301.9 KB ID:	3523919



                      Click image for larger version  Name:	A2338_d1.png Views:	0 Size:	598.1 KB ID:	3523915


                      Click image for larger version  Name:	A2338_d2.png Views:	0 Size:	480.3 KB ID:	3523916
                      Last edited by mon2; 12-08-2024, 08:32 AM.

                      Comment

                      • mon2
                        Badcaps Legend
                        • Dec 2019
                        • 14691
                        • Canada

                        #12
                        The above should be complete for the power up voltage sequencing diagram. Wait...these are for A2338. Ok, need to drink my coffee. Will still leave it up there. Let me check if A2337 is available for the same.

                        Drugs...or not enough of:

                        A2337 (what I have)

                        Click image for larger version  Name:	A2337_p1.png Views:	0 Size:	165.9 KB ID:	3523926


                        Click image for larger version  Name:	A2337_p2.png Views:	0 Size:	135.8 KB ID:	3523929

                        Click image for larger version  Name:	A2337_p3.png Views:	0 Size:	156.3 KB ID:	3523930


                        Click image for larger version

Name:	A2337_p4.png
Views:	509
Size:	90.7 KB
ID:	3523931
                        Last edited by mon2; 12-08-2024, 08:37 AM.

                        Comment

                        • mon2
                          Badcaps Legend
                          • Dec 2019
                          • 14691
                          • Canada

                          #13
                          Also see if this link works for you:

                          https://academy.chinafix.tech/shipin...SDgriR9LIHM_aA

                          Comment

                          • Patrick501
                            Member
                            • Oct 2024
                            • 39
                            • Germany

                            #14
                            mon2
                            thanks for the schematics. Unfortunately is has no numbers for the sequence like the one for the A2338 but I will try to figure this out.

                            For some reason I get private messages without text. Do you know what's wrong there?
                            Attached Files

                            Comment

                            • mon2
                              Badcaps Legend
                              • Dec 2019
                              • 14691
                              • Canada

                              #15
                              I received your email - check if that came through ok on your side.

                              Comment

                              • Patrick501
                                Member
                                • Oct 2024
                                • 39
                                • Germany

                                #16
                                for anyone who has the same issue. I don't have a solution yet but meanwhile I checked the power sequences to get 20V.
                                Everything is fine until it reaches the U8100/U7700. There are no output signals, so apparently the sequence ends there. I also checked resistances of the missing output rails./ second step in diode mode.


                                35 ohm seems low but for a cpu rail it should be ok.
                                Attached Files

                                Comment

                                • mon2
                                  Badcaps Legend
                                  • Dec 2019
                                  • 14691
                                  • Canada

                                  #17
                                  CPU rail resistance is ok.

                                  Can you confirm your USB C meter with another load? Perhaps your phone? Does the meter report a non-zero current draw? The concern here is if the meter is unidirectional or bidirectional in design. Respectively, if unidirectional, the meter should be used in the direction of their marked arrows.

                                  Comment

                                  • Patrick501
                                    Member
                                    • Oct 2024
                                    • 39
                                    • Germany

                                    #18
                                    Originally posted by mon2

                                    Can you confirm your USB C meter with another load? Perhaps your phone? Does the meter report a non-zero current draw? The concern here is if the meter is unidirectional or bidirectional in design. Respectively, if unidirectional, the meter should be used in the direction of their marked arrows.
                                    I know what you mean, t's an unidirectional. I use it either with adapters or put it straight into the USB power supply to keep it in the right direction, 5.1V@V0,00A

                                    Comment

                                    • mon2
                                      Badcaps Legend
                                      • Dec 2019
                                      • 14691
                                      • Canada

                                      #19
                                      From the repairwiki, missing S2 rails may be due to corrupt firmware.

                                      CD3217 support S2 rails low or missing

                                      https://repair.wiki/w/MacBook_Air_A2...w_at_5V_repair
                                      * same as you cited in post # 1

                                      I would consider the firmware replacement of U1970 before anything else.

                                      Click image for larger version

Name:	U1970_soc.png
Views:	496
Size:	58.6 KB
ID:	3524828

                                      Comment

                                      • Patrick501
                                        Member
                                        • Oct 2024
                                        • 39
                                        • Germany

                                        #20
                                        Originally posted by mon2

                                        I would consider the firmware replacement of U1970 before anything else.
                                        I assume the only possibility to do this is the way it was done here?
                                        https://www.youtube.com/watch?v=u4-66f6RFPM

                                        Comment

                                        Related Topics

                                        Collapse

                                        • obelix24
                                          Macbook Air M1 a2337 - 820-02016
                                          by obelix24
                                          I'm working on Macbook air a2337

                                          It's stuck on 5V.

                                          I've replaced both CD3217B12 IC's and U8100

                                          When i connect USB-C ampmeter i'm getting 5V 0.01 - 0.4a and restart ampmeter and again ....

                                          I tried to connect to another mac and i'm not able to get it to DFU.

                                          history is that this macbook just died randomly and owner was not able to start it again.

                                          PPBUS_AON is 12.3V
                                          i'm missing PP5V_S2 - 0V

                                          According to repair wiki i've checked https://repair.wiki/w/MacBook_Air_A2...current_draw_c...
                                          Today, 07:13 AM
                                        • chipsetrepair
                                          Macbook Air A2337 M1 Wifi module dead
                                          by chipsetrepair
                                          Good day,

                                          I have received a MacBook air m1 a2337 model for no power issue and found out the nand ic for wifi short-circuited.

                                          have removed it and now it shows 5v but still no power, I'm finding a sub-board to replace the nand but my question is it will work after replaced?

                                          because some of my friends said, it could turn on but it can't connect to wifi since the data are patched with the CPU.

                                          Has anyone tried this? the customer only requested to get back the data, please advise....
                                          11-29-2023, 11:26 AM
                                        • jesi
                                          macbook pro a1707 dead
                                          by jesi
                                          hi all techs

                                          require some help on this 820-00281-A macbook motherboard came in dead and the pch bga U1100 (SR2NH), u5000 , Q7056 , U7000 and bios U6100 ,looks like these have been tampered with ..also the battery is swollen..

                                          adapter usb c 20.5v 4.7a 96w , i persume it should power on mb without battery..

                                          update:

                                          when adapter plugged in , power switch which 3.3v on it , when power button pressed both fans come on after 6 secs for about 20secs approx then goes off , nothing on the display stays as blank.. the voltage at the usbc out start from...
                                          08-24-2025, 04:34 AM
                                        • robka
                                          MacBook Pro 2018 - A1990 Dead - not charging - only 5V
                                          by robka
                                          Hi,

                                          my MacBook Pro 15" 2018 Touch Bar (A1990) doesn't charge anymore. Board# 820-01041-A

                                          I'm not experienced in diagnostics, but I want to try to solve the problem with your help, because every local shop charges around 600€ (650 usd). Which is the value of the whole Macbook.

                                          The Macbook was charging when suddenly the "charging sound" appeared every other second for around 4-5 times.
                                          After that the Macbook was dead. It isn't charging anymore.

                                          The USB-C Port where the charger was plugged is burned. Also The Cable and the...
                                          03-02-2024, 02:58 PM
                                        • Adogabriel100
                                          where to get trusted CD3217. Problem with A2337 Macbook Air
                                          by Adogabriel100
                                          Hey! As the title says. i don't know if this is the right place to ask but i need to get trusted USB C Controllers (CD3217-CD3215) For macs and dont know where to get them. i dont know if you guys know where is a good place to get it.

                                          The thing is that i have a Macbook air A2337 M1 and i dont have a donnor board to get the CD3217. So i try the CD3217 from a A2141 Board and at first, whitout his eprom it does not convert 5v to 20v. then i put the original CD3217 eprom from the A2141 and then the macbook A2337 conver the 5v to 20v but still not turning on. i guess that the CD3217 is...
                                          09-06-2024, 12:06 PM
                                        • Loading...
                                        • No more items.
                                        Working...