LG 34UM95 - 34UM-P - Board is LM94Q/34UM95/EAX65360306 (1.0)

Collapse
X
 
  • Time
  • Show
Clear All
new posts
  • Lukosiukas
    Senior Member
    • Jul 2018
    • 106
    • Lithuania

    #1

    LG 34UM95 - 34UM-P - Board is LM94Q/34UM95/EAX65360306 (1.0)

    Hello, i need bios for lg 34um95 monitor, having this monitor to fix 2nd time, i need bios dump for him. Already read the original one, saved it, cleared the chip, flashed again and it was working for few days. Now once again he's not turning on. Attaching dump what i got.
    Attached Files

    if you find these attachements useful please consider making a small donation to the site

  • Satdude
    Member
    • Aug 2020
    • 19
    • Czech Republic

    #2
    Re: LG 34um95

    The EEPROM chip might ne bad and not holding the information very well and self erasing.

    Comment

    • REpairAT
      Senior Member
      • Nov 2020
      • 152
      • Austria

      #3
      Re: LG 34um95

      Hi,
      here a working dump for this monitor, in case someone else has this problem.
      It fixed it for me.
      Cheers!
      Attached Files

      if you find these attachements useful please consider making a small donation to the site

      Comment

      • pixelscol
        New Member
        • Sep 2021
        • 2
        • United Kingdom

        #4
        Re: LG 34um95

        Originally posted by REpairAT
        Hi,
        here a working dump for this monitor, in case someone else has this problem.
        It fixed it for me.
        Cheers!
        You saved me a lot of searching. Thanks for posting this here.

        Comment

        • pixelscol
          New Member
          • Sep 2021
          • 2
          • United Kingdom

          #5
          Re: LG 34um95

          Just wanted to say, that I re-flashed the chip on my monitor with the backup I downloaded from here and my monitor now powers on again.

          Comment

          • zerobomb
            New Member
            • Mar 2022
            • 1
            • usa

            #6
            Re: LG 34um95

            @REpairAT thanks for the file, worked for me on my LG 34UM95C (I got a kick out of German being the default language).

            Most of the repair info out there is for the 31MU97, where the IC205 chip is on the reverse side of the circuit board from the power plug. On the 34UM95C, it is visible as soon as you remove the back cover, on the upper-right hand side of the board.

            Comment

            • raileanu
              Senior Member
              • Sep 2015
              • 128
              • United Kingdom

              #7
              Re: LG 34um95

              Thank you very much for the bios.
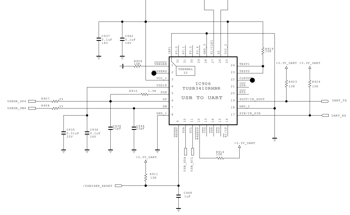
              My board is LM94Q/34UM95C/EAX65360307 (1.1) and has the IC906 on short circuit.
              On it is written 3410I TI 51K D2KH G4.
              I can't find anywhere information about this chip or where I can buy it.
              Please if someone can help me.
              Many thanks in advance.

              Comment

              • lotas
                Badcaps Legend
                • Jan 2016
                • 4863
                • Russia

                #8
                Re: LG 34um95

                Originally posted by raileanu
                Thank you very much for the bios.
                My board is LM94Q/34UM95C/EAX65360307 (1.1) and has the IC906 on short circuit.
                On it is written 3410I TI 51K D2KH G4.
                I can't find anywhere information about this chip or where I can buy it.
                Please if someone can help me.
                Many thanks in advance.
                IC906 - TUSB3410RHBR - Texas Instruments USB Interface
                Attached Files

                if you find these attachements useful please consider making a small donation to the site

                Comment

                • raileanu
                  Senior Member
                  • Sep 2015
                  • 128
                  • United Kingdom

                  #9
                  Re: LG 34um95

                  Originally posted by lotas
                  IC906 - TUSB3410RHBR - Texas Instruments USB Interface
                  Yes thank you very much!
                  I also find out that is an usb controller chip and I just took it out and the monitor works now.
                  I don't really need the USB on this monitor.

                  Comment

                  • Tostieapperaat
                    New Member
                    • Feb 2021
                    • 2
                    • Netherlands

                    #10
                    Re: LG 34um95

                    Hello guys, I cant start a topic yet so I want to try it here. Maybe someone else needs it as well.

                    I bought a 34UM95-P. With the same EAX65360307. Someone already played around with a repair and they did not fix it. IC102 was shorted on pin 6 and 7. And they knocked of a capacitor CB11/C811.

                    I flashed the bios back and now the screen does give a sign of life. The power led turns on for 10 seconds and turns back off.

                    IC102 was short so I assume that the controller is damaged or the file on it is corrupted. Can someone send me a copy of the rom on that chip? And can someone tell me what the capacitor is on CB11.

                    Thanks in advance!

                    Comment

                    • raileanu
                      Senior Member
                      • Sep 2015
                      • 128
                      • United Kingdom

                      #11
                      Re: LG 34um95

                      Is not IC 902 actually ? You write IC 102 ? If yes I have the file, I will give you.
                      And for capacitor if is a small ceramic smd I guess you can put any, it will work.
                      Attached Files

                      if you find these attachements useful please consider making a small donation to the site

                      Comment

                      • Tostieapperaat
                        New Member
                        • Feb 2021
                        • 2
                        • Netherlands

                        #12
                        Re: LG 34um95

                        Yes its IC 102. I dont know why they touched it when they tried a repair but I am guessing they thought it was the reason the monitor would not turn on.

                        It's the one really close by the green audio jack.

                        Comment

                        • Shempanzy
                          New Member
                          • Jul 2022
                          • 2
                          • USA

                          #13
                          Re: LG 34um95

                          Hi there, I'm new to the forum, I'm here to try and fix my 34UM-P.

                          Once in a while it would just "crash" half the screen would go black, 2nd half would show scrambled image. Usually a power cycle would fix the issue, then once it did not..

                          I've tried to find a board to buy/replace, but I don't see any available.

                          I have the LM94Q/34UM95/EAX65360306 (1.0)

                          I didn't know I could try and reflashing the board to fixing the boot up issue.

                          Is there a tutorial somewhere that shows how one can try to flash the chipset with the originally attached bin?

                          This is the board.

                          Comment

                          • stemor
                            New Member
                            • Jul 2022
                            • 1
                            • Italy

                            #14
                            Re: LG 34um95

                            You need a programmer like Chinese CH314A and software (look for CH341A Programmer), the chip should be the MX25L8006E.

                            Comment

                            • fikuna45
                              New Member
                              • Sep 2022
                              • 2
                              • Croatia

                              #15
                              Re: LG 34um95

                              Hi there, new user here!

                              Just wanted to say that I also got my monitor working by flashing ROM file posted here!
                              I downloaded the file, hooked up CH341a directly on to the chip on the board without desoldering it, flashed, and it is working now!

                              Thanks!

                              Comment

                              • raileanu
                                Senior Member
                                • Sep 2015
                                • 128
                                • United Kingdom

                                #16
                                Re: LG 34um95

                                Originally posted by Shempanzy
                                Hi there, I'm new to the forum, I'm here to try and fix my 34UM-P.

                                Once in a while it would just "crash" half the screen would go black, 2nd half would show scrambled image. Usually a power cycle would fix the issue, then once it did not..

                                I've tried to find a board to buy/replace, but I don't see any available.

                                I have the LM94Q/34UM95/EAX65360306 (1.0)

                                I didn't know I could try and reflashing the board to fixing the boot up issue.

                                Is there a tutorial somewhere that shows how one can try to flash the chipset with the originally attached bin?

                                This is the board.
                                If you get half screen scrambled You might have to reflow the processor under the radiator that send signals to that part of the screen, this doesn't seems to be a firmware issue.

                                Comment

                                • SEnderica
                                  New Member
                                  • Sep 2022
                                  • 2
                                  • Serbia

                                  #17
                                  Re: LG 34um95

                                  Big thanks for IC205 dump. I have been repaired two Lg34um-p and one Lg34UM-c-p. Thanks for help, im sending IC 102 dump, Tostieapperaatask ask for it.

                                  Cheers!
                                  Attached Files

                                  if you find these attachements useful please consider making a small donation to the site

                                  Comment

                                  • raileanu
                                    Senior Member
                                    • Sep 2015
                                    • 128
                                    • United Kingdom

                                    #18
                                    Re: LG 34um95

                                    Originally posted by SEnderica
                                    Big thanks for IC205 dump. I have been repaired two Lg34um-p and one Lg34UM-c-p. Thanks for help, im sending IC 102 dump, Tostieapperaatask ask for it.

                                    Cheers!
                                    You solve it with my dump for IC 102 ?

                                    Comment

                                    • SEnderica
                                      New Member
                                      • Sep 2022
                                      • 2
                                      • Serbia

                                      #19
                                      Re: LG 34um95

                                      I fix it with dump from from REpairAT. O have one more from here https://www.elektroda.pl/rtvforum/topic3769527.html

                                      Comment

                                      • fikuna45
                                        New Member
                                        • Sep 2022
                                        • 2
                                        • Croatia

                                        #20
                                        Re: LG 34um95

                                        Does anybody have a clue what could be the problem, left and right side of the monitor sometimes are not syncronised, and it is only noticed on moving picture. I 've repaired this monitor with flash dump couple months ago, and it works, but sometimes i get asyncronised left and right side.

                                        Video at youtube I uploaded in slow motion: https://www.youtube.com/watch?v=fgUwzhhSpKQ

                                        Do I need to reflash it again, or need to reflow the chips?

                                        Comment

                                        Related Topics

                                        Collapse

                                        • Tynan Dill
                                          Vizio e601i-A3 - Has Sound and Display, But No Backlight - Bad Power Supply Board or Bad LED Bulbs ?
                                          by Tynan Dill
                                          I was given this TV from my great uncle. He said it just wouldn't turn on one day out of nowhere, replaced the TV, and gave it to me to possibly fix and use for myself.

                                          Upon bringing it home and plugging it up, it showed a standby light.

                                          I powered it on and without a flashlight, the display showed the "V" but the lighting is very dim, but visible.

                                          The screen seems to blackout and stay black, but with a flashlight I can see the display.

                                          With my Playstation 4 connected via HDMI, and running a game I can hear sound.

                                          Assuming...
                                          11-22-2024, 01:46 PM
                                        • m1ch43lzm
                                          HP Pavilion 15-eh Board DAG7HAMB8F0 - CPU throttling to 0.4GHz (PROCHOT_EXT) and black screen
                                          by m1ch43lzm
                                          Hi, this is my personal laptop, which the original board (lets call it Board A) blew up PU8700 (TPS51486), making a hole on the board, i had left the laptop at my desk one day with the battery fully charged and didn't touch it for a week, but when i tried to turn it on it didn't
                                          Thought the battery was dead, so i plugged in the charger then tried to power on, the power LED blinked once, charged LED still orange, unplugged the charger, plugged in again and I noticed the "magic smoke" smell, so i unplugged the charger, removed the back cover and saw the blown IC (the "magic...
                                          05-12-2025, 08:37 PM
                                        • DynaxSC
                                          MSI PRO B660M-G DDR4 - real bios dump from board needed (no stock bios)
                                          by DynaxSC
                                          Hi, I have an MSI PRO B660M-G DDR4 board with damaged BIOS and i need a bios dump from a real board, along with MAC, UUID and Serial Number info (eg. a BIOS screenshot and pictures from the board stickers).

                                          I need to reconstruct the bios on my board, based on another bios image form a real board - meaning a bios image containing MAC address, UUID and Serial number. A stock BIOS is not suffiecient, as it is impossible to discover where the MAC, UUID and SerialNumber are stored. Tried with a similar board, but there are too much differences, and the stock BIOS is missing a lot of...
                                          11-17-2023, 10:56 AM
                                        • Habble7
                                          I need a BIOS dump for the Samsung S49CG934SU monitor
                                          by Habble7
                                          The Samsung S49CG934SU monitor does not power on - no LED indicator activity and no response to power button. However, when 21V power is connected, it immediately draws 0.8A of current with no display output. The motherboard processor gets warm, and there is continuous reading activity from the W25Q128BV BIOS chip.

                                          Suspected Cause:
                                          I suspect the BIOS may have been corrupted during a power interruption while updating the firmware. The official website provides firmware updates, but they can only be installed via USB flash drive.

                                          Troubleshooting Attempts:
                                          ...
                                          05-22-2025, 07:28 AM
                                        • howardc64
                                          TCL 55S425 few horizontal lines, potential failure on both side of panel/buffer board
                                          by howardc64
                                          All left and right refers to looking from rear of TV (or looking from front with TV upside down)
                                          • TV came with vertical bars and no image. Found faulty TVS on left buffer board. Also replaced T-Con (may have damaged the original while hot air removing components, board has slight warp) and have full image but few horizontal lines on the screen. Some of the lines appears to be 2 pixel tall while others are 1 pixel tall.
                                          • Disconnecting left and right buffer board potentially reveals problems on both sides with different signals (unless this T-Con require jumper like Samsung FB_TRDY1&3) Fault
                                          ...
                                          07-24-2025, 05:17 PM
                                        • Loading...
                                        • No more items.
                                        Working...