Re: Help with dead Commodore 1802
There is no B+ adjustment, just check if it is close to the 121vdc as indicated on the schematic, if it's off a couple volts either way, thats not an issue.
Help with dead Commodore 1802
Collapse
X
-
Re: Help with dead Commodore 1802
found one on ebay. i will just have to swap over LED.
https://www.ebay.co.uk/itm/RVFM-PT-M...MAAOSwgARa58oXLeave a comment:
-
Leave a comment:
-
Re: Help with dead Commodore 1802
there is no standby trigger on the CBM monitors, just DPST mains switching.Leave a comment:
-
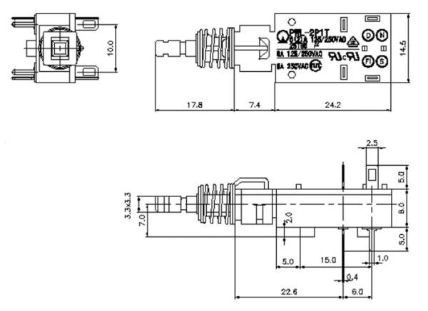
Re: Help with dead Commodore 1802
If the small spst part of the switch is not used, this might work: https://www.conrad.com/p/pwl-2p1tl-6...h-1-pcs-701606
There is also the ALPS SDGA3PAttached Filesif you find these attachements useful please consider making a small donation to the site
Last edited by R_J; 02-20-2020, 12:44 PM.Leave a comment:
-
Re: Help with dead Commodore 1802
I want to thanks both of you guys STJ & RJ for helping me finally get this commodore monitor fixed. I put the Wire wound resistor back it and it doesnt blow now and the display fills the screen and i can hear audio too. I will give it a test with a video signal when I more time but I am glad its finally fixed and I doubt I could have done that without the
help from you two.
I have learned loads and just hope I don't forget it all as I have big Issues with memory problems caused by my Multiple Sclerosis which is most difficult as I find it hard to learn new things and make them stay in my memory although I can remember all my past history.
I've got it all stored on my hard drive so if i ever need to use it again I can. RJ that Schematic that you did for me showing where it changed from to DC was brilliant and made it all a lot easier for me to understand.
Thanks again guys your brilliant and cant thank you enough.
cheers!
JonLeave a comment:
-
Re: Help with dead Commodore 1802
Thanks for that STJ that's a great help. Ive got quite a few Commodore and Phillips CM monitors for all the Amiga kit I have here. I sold My Original Amiga A1000 and Amiga branded matching 1081 monitor last year. I still have a few A500's, a A1200 and my big A2000 with hard drive and IBM XT bridgeboard inside. I've got tons of software too. If your looking for anything Commodore just ask.Leave a comment:
-
Re: Help with dead Commodore 1802
https://www.rapidonline.com/power-pcb
Attached Filesif you find these attachements useful please consider making a small donation to the site
Leave a comment:
-
Re: Help with dead Commodore 1802
Yes it has wired connections and the switch assembly is screwed onto the plastic casing.does that switch normally solder to the board, or have wires on it?
if it's wires then a replacement wouldnt be hard.
on the 8833-II i removed the pushbutton from the case and fitted a rocker switch instead.
i'll get photo's over the weekend if you want.
not exactly original, but on the 8833-II the switch is at the back out of sight.Leave a comment:
-
Re: Help with dead Commodore 1802
does that switch normally solder to the board, or have wires on it?
if it's wires then a replacement wouldnt be hard.
on the 8833-II i removed the pushbutton from the case and fitted a rocker switch instead.
i'll get photo's over the weekend if you want.
not exactly original, but on the 8833-II the switch is at the back out of sight.Leave a comment:
-
Re: Help with dead Commodore 1802
Ok I found I had put it back in when you asked me to earlier put everything back. I am begining to think it might be safe now to put the resistor R801 back in now.If the lamp is in place of this inductor then it will still pass the voltage to that part of the circuit, It might be slightly low, likely around 100vdc. You can remove the lamp from the 121 volt line and reconnect the coil, I suspect you will then get a full width screen also.
I currently have 2 bulbs in place of this resistor.
I am still a bit unsure as we still never found what was causing that short.
What do you think?Leave a comment:
-
Re: Help with dead Commodore 1802
These switches are a nuisance and I can't find replacements anywhere and end up bridging the contacts and turning it on/off at the mains wall plug.Attached Filesif you find these attachements useful please consider making a small donation to the site
Leave a comment:
-
Re: Help with dead Commodore 1802
btw, can you take a picture of the power switch?
i want to see if it's like the one on the phillips CM8833-II (commodore 1084-s)Leave a comment:
-
Re: Help with dead Commodore 1802
If the lamp is in place of this inductor then it will still pass the voltage to that part of the circuit, It might be slightly low, likely around 100vdc. You can remove the lamp from the 121 volt line and reconnect the coil, I suspect you will then get a full width screen also.Last edited by R_J; 02-19-2020, 06:47 PM.Leave a comment:
-
Re: Help with dead Commodore 1802
I still have the light bulb in place of the resistor and I still have that other bulb in place of the indictor which was done to isolate the psu from everything else except audio so I dont get it how is the screen powering up?Leave a comment:
-
-
Re: Help with dead Commodore 1802
you should check the B+ voltage and compare it to the manual - it can be ajusted.
it's DC btw.
Leave a comment:
-
Re: Help with dead Commodore 1802
Good to see it's working. Feed it some signal and see what it looks like, One capacitor I have changed a lot is tv's and monitors it the drive transformer filter cap. C430 (1µf/160v) If you have one I would replace it.Leave a comment:
-
Re: Help with dead Commodore 1802
I have got it back to where we were now and i have the psu working and audio section now working again.
I replaced the IC801 and now its back working and i have a display now look.
What now?Attached Filesif you find these attachements useful please consider making a small donation to the site
Leave a comment:
-
Re: Help with dead Commodore 1802
Ive removed IC801 to be sure and there is no short.
There is a resistance between the pads 3 & 4 of IC801 that changes value like its connected to a cap or something which the Schematic seems to suggest and I think you mentioned before 27 ohm.
am I right? could this short we are looking for be in this area?Last edited by roadrash; 02-19-2020, 11:56 AM.Leave a comment:
Related Topics
Collapse
-
by double_DDHi all,
As the title suggests, how can I be sure that my EC chip is really dead?
I've recently gotten into this hobby of laptop repairs, and have successfully brought back to life a couple with some easy fixes, mostly shorted caps.
Now I'm working on HP Probook 455 G8, that had some "devil" run around on 3V line, burning a bunch of stuff. Luckily I have a dead 455G7 (for spare parts) so I managed to fix it (swapped burned parts) to a point that it will charge (both on barrel jack and usb-c), but it doesn't want to turn on. There is a 3V3 on a keyboard... -
by disorderhello guys,
i need help to repair a edm-033 ps2
history : as always hdmi port and usb ports destroyed after unplugged
after change them, ps5 dead too : 1 beep, no blue light. after inspection 1.8v power was shorted, and because of dead panasonic chip. after remove it : no short anymore
so i changed it
now i have got 5v stby,, 3.3v stby, 3.3v power, 1.8v power and no short on them
but the ps5 is dead again : 1 beep, near 10 seconds with power lines and then off, no blue light ...
i don't see any projection of liquid metal on pcb.
... -
Hello everyone hope all doing well!
I have this PSU (GPS450-AA delta oem) around for like 4-5 years and I had it recapped early 2020 or 2021 with mostly UCC KY and Nichicon PW's. The bulk was and still is fine, the original Ltec's were bloated and empty. The previous issue was some major coil whine noise and at times random shutdowns when going idle. Today it started tripping the mains breaker and I think I have dead APFC mosfets (20N60C3). Right now upon checking I have the Q1 and Q3 FETs dead so far and I guess those are responsible for the PFC circuit. The only thing I care is If there...3 Photos -
by BetonHi guys!
I searched for the term "dead short" in the forum but no specific thread came up however if I'm just blind and couldn't see the thread talking about this please forward me to that direction.
So my problem is I don't know how to find the source of a dead shorted voltage rail. Dead short = ~0 ohm resistance.
I have two VGAs (HD 4850 and HD 4870), both dead shorted to ground on the memory rail. I have the boardview file for the 4870 and the memory rail consists around ~7892346 capacitors...
I have a bench PSU and if I try to inject voltage the voltage... -
Hello, today I'm working on this lovely MSI Raider GE75 gaming laptop which I bought to flip. Unfortunately, I believe the CPU is toast but I wanted a second opinion before I chucked it into my spare parts bin. I will not have most tools with me today as I'm away from my workbench but I have the basics (a good multimeter, a horrible iron, a solid screwdriver, and my trusty thermal cam). I do not have the original 230w charger, but I have a Dell 180w which was sold with the device and reportedly "worked fine for them".
Specs: I7-10750H, RTX 2060, 32GB RAM (unknown manufacturer)... - Loading...
- No more items.
Leave a comment: