Hi,
I really screwed up. I removed several caps from the power supply of my 2408WFPb monitor, carefully noted where they went, and then put the project aside for a year.
Then I lost the note!
I need the values and working voltages for the following:
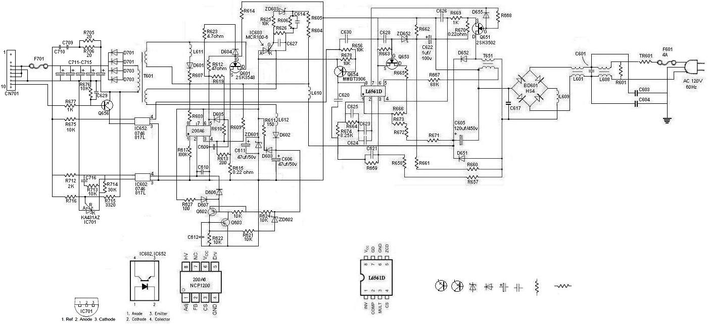
Need values for caps at the following locations:
C711
C712
C713
C714
C715
C606
C611
C622
Thanks in advance for your help.
I really screwed up. I removed several caps from the power supply of my 2408WFPb monitor, carefully noted where they went, and then put the project aside for a year.
Then I lost the note!

I need the values and working voltages for the following:
Need values for caps at the following locations:
C711
C712
C713
C714
C715
C606
C611
C622
Thanks in advance for your help.
Comment