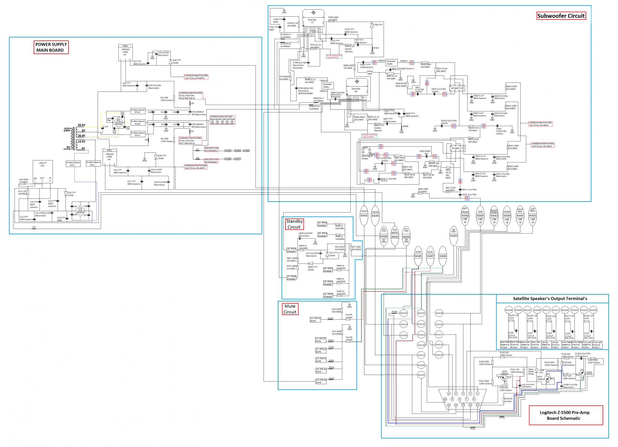
Good day folks. This is going to be a long story so please bare with me.
TLDR: One of the infamous Z5500 sets powers on fine but has no sound AT ALL, not even on the headphone jack. Need a bit of help understanding the schematic and principle of operation of the mute/stby circuit. Attached "original" and edited schematic. Control pod might be bad.
Long version: replaced a blown TDA7294 in the sub and now the set powers on but has no sound at all. The reason I believe the pod may be bad is because I don't get sound on the headphone jack either ! There's no info on this pod whatsoever, much less so a schematic, other than reports of a CS42526 IC going bad and causing lack of sound among issues. There's no way I can confirm, because I don't have a replacement pod. The pod itself appears to be a more recent revision than most people have because it doesn't have a "power" button, but rather a "headphones" button in its place - it never turns off. It's always on as soon as you connect the power ! I found a schematic of the sub (amp) part and I'm trying to at least understand how the mute and stby pins for the TDAs are supposed to work. It could be the amps are turning on just fine but the console is not sending any audio into them, so I was hoping I could turn on the amps and feed my own audio to at least confirm the TDAs are working before hunting down a replacement pod.
Looking in the bottom-right, I highlighted in red/green/blue the three wires which trace back to pins 9/10 respectively but can't understand the operation, especially since mine is not functional at this point. From what I see, there's two separate mute circuits: one for one TDA and the other for all the rest - not sure why, but I see they're identical. AFAIK: Q104 and Q100 are identical in terms of setup and operation: when their base is pulled high, the collector goes low (pulled to GND) - this mutes the channels.....trouble is I don't see how the channels UNmute after that :| Even if Q104/Q100 are no longer receiving any base current, there's no pull-up resistor to feed voltage in the mute pins to get them to UNmute. Either that, or I'm missing something. It could be they're referenced to -Vs and not GND, but I'm not sure how to measure this. I tried it with my negative lead on both -Vs and GND and I get 22v on the mute pins when using -Vs for my meter's black probe and around 2-3v when using GND as the reference.
Same story for Q101: pull its base high and the STBY pins get pulled to GND via the C-E path of Q101. It's not clear how it turns back ON then....even after the fact, it would mean that all 3 transistor should be kept OFF at all times to get the system to be "ON", however, it seems everybody goes on about feeding 5v into pin 8 of the DB15 port, which corresponds to the base of Q104, which would mean that mute pin gets pulled to GND, which if my theory is correct would have the opposite effect and mute the TDA....what am I missing ?
I did make a discovery: Q100 is actually shorted B to C...not sure how that affects the functionality, but I'll replace it and see what happens. My money is still on the pod....
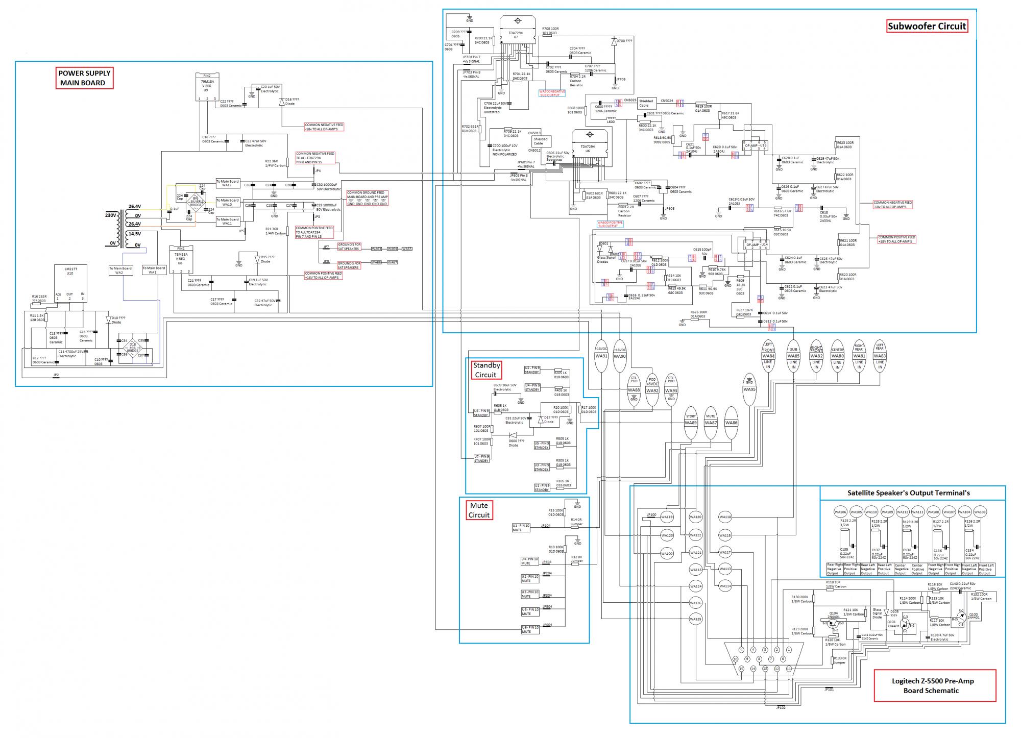
TLDR: One of the infamous Z5500 sets powers on fine but has no sound AT ALL, not even on the headphone jack. Need a bit of help understanding the schematic and principle of operation of the mute/stby circuit. Attached "original" and edited schematic. Control pod might be bad.
Long version: replaced a blown TDA7294 in the sub and now the set powers on but has no sound at all. The reason I believe the pod may be bad is because I don't get sound on the headphone jack either ! There's no info on this pod whatsoever, much less so a schematic, other than reports of a CS42526 IC going bad and causing lack of sound among issues. There's no way I can confirm, because I don't have a replacement pod. The pod itself appears to be a more recent revision than most people have because it doesn't have a "power" button, but rather a "headphones" button in its place - it never turns off. It's always on as soon as you connect the power ! I found a schematic of the sub (amp) part and I'm trying to at least understand how the mute and stby pins for the TDAs are supposed to work. It could be the amps are turning on just fine but the console is not sending any audio into them, so I was hoping I could turn on the amps and feed my own audio to at least confirm the TDAs are working before hunting down a replacement pod.
Looking in the bottom-right, I highlighted in red/green/blue the three wires which trace back to pins 9/10 respectively but can't understand the operation, especially since mine is not functional at this point. From what I see, there's two separate mute circuits: one for one TDA and the other for all the rest - not sure why, but I see they're identical. AFAIK: Q104 and Q100 are identical in terms of setup and operation: when their base is pulled high, the collector goes low (pulled to GND) - this mutes the channels.....trouble is I don't see how the channels UNmute after that :| Even if Q104/Q100 are no longer receiving any base current, there's no pull-up resistor to feed voltage in the mute pins to get them to UNmute. Either that, or I'm missing something. It could be they're referenced to -Vs and not GND, but I'm not sure how to measure this. I tried it with my negative lead on both -Vs and GND and I get 22v on the mute pins when using -Vs for my meter's black probe and around 2-3v when using GND as the reference.
Same story for Q101: pull its base high and the STBY pins get pulled to GND via the C-E path of Q101. It's not clear how it turns back ON then....even after the fact, it would mean that all 3 transistor should be kept OFF at all times to get the system to be "ON", however, it seems everybody goes on about feeding 5v into pin 8 of the DB15 port, which corresponds to the base of Q104, which would mean that mute pin gets pulled to GND, which if my theory is correct would have the opposite effect and mute the TDA....what am I missing ?
I did make a discovery: Q100 is actually shorted B to C...not sure how that affects the functionality, but I'll replace it and see what happens. My money is still on the pod....

what did we say about hoarding too much stuff and depriving others of them?! *cough* socialism *cough* lol! 
Comment