Sharp R-990K Microwave started making rapid clicking sound and smoke

Collapse
X
 
  • Time
  • Show
Clear All
new posts
  • Widget
    Senior Member
    • Aug 2015
    • 74
    • Australia

    #1

    Sharp R-990K Microwave started making rapid clicking sound and smoke

    Hi guys,

    I cleaned the microwave, but now it makes a rapid clicking sound, then smoke appears. I had a look and it appears to be coming from the front touch panel. I have a feeling a little water got into it(I saw very little on the relays but nowhere else), but smoke is not a good sign. I have a video and come pictures.

    I was going to desolder and open the relays but Im not sure if you can. It also appears a couple of resistors and a diode are showing signs of heat/burn.

    Res #1 - 470Ω
    Res #2 - 330Ω
    Zener Diode (unknown value/model)
    Relay (I could only see info for 1x relay. I'll have to desolder the others to check if they're identical. see picture)




    https://youtu.be/TKIxzIIyI1c

    Anyone worked on Microwaves before, particularly the front panel ?
  • Widget
    Senior Member
    • Aug 2015
    • 74
    • Australia

    #2
    Re: Microwave started making rapid clicking sound and smoke

    [update] I desoldered the other relays, they're the same model as the one in the picture above. There was a little surface water on the underside of the relays, but I didn't see any damage/burning on the relay or the PCB.

    I found the data sheet for the relay, though I'm not sure i'm reading it correctly.

    https://pdf1.alldatasheet.com/datash...F-S-118LM.html

    I checked resistance on the relays, they read 588-597Ω. The datasheet shows (under 'coil data', three different values for resistance. Or is that only under load ?

    Readings of the resistors and diode,

    Res #1 - 455Ω
    Res #2 - 320Ω
    Diode - (-) cath .688. (+) cath 1.329

    These were done with components still on board.
    Last edited by Widget; 03-04-2022, 03:02 PM.

    Comment

    • petehall347
      Badcaps Legend
      • Jan 2015
      • 4440
      • United Kingdom

      #3
      Re: Microwave started making rapid clicking sound and smoke

      different resistances for different voltages . yours will be 18v dc

      Comment

      • redwire
        Badcaps Legend
        • Dec 2010
        • 3912
        • Canada

        #4
        Re: Microwave started making rapid clicking sound and smoke

        What make and model is this?
        ZD2 and the fusible resistor next to it, looks like normal soot buildup from parts running years 24/7 with heat, you can see convection currents form deposits.
        I'd keep looking for the "clicking" and smoke source. There should be 18VDC power available for the relays. And another lower voltage for the MCU. Let the oven dry out too.

        Comment

        • Widget
          Senior Member
          • Aug 2015
          • 74
          • Australia

          #5
          Re: Microwave started making rapid clicking sound and smoke

          Thanks for getting back to me guys.

          different resistances for different voltages . yours will be 18v dc
          I didn't put any voltage through when testing. To these values change when voltage is applied? Should I not test when no power ?

          What make and model is this?
          The model is a Sharp R-990K Convectional microwave (pic below),




          I'd keep looking for the "clicking" and smoke source. There should be 18VDC power available for the relays. And another lower voltage for the MCU. Let the oven dry out too.
          I don't have a PSU, unless I plug the circuit board back into the microwave and try again. It all looks pretty dry, though I'm not sure whether the components are damaged or not.
          The resistor values (though testing on-board) look ok. I'm not sure about the diode though. videos say it should be 'OL' on the meter, but I'm getting a reading. Could it mean faulty? Should I change to be safe ?


          Here's a close up of the Diode too. There's a number on it, which looks like either 16, or 91



          Earlier I posted a video but it's hidden under the last image. Here's a link showing what's happening.

          https://youtu.be/TKIxzIIyI1c

          Comment

          • sam_sam_sam
            Badcaps Legend
            • Jul 2011
            • 6069
            • USA

            #6
            Re: Microwave started making rapid clicking sound and smoke

            I am going by what I am hearing on the video that you posted

            If you believe that it is a relay doing this then remove the wires from the bottom of the big transformer and hook them up to a incandescent light bulb and and turn on the microwave and and see if your light bulb stays on the hole time if it does then look at these possibles instead

            You either have one of two possibilities of what wrong with this microwave

            Replace the high voltage diode on the capacitor ( the capacitor might also be the issue as well but unlike )
            But be careful when and before you get near the capacitor that it is discharged or you can get a very nasty
            shock

            One note it is very difficult to test this diode type with a multi meter and get meaningful results

            Or you have moisture in the microwave channel and it is boiling or you have a bad magnetron which can also make this kind-a sound

            You might be able to find a magnetron for some microwave oven but some of them are expensive and not worth putting the money in it in my opinion

            By the way you should never clean an electronic device boards with water until and unless you make completely sure that it is completely dry and that might mean that you put out in the sun for several hours

            You should really use electrical component cleaner for this purpose instead

            I would never clean a touch pad with water I would only use a damp paper towel or something similar here is the reason why the touch surface can get cracks that you might not see and make the touch pad unresponsive
            Last edited by sam_sam_sam; 03-05-2022, 12:52 AM.

            Comment

            • Widget
              Senior Member
              • Aug 2015
              • 74
              • Australia

              #7
              Re: Microwave started making rapid clicking sound and smoke

              Hi Sam, thanks for the feedback.

              Originally posted by sam_sam_sam
              I am going by what I am hearing on the video that you posted

              If you believe that it is a relay doing this then remove the wires from the bottom of the big transformer and hook them up to a incandescent light bulb and and turn on the microwave and and see if your light bulb stays on the hole time if it does then look at these possibles instead
              mmm, I'm not following. The input of the transformer (from mains), you want to put through a bulb, or the power into the relay put into a bulb instead of the relay ?

              Originally posted by sam_sam_sam
              You either have one of two possibilities of what wrong with this microwave

              Replace the high voltage diode on the capacitor ( the capacitor might also be the issue as well but unlike )
              But be careful when and before you get near the capacitor that it is discharged or you can get a very nasty
              shock

              One note it is very difficult to test this diode type with a multi meter and get meaningful results
              Do you know the value of the diode ? I did a quick Google and there seems to be different models.

              Originally posted by sam_sam_sam
              By the way you should never clean an electronic device boards with water until and unless you make completely sure that it is completely dry and that might mean that you put out in the sun for several hours

              You should really use electrical component cleaner for this purpose instead

              I would never clean a touch pad with water I would only use a damp paper towel or something similar here is the reason why the touch surface can get cracks that you might not see and make the touch pad unresponsive
              Oh, I didn't wash the PCB in water. I took the microwave down and wiped over the outside with a wet/damp sponge. It looks like a little water made its way through the gap in the panel and onto the board.

              I use IPA for cleaning boards. Cleaning microwave is usually just a damp cloth.

              I desoldered another 2x smaller white relays, and noticed one of them has a little scorch mark near one of the pins and on PCB. I'm having issues finding the datasheet for this specific relay.

              I cleaned it a little, PCB looks damaged??




              Comment

              • sam_sam_sam
                Badcaps Legend
                • Jul 2011
                • 6069
                • USA

                #8
                Re: Microwave started making rapid clicking sound and smoke

                “ mmm, I'm not following. The input of the transformer (from mains), you want to put through a bulb, or the power into the relay put into a bulb instead of the relay ?”

                There are more than one transformer in a microwave I am not referring to the ones on the circuit boards

                I am talking about the high voltage transformer on the metal frame in the enclosure
                This would be the terminals on the bottom of the transformer this is ones that I am talking about to use an incandescent light bulb instead of the primary winding on the transformer

                Do not use the high voltage winding on the transformer for this test
                ( the top ones go to the magnetron and the high voltage diode and capacitor )

                The way you size the diode is based on the wattage of the microwave oven if does not have any part numbers on it or use the model number of the microwave oven to get the correct diode

                Those relays are generic and are very hard to find the one that fit the board your best bet is to find a relay that has the right coil voltage and amperage for the contacts and is about the same size and mount it on a small circuit board if the pins do not line up correctly ( or turn the relay upside down and hot glue it to the circuit board after you do this part first ) and hard wire to the original circuit board

                But I can tell you if you go this route it might take some doing for this to work and might be challenging to do if you have not done this before

                But me saying all of this if this microwave has been in use for a long time
                Did the microwave heat up food like it did new then if NOT I would think twice if it is worth the time and effort to repair it ( now if wanting to learn something about repairing it for what seems to be wrong with it this is one thing that I can complete understand I have been there and done this myself many times before )

                Because I recently replace a microwave that was 18 years old because it was taking longer and longer ( for example a food steamer bag would take over 8 minutes to get to right temperature 165*F or better to be able to eat with out the possibility of getting sick from it the new microwave does this in 6 minutes and it still might be to much time sometimes) to heat up food the magnetron tube was failing and for a 1000 watt microwave oven it would be more than 1/2 the cost of a new one
                Last edited by sam_sam_sam; 03-05-2022, 07:06 AM.

                Comment

                • Widget
                  Senior Member
                  • Aug 2015
                  • 74
                  • Australia

                  #9
                  Re: Microwave started making rapid clicking sound and smoke

                  Hey Sam, thanks for the feedback,


                  Originally posted by sam_sam_sam
                  There are more than one transformer in a microwave I am not referring to the ones on the circuit boards

                  I am talking about the high voltage transformer on the metal frame in the enclosure
                  This would be the terminals on the bottom of the transformer this is ones that I am talking about to use an incandescent light bulb instead of the primary winding on the transformer
                  That's the one I thought you meant, though I was a little confused. In the pic (below), am I to disconnect the two spade terminals and connect them to the bulb? If so, just wondering, how will that tell me if the relay is bad? Would the bulb just be lighting up from mains power ?





                  Originally posted by sam_sam_sam
                  The way you size the diode is based on the wattage of the microwave oven if does not have any part numbers on it or use the model number of the microwave oven to get the correct diode
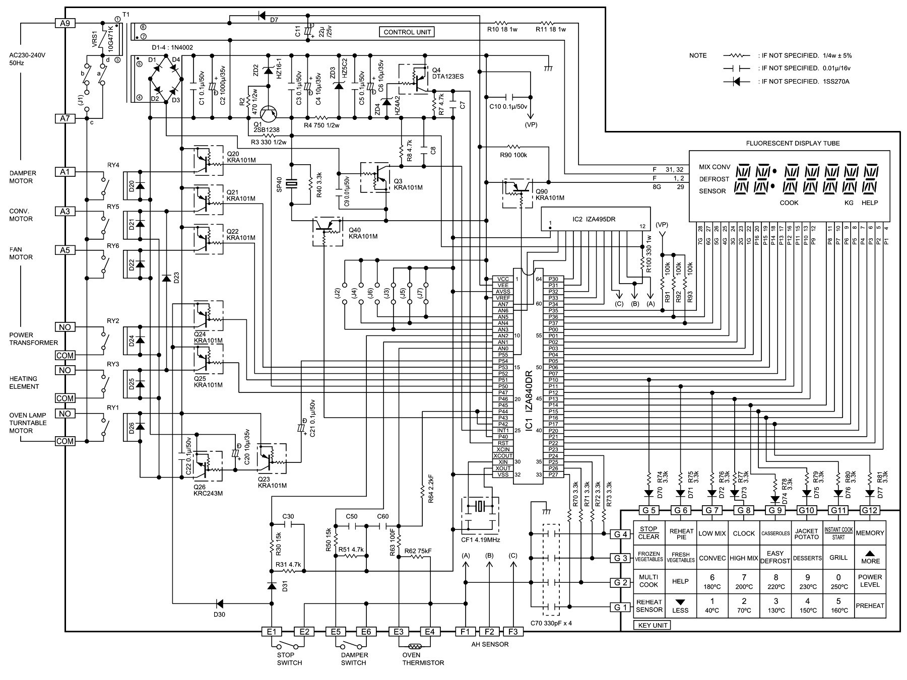
                  I found a service manual for this model Microwave. It's got detailed diagrams in it which is pretty cool. It says,
                  (page 36. I'll attach a copy of the service manual)

                  1. (ZD2) Zener Diode, HZ16-1
                  2. (R2) Resistor, 470Ω 1/2w
                  3. (R3) Resistor, 330Ω 1/2w
                  4. (Q1) Transistor, 2SB1238

                  I've tried looking at Mouser and element14 for the Diode, but I can't find anything on HZ16-1 besides a datasheet :/




                  Originally posted by sam_sam_sam
                  But me saying all of this if this microwave has been in use for a long time
                  Did the microwave heat up food like it did new then if NOT I would think twice if it is worth the time and effort to repair it ( now if wanting to learn something about repairing it for what seems to be wrong with it this is one thing that I can complete understand I have been there and done this myself many times before )
                  We've had it for a while, but it still worked fine (until I wiped down the outside of it :/). The bulb doesn't work any more, and the waveguide cover (plus screw) need replacing. Other than that, it seems all good, so keen to try and fix, learn something in the process .
                  Attached Files

                  Comment

                  • R_J
                    Badcaps Legend
                    • Jun 2012
                    • 9606
                    • Canada

                    #10
                    Re: Microwave started making rapid clicking sound and smoke

                    From your pictures of the board where the relay is mounted, I suspect there was a poor solder connection between the relay pin and the board trace, That is likely all that was wrong. RY5 is for the convection motor only. The microwave ovon should operate without RY5 installed but I suspect if you reinstall the relay and it will likely work fine.
                    Post a picture of the trace side of the board where the relay mounts.
                    When the poor connection arced it caused the smoke.

                    If you plug in the mwo do you still have a display? If yes I suspect the board is working

                    Q1,ZD2 are a simple voltage regulator circuit, If you want you can check the DC voltage across C4, it should be around 16V, the voltage then drops across R4 to 5.2 volts (clamped by ZD3)
                    Last edited by R_J; 03-05-2022, 11:35 AM.

                    Comment

                    • Widget
                      Senior Member
                      • Aug 2015
                      • 74
                      • Australia

                      #11
                      Re: Microwave started making rapid clicking sound and smoke

                      Hi RJ, thanks for the feedback,

                      Originally posted by R_J
                      From your pictures of the board where the relay is mounted, I suspect there was a poor solder connection between the relay pin and the board trace, That is likely all that was wrong. RY5 is for the convection motor only. The microwave ovon should operate without RY5 installed but I suspect if you reinstall the relay and it will likely work fine.
                      Post a picture of the trace side of the board where the relay mounts.
                      When the poor connection arced it caused the smoke.
                      I desoldered them earlier (and resoldered), but didn't notice any damaged solder joints. There doesn't seem to be any charring/heat damage to the relay section either.



                      Originally posted by R_J
                      If you plug in the mwo do you still have a display? If yes I suspect the board is working
                      Iirc, there was display when I turned it on, but the rapid clicking and smoke came from the board so I turned off. Have yet to reconnect as I'm worried I'll do more damage, espically as I haven't been able to find replacement parts lol

                      Originally posted by R_J
                      Q1,ZD2 are a simple voltage regulator circuit, If you want you can check the DC voltage across C4, it should be around 16V, the voltage then drops across R4 to 5.2 volts (clamped by ZD3)
                      Sorry for the silly noob question (I'm also half asleep), but I'd have to connect it back to the microwave, would I? Then probe the cap and resistor when powered on ?

                      Just in case, any idea where to get a replacement ZD ? I looked at Mouser and element14 and couldn't find HZ16-1 ZD. Looking at the board, it looks a little more than heat discoloration, more looking like it got way too hot, bordering close to black.


                      Thanks again

                      Comment

                      • R_J
                        Badcaps Legend
                        • Jun 2012
                        • 9606
                        • Canada

                        #12
                        Re: Microwave started making rapid clicking sound and smoke

                        If the zener diode was bad or shorted the display would not have worked. The zener diode is just a 16 volt 1 watt zener. The board is discolored due to heat over the life of the mwo, it is normal and not the problem.
                        The black soot around the pin of RY5 came from a poor connection not from the relay itself. and like that relay operates the convection fan only, nothing else.
                        If the board is dry and the keypad is not damaged, it should be ok to plug in the microwave without it starting up, only the display should be on.
                        Last edited by R_J; 03-05-2022, 02:15 PM.

                        Comment

                        • Widget
                          Senior Member
                          • Aug 2015
                          • 74
                          • Australia

                          #13
                          Re: Microwave started making rapid clicking sound and smoke

                          I decided to see how it goes as everything else looked dry and clean. Well, the clicking is gone and there was no smoke, but, there was some sort of crackle sound upon start up.

                          There's also a new issue. Trying to set the time and test the buttons on the front (as heard in the video), the number #5 detects as #4, and #0 detects as #9... :/

                          I don't believe any water/moisture got into the touch panel as barely enough (but enough) got onto the brown side of the PCB. The ribbon cable looks fine too (and it was connected correctly).

                          I started disassembly of the front panel but stopped as it seems there's adhesive keeping it down, and reattaching from adhesive after removal is a pita.



                          I haven't tried the bulb yet.

                          Comment

                          • R_J
                            Badcaps Legend
                            • Jun 2012
                            • 9606
                            • Canada

                            #14
                            Re: Microwave started making rapid clicking sound and smoke

                            I would let it dry out for a couple days, maybe have a fan blow on the board for a while.
                            I would not try and remove the panel membrane, you will likely just damage it.
                            Check the cable for moisture or moisture residue between G10 and G11 and also on the board.
                            Last edited by R_J; 03-06-2022, 11:12 AM.

                            Comment

                            • Widget
                              Senior Member
                              • Aug 2015
                              • 74
                              • Australia

                              #15
                              Re: Microwave started making rapid clicking sound and smoke

                              Originally posted by R_J
                              I would let it dry out for a couple days, maybe have a fan blow on the board for a while.
                              I would not try and remove the panel membrane, you will likely just damage it.
                              Check the cable for moisture or moisture residue between G10 and G11 and also on the board.
                              Thanks RJ. I had a look at Diode (75) and Diode (76), couldn't see any moisture. I rubbed a bit of IPA over them just incase, and i'll warm the board a little with the hot air gun

                              Question, I have two Resistors on the board that I wanted to test just in case. The service manual says they're both 18Ω 1w,



                              When measuring resistance in-circuit, I get

                              R10 - 13.3Ω
                              R11 - 16.8Ω

                              ... but when I remove them from circuit and test, I get,

                              R10 - 17.9Ω
                              R11 - 36.2Ω

                              Why is this? Should I desolder components first before testing ?

                              Comment

                              • R_J
                                Badcaps Legend
                                • Jun 2012
                                • 9606
                                • Canada

                                #16
                                Re: Microwave started making rapid clicking sound and smoke

                                They are fine. R11 is marked 360 which = 36Ω. R10 is 18Ω
                                You said the display works... correct? that means the control board is working.
                                the resistors are in series with each other, the filament winding of the transformer and the filament (heater) inside the VFD.
                                So when you check R10 the other one R11 and the filament winding/heater are in parallel with it.

                                This mwo is at least 16 years old, there will be some signs of age, like darkening around components that run warm, and collect dust/cooking grease etc.
                                Last edited by R_J; 03-06-2022, 12:08 PM.

                                Comment

                                • redwire
                                  Badcaps Legend
                                  • Dec 2010
                                  • 3912
                                  • Canada

                                  #17
                                  Re: Microwave started making rapid clicking sound and smoke

                                  Awww we got dumped, OP where's the commitment? https://www.eevblog.com/forum/repair...me-assistance/

                                  I haven't seen any evidence of water damage so far, so 'fess it out and dry it out already.
                                  When doing repairs, you take a hypothesis "I think water got in the front panel" and then go to find evidence for that.
                                  You can unplug the keypad and take resistance measurements or look for the water in the membrane.

                                  The relay RLY5 black spot almost looks like a lightning discharge from a mains transient.

                                  R10, R11 are for the fluorescent display filaments - that circuit is low resistance due to the tube and transformer, so in-circuit measurements would be lower than the part's values. They look fine.
                                  Attached Files

                                  Comment

                                  • Widget
                                    Senior Member
                                    • Aug 2015
                                    • 74
                                    • Australia

                                    #18
                                    Re: Microwave started making rapid clicking sound and smoke

                                    Originally posted by R_J
                                    They are fine. R11 is marked 360 which = 36Ω. R10 is 18Ω
                                    You said the display works... correct? that means the control board is working.
                                    the resistors are in series with each other, the filament winding of the transformer and the filament (heater) inside the VFD.
                                    So when you check R10 the other one R11 and the filament winding/heater are in parallel with it.
                                    Thanks RJ. The LEDs work, when microwave is turned on, the screen lights up and you can see the numbers. issues I see are,

                                    1. The odd crack sound and burning from the board
                                    2. The LED showing #4 instead of #5, and #9 instead of #0

                                    [QUOTE=redwire;1115015]Awww we got dumped, OP where's the commitment? https://www.eevblog.com/forum/repair...me-assistance/

                                    Haha, sorry :p. I did mention I had a post here too . I usually post questions at multiple sources for a larger audience. Hope you guys are cool with that

                                    Originally posted by redwire
                                    I haven't seen any evidence of water damage so far, so 'fess it out and dry it out already.
                                    When doing repairs, you take a hypothesis "I think water got in the front panel" and then go to find evidence for that.
                                    You can unplug the keypad and take resistance measurements or look for the water in the membrane.
                                    Same. I mainly (iirc) saw water (liquid) on the black relays (mainly on the underside). Not a lot, but if liquid got to the pins underneath, could it short all the pins and damage the coil, or even components on the same circuit? I'm warming the board up now with the hot air gun.
                                    Regarding the touch panel, I'm really doubting any liquid made its way in there. I only saw a little on the brown side of the PCB, and it was minimal.

                                    Originally posted by redwire
                                    The relay RLY5 black spot almost looks like a lightning discharge from a mains transient.

                                    R10, R11 are for the fluorescent display filaments - that circuit is low resistance due to the tube and transformer, so in-circuit measurements would be lower than the part's values. They look fine.

                                    I'm not sure what you mean. I'm wondering if it's possible that little white relay is the source of the clicks and smoke. The video shows the smoke coming from that area, and there's evidence of a burn.
                                    I thought about removing it and seeing if it changes anything, but the schematic looks like it's in series with the other components?

                                    How can I test this particular relay? I switched the meter to cont mode but it just gives me a reading .715, no beeps. I can't find a Datasheet on this one either, only finding 112LM :/. The service manual states its,

                                    Part code: RRLY-A078DRE0
                                    Description: Relay (OJ-SS-118LM)

                                    Thanks again

                                    Comment

                                    • redwire
                                      Badcaps Legend
                                      • Dec 2010
                                      • 3912
                                      • Canada

                                      #19
                                      Re: Microwave started making rapid clicking sound and smoke

                                      A bad relay (contacts) can make arcing sounds and smoke.

                                      You could bench test them, apply 18VDC to the coil and see if the contacts close. But ohmmeter readings are not reliable here because of the carbon and soot inside, so it's best to pass some current say 100mA through the relay contacts when testing them. Try 12VDC with car tail light for example as a load.

                                      18VDC coil relays are really oddball. OJ-SS-118 TE connectivity makes as 1461076-3

                                      You can swap relays too, or disconnect various loads to see which one makes the noises.

                                      RY5 is for the convection motor but has logic to turn on along with RY3 heating element.

                                      Comment

                                      • Widget
                                        Senior Member
                                        • Aug 2015
                                        • 74
                                        • Australia

                                        #20
                                        Re: Microwave started making rapid clicking sound and smoke

                                        Originally posted by redwire
                                        A bad relay (contacts) can make arcing sounds and smoke.

                                        You could bench test them, apply 18VDC to the coil and see if the contacts close. But ohmmeter readings are not reliable here because of the carbon and soot inside, so it's best to pass some current say 100mA through the relay contacts when testing them. Try 12VDC with car tail light for example as a load.

                                        18VDC coil relays are really oddball. OJ-SS-118 TE connectivity makes as 1461076-3

                                        You can swap relays too, or disconnect various loads to see which one makes the noises.

                                        RY5 is for the convection motor but has logic to turn on along with RY3 heating element.
                                        Thanks Red,

                                        The noise only appears for a splt second after I turn on, but loud enough I can't pinpoint its source :/.

                                        Unfortunately I don't have a bench psu, but I do I have a computer psu with 12v out and a 12v bulb. I'll give your suggestions a try and see what happens. How accurate of a test would this be as the voltage is 12 and not 18 ?

                                        Comment

                                        Related Topics

                                        Collapse

                                        • gurj1979
                                          Sharp Microwave - no backlight
                                          by gurj1979
                                          Need help fixing mums Sharp microwave oven combi.
                                          R-595 (sl)a
                                          Backlight has gone. Can still see digits buy super dim.
                                          Anyone with microwave experience help me out here ?
                                          08-21-2023, 04:46 PM
                                        • B0r1s
                                          Samsung UE49KS7000SXXH - fast clicking sound in standby mode
                                          by B0r1s
                                          PSU - BN44-00878A

                                          Symptoms:

                                          The TV turned itself off, and I haven't been able to turn it back on. The standby voltage was unstable and lower than it should be.
                                          A weak clicking sound was coming from the transformer.

                                          Video with clicking sound:https://www.youtube.com/watch?v=lAduhjNtqCA

                                          Progress:

                                          After the transformer, I measured four Schottky diodes. DM862C and DM864C diodes readings were 003 in both directions. After detaching them from the circuit and measuring them, DM864C was the shorted one. These Schottky diodes are SB550.I...
                                          01-17-2023, 04:58 PM
                                        • Sisko
                                          Onkyo-593 No power and now clicking sound
                                          by Sisko
                                          Hi all!!

                                          Ok just got a Onkyo SKW-593 sub woofer that has no power person told me that it smoked and that his GF let the volume full when she powered off the amp and when he came to turn it on the sub played but then suddenly smoke was coming out, didn't say from where. So opened it up and saw a resistor made of metal (pic) but can't see any writing on metal par so what ever was written on it was burnt. So I'm kinda stuck here with this. I did ask for a repair or schematics in the other group section and waiting for this but I hope someone here might lend me a hand to try and identify...
                                          10-03-2025, 02:18 PM
                                        • valvashon
                                          Toshiba EM131A5C-BS microwave oven- noisy EE16 2.7 mH inductor
                                          by valvashon
                                          This poor microwave oven was purchased by my former employer in 2019 (it's a 7/2018 build) and lasted for about 3 months before making a terrible noise when in use. I determined that it was the main transformer and contacted Toshiba. They asked for a picture of the cord cut in half and the serial number, and then credited my boss' credit card. Rather than sending it to the e-waste, I bought a transformer on eBay and thought I'd try flipping it. Discovered that used microwave ovens aren't worth much but in for a penny, in for a pound as they say. It sat in my basement getting kicked and shoved...
                                          02-20-2024, 10:38 AM
                                        • slimmy182
                                          [SOLVED] M1 MacBook Pro clicking sound logic board 5V no power on A2338 820-02020
                                          by slimmy182
                                          Hello, I bought this Mac from a friend, he said that it simply stop working. The MacBook looks very clean but does not power on, stuck on 5v 0.42A, and sometimes display 5V and 0A (then 0.071A and again 0A).

                                          I opened it looking for some problem, it was not touched before for sure and the board is very clena, no spot of corrosion at all from what I can see. Voltage on multimeter of the board off the case it's the same, 5V 0.42A. But then I noticed this "clicking sound" come from the board ( I attached here the audio file).

                                          Looking on google I found this:...
                                          01-14-2023, 11:55 AM
                                        • Loading...
                                        • No more items.
                                        Working...