The LM317 is quite the hot head ...

Collapse
X
 
  • Time
  • Show
Clear All
new posts
  • stj
    Great Sage 齊天大聖
    • Dec 2009
    • 31256
    • Albion

    #41
    Re: The LM317 is quite the hot head ...

    another way to control the LM317 would be an i2c controlled digital pot.

    Comment

    • eccerr0r
      Solder Sloth
      • Nov 2012
      • 8703
      • USA

      #42
      Re: The LM317 is quite the hot head ...

      Full circle

      Comment

      • EasyGoing1
        Shock Therapist
        • Sep 2016
        • 977
        • USA

        #43
        Re: The LM317 is quite the hot head ...

        Originally posted by eccerr0r
        I suppose I have way too much scrap to scavenge from now, though I did spend quite a bit from Jameco to fill the shelves...
        OK WOW ... I've been buying this stuff from amazon or ebay ... I didn't even know about Jameco and looking at their stuff, I can get these parts for practically nothing ... shipping will probably cost more than the parts...

        Downloaded their catalog and have been looking through it ... i'm impressed.
        sigpic

        Comment

        • eccerr0r
          Solder Sloth
          • Nov 2012
          • 8703
          • USA

          #44
          Re: The LM317 is quite the hot head ...

          Well, I'm not saying that Jameco has the best parts - they sell Chongx and Jamcon (I don't know if they're proud of this brand) capacitors as part of their "Jameco Valuepro" for heaven's sake - but if you want to focus on cheap, they've been pretty decent. Also their grab bags can be a good assortment of random parts.

          Else you'll have to go with the usual Digikey/Mouser.

          Comment

          • EasyGoing1
            Shock Therapist
            • Sep 2016
            • 977
            • USA

            #45
            Re: The LM317 is quite the hot head ...

            Originally posted by kc8adu
            use a mosfet switch and disconnect the cell with it.
            Could you give me part number examples of a ‘mosfit switch'?
            sigpic

            Comment

            • EasyGoing1
              Shock Therapist
              • Sep 2016
              • 977
              • USA

              #46
              Re: The LM317 is quite the hot head ...

              Originally posted by eccerr0r
              Else you'll have to go with the usual Digikey/Mouser.
              I've never priced anything at DigiKey, but I use them a lot for data sheet downloads ... their web site has the feel of being a company that only caters to bulk buyers ... do they do onzie twozie type sales without charging out the nose for shipping to make up for the low value invoice?
              sigpic

              Comment

              • EasyGoing1
                Shock Therapist
                • Sep 2016
                • 977
                • USA

                #47
                Re: The LM317 is quite the hot head ...

                Originally posted by stj
                another way to control the LM317 would be an i2c controlled digital pot.
                Actually, in my OP, you’ll notice that I’ve already done this and was simply thinking there could be a better way ... also, the number of wires needed for the digital pot ... man!
                Last edited by EasyGoing1; 06-06-2017, 12:27 AM. Reason: Correcting Info
                sigpic

                Comment

                • EasyGoing1
                  Shock Therapist
                  • Sep 2016
                  • 977
                  • USA

                  #48
                  Re: The LM317 is quite the hot head ...

                  Originally posted by stj
                  how big is your heatsink?
                  That's a little personal, don't you think?

                  lol

                  I dunno ... maybe 1.5” squared
                  sigpic

                  Comment

                  • EasyGoing1
                    Shock Therapist
                    • Sep 2016
                    • 977
                    • USA

                    #49
                    Re: The LM317 is quite the hot head ...

                    Originally posted by kc8adu
                    use a mosfet switch and disconnect the cell with it.
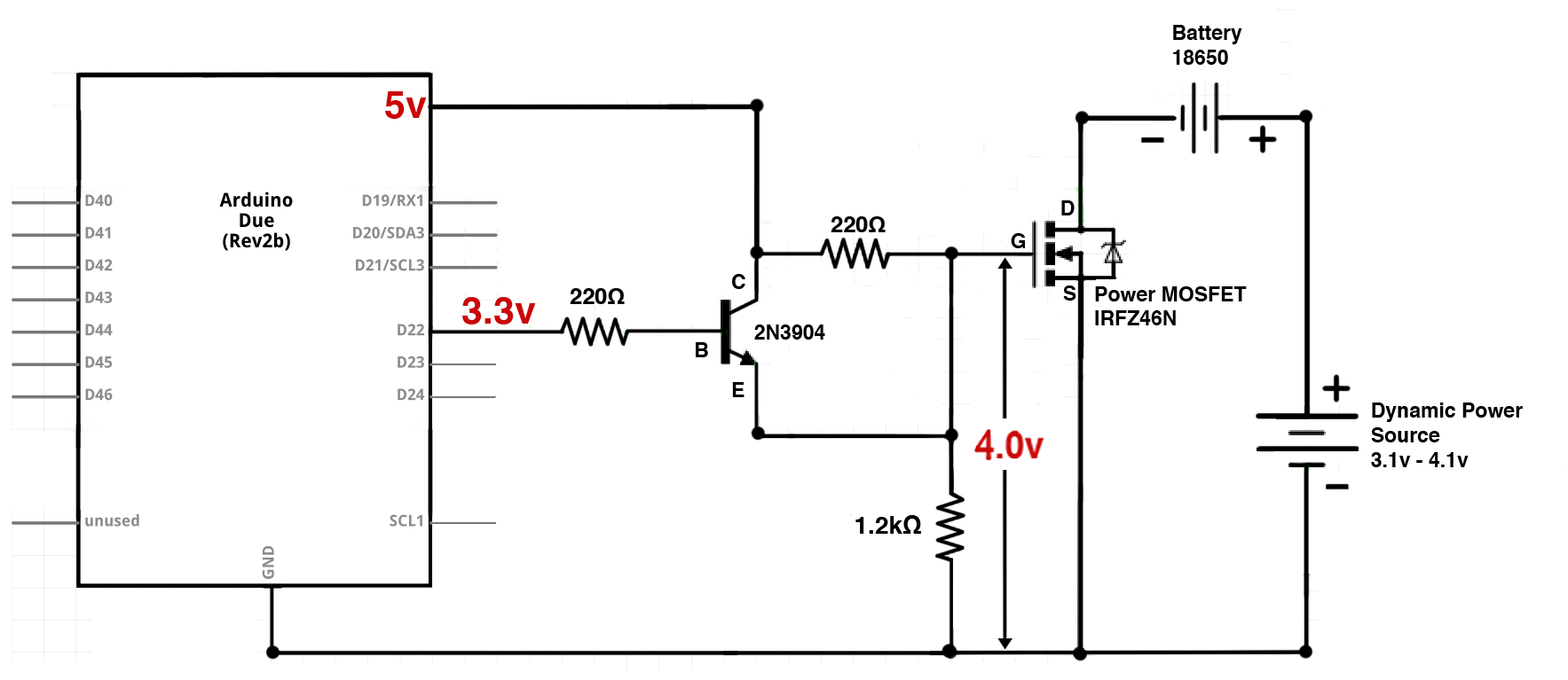
                    Do you think that this layout would work CONCEPTUALLY???

                    Since my Arduino can only output 3.3v, and the power MOSFET that I have is fully on at 4 volts, I thought maybe controlling the mosfet using a 3904 off of a 5v source with a voltage divider might be a sensible way to go about it... ???

                    Attached Files
                    sigpic

                    Comment

                    • budm
                      Badcaps Legend
                      • Feb 2010
                      • 40746
                      • USA

                      #50
                      Re: The LM317 is quite the hot head ...

                      Where did you get that circuit?Look at the Voltage divider of the 220 Ohms and the 1200 Ohms resistor and how that transistor is connected and the effect of the Voltage on the Gate will be when the transistor is turned on which it will never be on since the Emitter Voltage is higher than the Base Voltage so the Transistor is in reverse bias if the output of the iC in high state is only 3.3V.
                      Never stop learning
                      Basic LCD TV and Monitor troubleshooting guides.
                      http://www.badcaps.net/forum/showthr...956#post305956

                      Voltage Regulator (LDO) testing:
                      http://www.badcaps.net/forum/showthr...999#post300999

                      Inverter testing using old CFL:
                      http://www.badcaps.net/forum/showthr...er+testing+cfl

                      Tear down pictures : Hit the ">" Show Albums and stories" on the left side
                      http://s807.photobucket.com/user/budm/library/

                      TV Factory reset codes listing:
                      http://www.badcaps.net/forum/showthread.php?t=24809

                      Comment

                      • EasyGoing1
                        Shock Therapist
                        • Sep 2016
                        • 977
                        • USA

                        #51
                        Re: The LM317 is quite the hot head ...

                        Originally posted by budm
                        Where did you get that circuit?
                        I made it from scratch.
                        Originally posted by budm
                        Look at the Voltage divider of the 220 Ohms and the 1200 Ohms resistor and how that transistor is connected and the effect of the Voltage on the Gate will be when the transistor is turned on which it will never be on since the Emitter Voltage is higher than the Base Voltage so the Transistor is in reverse bias if the output of the iC in high state is only 3.3V.
                        That confirms my readings after building it just now...

                        I was thinking that I wanted to get 4 volts to the gate of the MOSFET using a 3.3v pin on the Arduino ... let me re-think it and see what I can come up with.
                        sigpic

                        Comment

                        • budm
                          Badcaps Legend
                          • Feb 2010
                          • 40746
                          • USA

                          #52
                          Re: The LM317 is quite the hot head ...

                          What are you trying to accomplish? Turning the MOSFET fully on when its needed and fully off when its needed, or PWM? I think you need to understand how to bias transistor on and how to turn it off, if you understand that then you will see why that transistor is off with the Voltage as shown in your diagram, need to understand the basic first.
                          Last edited by budm; 06-06-2017, 09:28 AM.
                          Never stop learning
                          Basic LCD TV and Monitor troubleshooting guides.
                          http://www.badcaps.net/forum/showthr...956#post305956

                          Voltage Regulator (LDO) testing:
                          http://www.badcaps.net/forum/showthr...999#post300999

                          Inverter testing using old CFL:
                          http://www.badcaps.net/forum/showthr...er+testing+cfl

                          Tear down pictures : Hit the ">" Show Albums and stories" on the left side
                          http://s807.photobucket.com/user/budm/library/

                          TV Factory reset codes listing:
                          http://www.badcaps.net/forum/showthread.php?t=24809

                          Comment

                          • EasyGoing1
                            Shock Therapist
                            • Sep 2016
                            • 977
                            • USA

                            #53
                            Re: The LM317 is quite the hot head ...

                            Originally posted by budm
                            which it will never be on since the Emitter Voltage is higher than the Base Voltage so the Transistor is in reverse bias if the output of the iC in high state is only 3.3V.
                            What about this ... though I think I need to re-calc the resistors ...

                            Attached Files
                            sigpic

                            Comment

                            • EasyGoing1
                              Shock Therapist
                              • Sep 2016
                              • 977
                              • USA

                              #54
                              Re: The LM317 is quite the hot head ...

                              Originally posted by budm
                              What are you trying to accomplish? Turning the MOSFET fully on when its needed and fully off when its needed, or PWM? I think you need to understand how to bias transistor on and how to turn it off, if you understand that then you will see why that transistor is off with the Voltage as shown in your diagram, need to understand the basic first.
                              I want the MOSFET fully on when it’s needed and fully OFF when its not needed ... and that state I want to control with by turning the 3.3v pin from the Arduino on or off.

                              AND the MOSFET that I have is not fully on until there is 4 volts at the gate.
                              sigpic

                              Comment

                              • EasyGoing1
                                Shock Therapist
                                • Sep 2016
                                • 977
                                • USA

                                #55
                                Re: The LM317 is quite the hot head ...

                                OK, I’m reading a few articles on it ... lemmie see if I can figure this out.
                                sigpic

                                Comment

                                • mariushm
                                  Badcaps Legend
                                  • May 2011
                                  • 3799

                                  #56
                                  Re: The LM317 is quite the hot head ...

                                  Can't you pick a better mosfet?

                                  The one you chose has quite big gate capacitance and high gate threshold voltage (4v)... why not pick one that is guaranteed to turn on at less than 3.3v and simply connect it directly to an output pin.

                                  Use a decent resistor between gate and ground to discharge the gate to quickly turn it off when needed.

                                  Comment

                                  • EasyGoing1
                                    Shock Therapist
                                    • Sep 2016
                                    • 977
                                    • USA

                                    #57
                                    Re: The LM317 is quite the hot head ...

                                    Originally posted by mariushm
                                    Can't you pick a better mosfet?

                                    The one you chose has quite big gate capacitance and high gate threshold voltage (4v)... why not pick one that is guaranteed to turn on at less than 3.3v and simply connect it directly to an output pin.
                                    Cause I have like ... 15 of these ... ill see if I have any others....

                                    What about this layout?

                                    Attached Files
                                    Last edited by EasyGoing1; 06-06-2017, 12:36 PM.
                                    sigpic

                                    Comment

                                    • budm
                                      Badcaps Legend
                                      • Feb 2010
                                      • 40746
                                      • USA

                                      #58
                                      Re: The LM317 is quite the hot head ...

                                      Well, ask yourself this: I have 1VDC between circuit GND and the BASE of the NPN Transistor 2N3904, what will my DCV at the Emitter and circuit GND of the Transistor has to be so it will be biased ON?
                                      Look up Emitter follower.
                                      http://fourier.eng.hmc.edu/e84/lectures/ch4/node9.html
                                      https://en-sg.knowledgebase.renesas....wer_circuit%3F
                                      https://cdn.badcaps-static.com/pdfs/...2475f71559.pdf
                                      http://www.falstad.com/circuit/e-follower.html
                                      Last edited by budm; 06-06-2017, 12:52 PM.
                                      Never stop learning
                                      Basic LCD TV and Monitor troubleshooting guides.
                                      http://www.badcaps.net/forum/showthr...956#post305956

                                      Voltage Regulator (LDO) testing:
                                      http://www.badcaps.net/forum/showthr...999#post300999

                                      Inverter testing using old CFL:
                                      http://www.badcaps.net/forum/showthr...er+testing+cfl

                                      Tear down pictures : Hit the ">" Show Albums and stories" on the left side
                                      http://s807.photobucket.com/user/budm/library/

                                      TV Factory reset codes listing:
                                      http://www.badcaps.net/forum/showthread.php?t=24809

                                      Comment

                                      • EasyGoing1
                                        Shock Therapist
                                        • Sep 2016
                                        • 977
                                        • USA

                                        #59
                                        Re: The LM317 is quite the hot head ...

                                        Originally posted by budm
                                        Well, ask yourself this: I have 1VDC between circuit GND and the BASE of the NPN Transistor 2N3904, what will my DCV at the Emitter and circuit GND of the Transistor has to be so it will be biased ON?
                                        ]
                                        According to the data sheet, it has to be like .9 volts ..

                                        sigpic

                                        Comment

                                        • budm
                                          Badcaps Legend
                                          • Feb 2010
                                          • 40746
                                          • USA

                                          #60
                                          Re: The LM317 is quite the hot head ...

                                          So if the Vbe is around 0.9V then what do you think the Voltage will be at the Emitter of that Transistor based on your last diagram?
                                          Never stop learning
                                          Basic LCD TV and Monitor troubleshooting guides.
                                          http://www.badcaps.net/forum/showthr...956#post305956

                                          Voltage Regulator (LDO) testing:
                                          http://www.badcaps.net/forum/showthr...999#post300999

                                          Inverter testing using old CFL:
                                          http://www.badcaps.net/forum/showthr...er+testing+cfl

                                          Tear down pictures : Hit the ">" Show Albums and stories" on the left side
                                          http://s807.photobucket.com/user/budm/library/

                                          TV Factory reset codes listing:
                                          http://www.badcaps.net/forum/showthread.php?t=24809

                                          Comment

                                          Related Topics

                                          Collapse

                                          • Stunt
                                            Bench power supply current stuck at 9 amps
                                            by Stunt
                                            Hi guys I've got Longwei bench power supply the problem is the current is stuck on 9 amps no matter how I turn the current nob to decrease the amps is stuck on 9 amps and the led indicator for current doesn't turn on. If anyone knows what could be the problem Please i need your help cause the voltage nob is working fine I can increase and reduce the voltage without a problem. Thank you
                                            06-02-2021, 05:05 AM
                                          • Document Archive
                                            Diodes AP21X2SG-13 AP21X2MPG-13 Current Limited Power Switch for Laptop Computer Datasheet
                                            by Document Archive
                                            The AP2182 and AP2192 (AP21X2SG-13 AP21X2MPG-13) are integrated high-side power switches optimized for Universal Serial Bus (USB) and other hot-swap applications. The family of devices complies with USB 2.0 and available with both polarities of Enable input. They offer current and thermal limiting and short circuit protection as well as controlled rise time and under-voltage lockout functionality. A 7ms deglitch capability on the open-drain Flag output prevents false over-current reporting and does not require any external components.

                                            All AP21X2SG-13 AP21X2MPG-13 devices are available...
                                            10-23-2024, 03:33 AM
                                          • DynaxSC
                                            Extreme High Current & Low Voltage Short Killer ??
                                            by DynaxSC
                                            Hi Folks

                                            I'm looking for a extreme high current short killer solution for a reasonable cost.

                                            I have an LGA1700 motherboard (ASUS PRIME Z790-P WiFi) where I exchanged the LGA socket already 3 times, and every time after the socket exchange I get a short of power supply lines VCORE (V variable) and VCCIN_AUX (1.8V).
                                            After taking off the socket, the shorts dissappear again.
                                            The soldermask on the socket is already partially demaged from the heat, so I have reconstructed the soldermask by manually painting the missing soldermask parts with a very small top of a...
                                            10-15-2024, 10:13 AM
                                          • sam_sam_sam
                                            Adjustable Boost Power Supply DC-DC Constant Voltage Current Charging Module
                                            by sam_sam_sam
                                            I want to know if I could hook up a solar panels to this boost converter would I have any issues doing and I would have issues what would they be

                                            Adjustable Boost Power Supply DC-DC Constant Voltage Current Charging Module

                                            https://www.ebay.com/itm/116497313155?var=416785404161


                                            Here are some of the description from the eBay seller

                                            The main parameters:
                                            1. Product name: High-power non-isolated DC boost module power supply.
                                            2. Product model: 100A2000W.
                                            3. Input voltage: DC12V-60V.
                                            4. Input current: 100A (maximum)....
                                            05-18-2025, 09:45 AM
                                          • EasyGoing1
                                            Issue with LM317 and current draw
                                            by EasyGoing1
                                            I'm supplying a LM317 that's configured for 5.0V output with a source voltage of 7 volts. The LM317 is supplying power to a 5 volt sensor. The sensor is drawing 110ma of current, but the LM317 gets really hot and when i check the current draw from the 7V supply to the LM317, the LM317 is drawing a little over 400ma ...

                                            This means that the LM317 is consuming almost 3 times the energy that it's supplying.

                                            Is this normal for a LM317?
                                            03-28-2019, 01:03 PM
                                          • Loading...
                                          • No more items.
                                          Working...