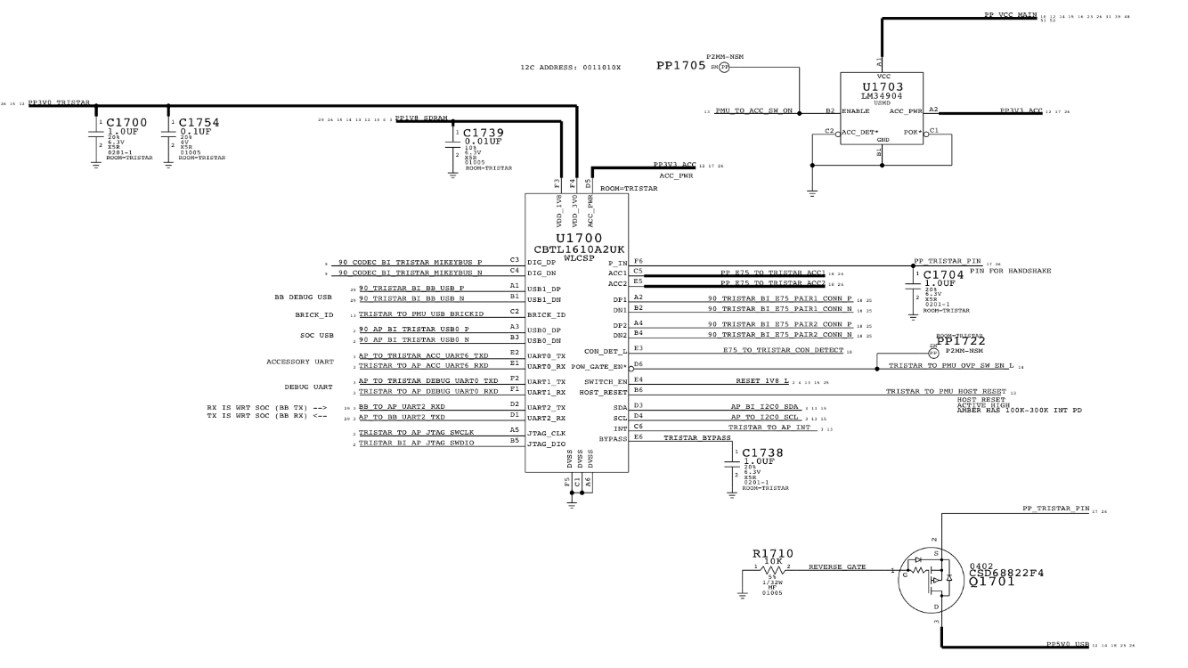
This is from an iPhone 6. I'm having a hard time understanding how q1401 controls the "handshake" to Tristar_pin to allow charging.
I don't see anything controlling the gate of q1401 either. Am I write to assume current flow that I've traced in red?
I don't see anything controlling the gate of q1401 either. Am I write to assume current flow that I've traced in red?
Comment