Oscilloscope CRT problem

Collapse
X
 
  • Time
  • Show
Clear All
new posts
  • monpirri
    New Member
    • Feb 2010
    • 8

    #81
    Re: Oscilloscope CRT problem

    Well ,about rewinding it just made a couple attempts and always got it shorted.

    Last resort was just by trying a HV transformer from a broken 15' LcD monitor but seems the voltage was not high enough to get 2kv after doubler ,just a 170 v peak.

    Course i am trying to build a 2kv 10ma power supply ,the real problem is getting the freaking transformer with 500 or 600l v out.

    I am uploading the Service Manual if is allowed.
    Attached Files

    Comment

    • budm
      Badcaps Legend
      • Feb 2010
      • 40746
      • USA

      #82
      Re: Oscilloscope CRT problem

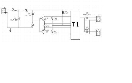
      The oscillation frequency of the circuits is unknown since we do not know the winding value of the transformer, C954, R951 are part of the positive feedback circuits.
      C951/952/HD950/951 are the Voltage doubler rectifier circuits. If you know the urn cout of the primary side then you can figure out the turn count of the secondary side, but you need to good transformer to verify.
      The inverter transformer for the backlight usually be putting out anout 500~800v for sustaing the lamp, startup is about 1500v, but it is a tuned circuits (Royer Oscillator)
      Last edited by budm; 03-16-2012, 04:28 PM.
      Never stop learning
      Basic LCD TV and Monitor troubleshooting guides.
      http://www.badcaps.net/forum/showthr...956#post305956

      Voltage Regulator (LDO) testing:
      http://www.badcaps.net/forum/showthr...999#post300999

      Inverter testing using old CFL:
      http://www.badcaps.net/forum/showthr...er+testing+cfl

      Tear down pictures : Hit the ">" Show Albums and stories" on the left side
      http://s807.photobucket.com/user/budm/library/

      TV Factory reset codes listing:
      http://www.badcaps.net/forum/showthread.php?t=24809

      Comment

      • monpirri
        New Member
        • Feb 2010
        • 8

        #83
        Re: Oscilloscope CRT problem

        Originally posted by budm
        The oscillation frequency of the circuits is unknown since we do not know the winding value of the transformer, C954, R951 are part of the positive feedback circuits.
        C951/952/HD950/951 are the Voltage doubler rectifier circuits. If you know the urn cout of the primary side then you can figure out the turn count of the secondary side, but you need to good transformer to verify.
        The inverter transformer for the backlight usually be putting out anout 500~800v for sustaing the lamp, startup is about 1500v, but it is a tuned circuits (Royer Oscillator)
        Good point , in fact i am trying to build a 2kv ps using a back light self running circuit .
        Attached Files

        Comment

        • budm
          Badcaps Legend
          • Feb 2010
          • 40746
          • USA

          #84
          Re: Oscilloscope CRT problem

          I do not see any positive feedback for the Base circuit of the transistors.
          http://en.wikipedia.org/wiki/CCFL_inverter
          you also need the tuning caps that was on the board where the transformer comes from that way it will run at the same tuned circuits.
          Never stop learning
          Basic LCD TV and Monitor troubleshooting guides.
          http://www.badcaps.net/forum/showthr...956#post305956

          Voltage Regulator (LDO) testing:
          http://www.badcaps.net/forum/showthr...999#post300999

          Inverter testing using old CFL:
          http://www.badcaps.net/forum/showthr...er+testing+cfl

          Tear down pictures : Hit the ">" Show Albums and stories" on the left side
          http://s807.photobucket.com/user/budm/library/

          TV Factory reset codes listing:
          http://www.badcaps.net/forum/showthread.php?t=24809

          Comment

          • LightySA
            Member
            • Mar 2012
            • 16
            • South Africa

            #85
            Re: Oscilloscope CRT problem

            Thanks monpirri,

            but I've just noticed, the schematic is slightly different to what I have. My looks like the picture in post 78, which I copied from post 40. I think mine if equivilent to the 2120B, and not the 2120.

            Does anyone perhaps have the schematic for the 2120B?

            Comment

            • LightySA
              Member
              • Mar 2012
              • 16
              • South Africa

              #86
              Re: Oscilloscope CRT problem

              What about using one of these, as discussed above, would they not work?

              http://za.rs-online.com/web/p/lcd-di...ories/5350085/

              ...................... Min - typ - max
              Output Voltage - 600 - 700 - 800
              Output current - 4.0 - 5.5 - 7.0

              Or perhaps this one driving directly?

              http://za.rs-online.com/web/p/lcd-di...ories/5350063/

              ..................... Min - typ - max
              Output Voltage - ... -1500 - ....
              Output current - 4.5 - 5.0 - 5.5

              Comment

              • Agent24
                I see dead caps
                • Oct 2007
                • 5037
                • New Zealand

                #87
                Re: Oscilloscope CRT problem

                Might be a good idea if it works, but from what I have read on these forums CCFL inverters expect to be connected to a CCFL which behaves in a certain way.

                If they detect something odd with the load they shut down. I'm thinking that trying to power something other than a CCFL could be classified as 'odd'
                "Tantalum for the brave, Solid Aluminium for the wise, Wet Electrolytic for the adventurous"
                -David VanHorn

                Comment

                • LightySA
                  Member
                  • Mar 2012
                  • 16
                  • South Africa

                  #88
                  Re: Oscilloscope CRT problem

                  From what i've seen on youtube and some dead boards I have it should power up. but I not 100% sure.

                  Comment

                  • LightySA
                    Member
                    • Mar 2012
                    • 16
                    • South Africa

                    #89
                    Re: Oscilloscope CRT problem

                    Looking at the BXA12529 invertor/driver, it can deliver 10ma. rated min:950V typ:1000V max:1050V

                    pushing that through the voltager doubler should give us a min of 1900V and max of 2100V, surely that should work? only thing that might be a problem is that if the input and ouput use a common GND, then how are we going to get the -2000V? or am I getting myself confused?

                    Comment

                    • budm
                      Badcaps Legend
                      • Feb 2010
                      • 40746
                      • USA

                      #90
                      Re: Oscilloscope CRT problem

                      The circuits as shown is voltage doubler circuits that will put out Neagtive voltage with ref to ground, the positive output is tied to ground is generate from the Isolated secondary winding of the transformer, if you take the output of the transformer winding that is isolated from the primary side, you can generate any polarity you want with ref to the ground.
                      Never stop learning
                      Basic LCD TV and Monitor troubleshooting guides.
                      http://www.badcaps.net/forum/showthr...956#post305956

                      Voltage Regulator (LDO) testing:
                      http://www.badcaps.net/forum/showthr...999#post300999

                      Inverter testing using old CFL:
                      http://www.badcaps.net/forum/showthr...er+testing+cfl

                      Tear down pictures : Hit the ">" Show Albums and stories" on the left side
                      http://s807.photobucket.com/user/budm/library/

                      TV Factory reset codes listing:
                      http://www.badcaps.net/forum/showthread.php?t=24809

                      Comment

                      • LightySA
                        Member
                        • Mar 2012
                        • 16
                        • South Africa

                        #91
                        Re: Oscilloscope CRT problem

                        Ok, as I thought, but I'm now wondering if the CCFL inverters secondary winding is also isolated, or if they share the gound? id it does share, could one not just modified the board (cut the track) to isolate it?

                        Comment

                        • monpirri
                          New Member
                          • Feb 2010
                          • 8

                          #92
                          Re: Oscilloscope CRT problem

                          Originally posted by LightySA
                          Ok, as I thought, but I'm now wondering if the CCFL inverters secondary winding is also isolated, or if they share the gound? id it does share, could one not just modified the board (cut the track) to isolate it?
                          CCFLs output are normally at HF ( >20 khz ) so i guess if a high speed rectifier( or 3 serial ) and a capacitor in half wave DC can allow - 2kv .
                          Last edited by monpirri; 03-20-2012, 04:09 PM.

                          Comment

                          • budm
                            Badcaps Legend
                            • Feb 2010
                            • 40746
                            • USA

                            #93
                            Re: Oscilloscope CRT problem

                            The hard part will be finding High speed Diode with 1000V rating, the secondary side of the Inverter transformer is isolated (of all teh one I repired so far).
                            The SCH of B&K shows 1N4007 1000 1A Genaral purpose Diode, so the Oscillator frequency must not be very high.
                            Never stop learning
                            Basic LCD TV and Monitor troubleshooting guides.
                            http://www.badcaps.net/forum/showthr...956#post305956

                            Voltage Regulator (LDO) testing:
                            http://www.badcaps.net/forum/showthr...999#post300999

                            Inverter testing using old CFL:
                            http://www.badcaps.net/forum/showthr...er+testing+cfl

                            Tear down pictures : Hit the ">" Show Albums and stories" on the left side
                            http://s807.photobucket.com/user/budm/library/

                            TV Factory reset codes listing:
                            http://www.badcaps.net/forum/showthread.php?t=24809

                            Comment

                            • monpirri
                              New Member
                              • Feb 2010
                              • 8

                              #94
                              Re: Oscilloscope CRT problem

                              Maybe if someone having a good 2120 can check the oscillation freq.

                              with a 1000VAC CCFL directly to the doubler probably works tho.

                              Comment

                              • budm
                                Badcaps Legend
                                • Feb 2010
                                • 40746
                                • USA

                                #95
                                Re: Oscilloscope CRT problem

                                Any one has the pictures of this transformer, I wonder if it is Iron core or Ferrite core, that will give us some idea what frequency it is running at.
                                Never stop learning
                                Basic LCD TV and Monitor troubleshooting guides.
                                http://www.badcaps.net/forum/showthr...956#post305956

                                Voltage Regulator (LDO) testing:
                                http://www.badcaps.net/forum/showthr...999#post300999

                                Inverter testing using old CFL:
                                http://www.badcaps.net/forum/showthr...er+testing+cfl

                                Tear down pictures : Hit the ">" Show Albums and stories" on the left side
                                http://s807.photobucket.com/user/budm/library/

                                TV Factory reset codes listing:
                                http://www.badcaps.net/forum/showthread.php?t=24809

                                Comment

                                • LightySA
                                  Member
                                  • Mar 2012
                                  • 16
                                  • South Africa

                                  #96
                                  Re: Oscilloscope CRT problem

                                  Its a Ferrite core transformer, with a E I configuration, it has a small peice of plastic between the ends of the "E" and the "I" creating about a 1.5mm gap.

                                  Comment

                                  • LightySA
                                    Member
                                    • Mar 2012
                                    • 16
                                    • South Africa

                                    #97
                                    Re: Oscilloscope CRT problem

                                    Its back from the dead !!!!

                                    Don't ask what it was, but here's what I did:

                                    Reassemble the transformer, less one turn on the output side (as I started to strip it...)

                                    Replaced C951, C952 and the Zener.

                                    I cut a "slot" between the tracks on the PCB where the HV had arced before.

                                    Turned it one for 5 seconds and felt Q950, it was cold, so tried it again for 10 seconds, again cold...Mmmm decided to turn it around and look at the screen and I couldn't believe it..... A green dot! Almost fell off my chair!

                                    So perhaps those who have had the same problem could try the same?

                                    Thanks for the input....

                                    A very happy person!

                                    Comment

                                    • budm
                                      Badcaps Legend
                                      • Feb 2010
                                      • 40746
                                      • USA

                                      #98
                                      Re: Oscilloscope CRT problem

                                      Great, now please read the frequency of this thing for future repair.
                                      Never stop learning
                                      Basic LCD TV and Monitor troubleshooting guides.
                                      http://www.badcaps.net/forum/showthr...956#post305956

                                      Voltage Regulator (LDO) testing:
                                      http://www.badcaps.net/forum/showthr...999#post300999

                                      Inverter testing using old CFL:
                                      http://www.badcaps.net/forum/showthr...er+testing+cfl

                                      Tear down pictures : Hit the ">" Show Albums and stories" on the left side
                                      http://s807.photobucket.com/user/budm/library/

                                      TV Factory reset codes listing:
                                      http://www.badcaps.net/forum/showthread.php?t=24809

                                      Comment

                                      • LightySA
                                        Member
                                        • Mar 2012
                                        • 16
                                        • South Africa

                                        #99
                                        Re: Oscilloscope CRT problem

                                        Originally posted by budm
                                        Great, now please read the frequency of this thing for future repair.
                                        Stupid question, but can I test the frequency use the scope on itself? sure the grounds must be common?

                                        Comment

                                        • budm
                                          Badcaps Legend
                                          • Feb 2010
                                          • 40746
                                          • USA

                                          #100
                                          Re: Oscilloscope CRT problem

                                          Yes, just measure the primary side of the oscilltor, you may be able to see at the BASE of the transformer driver transistor, I expect it to be aorund 25 (400msec)~30 (333msec)KHz range.
                                          Never stop learning
                                          Basic LCD TV and Monitor troubleshooting guides.
                                          http://www.badcaps.net/forum/showthr...956#post305956

                                          Voltage Regulator (LDO) testing:
                                          http://www.badcaps.net/forum/showthr...999#post300999

                                          Inverter testing using old CFL:
                                          http://www.badcaps.net/forum/showthr...er+testing+cfl

                                          Tear down pictures : Hit the ">" Show Albums and stories" on the left side
                                          http://s807.photobucket.com/user/budm/library/

                                          TV Factory reset codes listing:
                                          http://www.badcaps.net/forum/showthread.php?t=24809

                                          Comment

                                          Related Topics

                                          Collapse

                                          Working...