Tumble Dryer start capacitor

Collapse
X
 
  • Time
  • Show
Clear All
new posts
  • pintglass
    Senior Member
    • Jul 2019
    • 79
    • United Kingdom

    #1

    Tumble Dryer start capacitor

    Hi

    I've just had to replace a belt on our tumble dryer which had snapped.

    Upon testing the dryer the motor will not start by itself but will happily run if i push the drum to begin with, which lead me to test the start capacitor.

    The capacitor rating is 9 uf 450v ac +/- 5%, testing capacitance with my multimeter gives me a reading of 8.5 uf which is just under the lower end of its tolerance.

    Would this small amount be significant enough for it to not be capable of getting the motor running?
  • sam_sam_sam
    Badcaps Legend
    • Jul 2011
    • 6070
    • USA

    #2
    Re: Tumble Dryer start capacitor

    Some of these motors have a switch that at low speed start winding with the capacitor and when it gets up to speed it takes this winding out and goes to high speed winding

    This switch sometimes hangs up and does not switch back to the low speed or the low speed winding it open

    If this motor one of these switches take some brake cleaner with the dryer unplugged from the wall and clean the springs for the switch and then oil it fan motor oil in other words 5 weight machine oil

    Make sure that the spring switch works freely
    Last edited by sam_sam_sam; 11-28-2019, 05:27 PM.

    Comment

    • pintglass
      Senior Member
      • Jul 2019
      • 79
      • United Kingdom

      #3
      Re: Tumble Dryer start capacitor

      The motor does have a third wire going to it will this be for the switch?

      Comment

      • redwire
        Badcaps Legend
        • Dec 2010
        • 3912
        • Canada

        #4
        Re: Tumble Dryer start capacitor

        What make and model is the dryer?
        You likely have a run capacitor and a start switch. But that's more than three wires...

        Comment

        • pintglass
          Senior Member
          • Jul 2019
          • 79
          • United Kingdom

          #5
          Re: Tumble Dryer start capacitor

          I've attached a few images of the motor.

          Sorry just realised the start capacitor is not installed, that obviously connects to the red and black wires that are hanging down.
          Attached Files

          if you find these attachements useful please consider making a small donation to the site

          Last edited by pintglass; 11-29-2019, 09:48 AM.

          Comment

          • R_J
            Badcaps Legend
            • Jun 2012
            • 9624
            • Canada

            #6
            Re: Tumble Dryer start capacitor

            Can you here a relay click when you push the start button?

            Comment

            • pintglass
              Senior Member
              • Jul 2019
              • 79
              • United Kingdom

              #7
              Re: Tumble Dryer start capacitor

              Yes it does make a clicking sound, but motor won't run unless i push the drum first then it runs fine.

              Comment

              • stj
                Great Sage 齊天大聖
                • Dec 2009
                • 31288
                • Albion

                #8
                Re: Tumble Dryer start capacitor

                meter the windings - probably o.k. but worth checking

                Comment

                • pintglass
                  Senior Member
                  • Jul 2019
                  • 79
                  • United Kingdom

                  #9
                  Re: Tumble Dryer start capacitor

                  Sorry I've never tested motors before.

                  Do you mean check voltage on them, is the motor housing my ground reference.

                  Comment

                  • R_J
                    Badcaps Legend
                    • Jun 2012
                    • 9624
                    • Canada

                    #10
                    Re: Tumble Dryer start capacitor

                    Originally posted by pintglass
                    Yes it does make a clicking sound, but motor won't run unless i push the drum first then it runs fine.
                    Do you have a meter? if you do, check the a/c voltage between white and red wires, you should have full mains, then check the voltage between white and black while pushing the start button, if you have voltage when you press the start button, check for an open motor winding, if there is no voltage, you could have a bad connection on the relay or plug wiring coming from the control panel.
                    If you want to check the motor resistance, check between white and red and white and black, it should be low resistance
                    Last edited by R_J; 11-29-2019, 10:55 AM.

                    Comment

                    • pintglass
                      Senior Member
                      • Jul 2019
                      • 79
                      • United Kingdom

                      #11
                      Re: Tumble Dryer start capacitor

                      I have put the capacitor back on then with the machine plugged in and switched on with the power button but the start button not pressed, I only get a few volts which is falling between red and white.

                      I've tested resistance and get about 30 ohm's between red and white but get OL between white and black
                      Last edited by pintglass; 11-29-2019, 12:00 PM.

                      Comment

                      • R_J
                        Badcaps Legend
                        • Jun 2012
                        • 9624
                        • Canada

                        #12
                        Re: Tumble Dryer start capacitor

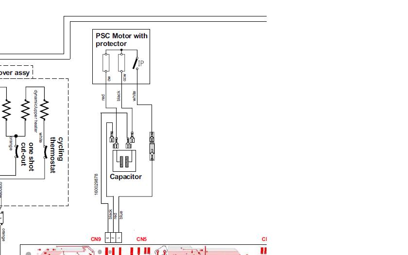
                        I suspect the motor winding could be open, white should be the common, I suspect Red must be the main winding, and Black could be the start winding.
                        Do you read any resistance between Red and Black on the motor?
                        It could be like this diagram (this is from a reversable motor model)
                        Attached Files

                        if you find these attachements useful please consider making a small donation to the site

                        Last edited by R_J; 11-29-2019, 12:19 PM.

                        Comment

                        • pintglass
                          Senior Member
                          • Jul 2019
                          • 79
                          • United Kingdom

                          #13
                          Re: Tumble Dryer start capacitor

                          I'm getting a high reading that's jumping around of about 4 Mega ohm's

                          The readings I'm taking are from the wires connected to the motor but are also connected to the control board should i be disconnecting them from the control board.
                          Last edited by pintglass; 11-29-2019, 12:27 PM.

                          Comment

                          • R_J
                            Badcaps Legend
                            • Jun 2012
                            • 9624
                            • Canada

                            #14
                            Re: Tumble Dryer start capacitor

                            I would disconnect it, but the readings for a motor winding are usually very low, One winding will be the main run winding and one should be the start winding and it seems like the start is open.

                            Comment

                            • redwire
                              Badcaps Legend
                              • Dec 2010
                              • 3912
                              • Canada

                              #15
                              Re: Tumble Dryer start capacitor

                              Hotpoint TVF770G Aquarius tumble dryer 95687010000, also goes by Indesit, Ariston, Cannon, Creda, Proline etc. I could not find the service manual.
                              But looking at another model, the motor has two windings and the control board seems to have a relay to do the start/run switching.

                              The motor might actually be OK, it's just the rolling load is too high. The belt might be installed wrong or too tight and I would check the support rollers are not worn out or need lube, the dryer is level. Otherwise a new belt will just wear out fast.

                              Check the huge safety recall on it too.
                              Attached Files

                              if you find these attachements useful please consider making a small donation to the site

                              Comment

                              • pintglass
                                Senior Member
                                • Jul 2019
                                • 79
                                • United Kingdom

                                #16
                                Re: Tumble Dryer start capacitor

                                What could cause this to happen could I have damaged it while changing the belt I had to use a lot of force on the shaft to get the belt on.

                                Comment

                                • pintglass
                                  Senior Member
                                  • Jul 2019
                                  • 79
                                  • United Kingdom

                                  #17
                                  Re: Tumble Dryer start capacitor

                                  Originally posted by redwire
                                  Hotpoint TVF770G Aquarius tumble dryer 95687010000, also goes by Indesit, Ariston, Cannon, Creda, Proline etc. I could not find the service manual.
                                  But looking at another model, the motor has two windings and the control board seems to have a relay to do the start/run switching.

                                  The motor might actually be OK, it's just the rolling load is too high. The belt might be installed wrong or too tight and I would check the support rollers are not worn out or need lube, the dryer is level. Otherwise a new belt will just wear out fast.

                                  Check the huge safety recall on it too.
                                  The belt did seem tight to get on, but i have been assured its the correct belt for the machine, all it does is raps around the drum and then round the motor shaft.

                                  I'm unsure now what could be the cause of this as @R_J has said i should have low resistance between red and black.

                                  If i remove the belt and start the dryer would this indicate the motor is ok if it starts by itself of would the fact that it has no load mean the start winding is unused.

                                  Comment

                                  • redwire
                                    Badcaps Legend
                                    • Dec 2010
                                    • 3912
                                    • Canada

                                    #18
                                    Re: Tumble Dryer start capacitor

                                    You should get continuity, a reading of a few ohms. With the motor unplugged, white-red should be a few ohms and white-black as well. black-red should roughly equal the sum of the two.

                                    If you get open circuit, then you might have tugged on the motor's wires and broken a connection somewhere, have to look hard or take the motor apart to fix.
                                    It needs the start winding to get going with drum and clothes as a load. A motor will start up with no-load, belt off even though no start winding connected.
                                    Last edited by redwire; 11-29-2019, 02:20 PM.

                                    Comment

                                    • pintglass
                                      Senior Member
                                      • Jul 2019
                                      • 79
                                      • United Kingdom

                                      #19
                                      Re: Tumble Dryer start capacitor

                                      The motor won't start even with the belt removed unless I help to get it going.

                                      Comment

                                      • redwire
                                        Badcaps Legend
                                        • Dec 2010
                                        • 3912
                                        • Canada

                                        #20
                                        Re: Tumble Dryer start capacitor

                                        WAIT this motor is reversable?

                                        Comment

                                        Related Topics

                                        Collapse

                                        • MORETTIGIAN
                                          Capacitor detached from PCB – RTX 2070 Super Founders Edition
                                          by MORETTIGIAN
                                          Title:
                                          Capacitor detached from PCB – RTX 2070 Super Founders Edition

                                          Description:
                                          During maintenance on an RTX 2070 SUPER Founders Edition, I found a capacitor lying on my desk after reassembly.
                                          I did not notice it detaching, so I am unsure of its original location on the PCB.

                                          Procedure performed:
                                          - Removed backplate
                                          - Cleaned heatsink and PCB with isopropyl alcohol + soft ESD brush
                                          - Reapplied thermal compound
                                          - Reassembled card

                                          Observed behavior after reassembly:
                                          - GPU powers on and operates normally under...
                                          09-18-2025, 12:14 PM
                                        • tmcw
                                          Tumble Dryer - motor start capacitor
                                          by tmcw
                                          I was looking for a replacement capacitor for a tumble dryer, and I found one on eBay that has the correct values, and even looked similar, but of course, when the capacitor arrived, it didn't look like the cap in the listing picture.

                                          I've attached the old (left) and the replacement (right) caps in a picture. The new one has plastic housing, the old one has a metal housing and is bigger. Am I likely to have any issues with this replacement?

                                          Thanks....
                                          05-09-2022, 09:11 AM
                                        • Per Hansson
                                          Motor run capacitor physical size vs voltage rating & measurements?
                                          by Per Hansson
                                          (TL;DR skip the first paragraph)
                                          I encountered my first dead motor run capacitor at a customer this week.
                                          For some fields I guess it is a very common occurrence but the usual way for industrial machines here is to use 3-phase motors.
                                          (Unless a servo motor makes more sense that is).
                                          But for some reason this 3-phase machine uses a 1-phase motor for its liquid coolant pump.
                                          The pump would run but sometimes trip the 10A breaker.
                                          I monitored it starting and stopping for over an hour until it finally stopped in a specific spot between its windings:
                                          Then it could...
                                          09-20-2020, 06:32 AM
                                        • notallbad
                                          Heat pump tumble dryer regas
                                          by notallbad
                                          Just wondering if anyone has successfully attempted a re-gas on a heat pump tumble dryer.

                                          The dryer currently in question runs on R134a.
                                          The dryer has been completely stripped down/cleaned/tested and re-assembled however there is no heating/cooling effect so working on the assumption it requires re-gassing. Of course, its likely theres a leak which would require soldering or even the possibility that the compressor has an internal fault even though it is running.

                                          I was thinking of getting a car aircon regas kit or probably easier but slightly dearer an hvac...
                                          07-16-2023, 01:27 PM
                                        • Petros_Z
                                          candy tumble dryer (evoc 981 at-s) Component 738
                                          by Petros_Z
                                          Hello. I have a board of a candy tumble dryer (evoc 981 at-s).
                                          It does not give an error but it keeps drying even without load. It has 3 ntc. Two are for the clothes and one for the compressor. I measure them and they look ok. I went to the board to measure the voltage given to them. It gives about 4v and it is going down as the ntc value going down.
                                          Because I wanted to measure more easily I tried to solder wires on the board. Probably I manage to destroy the component of the title. It looks like as a smd resistor. Hopefully there were other two same components. I disorder them and...
                                          01-04-2025, 02:17 AM
                                        • Loading...
                                        • No more items.
                                        Working...