Panasonic led tv, 3 red blinks error, TH-L32X30M

Collapse
X
 
  • Time
  • Show
Clear All
new posts
  • litec systems
    Electronics is
    • Feb 2018
    • 97
    • USA

    #21
    Re: Panasonic led tv, 3 red blinks error, TH-L32X30M

    Originally posted by ngth82
    Renesas has a good intro to the differences between a linear regulator (LDO) and a switching supply.

    With LDO's, you step down in voltage by generating heat. Output efficiency depends on the Vin-Vout difference.
    With Switching supplies, you step down in voltage with a PWM controlled signal. Output efficiency gets as high as 95%+ with minimal switching losses.

    Most supplies have over-current production as well as output short protection.

    https://www.renesas.com/us/en/produc...egulators.html
    Hi Thanks for your reply! 😊
    If i understood you correctly and from what I've seen
    The actual items for example are 7805 regulator VS~3$ step down modules on ebay?
    If so, then i know these items ( not by thier professional name) but do know them as a device and I've just didn't knew thier professional name, but thats what I've meant to( I've been referred to them by LDO. As a step down, as actually they're both have the same job as" lowering the voltage "

    Comment

    • budm
      Badcaps Legend
      • Feb 2010
      • 40746
      • USA

      #22
      Re: Panasonic led tv, 3 red blinks error, TH-L32X30M

      BTW, is there chassis number printed on the model number sticker on the back of the TV?
      Did you also check to see if you do have 12VDC at both ends (with ref. to chassis GND.) of the SMD fuse on the T-CON board when you power on the TV?
      Did you also download the service from the link I provided?
      panasonic_th-l32x30d_chassis_km10.pdf. Main PCB TNPA5364.
      I download this one and the LD board connector seems to match your LED board connector designator LD4, pin 12 is the BL-ON (STB pin of the LED driver IC), see page 71.
      Page 75 also shows the pin names of the power supply connectors.
      So look through that manual to see if it is almost match your TV chassis or not.
      It may be very difficult to troubleshoot the main board down to component level if the schematic is not matched your main board.
      Based on your pictures of your main board, your TV uses PCB TNP4G487.
      The service manual from your links, the main board PCB is TNPH0906.
      Attached Files

      if you find these attachements useful please consider making a small donation to the site

      Last edited by budm; 12-27-2019, 09:52 PM.
      Never stop learning
      Basic LCD TV and Monitor troubleshooting guides.
      http://www.badcaps.net/forum/showthr...956#post305956

      Voltage Regulator (LDO) testing:
      http://www.badcaps.net/forum/showthr...999#post300999

      Inverter testing using old CFL:
      http://www.badcaps.net/forum/showthr...er+testing+cfl

      Tear down pictures : Hit the ">" Show Albums and stories" on the left side
      http://s807.photobucket.com/user/budm/library/

      TV Factory reset codes listing:
      http://www.badcaps.net/forum/showthread.php?t=24809

      Comment

      • litec systems
        Electronics is
        • Feb 2018
        • 97
        • USA

        #23
        Re: Panasonic led tv, 3 red blinks error, TH-L32X30M

        Hi
        According to the PDF that I've found( sorry for reffering mine too much, I've just didn't had time to look deeply at your's and I've read mine for the last days 5 days repetitively so I'm remebring most of it in my mind including page numbers \ sections😂but I've do download yours)
        So according to that PDF and my understanding of the design ( if I've understood it correctly?) there's only a 16v rail and standby output from the ps to mainboard + 24v to the led driver
        All of them exist and steady
        There's a 12v reading on the capacitor on tupper side of PSU
        ( the schematic says " process voltage converter" - screenshot attached.. so maybe there's a step up to 16V to MB and\or 24LED from that one? Or it's for the IC'S on the other side of the PSU ( This cap is pretty big so more likely it is used for a greater load than few ICS on the back)

        I've wanted and think about an open fuse on the TCON,
        But There's no separate Tcon board on this tv , its probably combined on the panel, and I've try to locate a Fuse there too but its too crowded and didn't find one ( at least not accessible one..)
        There are many test points on the panel near the LVDS input but they are too close to the chasis and I'm afraid of accidently short them to ground with the probes)
        I'll try to deeply read your PDF ASAP probably on Sunday when I'll be at home..
        And here's few pictures of the chassis, I've tried to figure out and look for chassis # but didn't find a clearly one, but maybe it's" Tmb4g"? That's the only repetitive letter that I can see on all of the stickers on the ports
        Thanks for your help!
        Attached Files

        if you find these attachements useful please consider making a small donation to the site

        Comment

        • budm
          Badcaps Legend
          • Feb 2010
          • 40746
          • USA

          #24
          Re: Panasonic led tv, 3 red blinks error, TH-L32X30M

          https://www.badcaps.net/forum/attach...3&d=1577397767
          So there is no T-CON board under that black plastic at the bottom center of the LCD panel, correct?
          If it has integrated T-CON then there should be fuse by the LVDS cable of the integrated T-CON.
          We need hi-res pictures of that integrated T-CON boards.
          Never stop learning
          Basic LCD TV and Monitor troubleshooting guides.
          http://www.badcaps.net/forum/showthr...956#post305956

          Voltage Regulator (LDO) testing:
          http://www.badcaps.net/forum/showthr...999#post300999

          Inverter testing using old CFL:
          http://www.badcaps.net/forum/showthr...er+testing+cfl

          Tear down pictures : Hit the ">" Show Albums and stories" on the left side
          http://s807.photobucket.com/user/budm/library/

          TV Factory reset codes listing:
          http://www.badcaps.net/forum/showthread.php?t=24809

          Comment

          • litec systems
            Electronics is
            • Feb 2018
            • 97
            • USA

            #25
            Re: Panasonic led tv, 3 red blinks error, TH-L32X30M

            Hi
            Yes, it is an integrated one unfortunately,
            I've thught of it but as I've said it not accessible one ( if any) There are only unlabeled test points and LVDS access. Let me know, if its necessary ill disassemble the LCD panel tomorrow ( Sunday) And look for a fuse\ damaged diodes there
            BTW, let's say that I'll do find a bad fuse there, and ill check of there's short to ground between each side of the fuse. Isnt that mean that it's been blown due to overcurrent and it will fail again soon or it can be blown due to a peak?
            Anyway, here's the PDF of the panel- I've try multiple times to search that pdf for an " F1/ fuse " with no success
            And a picture of the only accessible things on that integrated TCON before taking it apart( carefully)
            Attached Files

            if you find these attachements useful please consider making a small donation to the site

            Comment

            • budm
              Badcaps Legend
              • Feb 2010
              • 40746
              • USA

              #26
              Re: Panasonic led tv, 3 red blinks error, TH-L32X30M

              To get to that T-CON/TAB bonding board, you will have to remove the metal from the LCD panel assembly, so at this point lets look first for the 12V at the LDVS connector on the main board first. Please upload good hi-res pictures of your main board.
              Never stop learning
              Basic LCD TV and Monitor troubleshooting guides.
              http://www.badcaps.net/forum/showthr...956#post305956

              Voltage Regulator (LDO) testing:
              http://www.badcaps.net/forum/showthr...999#post300999

              Inverter testing using old CFL:
              http://www.badcaps.net/forum/showthr...er+testing+cfl

              Tear down pictures : Hit the ">" Show Albums and stories" on the left side
              http://s807.photobucket.com/user/budm/library/

              TV Factory reset codes listing:
              http://www.badcaps.net/forum/showthread.php?t=24809

              Comment

              • litec systems
                Electronics is
                • Feb 2018
                • 97
                • USA

                #27
                Re: Panasonic led tv, 3 red blinks error, TH-L32X30M

                Sorry, I've forgot to paste the link for the LCD panel PDF( in case that I've missed out the fuse there(-if any?)
                so here it is
                https://www.datasheet4u.com/mobile/9...32H101G00.html

                And here's pictures of the LVDS section & screenshot of the PDF of IC'S 4120+4150
                Attached Files

                if you find these attachements useful please consider making a small donation to the site

                Comment

                • budm
                  Badcaps Legend
                  • Feb 2010
                  • 40746
                  • USA

                  #28
                  Re: Panasonic led tv, 3 red blinks error, TH-L32X30M

                  Page 8 1/4 of the LCD panel spec you provided, it shows you what you should have on the notes.
                  Attached Files

                  if you find these attachements useful please consider making a small donation to the site

                  Never stop learning
                  Basic LCD TV and Monitor troubleshooting guides.
                  http://www.badcaps.net/forum/showthr...956#post305956

                  Voltage Regulator (LDO) testing:
                  http://www.badcaps.net/forum/showthr...999#post300999

                  Inverter testing using old CFL:
                  http://www.badcaps.net/forum/showthr...er+testing+cfl

                  Tear down pictures : Hit the ">" Show Albums and stories" on the left side
                  http://s807.photobucket.com/user/budm/library/

                  TV Factory reset codes listing:
                  http://www.badcaps.net/forum/showthread.php?t=24809

                  Comment

                  • budm
                    Badcaps Legend
                    • Feb 2010
                    • 40746
                    • USA

                    #29
                    Re: Panasonic led tv, 3 red blinks error, TH-L32X30M

                    BTW, the main board lay out from your Panasonic TC-L32E3 service manual link does not match your board in your TV, see page 53 so you cannot go by what is shown on the service manual and what your TV actually has.
                    Last edited by budm; 12-28-2019, 06:53 PM.
                    Never stop learning
                    Basic LCD TV and Monitor troubleshooting guides.
                    http://www.badcaps.net/forum/showthr...956#post305956

                    Voltage Regulator (LDO) testing:
                    http://www.badcaps.net/forum/showthr...999#post300999

                    Inverter testing using old CFL:
                    http://www.badcaps.net/forum/showthr...er+testing+cfl

                    Tear down pictures : Hit the ">" Show Albums and stories" on the left side
                    http://s807.photobucket.com/user/budm/library/

                    TV Factory reset codes listing:
                    http://www.badcaps.net/forum/showthread.php?t=24809

                    Comment

                    • litec systems
                      Electronics is
                      • Feb 2018
                      • 97
                      • USA

                      #30
                      Re: Panasonic led tv, 3 red blinks error, TH-L32X30M

                      Originally posted by budm
                      Page 8 1/4 of the LCD panel spec you provided, it shows you what you should have on the notes.
                      Ive seen this page before but ive got confused from the next page[#9] between pins 10-11\12-15\5-10 [ because usually there are 3-5 Vcc pins and usually theyre on the most left\right ones on the competitors ] so now with your attention - if ive understood correctly-pins 10-11 are the 12v in right?
                      Last edited by litec systems; 12-28-2019, 07:26 PM.

                      Comment

                      • litec systems
                        Electronics is
                        • Feb 2018
                        • 97
                        • USA

                        #31
                        Re: Panasonic led tv, 3 red blinks error, TH-L32X30M

                        Originally posted by budm
                        BTW, the main board lay out from your Panasonic TC-L32E3 service manual link does not match your board in your TV, see page 53 so you cannot go by what is shown on the service manual and what your TV actually has.
                        thanks for your attention
                        now i should compare the pinouts from p71 to the actual board [IT LOOKS EXCACTLY THE SAME MODEL the PDF that youve found - thanks!!]and test each one with the meter to confirm there are proper voltrages? then look for 3.3&12-15V tcon supply and see if there are proper voltage readings?
                        anything else that ive forgoten? [ althugh that it looks to me like the PSU is ok and its 90% MB problem\10% bad panel\fuse ] am i right?
                        Last edited by litec systems; 12-28-2019, 07:59 PM.

                        Comment

                        • budm
                          Badcaps Legend
                          • Feb 2010
                          • 40746
                          • USA

                          #32
                          Re: Panasonic led tv, 3 red blinks error, TH-L32X30M

                          Per LCD spec sheet page 8 1/4, pin 12 ~ 15 (of the LCD panel connector, not the connector on the main board) are the AVDD pins which should have 12VDC.
                          Pin 1 on the main board may be pin 60 on the LCD connector, you have to verify that, but at least now you know that at least 4 pins of the LVDS should have 12VDC, so see if any of them has 12VDC, just have to be careful and use probe with small sharp tips.
                          Never stop learning
                          Basic LCD TV and Monitor troubleshooting guides.
                          http://www.badcaps.net/forum/showthr...956#post305956

                          Voltage Regulator (LDO) testing:
                          http://www.badcaps.net/forum/showthr...999#post300999

                          Inverter testing using old CFL:
                          http://www.badcaps.net/forum/showthr...er+testing+cfl

                          Tear down pictures : Hit the ">" Show Albums and stories" on the left side
                          http://s807.photobucket.com/user/budm/library/

                          TV Factory reset codes listing:
                          http://www.badcaps.net/forum/showthread.php?t=24809

                          Comment

                          • litec systems
                            Electronics is
                            • Feb 2018
                            • 97
                            • USA

                            #33
                            Re: Panasonic led tv, 3 red blinks error, TH-L32X30M

                            Originally posted by budm
                            Per LCD spec sheet page 8 1/4, pin 12 ~ 15 (of the LCD panel connector, not the connector on the main board) are the AVDD pins which should have 12VDC.
                            Pin 1 on the main board may be pin 60 on the LCD connector, you have to verify that, but at least now you know that at least 4 pins of the LVDS should have 12VDC, so see if any of them has 12VDC, just have to be careful and use probe with small sharp tips.
                            ok, just for learning what's the "AVDD " stands for and what are p10-11 VCOM?are the VCOM are the PSU GND TOO or what?
                            thanks in advance!

                            Comment

                            • budm
                              Badcaps Legend
                              • Feb 2010
                              • 40746
                              • USA

                              #34
                              Re: Panasonic led tv, 3 red blinks error, TH-L32X30M

                              LCD panel power supply topology.
                              http://tvrepairsolution.blogspot.com...lcd-panel.html
                              Attached Files

                              if you find these attachements useful please consider making a small donation to the site

                              Last edited by budm; 12-28-2019, 09:04 PM.
                              Never stop learning
                              Basic LCD TV and Monitor troubleshooting guides.
                              http://www.badcaps.net/forum/showthr...956#post305956

                              Voltage Regulator (LDO) testing:
                              http://www.badcaps.net/forum/showthr...999#post300999

                              Inverter testing using old CFL:
                              http://www.badcaps.net/forum/showthr...er+testing+cfl

                              Tear down pictures : Hit the ">" Show Albums and stories" on the left side
                              http://s807.photobucket.com/user/budm/library/

                              TV Factory reset codes listing:
                              http://www.badcaps.net/forum/showthread.php?t=24809

                              Comment

                              • litec systems
                                Electronics is
                                • Feb 2018
                                • 97
                                • USA

                                #35
                                Re: Panasonic led tv, 3 red blinks error, TH-L32X30M

                                Originally posted by budm
                                LCD panel power supply topology.
                                thanks alot brother ill read this and today ill continue the tests and let you know
                                thanks alot and have a good evening !

                                Comment

                                • litec systems
                                  Electronics is
                                  • Feb 2018
                                  • 97
                                  • USA

                                  #36
                                  Re: Panasonic led tv, 3 red blinks error, TH-L32X30M

                                  Hi
                                  So I've disassemble the LCD panel, THERE IS NO FUSE "F1" THERE, SO, ive try to test 12-15 pins with a tinned probe, and the Meter almost shows a reading then the protection starts. So I've decide to use the " max " function of the Meter and I've got 2.309V it was pretty difficult to point the probe there, there's a 0.1% that I've put on the Vcom
                                  Anyway, there are pros and cons between the schematic that we've found, there are things that are detailed in one one that I've found and vice versa... So i have the merge all that info in my mind,
                                  Then I've found few interesting details,
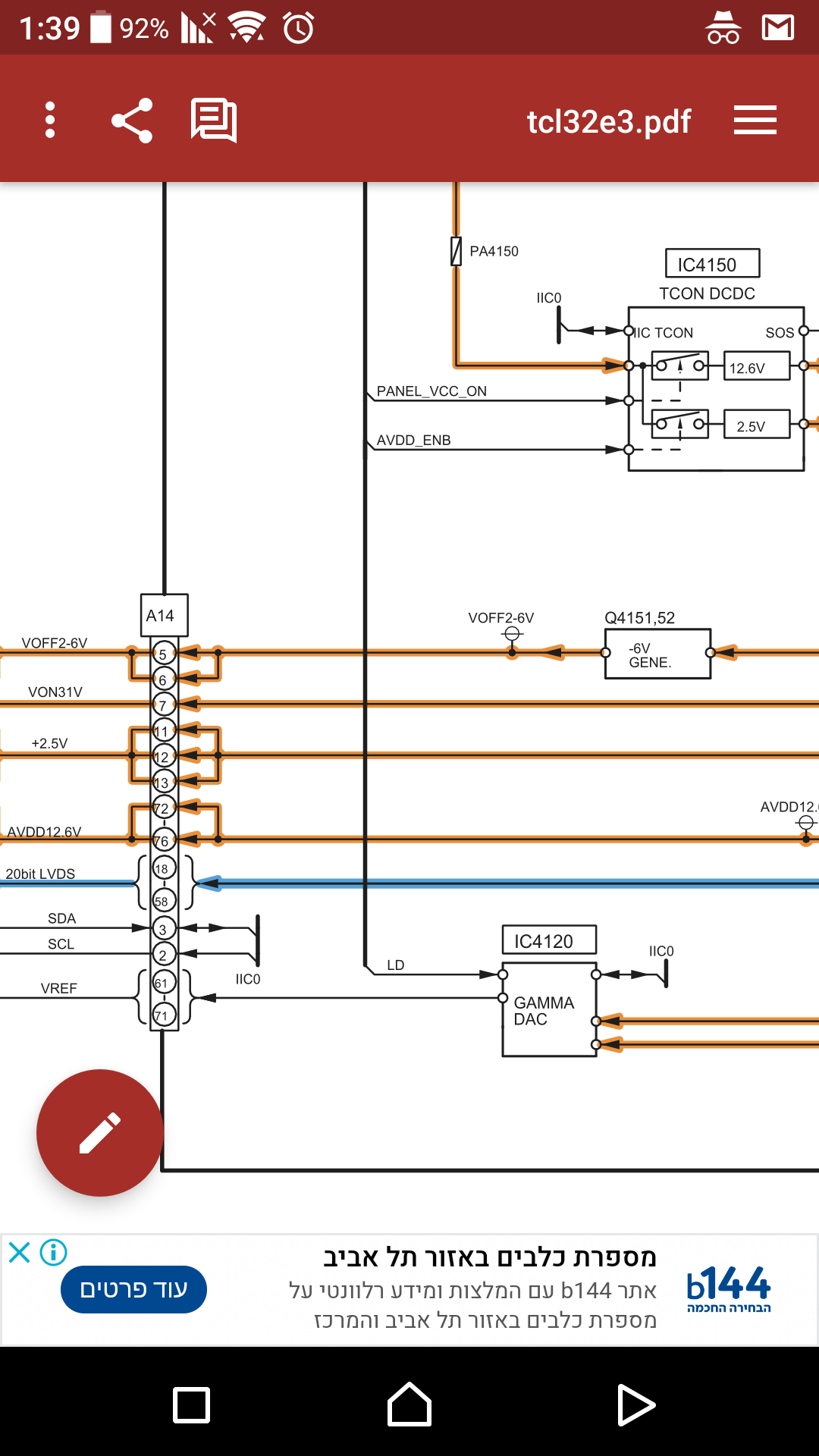
                                  Such as, IC4150, ( labeled as TCON DC DC) on p31 of yours( and p28 of mine- which gaves me a HUGE hint, there's a fuse ( labeled pa4150) between that ic to the 16V PSU rail
                                  So if you Can, i need your help please with identified it( if you want to find more fuses, i suggest you to search for PA4150,( thats the particular fuse) and on page 70( of mine pdf) you'll see there 3 more fuses on the mainboard, so maybe one or more of them is shorted( I'll appreciate your help to find them on the circuit it's a very crowded and full with many components)
                                  AND, im think that i have to test& find the 3.3&1.8v, cause it looks like they're both goes to the tuner and it's shorting for some reason between the Ant pins..( ive think about desolder the tuner ( but im afraid that it'll be difficult to me with my current equipment & ( lack) of skills) I've found 3.3v&1.8 step downs\ LDO'S ( one of each) but IDK if they're more in the circuit
                                  Attached Files

                                  if you find these attachements useful please consider making a small donation to the site

                                  Comment

                                  • budm
                                    Badcaps Legend
                                    • Feb 2010
                                    • 40746
                                    • USA

                                    #37
                                    Re: Panasonic led tv, 3 red blinks error, TH-L32X30M

                                    Since there is hardly any AVDD which is generated by the main board, so at this point something on the main board is the problem or the AVDD on the that tab bonding board is loading it down. You can try disconnecting the ribbon cable from the LCD panel and and see if you will see any 12V on the LVDS connector.
                                    It is difficult to troubleshoot the main board without having matching schematic. Finding and checking the 3.3&1.8v is a good idea.
                                    BTW, the panel is not fully integrated T-CON since the avdd, vcom, vgamma are generated by the main board.
                                    Never stop learning
                                    Basic LCD TV and Monitor troubleshooting guides.
                                    http://www.badcaps.net/forum/showthr...956#post305956

                                    Voltage Regulator (LDO) testing:
                                    http://www.badcaps.net/forum/showthr...999#post300999

                                    Inverter testing using old CFL:
                                    http://www.badcaps.net/forum/showthr...er+testing+cfl

                                    Tear down pictures : Hit the ">" Show Albums and stories" on the left side
                                    http://s807.photobucket.com/user/budm/library/

                                    TV Factory reset codes listing:
                                    http://www.badcaps.net/forum/showthread.php?t=24809

                                    Comment

                                    • litec systems
                                      Electronics is
                                      • Feb 2018
                                      • 97
                                      • USA

                                      #38
                                      Re: Panasonic led tv, 3 red blinks error, TH-L32X30M

                                      Originally posted by budm
                                      It is difficult to troubleshoot the main board without having matching schematic. Finding and checking the 3.3&1.8v is a good idea.
                                      BTW, the panel is not fully integrated T-CON since the avdd, vcom, vgamma are generated by the main board.
                                      Your PDF is excacly the same mainboard fortunately, it's just lack few things ( and vice versa at mine PDF) such few detailed information such fuses
                                      I've thught about that it's not a fully TCON. As I've didn't see there any square IC which is usually there
                                      Do you have any suggestions how can i identify the fuses on the mainboard ( there's no f1-4) how it should look like? ( color or marking on the SMD itself)?
                                      There's a 1.8V step down near the tuner, and a3.3v one (IC8700) that I've mentioned last week, both have an output
                                      Can it really be the tuner itself ? ( the error code is panel vcc\sub3.3v, but I'm afraid that I won't be able to desolder it properly, but I've test continuity on my tv's at home and no one of them beeps so It looks like it is related
                                      And about testing the LVDS pins- you think that I'll be able to PERFORM this or the mainboard will identify that there's nothing connected and avoid even send the voltage?

                                      Comment

                                      • budm
                                        Badcaps Legend
                                        • Feb 2010
                                        • 40746
                                        • USA

                                        #39
                                        Re: Panasonic led tv, 3 red blinks error, TH-L32X30M

                                        There should be AVDD 12V at the pins of the LVDS connector on the main board, I would probe the pins of that LVDS connector on the main board side and see.
                                        As far as the fuse, it should be labeled with F???? which is the typical designator for the fuse.
                                        I cannot see the fuse from your pictures, may be upload hi-res pictures of the whole main board top side and bottom side for us to look at.
                                        Never stop learning
                                        Basic LCD TV and Monitor troubleshooting guides.
                                        http://www.badcaps.net/forum/showthr...956#post305956

                                        Voltage Regulator (LDO) testing:
                                        http://www.badcaps.net/forum/showthr...999#post300999

                                        Inverter testing using old CFL:
                                        http://www.badcaps.net/forum/showthr...er+testing+cfl

                                        Tear down pictures : Hit the ">" Show Albums and stories" on the left side
                                        http://s807.photobucket.com/user/budm/library/

                                        TV Factory reset codes listing:
                                        http://www.badcaps.net/forum/showthread.php?t=24809

                                        Comment

                                        • litec systems
                                          Electronics is
                                          • Feb 2018
                                          • 97
                                          • USA

                                          #40
                                          Re: Panasonic led tv, 3 red blinks error, TH-L32X30M

                                          Originally posted by budm
                                          There should be AVDD 12V at the pins of the LVDS connector on the main board, I would probe the pins of that LVDS connector on the main board side and see.
                                          As far as the fuse, it should be labeled with F???? which is the typical designator for the fuse.
                                          I cannot see the fuse from your pictures, may be upload hi-res pictures of the whole main board top side and bottom side for us to look at.
                                          IVE tried multiple times to find F1-4\f on both MB & pdf with no successes- only found PA4150 for IC4150[tcon dc dc] on te pdf- but cant find them phsyically even with magnifier
                                          ive tried to point the prob to the MB -and didnt got any AVDD there
                                          ive tried few random pins of the TCON DCDC [IC4150] and do got few 16V INPUT[ probably directly from the PS]

                                          ive tried to read the SUB tuner pins[unused pins-maybe for LNB tuner] and ive got :
                                          steady 5v+1.8+3.3 till protection-BUT one 3.3 pin had 3.3 THEN BEEN DROPPED TO ~2.7 THEN UP TO 3.3 AGAIN then- one second later the tv turns to protection-am i found something or maybe the tuner uses pins with voltages for communicatin like LVDS?

                                          NOTE - THE 16V rail is comletely shutting down while protection so that all the mainboard [ but standby] is being disable as it works only on step down from that 16v-BUT the 12&24v PSU caps still have a steady readings
                                          i dont know what else to do (((((((((((((((((

                                          Comment

                                          Related Topics

                                          Collapse

                                          • Andre Gilbert
                                            Panasonic TC-P55ST50 8 blinks then no blinks
                                            by Andre Gilbert
                                            Hello! yes I know there is already lots of information about this issue. I have a Panasonic TC-P55ST50 that originally displayed an 8-blink error code. Following the troubleshooting flowchart, I ended up replacing the SS board. However, even after replacing it, the issue persists. The TV turns on and stays on without displaying an image, and continuity is confirmed on all connectors. What am I missing here🤔?
                                            Ok Im a mechanical engineer ...but I thought I was able to follow a rather simple flowchart for electric troubleshooting 😂.

                                            TV Model: Panasonic TC-P55ST50
                                            ...
                                            11-20-2024, 08:52 PM
                                          • osrex
                                            LED DRIVER KEEPS DYING
                                            by osrex
                                            Hello, this is my first post and im just a beginner, so be easy on me guy. thanks



                                            i have a LED chandeilier that switches colors from white to cool white to warm when toggling the switch, it has 24 LED arms, each arm is 30 CM length.



                                            i have no datasheet at all for the LED lights, all i have is its length.



                                            long story short, testing the chandelier on the ground, and it works fine for 1 - 2 - 6 hours, no problem.



                                            as soon as i fix the chandelier to the ceiling and bury the driver inside the hub,...
                                            05-05-2025, 03:36 PM
                                          • nobbnobb1
                                            Panasonic TC-P50U50 Powers Off - 8 blinks
                                            by nobbnobb1
                                            Hello,

                                            I have a Panasonic TC-P50U50 plasma TV which powers on briefly, then powers off and flashes the power light with 8 blinks. This TV is infamous for this, of which the suggestion that the SS board has failed due to loose grounding screws and requires a replacement of the following components on the SS board:

                                            2x DG302 (Q16051)
                                            2x RF2001 (D16041)
                                            2x 5.6 ohm SMD resistor
                                            1x BD8694 IC

                                            I have already gone ahead and replaced these components, as well as cleaning off the ground connections on the SS board as well as the associated...
                                            03-21-2023, 08:33 PM
                                          • howardc64
                                            Vizio E55-F1 dark backlight zones. LED failure or Dimming Zone Driver?
                                            by howardc64
                                            Problem

                                            Fixing a dimming zone TV with LEDs not lighting up. Dimming zone circuit introduces added variable to diagnose LED and/or Dimming Zone Driver board? Some 1/2 rows of LEDs appears to be out in active dimming zone off AND some brightness flickering with active dimming zone high while playing changing video



                                            Model & Board Pics



                                            Conflicting Spec

                                            Vizio indicate this TV has 10 dimming zones. However, LED strips and Zoned light driver connector suggest 12

                                            https://www.shopjimmy.com/vizio-gj-2k1...
                                            10-10-2024, 01:16 PM
                                          • BigPete
                                            Panasonic Heatpump Dryer Repair
                                            by BigPete
                                            I picked up a Panasonic NH-P70G2, though it would apply to the NH-P80G2, NH-P70G1 and NH-P80G1 models as well, as maybe some other models. This one was coming up with a H86 error. After lots of testing and googling it was an error with one of the thermistors in the condenser area.
                                            The attached French service manuals is incorrect, TH11 is gray and is a 95k thermistor and TH12 is black and is a 35k thermistor.
                                            In my case TH12 was bad. I was able to get a 35k thermistor on AliExpress. It's 6mm in diameter.
                                            Unfortunately the whole machine has to come apart to fix it.
                                            I have...
                                            11-01-2025, 06:40 PM
                                          • Loading...
                                          • No more items.
                                          Working...