Panasonic Viera TC-L32U22 no picture

Collapse
X
 
  • Time
  • Show
Clear All
new posts
  • Diah
    Badcaps Legend
    • Feb 2013
    • 6435
    • Germany

    #21
    Re: Panasonic Viera TC-L32U22 no picture

    Originally posted by dick_barton
    I'm not sure at this point but the Tcon appears looking at the manual to be an integral part of IC8001 so perhaps this has suffered from poor solder connections and is one for the oven treatment.
    yes its, but this not for oven treatment, as A Board double side. better with hot air gun

    Comment

    • pr0cess0r
      Senior Member
      • Jan 2011
      • 110

      #22
      Re: Panasonic Viera TC-L32U22 no picture

      i dont find at test point on the pcb...

      Comment

      • Diah
        Badcaps Legend
        • Feb 2013
        • 6435
        • Germany

        #23
        Re: Panasonic Viera TC-L32U22 no picture

        Originally posted by pr0cess0r
        i dont find at test point on the pcb...
        any way, its all give suspect of IC8001 go head to rebel it.

        also check if the sound it had realy 15 Volts, as it share this with LVDS
        Last edited by Diah; 03-13-2016, 09:27 AM.

        Comment

        • pr0cess0r
          Senior Member
          • Jan 2011
          • 110

          #24
          Re: Panasonic Viera TC-L32U22 no picture

          rebel?! reflow?

          Comment

          • Diah
            Badcaps Legend
            • Feb 2013
            • 6435
            • Germany

            #25
            Re: Panasonic Viera TC-L32U22 no picture

            yes lol...

            Comment

            • pr0cess0r
              Senior Member
              • Jan 2011
              • 110

              #26
              Re: Panasonic Viera TC-L32U22 no picture

              i will try it!

              Comment

              • pr0cess0r
                Senior Member
                • Jan 2011
                • 110

                #27
                Re: Panasonic Viera TC-L32U22 no picture

                afther more observation i think that the pcb got damaged by liqid. The black stamp whit the sufix code look whashed and some via have corosion ont theme.





                Attached Files

                Comment

                • Redrum
                  Member
                  • May 2015
                  • 19
                  • USA

                  #28
                  Re: Panasonic Viera TC-L32U22 no picture

                  sorry to bump this 2 1/2 year old post, but I have the exact same TV with the exact same problem - Power LED on solid, no blinking, no picture, but there is a backlight (you can see the backlight level change on input change), no picture, no sound**

                  ** I have not tested sound on all inputs, just for the hiss on the RF input.

                  Was this issue ever resolved for the unit in this thread? I thought I would ask before I button it back up and take it to electronic recycle.

                  Jim

                  Comment

                  • nomoresonys
                    Badcaps Legend
                    • Jan 2013
                    • 12274
                    • U.S.

                    #29
                    Re: Panasonic Viera TC-L32U22 no picture

                    Check if you have 12 volts on each side of the tcon fuse, may have to look closely, the fuse should be labeled starting with Fxxx.

                    Comment

                    • Redrum
                      Member
                      • May 2015
                      • 19
                      • USA

                      #30
                      Re: Panasonic Viera TC-L32U22 no picture

                      Hi,
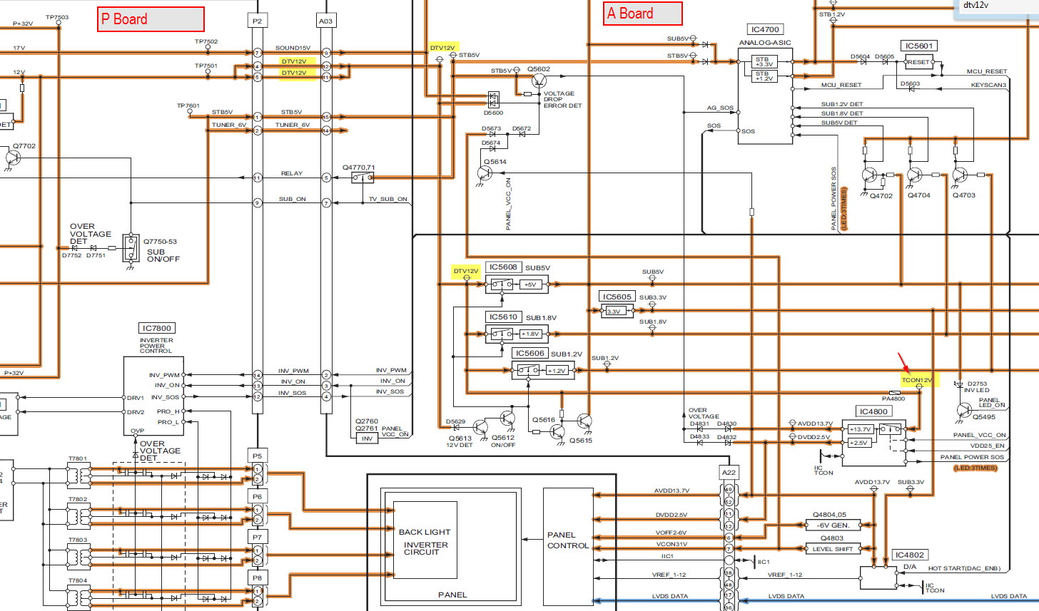
                      thanks for the tip. But, I am not finding a tcon fuse. The only fuse I see is on the line. I have attached a snapshot of the block diagram for the service manual which show tcon12v being sourced by DTV12.

                      See attachment, am I looking in the right spot? P board or A Board?

                      Jim
                      Attached Files

                      Comment

                      • nomoresonys
                        Badcaps Legend
                        • Jan 2013
                        • 12274
                        • U.S.

                        #31
                        Re: Panasonic Viera TC-L32U22 no picture

                        Not exactly sure, I'm not too familiar with the integrated tcons.

                        Comment

                        • budm
                          Badcaps Legend
                          • Feb 2010
                          • 40746
                          • USA

                          #32
                          Re: Panasonic Viera TC-L32U22 no picture

                          You should show us the pictures of the T-CON board which means you have to remove the metal frames on the LCD panel to get to that integrated T-CON.
                          Last edited by budm; 12-06-2018, 12:02 PM.
                          Never stop learning
                          Basic LCD TV and Monitor troubleshooting guides.
                          http://www.badcaps.net/forum/showthr...956#post305956

                          Voltage Regulator (LDO) testing:
                          http://www.badcaps.net/forum/showthr...999#post300999

                          Inverter testing using old CFL:
                          http://www.badcaps.net/forum/showthr...er+testing+cfl

                          Tear down pictures : Hit the ">" Show Albums and stories" on the left side
                          http://s807.photobucket.com/user/budm/library/

                          TV Factory reset codes listing:
                          http://www.badcaps.net/forum/showthread.php?t=24809

                          Comment

                          • Redrum
                            Member
                            • May 2015
                            • 19
                            • USA

                            #33
                            Re: Panasonic Viera TC-L32U22 no picture

                            thank you, please see the pictures. Is this what I am looking for? The second picture just shows the portion of the board where the ribbon from the A board connects.

                            I'll look the board over next, but if you have any guidance, that would be great

                            Jim
                            Attached Files

                            Comment

                            • budm
                              Badcaps Legend
                              • Feb 2010
                              • 40746
                              • USA

                              #34
                              Re: Panasonic Viera TC-L32U22 no picture

                              Pictures are too blur to be able to identify anything on the board.
                              https://www.badcaps.net/forum/attach...5&d=1544124298
                              The fuse looks to be to the right of that LVDS connector.
                              Never stop learning
                              Basic LCD TV and Monitor troubleshooting guides.
                              http://www.badcaps.net/forum/showthr...956#post305956

                              Voltage Regulator (LDO) testing:
                              http://www.badcaps.net/forum/showthr...999#post300999

                              Inverter testing using old CFL:
                              http://www.badcaps.net/forum/showthr...er+testing+cfl

                              Tear down pictures : Hit the ">" Show Albums and stories" on the left side
                              http://s807.photobucket.com/user/budm/library/

                              TV Factory reset codes listing:
                              http://www.badcaps.net/forum/showthread.php?t=24809

                              Comment

                              • Redrum
                                Member
                                • May 2015
                                • 19
                                • USA

                                #35
                                Re: Panasonic Viera TC-L32U22 no picture

                                ok, I originally took the pictures to say "is this where you mean?". I'll be happy to take all that are needed. Then, on trying to load them (as a jpeg) to the website it said invalid extention for png"????

                                Anyhow, here is another shot of the area. I see no fuses on the entire board, just smt components.

                                anyhow, as a reminder, solid LED on (not flashing), no picture, no sound, but I see backlight

                                Jim
                                Attached Files

                                Comment

                                • budm
                                  Badcaps Legend
                                  • Feb 2010
                                  • 40746
                                  • USA

                                  #36
                                  Re: Panasonic Viera TC-L32U22 no picture

                                  Need to zoom in to the area as marked in the picture.
                                  Attached Files
                                  Never stop learning
                                  Basic LCD TV and Monitor troubleshooting guides.
                                  http://www.badcaps.net/forum/showthr...956#post305956

                                  Voltage Regulator (LDO) testing:
                                  http://www.badcaps.net/forum/showthr...999#post300999

                                  Inverter testing using old CFL:
                                  http://www.badcaps.net/forum/showthr...er+testing+cfl

                                  Tear down pictures : Hit the ">" Show Albums and stories" on the left side
                                  http://s807.photobucket.com/user/budm/library/

                                  TV Factory reset codes listing:
                                  http://www.badcaps.net/forum/showthread.php?t=24809

                                  Comment

                                  • Redrum
                                    Member
                                    • May 2015
                                    • 19
                                    • USA

                                    #37
                                    Re: Panasonic Viera TC-L32U22 no picture

                                    thanks, this is the best I can do. I don't have a macro lens. Took this full res, then cropped in photoshop.

                                    what am I looking for?

                                    In everything I have found, this TV has a P (ps) board, an A board, and two other little boards for the input/controls and the IR. The panel seems to be treated as an assembly. If you look at the manual in one of the first posts, the block diagram represents this. In searching for parts, only the A, P, and two little boards are represented.

                                    So, I am thinking if the issue is indicative of the display control, and we can't find a smoking gun, perhaps it's time to recycle....

                                    Jim
                                    Attached Files

                                    Comment

                                    • budm
                                      Badcaps Legend
                                      • Feb 2010
                                      • 40746
                                      • USA

                                      #38
                                      Re: Panasonic Viera TC-L32U22 no picture

                                      https://www.badcaps.net/forum/attach...3&d=1544132121
                                      Check to see if you have 12V at pin 1, 2, or 5 of that LVDS connector with ref to chassis GND when TV is turned on.
                                      BTW, what is the LCD panel number as printed on the sticker?
                                      Last edited by budm; 12-06-2018, 03:43 PM.
                                      Never stop learning
                                      Basic LCD TV and Monitor troubleshooting guides.
                                      http://www.badcaps.net/forum/showthr...956#post305956

                                      Voltage Regulator (LDO) testing:
                                      http://www.badcaps.net/forum/showthr...999#post300999

                                      Inverter testing using old CFL:
                                      http://www.badcaps.net/forum/showthr...er+testing+cfl

                                      Tear down pictures : Hit the ">" Show Albums and stories" on the left side
                                      http://s807.photobucket.com/user/budm/library/

                                      TV Factory reset codes listing:
                                      http://www.badcaps.net/forum/showthread.php?t=24809

                                      Comment

                                      • Redrum
                                        Member
                                        • May 2015
                                        • 19
                                        • USA

                                        #39
                                        Re: Panasonic Viera TC-L32U22 no picture

                                        good morning,

                                        I really don't have any way of probing that fine of a pitch on the connector. There must be a test point somewhere.

                                        I have attached a picture of the label on the panel.

                                        Also, I have attached a screenshot of the block diagram to the panel (from the service manual), and two screen shots of the schematic for that 80 pin connector. perhaps if you could point me to what I am looking for, I can trace back to find a tp on the a board.

                                        I ask because I see alot of reference to 13.7v, but none specifically to 12v other than the one area in the previous post. If I am going to test and determine go/no go, I want to make sure I am testing what you are suggesting I test

                                        Thanks;
                                        Jim
                                        Attached Files

                                        Comment

                                        • budm
                                          Badcaps Legend
                                          • Feb 2010
                                          • 40746
                                          • USA

                                          #40
                                          Re: Panasonic Viera TC-L32U22 no picture

                                          https://www.badcaps.net/forum/attach...3&d=1544132121
                                          LCD panel connector VCOM Pin 2 and 3 are tied together so you can probe on the copper trace, AVDD13.7V pin 5 ~9 are also tied together and connected to r86 so your meter probe should be able to test those pins.
                                          It looks to be that this panel has many Voltage sources to feed that panel.
                                          You can always trace out the connection from the pin that goes to other places so that you can probe the Voltages.
                                          Last edited by budm; 12-07-2018, 10:30 AM.
                                          Never stop learning
                                          Basic LCD TV and Monitor troubleshooting guides.
                                          http://www.badcaps.net/forum/showthr...956#post305956

                                          Voltage Regulator (LDO) testing:
                                          http://www.badcaps.net/forum/showthr...999#post300999

                                          Inverter testing using old CFL:
                                          http://www.badcaps.net/forum/showthr...er+testing+cfl

                                          Tear down pictures : Hit the ">" Show Albums and stories" on the left side
                                          http://s807.photobucket.com/user/budm/library/

                                          TV Factory reset codes listing:
                                          http://www.badcaps.net/forum/showthread.php?t=24809

                                          Comment

                                          Related Topics

                                          Collapse

                                          • FZG
                                            Panasonic AG-1000B VHS player with bad picture quality
                                            by FZG
                                            Hello!

                                            I recently got an old VHS player from Panasonic and just for fun I want to try to repair this device. It is an AG-1000B portable VHS player from 1990 and it has a problem with picture quality in playback mode.

                                            Picture in playback mode is very noisy and often loses sync but the still images are nearly perfect.

                                            I want to know, is this something that could be solved by recapping or is the video head likely gone?

                                            Also, what mechanism is this?

                                            Any feedback is appreciated!...
                                            05-06-2024, 07:16 AM
                                          • Bazfletch3
                                            Panasonic TH-65FX800A backlight LED's working but picture is very dark
                                            by Bazfletch3
                                            Hi all

                                            While I have quite a decent background in electrical & electronic troubleshooting & repairs, this is my first time stripping down an LCD TV for repair.... I have inherited a 3yr old Panasonic LCD which has a picture, but it is quite dark (too dark to be watchable - but still quite easy to see; I didnt need a torch to see it).

                                            I started by checking and trying to adjust all of the picture and backlighting levels, but that made little to no difference. I also did a factory reset.

                                            From there I envisaged that the backlighting wasn't working, however...
                                            01-08-2024, 10:18 PM
                                          • Tr0ll
                                            T-con suspect issue. Both ribbon cables no picture. One ribbon cable ok. (58pus8545)
                                            by Tr0ll
                                            Hi guys! I realized you have a lot of knowledge here so i am hoping you could point me in right direction with my odd issue.

                                            The Tv is a Philips 58PUS8545/12, it had no picture but working backlights.

                                            Original T-con:
                                            Opened the Tv and tested to unplug one ribbon cable at a time. With this test i could see that i got fine picture on both halves as long as there was only one ribbon cable connected, with two connected picture were gone.

                                            First replacement T-con:

                                            I thought it might be t-con and ordered new t-con from china(supposedly tested)...
                                            10-07-2023, 07:48 PM
                                          • JJAAMM
                                            SAMSUNG UN55KS9000F picture fades then distorts into vertical lines after 20 seconds
                                            by JJAAMM
                                            This was my main TV for the last 6 years. I'm not inclined to throw out a $2600 TV so quickly so I'm trying to investigate the issue.

                                            Problem
                                            TV was disconnected from power for 6 months during construction. When I plugged it yesterday picture was fine, after 30 seconds it dimmed then started developing horizontal lines, picture then starts to ghost vertically until it degrades into vertical streaks. TV always displays a perfect picture when cold. I can unplug TV for 5 minutes and plug it back in and picture is restored for 20 seconds. I can also keep it in standby mode...
                                            07-06-2023, 06:01 AM
                                          • mar1in
                                            Panasonic TH-55AS670A no picture no sound
                                            by mar1in
                                            Hi everyone,

                                            I've got this Panasonic TV here with the following symptoms:

                                            * Standby Light is solid RED
                                            * Turning on using the Button on the TV (long press) would change LED to blinking GREEN
                                            * After a couple of seconds, LED is solid GREEN and without picture or sound.

                                            I've tried a couple of things before tearing it apart:

                                            * Resetting using various combinations of powerbutton and volume buttons pressing down while booting.
                                            * Activating Self Check according to service manual using IR Blaster (we have no remote unfortunately)...
                                            09-10-2023, 11:10 PM
                                          • Loading...
                                          • No more items.
                                          Working...