Panasonic TC-P46X3 14 Blink Code

Collapse
X
 
  • Time
  • Show
Clear All
new posts
  • ChrisV
    Senior Member
    • Dec 2013
    • 66
    • USA

    #1

    Panasonic TC-P46X3 14 Blink Code

    Hello again. First off, thank you for all of the valuable information that this forum makes available to anyone that is willing to do the research. I've repaired a dozen TV's since last year and am having a great time.
    Hoping for a little help with the Panasonic TV that I'm working on now.

    The TV is a 2011 TC-P46X3. It shut off by itself and won't power up.
    There is a solid red light on the front of the TV when the power button is pressed.
    When the power button is pressed again, it will give a 14 blink code
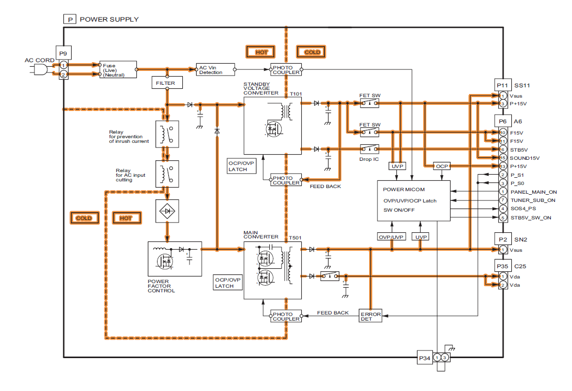
    I've come across the service manual and a schematic of the power supply board.
    A you tube video points me to a bad power supply but looking at the schematic, there is a chance that another board is bad causing a relay to drop power.
    When power is applied, there is a series of relay clicking. Looking at the schematic, I think maybe there is an error detected that is causing a relay to drop power to the main converter.
    I do have 5V standby power.
    Humbly asking for any advice that will help me avoid purchasing costly parts that I don't need.
    Attached Files
  • tw2005
    Badcaps Legend
    • Oct 2011
    • 6458
    • Australia

    #2
    Re: Panasonic TC-P46X3 14 Blink Code

    Shopjimmy video by chance? 14 blink or locked standby, i would start checking for shorted vsus on either sc board or ss

    Comment

    • ChrisV
      Senior Member
      • Dec 2013
      • 66
      • USA

      #3
      Re: Panasonic TC-P46X3 14 Blink Code

      Yes. It was a shop jimmy YouTube video. My system looks a little different. I think I have a bad board that is sending feedback to drop the power that feeds out of the power supply. I don't understand how the feedback works or how to rule out any of the other boards.

      Comment

      • tw2005
        Badcaps Legend
        • Oct 2011
        • 6458
        • Australia

        #4
        Re: Panasonic TC-P46X3 14 Blink Code

        You definitely have a bad board. most likely SC board, not A or P

        Disconnect the SC2 (power lead), if you get 7 blink instead of locked or 14 blink then SC is bad although if you have a multimeter check the SC2 connector at the Sc board and see if shorted. do not reconnect the p2 - Sc 2 lead after you power cycle the Tv, let it sit for 5 or so other wise there is 200v still there and it will arc , maybe do some damage

        Comment

        • ChrisV
          Senior Member
          • Dec 2013
          • 66
          • USA

          #5
          Re: Panasonic TC-P46X3 14 Blink Code

          Originally posted by tw2005
          You definitely have a bad board. most likely SC board, not A or P

          Disconnect the SC2 (power lead), if you get 7 blink instead of locked or 14 blink then SC is bad although if you have a multimeter check the SC2 connector at the Sc board and see if shorted. do not reconnect the p2 - Sc 2 lead after you power cycle the Tv, let it sit for 5 or so other wise there is 200v still there and it will arc , maybe do some damage
          Thank you very much for the help. Sorry if these are dumb questions but this is my first Panasonic and truthfully, I'm more of a mechanical type person.

          I'm using a page out of the service manual to identify the boards.
          The SC2 power lead.. Is this the SN board? The P2 power lead feeds this board so I'm thinking this is the one that you wanted me to check. When disconnecting this power lead, I'm still getting 14 blinks. When checking for a short across the power connector on this board it tests as an open circuit.

          I've tried the same test with the SS board and once again...14 blinks

          Thanks again for taking the time to help out a noob.
          I'm going to keep messing around with it. Anymore suggestions are greatly appreciated.
          Attached Files

          Comment

          • ChrisV
            Senior Member
            • Dec 2013
            • 66
            • USA

            #6
            Re: Panasonic TC-P46X3 14 Blink Code

            Tw2005 I've found a couple of posts that you were involved with that talk about the 14 blink code. You attached a very good service manual that I've been reading. I wish I would have found it sooner.
            This model TC-P46X3 doesn't have a Sc board. The SC, SU, and SD boards are replaced with the SN board in this tv.
            Disconnecting the SN or the SS board doesn't change anything. Still getting 14 blinks.
            Looking at slide 83 and slide 85 on the 2011 manual that you posted, points me directly to the P board.
            I'd really like you opinion before I purchase this board if you're willing to weigh in.
            Thanks again

            Comment

            • tw2005
              Badcaps Legend
              • Oct 2011
              • 6458
              • Australia

              #7
              Re: Panasonic TC-P46X3 14 Blink Code

              You may have me on this one. try disconnecting

              SN2,SN3,SS11,p35, 3 white ribbons on the A board A23,A33,A34.

              Then try and turn it on and see if still 14 blinks. They don't mention 14 blinks in the manual, stops at 13 but does not mean it can't go 14, double check the count just in case.

              same rules, let it sit don't reconnect after a power cycle especially p35.

              If still bad, leave all those off and will have to see if the F15V line is shorted or what voltages are present.

              so use to reading shorted Sc board for 14 blinks, this may be a real one.

              Comment

              • ChrisV
                Senior Member
                • Dec 2013
                • 66
                • USA

                #8
                Re: Panasonic TC-P46X3 14 Blink Code

                Ok. After removing the cables that you listed, there are no blink codes. The led lights up red when I press the power button and then turns off with no blink code when the power button is pressed again.

                Does this confirm the power supply is the problem?

                Comment

                • tw2005
                  Badcaps Legend
                  • Oct 2011
                  • 6458
                  • Australia

                  #9
                  Re: Panasonic TC-P46X3 14 Blink Code

                  Originally posted by ChrisV
                  Ok. After removing the cables that you listed, there are no blink codes. The led lights up red when I press the power button and then turns off with no blink code when the power button is pressed again.

                  Does this confirm the power supply is the problem?
                  No, I think it is pointing back to SN board. If you have a meter that can measure 220v, at the PSu do this again and back probe at the PSu either P2 or P11 and verify vsus voltage is present. If so then P and A are ok.

                  Assuming that is the case, after turning off and letting the voltages bleed down, re connect everything except leave off SN3, SN2 and Sn20.

                  power on and see if you get any blink code other than 14. may be 6,7 or 8 not sure.

                  If this happens, power off, connect SN20 and try again.

                  If 14 occurs after Sn20, then stop , if not hen let voltage drop off and then do sn2,sn3. I expect by then it should be back to 14 and that would suggest SN board.

                  If 14 comes back as soon you start connecting to the Sn then I believe it's the Sn board.

                  Comment

                  • ChrisV
                    Senior Member
                    • Dec 2013
                    • 66
                    • USA

                    #10
                    Re: Panasonic TC-P46X3 14 Blink Code

                    Thanks again for the reply. I won't be able to check it out again until tomorrow unfortunately. Been completely slammed with work.

                    Let me ask you this question if I may...
                    Reading through the manuals, this is where I'm at...

                    Pin 1 on at the P6 connector receives a 3.2v signal from the A board if everything is good to go. I do have 3.2v to Pin 1 when I press the power button. If I'm correct, this tells me that the A-board has found no faults in the other boards and has processed the signal back to the P-board to power up the panel.

                    I believe the 3.2v signal goes to the IC that sends a signal to relays to provide voltage to the 15v circuit. I'm missing the 15V but do have a good standby circuit.
                    I'm wondering if this is a bad IC on the P board.

                    Comment

                    • tw2005
                      Badcaps Legend
                      • Oct 2011
                      • 6458
                      • Australia

                      #11
                      Re: Panasonic TC-P46X3 14 Blink Code

                      Originally posted by ChrisV
                      Thanks again for the reply. I won't be able to check it out again until tomorrow unfortunately. Been completely slammed with work.

                      Let me ask you this question if I may...
                      Reading through the manuals, this is where I'm at...

                      Pin 1 on at the P6 connector receives a 3.2v signal from the A board if everything is good to go. I do have 3.2v to Pin 1 when I press the power button. If I'm correct, this tells me that the A-board has found no faults in the other boards and has processed the signal back to the P-board to power up the panel.

                      I believe the 3.2v signal goes to the IC that sends a signal to relays to provide voltage to the 15v circuit. I'm missing the 15V but do have a good standby circuit.
                      I'm wondering if this is a bad IC on the P board.
                      is the 15 v missing at that last test with no blinks?

                      I have to get going for work but the way I'm looking at this is with just the A board and p, you get no blinks, before you had 14. I'd redo that test and see if the TV is on and Vsus is at those connectors. if it is then the TV is on and the fault is elsewhere.

                      Comment

                      • ChrisV
                        Senior Member
                        • Dec 2013
                        • 66
                        • USA

                        #12
                        Re: Panasonic TC-P46X3 14 Blink Code

                        Ok. Got a chance to look at this after all. Here are my findings

                        With just the A and P board, I do have 15V. VSUS is 188V at P2 and P11 Should be 220?) No blinks

                        Isolate the SN board... No 15V, No VSUS voltage and 14 blink code continues

                        Isolate the SS board, I do have 15V and have 188V at P2 and P11. Blink code changes to 6 blinks

                        So.... Assuming that 188V is ok at P2 and P11.....Bad SS board???

                        Comment

                        • Neelix
                          Senior Member
                          • Oct 2013
                          • 145
                          • South Africa

                          #13
                          Re: Panasonic TC-P46X3 14 Blink Code

                          Strange fault. 188V sounds right for VSUS. Have you measured P5V at SC20 and SC22 yet?

                          Comment

                          • tw2005
                            Badcaps Legend
                            • Oct 2011
                            • 6458
                            • Australia

                            #14
                            Re: Panasonic TC-P46X3 14 Blink Code

                            Originally posted by ChrisV
                            Ok. Got a chance to look at this after all. Here are my findings

                            With just the A and P board, I do have 15V. VSUS is 188V at P2 and P11 Should be 220?) No blinks

                            Isolate the SN board... No 15V, No VSUS voltage and 14 blink code continues

                            Isolate the SS board, I do have 15V and have 188V at P2 and P11. Blink code changes to 6 blinks

                            So.... Assuming that 188V is ok at P2 and P11.....Bad SS board???
                            I would have thought vsus would be over 200v but we'll ignore that at the moment. Bad SS? could be. isolate the SS , If you can test SS11 for resistance and / or for short cct / low resistance. A dead short on Vsus can do this although more common for the SC but shorted at the SS would do the same I suspect.

                            Don't run it with just SS11 removed just in case something on the SS is bad since SS3 connects to the SN board and may blow something on the SN. Just check resistance SS11 , vsus - gnd and 15v to gnd.

                            you did originally say
                            "I've tried the same test with the SS board and once again...14 blinks"

                            "Disconnecting the SN or the SS board doesn't change anything. Still getting 14 blinks. "

                            So it would be handy to understand what was different this time?
                            Attached Files
                            Last edited by tw2005; 01-15-2015, 02:15 AM.

                            Comment

                            • tw2005
                              Badcaps Legend
                              • Oct 2011
                              • 6458
                              • Australia

                              #15
                              Re: Panasonic TC-P46X3 14 Blink Code

                              Originally posted by ChrisV
                              Ok. Got a chance to look at this after all. Here are my findings

                              With just the A and P board, I do have 15V. VSUS is 188V at P2 and P11 Should be 220?) No blinks

                              Isolate the SN board... No 15V, No VSUS voltage and 14 blink code continues

                              Isolate the SS board, I do have 15V and have 188V at P2 and P11. Blink code changes to 6 blinks

                              So.... Assuming that 188V is ok at P2 and P11.....Bad SS board???
                              Originally posted by Neelix
                              Strange fault. 188V sounds right for VSUS. Have you measured P5V at SC20 and SC22 yet?
                              confirmed. Vsus LO 189, high 196, pg62 in service manual

                              Comment

                              • ChrisV
                                Senior Member
                                • Dec 2013
                                • 66
                                • USA

                                #16
                                Re: Panasonic TC-P46X3 14 Blink Code

                                Let me recheck this when I get home tonight. Reading through this, I may have an error in the way I reported the findings.

                                Either way, safe to say we've ruled out the A and P boards. I probably would have bought a P board without your help. Thanks again.

                                I'll get back to you later today with better details.

                                Comment

                                • ChrisV
                                  Senior Member
                                  • Dec 2013
                                  • 66
                                  • USA

                                  #17
                                  Re: Panasonic TC-P46X3 14 Blink Code

                                  I've retested and here are the results

                                  * Removed cables SN2, SN3,SS11,P35,A23,A33,A34 - No blinks, 15V and VSUS is 188.2V

                                  * Removed cables SN3, SN2, SN20. Everything else plugged in - 14 blinks, No VSUS and no 15V

                                  * With just SS3 & SS11 removed - There is voltage to VSUS and 15V is present but after 30 seconds or so, the relay clicks and voltage drops out. There is a few sparkles on the screen. After the voltage drops, an 8 blink code begins.

                                  * Check resistance SS11 , vsus - gnd and 15v to gnd. - .4ohms. Didn't detect a short at either point

                                  Originally posted by tw2005
                                  So it would be handy to understand what was different this time?
                                  Original test was done by removing just the power leads, P2 and then P11. Last testing was done by completely isolating the board.

                                  Originally posted by tw2005
                                  Don't run it with just SS11 removed just in case something on the SS is bad since SS3 connects to the SN board and may blow something on the SN.
                                  Original test was done with just P11 removed. Hope I didn't damage the SN board

                                  Comment

                                  • ChrisV
                                    Senior Member
                                    • Dec 2013
                                    • 66
                                    • USA

                                    #18
                                    Re: Panasonic TC-P46X3 14 Blink Code

                                    Originally posted by Neelix
                                    Strange fault. 188V sounds right for VSUS. Have you measured P5V at SC20 and SC22 yet?
                                    This is the X series TV. The SC, SU and SD boards are replaced with a single "SN" board.

                                    Not sure if the SN board has the same 5V and 15V test points as the SC boards on the other models.

                                    Comment

                                    • ChrisV
                                      Senior Member
                                      • Dec 2013
                                      • 66
                                      • USA

                                      #19
                                      Re: Panasonic TC-P46X3 14 Blink Code

                                      Originally posted by ChrisV
                                      I've retested and here are the results

                                      * Removed cables SN3, SN2, SN20. Everything else plugged in - 14 blinks, No VSUS and no 15V
                                      Just a little clarification on this one

                                      Here is the sequence that the system goes through as it goes to the 14 blink code

                                      1. Plug in the TV. There is a series of relay clicks. Led on the front of the TV is solid red (locked mode)

                                      2. Press power button - Unresponsive

                                      3. Hold power button for 5 seconds - 14 blink code begins and repeats itself

                                      Comment

                                      • Neelix
                                        Senior Member
                                        • Oct 2013
                                        • 145
                                        • South Africa

                                        #20
                                        Re: Panasonic TC-P46X3 14 Blink Code

                                        Originally posted by ChrisV

                                        * Check resistance SS11 , vsus - gnd and 15v to gnd. - .4ohms. Didn't detect a short at either point
                                        You're saying that you're getting a resistance of 0.4ohms when measuring between VSUS - GND and between P15V - GND, but can't detect a short. That does not make sense because if you're measuring those resistance, then there is a short

                                        Comment

                                        Related Topics

                                        Collapse

                                        • Tynan Dill
                                          Vizio e601i-A3 - Has Sound and Display, But No Backlight - Bad Power Supply Board or Bad LED Bulbs ?
                                          by Tynan Dill
                                          I was given this TV from my great uncle. He said it just wouldn't turn on one day out of nowhere, replaced the TV, and gave it to me to possibly fix and use for myself.

                                          Upon bringing it home and plugging it up, it showed a standby light.

                                          I powered it on and without a flashlight, the display showed the "V" but the lighting is very dim, but visible.

                                          The screen seems to blackout and stay black, but with a flashlight I can see the display.

                                          With my Playstation 4 connected via HDMI, and running a game I can hear sound.

                                          Assuming...
                                          11-22-2024, 01:46 PM
                                        • PantherDave
                                          Microsoft Surface Pro (5th gen) model 1796 - no power
                                          by PantherDave
                                          Hi all!

                                          I'm trying to troubleshoot a Microsoft Surface Pro (5th gen) model 1796 that won't power on. Motherboard model is M1007506-015. My priority is retrieving data, but the SSD is integrated so it looks like if I can't repair it it'll need to go to a data recovery company. I've done a little basic board repair before, but nothing this advanced until now. So please forgive my ignorance in advance. 😅

                                          I found the boardview for this laptop in the forums here, and am able to open it on my PC with FlexBV.
                                          https://www.badcaps.net/forum/troubl...-hardware-devi...
                                          05-29-2024, 02:01 PM
                                        • GLISIT
                                          Asus Probook P5440UF-XB74 power issue
                                          by GLISIT
                                          Hi all,

                                          TL;DR - this laptop is driving me nuts with the oddball power-related behaviors. Appreciate any insight you can provide!


                                          I'm experiencing a power issue on an Asus Probook P5440UF-XB74. Although I've worked with electronics and computers for decades, this is my first attempt at getting into motherboard-level component troubleshooting. Any help the community can provide is greatly appreciated!

                                          A few weeks ago I was using the laptop (on battery power) for a Zoom meeting. The battery was running very low (long meeting) but I wasn't worried about...
                                          01-16-2025, 02:29 PM
                                        • sam_sam_sam
                                          Mitsubishi CNC switching power supply board dead / relay board bad diode failure
                                          by sam_sam_sam
                                          I was working on this CNC machine today found no keyboard functioning no control relay powering on
                                          The screen powered on and was giving an operation error but the manual was not very clear about what the error exactly was but with a little bit of troubleshooting and finding out that the control relays not powering on and no keyboard functions we narrowed down to this one switching power supply which of course does not have any indicator LED light they are on the keyboard interface/relay controller board

                                          Found shorted diodes on main controller relays there are 3 of them that...
                                          01-07-2023, 05:43 PM
                                        • valvashon
                                          Repair Success! Middle Atlantic UPS2200R-IP
                                          by valvashon
                                          Yesterday I successfully repaired a Middle Atlantic UPS2200R-IP that had inadvertently been used as a surge suppressor at our transmitter site. It has already been replaced with an updated one but it's coming home with me now instead of being e-cycled. To be specific, this is the MA model that has the blue backlit display and has been discontinued, although this design may have been used in many UPS units including the smaller Middle Atlantic ones in this series.



                                          Here's what happened: We experienced a brownout/surge at the site, which damaged the UPS and took our broadcasting...
                                          02-06-2024, 12:54 PM
                                        • Loading...
                                        • No more items.
                                        Working...