Hello to everyone, and first of all sorry for my English, I'm new here and mostly all the TV's that I had repaired was due to bad capacitors, but this one It's different
Well, I think I almost read all the post related to the Sharp Aquos, but there are slight differences to my TV and I'm a bit confused, diferent type of power supply, different pins names, ….etc.....
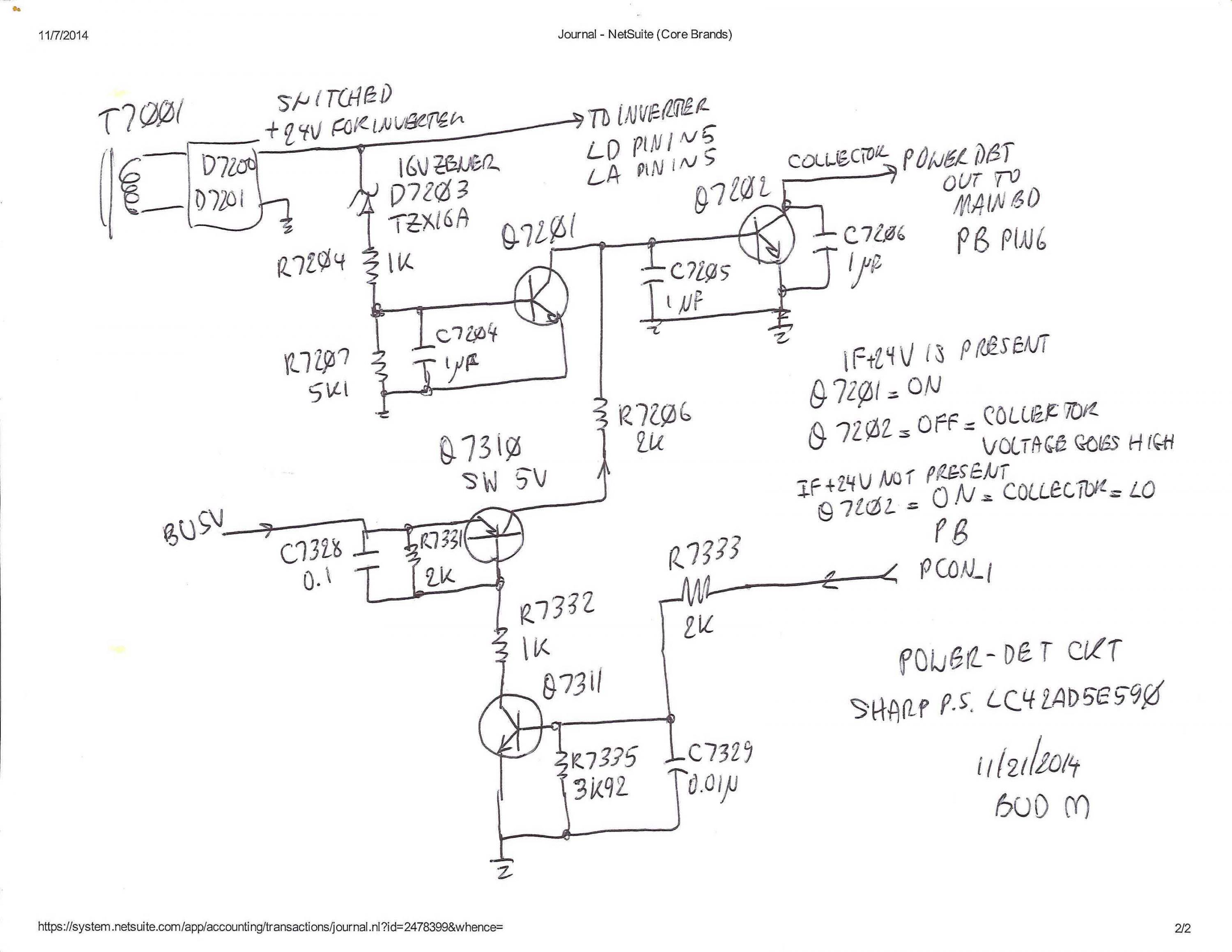
I'm using this manual LC-42AD5E/RU/S from elektrotanya, here the link: http://elektrotanya.com/sharp_lc-42a.../download.html , It seems exactly the same for my tv except for the IR board, that has differnet number of pins.
Well, let's move to the problem:
The TV is totally dead ( no standby/no power)
Here is what I tested (No changes when I press the power on/off switch in all readings):
POWER SUPPLY READINGS
Main capacitor: 319V
PA conector:
BU5V: 5.056V
UR5V: 5.057V
UR13V: 0V
UR35V: First 18V and go down
PB conector:
PCON1: 0V
PCON2: 0V
INV_ON: OV
INV_BRT: 0V
POWER_DET: First 0.3V and go down
FAN_ERR: 0.062V
LCD_POW: 0.066V
SEL: 0V
LA conector:
INV24V: 0V
INV_ON: 0V
INV_BRT: 0V
SEL: 0V
LD conector:
INV24V: 0V
MAIN BOARD READINGS (Digital board disconected) :
BU1.8V : 1.8V
BU3.3V: 3.3V
BU+5V: 5V
+3.3V: 0.012V
P+35: 0V
S+8V: 0V
BU+12V: 0V
Well so it seems to me that is a problem with the Main board. So I have some questions to keep trobleshooting:
How can I send the on signal to the main board to check the inverter?
Should I use 5V or 3.3V voltages to short the signal to ground and start the inverter?
What pins should I use? INV_ON, PCON1,PCON2 ?.........
There is a troubleshooting guide in the service manual, It says that the condenser C7800 has to be charged to 400V (mine 319 V).I jumped some steps due I find de 5V output.
So.......What do you think? Should I go step by step cheking all the trobleshoooting diagram says?
Do you have any advise to look for?
Can you guide me?
Thanks a lot.
P.D. I forgotten my camera with the pictures for the tv, tomorrow I should uploaded it, If you need more info please tell me.
Well, I think I almost read all the post related to the Sharp Aquos, but there are slight differences to my TV and I'm a bit confused, diferent type of power supply, different pins names, ….etc.....
I'm using this manual LC-42AD5E/RU/S from elektrotanya, here the link: http://elektrotanya.com/sharp_lc-42a.../download.html , It seems exactly the same for my tv except for the IR board, that has differnet number of pins.
Well, let's move to the problem:
The TV is totally dead ( no standby/no power)
Here is what I tested (No changes when I press the power on/off switch in all readings):
POWER SUPPLY READINGS
Main capacitor: 319V
PA conector:
BU5V: 5.056V
UR5V: 5.057V
UR13V: 0V
UR35V: First 18V and go down
PB conector:
PCON1: 0V
PCON2: 0V
INV_ON: OV
INV_BRT: 0V
POWER_DET: First 0.3V and go down
FAN_ERR: 0.062V
LCD_POW: 0.066V
SEL: 0V
LA conector:
INV24V: 0V
INV_ON: 0V
INV_BRT: 0V
SEL: 0V
LD conector:
INV24V: 0V
MAIN BOARD READINGS (Digital board disconected) :
BU1.8V : 1.8V
BU3.3V: 3.3V
BU+5V: 5V
+3.3V: 0.012V
P+35: 0V
S+8V: 0V
BU+12V: 0V
Well so it seems to me that is a problem with the Main board. So I have some questions to keep trobleshooting:
How can I send the on signal to the main board to check the inverter?
Should I use 5V or 3.3V voltages to short the signal to ground and start the inverter?
What pins should I use? INV_ON, PCON1,PCON2 ?.........
There is a troubleshooting guide in the service manual, It says that the condenser C7800 has to be charged to 400V (mine 319 V).I jumped some steps due I find de 5V output.
So.......What do you think? Should I go step by step cheking all the trobleshoooting diagram says?
Do you have any advise to look for?
Can you guide me?
Thanks a lot.
P.D. I forgotten my camera with the pictures for the tv, tomorrow I should uploaded it, If you need more info please tell me.




Comment