SHARP LC-42sb45u powering on and off

Collapse
X
 
  • Time
  • Show
Clear All
new posts
  • capcom
    Member
    • Dec 2013
    • 12
    • USA

    #1

    SHARP LC-42sb45u powering on and off

    This set is a black friday special (go figure its giving me problems)
    A few days ago it started turning itself on and off, I would reset the cable box and it would be fine that night. Then I would wake up to hear the TV on. I took the back panel off and everything looks good. Next step is buying a meter to test some caps. I know this is a common problem, I'll try and get some hi-res pics up today because I have no idea what i'm looking for except obvious bulging caps. All the caps in this thing are capXom. Thanks for looking!
  • mmartell
    Badcaps Legend
    • Oct 2013
    • 3189
    • Canada

    #2
    Re: SHARP LC-42sb45u powering on and off

    This past Black Friday ? You took the back of a brand new tv that's under warranty ?

    Comment

    • capcom
      Member
      • Dec 2013
      • 12
      • USA

      #3
      Re: SHARP LC-42sb45u powering on and off

      No no from 3 yrs ago. :-/

      Comment

      • mmartell
        Badcaps Legend
        • Oct 2013
        • 3189
        • Canada

        #4
        Re: SHARP LC-42sb45u powering on and off

        Haha that's better then...

        Maybe a cold solder joint causing intermittent connection as well.

        Comment

        • capcom
          Member
          • Dec 2013
          • 12
          • USA

          #5
          Re: SHARP LC-42sb45u powering on and off

          Heres some hi res pics.
          Attached Files

          Comment

          • capcom
            Member
            • Dec 2013
            • 12
            • USA

            #6
            Re: SHARP LC-42sb45u powering on and off

            what are the blue markings on the PCB? Is HQ902 an obvious Cold Solder Joint?

            Comment

            • capcom
              Member
              • Dec 2013
              • 12
              • USA

              #7
              Re: SHARP LC-42sb45u powering on and off

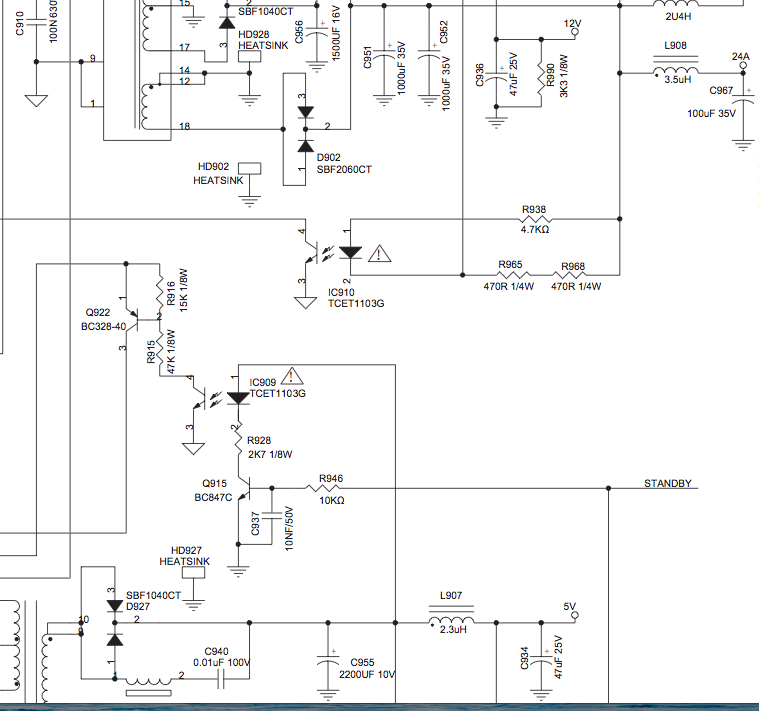
              I finally bought a MM and I tested the 4 big caps out of circuit and they are all reading at their stated values. Did some testing on the pins and the 5v standby by is reading 4.48v when the set if off, and 5.19v when set is on. The two blue wires which are 12v are reading 12.25v when on.

              Most of the caps on this psu are capxon, thinking about changing atleast the 4 bigger one.

              I read through this thread: https://www.badcaps.net/forum/showthread.php?t=18894

              My standby voltage is the same >5v , Since this set is powering on and runs for a period of time before turning itself on/off, i'm not sure if all the testing done in that thread apply to me. Thanks for any insight.
              Last edited by capcom; 05-07-2014, 06:51 AM.

              Comment

              • capcom
                Member
                • Dec 2013
                • 12
                • USA

                #8
                Re: SHARP LC-42sb45u powering on and off

                I just got back from a local electronics store and picked up some caps to replace the 4 bigger caps. This is the best I could do for a fit because of the very limited stock there.

                C952 : CapXon 680uf 50v replacing with NTE 1000uf 50v
                C951 : CapXon 680uf 50v replacing with NTE 1000uf 50v
                C956 : CapXon 1000uf 25v replacing with Jackcon 1000uf 25v
                C955 : CapXon 2700uf 16v replacing with Jackcon 3300uf 16v

                Odd thing to me is that The Service Manual shows caps that are different than what are actually on the board. I'm a total newbie to this, so I dont know if this is common but heres a screen shot.
                Attached Files

                Comment

                • capcom
                  Member
                  • Dec 2013
                  • 12
                  • USA

                  #9
                  Re: SHARP LC-42sb45u powering on and off

                  Ok, so I just did more research and realized there needs to be more effort put in to finding replacement caps. Turns out all the caps I bought are General Purpose, and I need to match the impedance,ripple and uf to a T if I can. Luckily I'm only out $7.50.

                  Can someone suggest if I should match the replacement caps with the ones that were taken off the board or with the values shown on the Power Schematic?

                  Comment

                  • capcom
                    Member
                    • Dec 2013
                    • 12
                    • USA

                    #10
                    Re: SHARP LC-42sb45u powering on and off

                    I replaced 5 caps and I think I may have fixed the powering on and off problem. But now the Tv menu keeps flashing on and off by itself. Has anyone head of such a thing?

                    thanksyou in advance

                    Comment

                    • f67bird
                      Technician
                      • Apr 2007
                      • 57
                      • USA

                      #11
                      Re: SHARP LC-42sb45u powering on and off

                      The board with the switches (power, volume, channel, menu) can be unplugged, letting you control the tv with the remote. Try unplugging that board and see if the menu still comes up on its own. If the menu now does not come up on its own, one of the switches is leaky or bad.
                      If the menu still does come up by itself, the main board is most likely bad... double check all power supply voltages to the main board just to be sure they are correct. Also you can check sharps website to see if there is firmware for this model that addresses this issue.
                      Learner

                      Comment

                      Related Topics

                      Collapse

                      • vizi0n
                        Sharp LC-65N7004U / 65A6100M not powering on
                        by vizi0n
                        Hello Badcappers,

                        I have this tv that does not turn on. There are 2 model numbers on it : LC-65N7004U and 65A6100M.

                        When powering on the tv, the Sharp logo briefly appears with a dim S, and the tv turns off. While the Sharp logo is on the screen, the power light will blink 6 times (the last blink being very very quick).

                        I suspect a bad LED driver, or bad LED(s). Do you have any suggestion on how to troubleshoot this ? I have ordered a LED tester and should be getting it next week

                        Here is a link to a video showing what happens:
                        https:/...
                        01-06-2023, 01:22 PM
                      • advant
                        Driving a Sharp TCON/panel with a universal main board
                        by advant
                        This thread is about trying to get an Universal Main Board to work with a Sharp TCON and panel.

                        I have a Sharp LC-46D85UN TV that has had a main board issue. Since this model is from 2009, I am not able to find an exact replacement of the main board. Instead, I decided to see if I can future proof this tv by getting a Universal Main Board (T53U21.2) from China to work with the Sharp TCON (CPWBX4291TPZA) and panel. The universal main board supports a 8 bit dual channel LVDS interface whereas the TCON requires a 10 bit dual channel LVDS input. I have modded the LVDS connector to match...
                        02-03-2020, 12:25 AM
                      • sefoster
                        Sharp Aquos Lc-80LE757U flashing Sharp on screen when plugged in
                        by sefoster
                        I have a Sharp Aquos LC-80LE757U that randomly made a loud popping noise when when watching TV one day. We found that the fuse blew and the thermistor. We ended up replacing the entire power supply board and have also replaced the TCON board. Now as soon as I plug the TV in it lights up and has the Sharp logo flashing on and off of the screen. If I unplug the ribbon cable from the TCON board to the main board I get the 2 long 5 short error code. Any ideas on where to go from here? We've tried resetting it but nothing has worked. If we plug it in and let it cycle through the flashing of the Sharp...
                        11-20-2022, 09:29 AM
                      • gavenb
                        Sharp LC-80LE661U 80 inch
                        by gavenb
                        Hi folks!
                        I have a LC-80LE661U that had some interesting issues.
                        Initially, it would come on and show the sharp logo and would show normal static before shutting off.

                        I started troubleshooting by disconnecting the led lighting strips and turning it on. It would do the same thing - come on, show the sharp logo and shut off. After reading, it was suggested to replace the main board. That was replaced and the same symptoms resulted. After this and some reading, the parts cannon got loaded up. I replaced the power board, same issue. Replaced the Tcon board and now it...
                        11-12-2023, 02:05 PM
                      • SONY_E-WASTER
                        Help! Sharp LC-70UE30U 3 long flashes + 3 short flashes.
                        by SONY_E-WASTER
                        Hello, I'm new to this forum. I like to tinker with Sony electronics, I have been lucky trouble shooting sony stuff, But I can't find much info on this Sharp TV.

                        The problem; plug to power>white led power indicator light is on>it turns on to the red Sharp logo>
                        then the android logo is displayed, lit fine then the android logo brightness varies, then lit normal, then the tv restarts and does the same startup logos over and over for 5 times then it turns off and the power indicator light flashes the trouble code 3 long blinks plus 3 short blinks .

                        does...
                        12-26-2021, 05:46 PM
                      • Loading...
                      • No more items.
                      Working...