Panasonic TC-P50G10 10 blink code

Collapse
X
 
  • Time
  • Show
Clear All
new posts
  • kevinm34232
    Badcaps Legend
    • May 2012
    • 1884
    • USA

    #21
    Re: Panasonic TC-P50G10 10 blink code

    Tom we gonna be able to dig into this board? Are the odds the fault is in this board? I see someone on ebay rebuilds them I wonder what goes bad?

    Comment

    • tom66
      EVs Rule
      • Apr 2011
      • 32560
      • UK

      #22
      Re: Panasonic TC-P50G10 10 blink code

      I've got a 2.5hr exam tomorrow. I'll talk tomorrow if I've got some free time, but right now I'm focusing on getting a good night's sleep. In the meantime, I suggest you brush up on your schematic knowledge and trace where the individual signals are going. The LOW signals (<1V) are definitely bad. Find SUB9V, SUB5V etc on the schematic. Check those test points for 9V & 5V, and any others. If you hit a DC-DC converter or LDO, check the input voltages, enable signals, diodes, FETs, etc. You will likely find the MICOM turns one supply on after another and tests each until there is a failure (or it passes) and in which case only one supply is bad, it just hasn't turned on the rest yet. In which case, a high ENABLE signal on that particular supply but no output would be indicative of a fault with that particular portion.
      Please do not PM me with questions! Questions via PM will not be answered. Post on the forums instead!
      For service manual, schematic, boardview (board view), datasheet, cad - use our search.

      Comment

      • kevinm34232
        Badcaps Legend
        • May 2012
        • 1884
        • USA

        #23
        Re: Panasonic TC-P50G10 10 blink code

        Ok will do my best good luck on your exam

        Comment

        • kevinm34232
          Badcaps Legend
          • May 2012
          • 1884
          • USA

          #24
          Re: Panasonic TC-P50G10 10 blink code

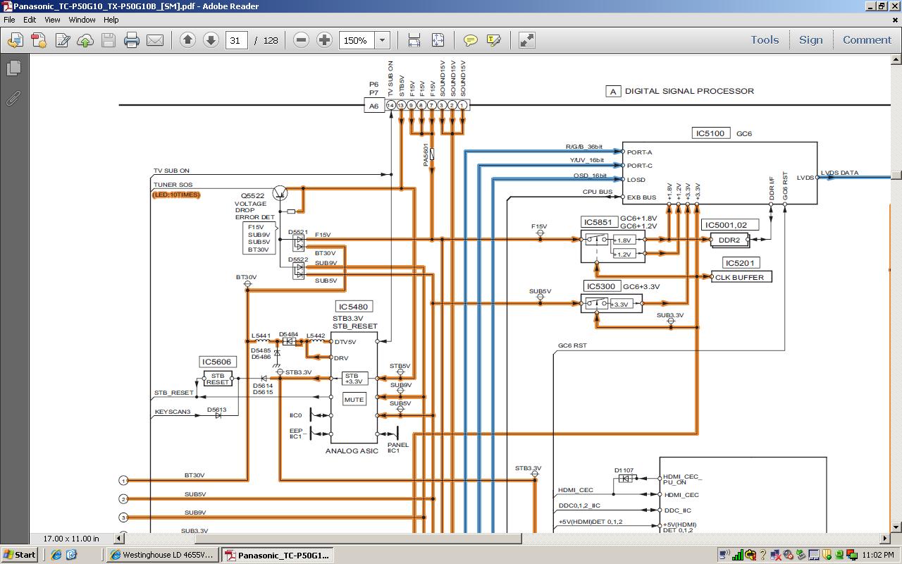
          Well Tom finding this page helps I was studying the actual schematic, any tips on isolating the faulty line I haven't had a chance to check anything yet, I am intending on making sure the F15V is present from PS board first then going from there, but those other lines go in a hundred directions Id like to isolate which one it is but I think Im gonna have to pull some components to do so..
          Attached Files

          Comment

          • tom66
            EVs Rule
            • Apr 2011
            • 32560
            • UK

            #25
            Re: Panasonic TC-P50G10 10 blink code

            You just need to find the 5V, 9V, etc. SMPS on the A board, do you know what to look for?

            This is a buck converter.
            http://www.maximintegrated.com/image...DI120Fig01.gif

            Sometimes the bottom diode is replaced with another FET. Part # of controller IC can vary.
            Please do not PM me with questions! Questions via PM will not be answered. Post on the forums instead!
            For service manual, schematic, boardview (board view), datasheet, cad - use our search.

            Comment

            • kevinm34232
              Badcaps Legend
              • May 2012
              • 1884
              • USA

              #26
              Re: Panasonic TC-P50G10 10 blink code

              D5573 shows shorted in circuit as does C5420, what's the best way to isolate, they are VERY small components??
              Attached Files

              Comment

              • tom66
                EVs Rule
                • Apr 2011
                • 32560
                • UK

                #27
                Re: Panasonic TC-P50G10 10 blink code

                I would remove the diode, see if SUB9V rises, if not, replace it (you can move it so that it is soldered on only one pad), then repeat the same with the capacitor. Maybe the regulator IC has an output-ground short?
                Please do not PM me with questions! Questions via PM will not be answered. Post on the forums instead!
                For service manual, schematic, boardview (board view), datasheet, cad - use our search.

                Comment

                • tw2005
                  Badcaps Legend
                  • Oct 2011
                  • 6458
                  • Australia

                  #28
                  Re: Panasonic TC-P50G10 10 blink code

                  Maybe remove IC5401 BA178M09FP-E2, and check out of cct if gnd-out is also short as it's the same measuring point as the cap and the zener.

                  Similar cct design and 10 blink, resolved with A board, in this post, don't know if the fault finding will help any? the zener is mentioned .

                  https://www.badcaps.net/forum/showth...t=21115&page=3

                  Comment

                  • kevinm34232
                    Badcaps Legend
                    • May 2012
                    • 1884
                    • USA

                    #29
                    Re: Panasonic TC-P50G10 10 blink code

                    I thought I found the problem but after removing the diode, cap and IC one at a time, none are shorted out of circuit and the short remains between ground and output pads of IC. The diodes 5521 and 5522 test good. I tested input and was getting about 14.5v but no output.

                    Does that mean short is further down the SUB9V line?
                    Attached Files
                    Last edited by kevinm34232; 05-20-2013, 11:07 AM.

                    Comment

                    • tom66
                      EVs Rule
                      • Apr 2011
                      • 32560
                      • UK

                      #30
                      Re: Panasonic TC-P50G10 10 blink code

                      Probably.
                      If you have a current limited power supply and a can of freeze spray you can warm up the failed component and this will be visible in the freeze spray.

                      Set the current limited power supply to 50~100mA, or use an 82 to 220 ohm resistor in series with a 9V power supply.
                      Please do not PM me with questions! Questions via PM will not be answered. Post on the forums instead!
                      For service manual, schematic, boardview (board view), datasheet, cad - use our search.

                      Comment

                      • kevinm34232
                        Badcaps Legend
                        • May 2012
                        • 1884
                        • USA

                        #31
                        Re: Panasonic TC-P50G10 10 blink code

                        Thats a great idea. I dont have a power supply but can I do this with a 9V battery? Can you make a quick diagram to show me how it would be wired? Use some ground point on the main board and inject the + at the output leg of that IC above? Thanks!

                        Comment

                        • tom66
                          EVs Rule
                          • Apr 2011
                          • 32560
                          • UK

                          #32
                          Re: Panasonic TC-P50G10 10 blink code

                          Yes, a 9V battery should be fine, but you MUST use the 100 ohm resistor, and the resistor will get hot, so I recommend using a 2 or 3W resistor. As far as explanations go, the TV should be off, the negative of the battery can go to the chassis or any good ground, and the positive goes through the 100 ohm resistor to SUB9V. Limit time to 10 seconds maximum every 30 seconds to avoid damaging anything.
                          Please do not PM me with questions! Questions via PM will not be answered. Post on the forums instead!
                          For service manual, schematic, boardview (board view), datasheet, cad - use our search.

                          Comment

                          • kevinm34232
                            Badcaps Legend
                            • May 2012
                            • 1884
                            • USA

                            #33
                            Re: Panasonic TC-P50G10 10 blink code

                            OK I had to go to Radio Shack for the resistor, my choices there were 100 ohm 1 Watt and 100 Ohm 10 Watt (cement type) so I picked up a few of each, which one would be better?
                            Last edited by kevinm34232; 05-20-2013, 01:25 PM.

                            Comment

                            • tom66
                              EVs Rule
                              • Apr 2011
                              • 32560
                              • UK

                              #34
                              Re: Panasonic TC-P50G10 10 blink code

                              100 ohm 10 watt, as long as the leads are axial (on different ends.) If not, four 100 ohm 1W can be made into a 100 ohm 4W.
                              Please do not PM me with questions! Questions via PM will not be answered. Post on the forums instead!
                              For service manual, schematic, boardview (board view), datasheet, cad - use our search.

                              Comment

                              • kevinm34232
                                Badcaps Legend
                                • May 2012
                                • 1884
                                • USA

                                #35
                                Re: Panasonic TC-P50G10 10 blink code

                                Didn't have much luck with this technique, I went thru 1 1/2 cans of freeze spray, everything defrosts so quick here in FL! But nothing got noticeably hot unfortunately. Maybe one of the ICs under heatsink?
                                Attached Files

                                Comment

                                • tom66
                                  EVs Rule
                                  • Apr 2011
                                  • 32560
                                  • UK

                                  #36
                                  Re: Panasonic TC-P50G10 10 blink code

                                  Is your battery fresh?
                                  Please do not PM me with questions! Questions via PM will not be answered. Post on the forums instead!
                                  For service manual, schematic, boardview (board view), datasheet, cad - use our search.

                                  Comment

                                  • kevinm34232
                                    Badcaps Legend
                                    • May 2012
                                    • 1884
                                    • USA

                                    #37
                                    Re: Panasonic TC-P50G10 10 blink code

                                    Yes it was unused and had 9V. Wonder if I should put the board in the freezer for like 20 mins first to give the freeze spray a head start, it just doesn't stay frosty for more than a few seconds...?

                                    Comment

                                    • tom66
                                      EVs Rule
                                      • Apr 2011
                                      • 32560
                                      • UK

                                      #38
                                      Re: Panasonic TC-P50G10 10 blink code

                                      Maybe. I've had no problem with freeze spray staying frosty for 5 minutes+.
                                      Please do not PM me with questions! Questions via PM will not be answered. Post on the forums instead!
                                      For service manual, schematic, boardview (board view), datasheet, cad - use our search.

                                      Comment

                                      • kevinm34232
                                        Badcaps Legend
                                        • May 2012
                                        • 1884
                                        • USA

                                        #39
                                        Re: Panasonic TC-P50G10 10 blink code

                                        How long are you spraying for? Are you spraying the whole board at once? Cans dont last long and cost like $15.

                                        Comment

                                        • tom66
                                          EVs Rule
                                          • Apr 2011
                                          • 32560
                                          • UK

                                          #40
                                          Re: Panasonic TC-P50G10 10 blink code

                                          Cans here cost £1 for 200ml, so I can afford to liberally use the stuff. Then again, I am using canned air, not freeze spray, when upside down it does nearly the same thing. Maybe better because it stays frosty for longer.
                                          Please do not PM me with questions! Questions via PM will not be answered. Post on the forums instead!
                                          For service manual, schematic, boardview (board view), datasheet, cad - use our search.

                                          Comment

                                          Related Topics

                                          Collapse

                                          • cloo
                                            Panasonic ZT60 plasma tv with strange behavior and 8 blink code
                                            by cloo
                                            I recently got my hands on a 60" Panasonic P60ZT60 plasma tv (european model) that has some strange issues along with an 8 blink code.
                                            It know this tv is getting old but it was once considered one of the best plasmas ever made, and i think it is still holds on to that even by todays standards.


                                            So, long story short. When i first got the tv it had a very bright washed out picture with very raised blacks in all picture modes and i couldn't find the cause in the picture setting menus.
                                            After doing a factory reset this problem was gone and the picture was back to...
                                            01-06-2025, 06:02 AM
                                          • rmacintosh
                                            Panasonic Plasma repair - TH-P60GT50 - Dead, 3 blink code
                                            by rmacintosh
                                            I aquired this Panasonic 60" plasma around the time my first child was born. It was meant to be a project tv, hoping to fix it chipping away at the repair in my free time. Well that was 2 years ago and i'm really just getting around to making a sincere effort to see if I can ressurect this beast.



                                            The symptoms of the tv ar as follows:
                                            • Plug AC in to back of TV
                                            • After about 2 seconds the relay on the P-sub board will click on and then a fraction of a second later it clicks back off
                                            • The 3 blink code is given by the power LED
                                            • If the TV is unplugged and then
                                            ...
                                            03-14-2020, 12:24 AM
                                          • LongLiveMyPlasma
                                            Panasonic TC-P42ST30: Repair for 14 blink code
                                            by LongLiveMyPlasma
                                            My beloved Panasonic TC-P42ST30 has been stricken with the 14 blink code.

                                            I've spent many hours reading through forums, watching YouTube videos and reading the Panasonic plasma troubleshooting guide. But I'm a novice at this, and still need some help to cross the finish line.

                                            I understand the Panasonic troubleshooting guide suggests that the 14 blink code usually means there's a problem with either P-board or A-board. However, I also learned the problem frequently rests with the SN-board.

                                            Using my multi-meter, I was able to confirm the P-11 pin on the...
                                            05-18-2020, 10:48 AM
                                          • orbit417
                                            Panasonic Plasma tc-p55vt50 6 blink error code
                                            by orbit417
                                            Hi All,

                                            Thank you in advance for your advice.

                                            I have a Panasonic Plasma tc-p55vt50 that's about 9 years old and has just recently stopped working :-(

                                            I noticed that when I turn the tv on I hear a click then screen comes on for like half a second then shuts off and the led blinks 6 times.
                                            I did some googling and found several video's on trouble shooting all sorts of blink codes. I finally came across one that showed 6 blink error code but for a different model. It recommended disconnecting the SC board to determine if it was the A board or power...
                                            04-14-2021, 09:11 AM
                                          • Document Archive
                                            LCD LED TV Service Menu Codes
                                            by Document Archive
                                            ALL LCD LED TV SERVICE MENU CODES

                                            Service Menu Code with Board Name

                                            China Universal Board / Jumper Board Service Menu Code
                                            Changhong Ruba Service Menu Code
                                            Ecostar LED TV Service Menu Code
                                            Orient LED TV Service Menu Code
                                            Haier LED TV Service Menu Code
                                            TCL LED TV Service Menu Code
                                            Samsung LED TV Service Menu Code
                                            LG LED TV Service Menu Code
                                            Videocon LED TV Service Menu Code
                                            Supra LED TV Service Menu Code
                                            Toshiba LED TV Service Menu Code
                                            Symphony LED TV Service Menu Code
                                            Veste/ LED TV Service Menu Code...
                                            10-31-2024, 03:58 AM
                                          • Loading...
                                          • No more items.
                                          Working...