I aquired this Panasonic 60" plasma around the time my first child was born. It was meant to be a project tv, hoping to fix it chipping away at the repair in my free time. Well that was 2 years ago and i'm really just getting around to making a sincere effort to see if I can ressurect this beast.
The symptoms of the tv ar as follows:
In my troubleshooting so far and based on documentation and research I feel the problem is isolated to the A-board. I would also characterize this 3 blink code as a 'fast' 3 blink code. I have read a few troubleshooting guides differentiating slightly in symptoms and root causes for the 3 blink vs fast 3 blink code.
It would seem that the 3 blink code is very sparsely documented and possibly one of the less common failure codes encountered.
Attached 4 pictures of my set.
1. The entire back of my set
2. A picture of my board suffix - I have read as UC
3. P-board (p/n: MPF6915)
4. A-board (i've removed the heatsink for better view) p/n: TNPH0988UC
What I have measured so far:
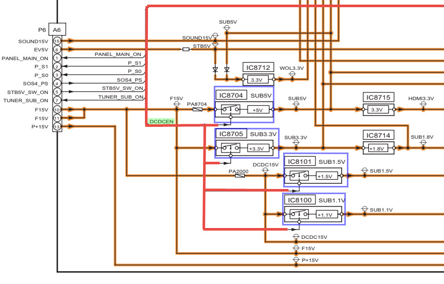
Connector P6 from p-board to a-board A6
F_STBY_ON
F15V
15Vc
15Vs
S0
S1
Panel_Main_ON
------ all above are 0v with set turned on blinking error code
When the relay first clicks for a split second then back off I can observe the F15V signal ramp up on my meter towards 15v but never gets there before the relays click off and back to 0v
STBY5V = 4.45v at all times
STBY5V_ON = 30mV or so. When I first plug the AC in it goes to 4.45v until the relay clicks on/off then down to 30mV
I have also been able to measure the 3.3v stby and 1.1v stby rail from IC5000 (analoc ASIC) to be both present reading 3.3v and 1.1v at all times.
I have measured around for shorts at all the regulators and can only seem to find 1 possible source for a short. IC8101 which generates the SUB1.5v rail. I am reading 56ohms on the output of the regulator. I am not sure if this might be the cause. I hastily removed the filter caps on the output thinking they may have been shorted but no go. This rail supplies all the DDR memory on the board as well as the PEAKS PRO4 chip.
Then I started thinking if this is a short at all, it is a fairly low voltage rail and wasnt sure if that was a normal impedance for DDR memory...i mean that voltage into 56ohms is just a mere 26-27mA. Nothing catastrophic.
The symptoms of the tv ar as follows:
- Plug AC in to back of TV
- After about 2 seconds the relay on the P-sub board will click on and then a fraction of a second later it clicks back off
- The 3 blink code is given by the power LED
- If the TV is unplugged and then plugged back in the above process repeats ending with the 3 blink code
In my troubleshooting so far and based on documentation and research I feel the problem is isolated to the A-board. I would also characterize this 3 blink code as a 'fast' 3 blink code. I have read a few troubleshooting guides differentiating slightly in symptoms and root causes for the 3 blink vs fast 3 blink code.
It would seem that the 3 blink code is very sparsely documented and possibly one of the less common failure codes encountered.
Attached 4 pictures of my set.
1. The entire back of my set
2. A picture of my board suffix - I have read as UC
3. P-board (p/n: MPF6915)
4. A-board (i've removed the heatsink for better view) p/n: TNPH0988UC
What I have measured so far:
Connector P6 from p-board to a-board A6
F_STBY_ON
F15V
15Vc
15Vs
S0
S1
Panel_Main_ON
------ all above are 0v with set turned on blinking error code
When the relay first clicks for a split second then back off I can observe the F15V signal ramp up on my meter towards 15v but never gets there before the relays click off and back to 0v
STBY5V = 4.45v at all times
STBY5V_ON = 30mV or so. When I first plug the AC in it goes to 4.45v until the relay clicks on/off then down to 30mV
I have also been able to measure the 3.3v stby and 1.1v stby rail from IC5000 (analoc ASIC) to be both present reading 3.3v and 1.1v at all times.
I have measured around for shorts at all the regulators and can only seem to find 1 possible source for a short. IC8101 which generates the SUB1.5v rail. I am reading 56ohms on the output of the regulator. I am not sure if this might be the cause. I hastily removed the filter caps on the output thinking they may have been shorted but no go. This rail supplies all the DDR memory on the board as well as the PEAKS PRO4 chip.
Then I started thinking if this is a short at all, it is a fairly low voltage rail and wasnt sure if that was a normal impedance for DDR memory...i mean that voltage into 56ohms is just a mere 26-27mA. Nothing catastrophic.

Comment