Hi guys,
Tektronix 465M
Looks like 95V is supposed to be derived from the 32V Unreg
But only getting 11V
Is the transformer shorted?
And what could be causing Q522 to overheat and smoke? (fried 2 of them so far)
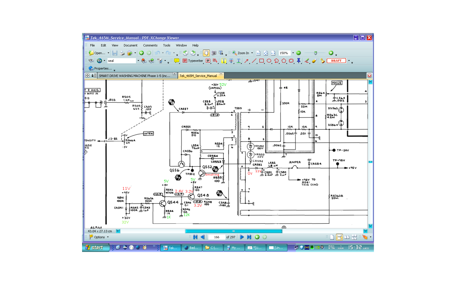
Tektronix 465M
Looks like 95V is supposed to be derived from the 32V Unreg
But only getting 11V
Is the transformer shorted?
And what could be causing Q522 to overheat and smoke? (fried 2 of them so far)
Comment