Dell laptop LA90PE0-01 charger repair

Collapse
X
 
  • Time
  • Show
Clear All
new posts
  • MPFI
    New Member
    • Oct 2019
    • 3
    • Argentina

    #21
    Re: Dell laptop LA90PE0-01 charger repair

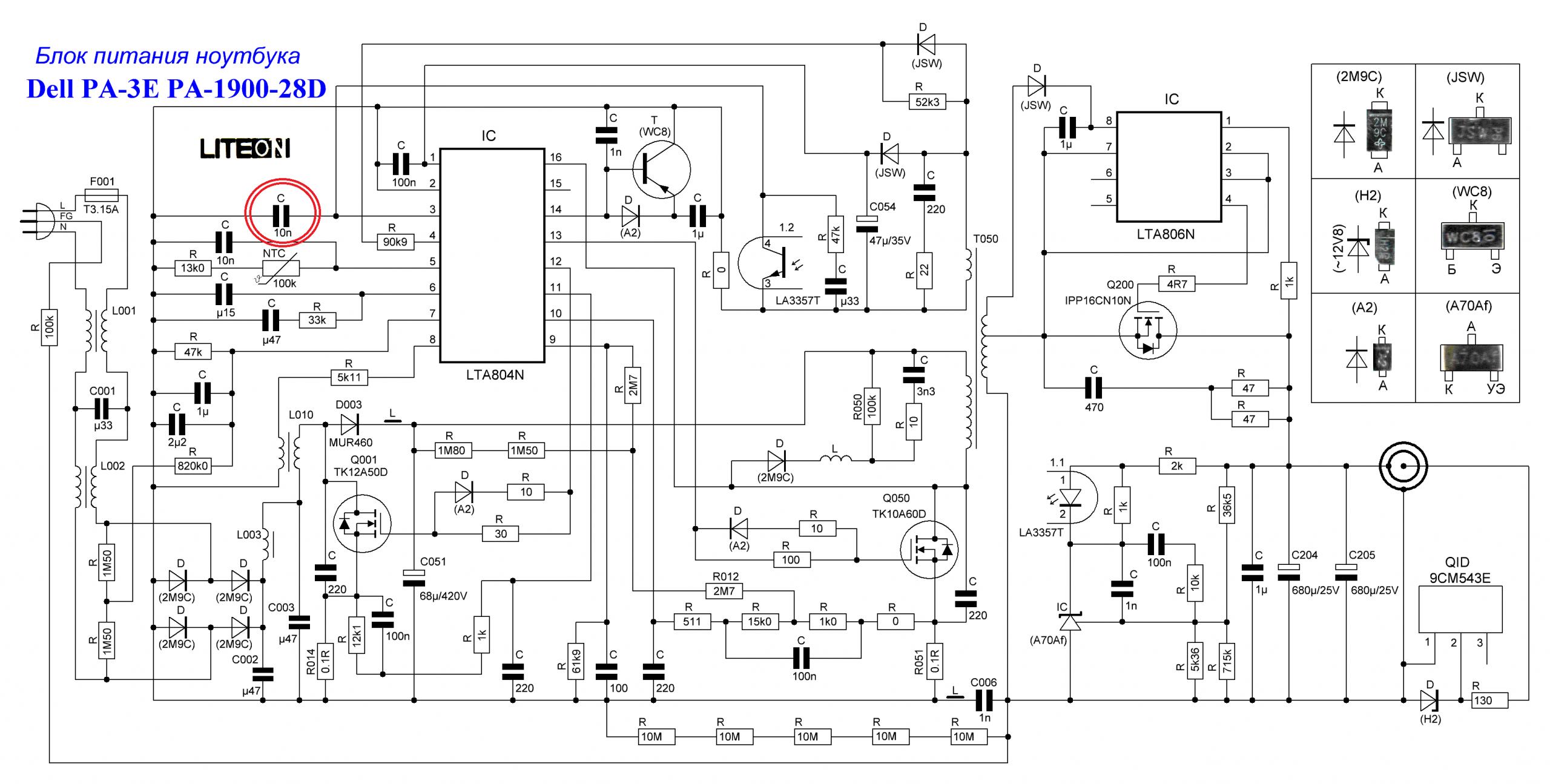
    Well, I know I 'm not that lucky. Second of charger in the batch same symptom. Found the same 0 ohm resistor opened ... but nothing on this one. Chip has HV, VCC is 20V and drops to 15V. every second or so. Like it is trying to start ?. But I cant see ANYTHING in the gates .... nothing. Here is where I got lost. The PFC section is not supposed to work because of the chip ?. I mean, I got 300V on the main cap. But the PFC mosfet is doing nothing ..., at least no activity on its gate. I will re-read above for tips in case I missed something.

    Comment

    • djidji77
      New Member
      • May 2021
      • 1
      • Србија

      #22
      Re: Dell laptop LA90PE0-01 charger repair

      first of all, I want to thank you Dannyx for posting schematic diagram of this very poor builded SPS!! you save me a lot of time!!
      I had a simillar problem like you i.e. thera was no any power at the output but at the same time on first look there was not anything burned inside. like you, I spend some couple of hours for removing this nonsense foam from PCB and upon partial cleaning I start to measure some voltages. so there was the stable 325V across the C051 and also there was stable 21.7V on pin1 of LTA804N so the next thing what I did was checking capacity of all electrolitic capacitors on PCB using the Tonghui LCR meter and without removing capacitors from PCB. all of them were fine so I decided to check all 3 MOSFet and they were fine too. then I decided to search on internet to see if sombode else experienced similar problem and I find this thread. I saw that couple of you had eggzactly the same problem like me and that in yours cases the problem were in bad soldering of 0R resistors so had done checking it and they all were soldered OK. upon that failed atempt, I took osciloscope and checked if there is any waveforme at Q050 gate and I find out that LTA804N was giving some signal which was immediately shuted down so at that point I knowed that some bad soldering is a problem. after checking all components in Q050 circuit I discover that end of 511R resistor which goes to pin 10 of LTA804N was bad soldered and its resoldering resolve my problem.
      once more, thank you all!!!

      Comment

      • tuletula
        New Member
        • Sep 2013
        • 3
        • Spain

        #23
        Re: Dell laptop LA90PE0-01 charger repair

        Hello, sorry for my bad English, I just faced a repair of this same charger, and the damaged component turned out to be the capacitor that goes to pin 3 of the LTA804, the capacitor was short-circuited, and therefore the charger was turned off on the blue tip LED, and voltage at 0 volts. I hope it helps, and by the way I measured all the things that you attach here and I reviewed some somewhat cloudy welds.
        Attached Files

        if you find these attachements useful please consider making a small donation to the site

        Comment

        • sam_sam_sam
          Badcaps Legend
          • Jul 2011
          • 6070
          • USA

          #24
          Re: Dell laptop LA90PE0-01 charger repair

          Or they are very poor quality devices

          Comment

          • midibob
            Badcaps Veteran
            • Nov 2008
            • 285

            #25
            Re: Dell laptop LA90PE0-01 charger repair

            Thanks so much for this thread. My charger was intermittent and then it wouldn't supply hardly any current to charge the battery and would switch off.
            It must have taken a good three hours to get the case off and dig out all the white plastic but the good bit was finding the 0 Ohm resistor open circuit. I didn't have an 0603 in stock so an 0805 went in and all was well. I also changed the 47uF 35v cap as it was showing a high ESR (approx 1.5 Ohms) which got a lot worse with a touch of freezer.
            Attached Files

            if you find these attachements useful please consider making a small donation to the site

            Comment

            • clearchris
              Badcaps Veteran
              • Dec 2013
              • 687
              • United States

              #26
              Re: Dell laptop LA90PE0-01 charger repair

              Originally posted by midibob
              Thanks so much for this thread. My charger was intermittent and then it wouldn't supply hardly any current to charge the battery and would switch off.
              It must have taken a good three hours to get the case off and dig out all the white plastic but the good bit was finding the 0 Ohm resistor open circuit. I didn't have an 0603 in stock so an 0805 went in and all was well. I also changed the 47uF 35v cap as it was showing a high ESR (approx 1.5 Ohms) which got a lot worse with a touch of freezer.
              I was wondering how long it took you to dig that all out. I took one apart for fun, saw the glue and said nope! If we were lucky, it might be thermoplastic, maybe warming could soften it, but probably not.

              Comment

              • eccerr0r
                Solder Sloth
                • Nov 2012
                • 8707
                • USA

                #27
                Re: Dell laptop LA90PE0-01 charger repair

                Yay some one (probably some cheap chinese company) doesn't know how to reliably make a wire!

                Come to think of it, I've rarely if ever come across a through hole resistor that came up infinite ohms except if it has been mistreated, but for SMT of the few I've worked with... seems more prevalent. Why...

                Comment

                • islam_asker
                  New Member
                  • Apr 2016
                  • 6
                  • Akex

                  #28
                  Re: Dell laptop LA90PE0-01 charger repair

                  thank you

                  Comment

                  Related Topics

                  Collapse

                  • BTubbs200
                    Dead Dell Latitude 5420 not receiving 20 volts from USB-C charger
                    by BTubbs200
                    Hello,

                    Dell Latitude 5420 P137G
                    Board: LA-K491P REV A01

                    I have received this laptop which was described as "does not power on or accept charge." Battery shows no sign of charging when charger is plugged in, nor does the board show any signs of life when battery is unplugged and charger is plugged in. No light from the LED at all or any other indications of activity.

                    Board seems to have no shorts, all power rails are fine and show high resistance.

                    When charger is plugged in, voltage is present in 3.3V rail but absent in others....
                    01-24-2025, 08:15 PM
                  • Johndill
                    Dell Inspiron 7567 LA-D993P odd charger issue
                    by Johndill
                    Hi, I have a Dell Inspiron 7567 LA-D993P that I've just got running.
                    There was corrosion around PU1503 which shorted PC1518 & blew PL1504. (Reference pictures attached)
                    I've replaced PC1518 & PL1504 & the laptop is now running however I now have another issue.

                    Here are the tested scenarios:

                    1. With the laptop running on battery, I plug in the 150W charger & the charger shuts off (no LED, protection mode) but the laptop remains running on battery.

                    2. With the laptop off, plug in charger (LED says on) & the front charging...
                    11-16-2022, 10:55 PM
                  • Bowline
                    Dell E6400 PT434 type Battery Charging Stuck at 1%. Battery Pinouts?
                    by Bowline
                    My question pertains to understanding the control circuity inside a Dell PT434 type battery used in Dell E6400, E6410 and other Dell notebooks?

                    Does anyone have a circuit diagram for the inside of a Dell PT434 battery and/or a description of how the control lines work to control this battery?

                    My reason for asking is I have a battery which I cannot get to charge beyond 1% in a Dell E6410 or E6400.
                    The LED bar graph charge indicator on the battery shows one LED lighted when the info button is pressed.
                    I have tried multiple different Dell power adapters. My Dell...
                    06-11-2025, 10:13 AM
                  • PowerAmpFreak
                    Dell Latitude 7280 does not recognize charger
                    by PowerAmpFreak
                    I have a Dell Latitude 7280 which complains during boot-up that the charger wattage cannot be determined. Tested with two different chargers.
                    Any common faults that could be fixed?
                    I replaced the DC jack, the original DELL LATITUDE 7280 DC30100Z300 0DP4VC.
                    How does the communication between the charger and the PC work?...
                    07-28-2025, 07:18 AM
                  • exerion5000
                    DELL Alienware 17 R3 (LA-C912P) only work with 120w charger in mode low CPU clock
                    by exerion5000
                    Hello, I received this laptop with the following condition: When I turn it on, it shows the ALIENWARE light and the Alien button lights up, then it does not show an image and it restarts constantly, as the customer had already informed me that the battery was dead, I connected an original charger that I had it for testing, the machine turned on normally and I was able to enter Windows without problems, after a while of testing I noticed that it is very slow (like a Cyrix 425...), and after performing a CPU test the frequency is
                    below normal, as if it were operating in an extreme energy...
                    10-15-2023, 02:12 PM
                  • Loading...
                  • No more items.
                  Working...