Bios For ThinkPad L13 Gen 2

Collapse
X
 
  • Time
  • Show
Clear All
new posts
  • mr._.crzay
    Member
    • Feb 2024
    • 10
    • Germany

    #21
    Originally posted by hoaca388

    Try again
    Unfortunately no difference. It does not start with the battery. When I plug in the power adapter, it flashes continuously, then when I press the power button it flashes very quickly and doesn't stop. Unfortunately, the CPU cooler and screen do nothing.

    Comment


    • SMDFlea
      SMDFlea commented
      Editing a comment
      Not a bios problem,its a hardware problem.
  • tujuhkalitujuh
    Member
    • Oct 2013
    • 27
    • Indonesia

    #22
    Master please help my Thnkpad L13 Yoga Gen 2 is dead, 3v and 5v are present, 8th pin on SPI Bios IC also showing 3;4volt.
    here I attached original dump

    Attached Files

    if you find these attachements useful please consider making a small donation to the site

    Comment

  • tujuhkalitujuh
    Member
    • Oct 2013
    • 27
    • Indonesia

    #23
    Originally posted by tujuhkalitujuh
    Master please help my Thnkpad L13 Yoga Gen 2 is dead, 3v and 5v are present, 8th pin on SPI Bios IC also showing 3;4volt.
    here I attached original dump

    My Bad.
    Thinkpad L13 Yoga Gen 2
    SN: PW-01p61S
    Type Number: 20VL-S20600
    thats all I can find

    Comment

    • hoaca388
      Badcaps
      • Jan 2022
      • 12534
      • Socialist Republic of Vietnam

      #24
      Originally posted by tujuhkalitujuh

      My Bad.
      Thinkpad L13 Yoga Gen 2
      SN: PW-01p61S
      Type Number: 20VL-S20600
      thats all I can find
      The file you posted is not of L13 Yoga Gen 2 - Type 20VL. Try this file, it is from 20VK but has the bios of 20VL added. Hope it works.
      Attached Files

      if you find these attachements useful please consider making a small donation to the site



      Any donations to badcaps are welcome, click this link to donate . Thanks to all the supporters
      https://www.badcaps.net/donate

      Comment

      • dello
        New Member
        • Oct 2019
        • 5
        • maroc

        #25
        HI FREINDS CAN SOMEONE HELP ME TO FIX THIS DUMP FOR L13 Yoga Gen​ 2
        SN R9-10AG5M
        TYPE NUMBER 20VK-000XSP
        THANKS IN ADVANCE
        Attached Files

        if you find these attachements useful please consider making a small donation to the site

        Comment

        • ITWizzard22
          New Member
          • Nov 2023
          • 7
          • Australia

          #26
          I am trying to get a BIOS.bin for the following laptop model -

          Name - Lenovo ThinkPad L13 Yoga Gen 2
          MTM - 20VLS0NK00
          S/N - PW00MX1A

          I believe the laptop has a corrupted BIOS as it just turns on with no display and stays on. I am happy to get a second opinion on this though.

          I have tried extracting the update .exe file from lenovos website but do not receive the same .cap files as shown in you're tutorial for UniversalExtractor RC2. Have tried Innoextractor but it doesn't find any image.
          Here is the update file I was hoping to extract and program -
          https://download.lenovo.com/pccbbs/m...r1fpuj16ww.exe

          I have also extracted the original BIOS image that may be corrupted, the file is also attached.

          I am using a CH134A programmer with the software AsProgrammer to read and write on the following chip - MX25L25673G

          If you're able to work this out and get the file then please tell me how you did it so I can learn as well.

          Thanks in Advance.
          Attached Files

          if you find these attachements useful please consider making a small donation to the site

          Comment

          • Zalman
            Member
            • May 2020
            • 32
            • UA

            #27
            Dear community members. Is there anyone with L13 Yoga Gen 2 (or a regular L13 Gen 2) Intel with vPro CPUs (1145G7 and 1185G7) who'd be willing to share backups of both BIOS1 and BIOS2 chips?

            Or maybe someone with knowledge and skills can take a look at my own backups (attached). It looks like something might be corrupted, but I'm not exactly sure what and how to properly fix it.

            My BIOS1 seems to be of the first UEFI releases for this board 1.10 (r1puj04ww) 1.10 (R1PET18W) 1.07 (R1PHT15W). Which is 17 releases behind the current one.
            When opened with FIT, BIOS reg is 16MB in size, not 24MB like in any of the BIOS backups uploaded in this thread.
            ME Analyzer shows dual entries for PMC, PCHC and PHY and throws a warning "Data in Engine/Graphics region padding, possible data corruption!". The latter goes away with ME cleaning, but I'm not sure how to remove dual entries for PMC, PCHC and PHY. With clean ME flashed I get a display error tune (kinda distorted in the middle). Detaching LCD cable and connecting external screen did nothing. Although I don't remeber if the tone went away or not.

            As for BIOS2 it looks like it is specific to vPro devices only and thus I can't even find anything to compare against. It can not be opened with FIT, but seems to have ME, PMC, PCHC and PHY inside. ME Analyzer shows ME as unconfigured (and older version compared to BIOS1), only single entries for PCH, PCHC and PHY and also has an error "Firmware is incomplete/corrupted, expected 0x2000000 not 0x1F00000!" as well as a warning "Firmware size exceeds Engine/Graphics region, possible data loss!"

            I already got the device like this. So no idea what had happened. I assume self-healing might have failed at some point or Lenovo just changed the structure in newer versions making mine look very different from any of the backups in this thread (always a single entry for PMC, PCHC and PHY).

            Serial Number: PW00GEL5
            Machine Type Model: 20VK0024US
            PCB: Wistron 19837-1

            Any help is appreciated!
            Attached Files

            if you find these attachements useful please consider making a small donation to the site

            Comment


            • SMDFlea
              SMDFlea commented
              Editing a comment
              please attach images directly to your post.
          • Markus1741
            Badcaps Veteran
            • Sep 2020
            • 994
            • N/A

            #28
            Originally posted by Zalman
            Dear community members. Is there anyone with L13 Yoga Gen 2 (or a regular L13 Gen 2) Intel with vPro CPUs (1145G7 and 1185G7) who'd be willing to share backups of both BIOS1 and BIOS2 chips?

            Or maybe someone with knowledge and skills can take a look at my own backups (attached). It looks like something might be corrupted, but I'm not exactly sure what and how to properly fix it.

            My BIOS1 seems to be of the first UEFI releases for this board 1.10 (r1puj04ww) 1.10 (R1PET18W) 1.07 (R1PHT15W). Which is 17 releases behind the current one.
            When opened with FIT, BIOS reg is 16MB in size, not 24MB like in any of the BIOS backups uploaded in this thread.
            ME Analyzer shows dual entries for PMC, PCHC and PHY and throws a warning "Data in Engine/Graphics region padding, possible data corruption!". The latter goes away with ME cleaning, but I'm not sure how to remove dual entries for PMC, PCHC and PHY. With clean ME flashed I get a display error tune (kinda distorted in the middle). Detaching LCD cable and connecting external screen did nothing. Although I don't remeber if the tone went away or not.

            As for BIOS2 it looks like it is specific to vPro devices only and thus I can't even find anything to compare against. It can not be opened with FIT, but seems to have ME, PMC, PCHC and PHY inside. ME Analyzer shows ME as unconfigured (and older version compared to BIOS1), only single entries for PCH, PCHC and PHY and also has an error "Firmware is incomplete/corrupted, expected 0x2000000 not 0x1F00000!" as well as a warning "Firmware size exceeds Engine/Graphics region, possible data loss!"

            I already got the device like this. So no idea what had happened. I assume self-healing might have failed at some point or Lenovo just changed the structure in newer versions making mine look very different from any of the backups in this thread (always a single entry for PMC, PCHC and PHY).

            Serial Number: PW00GEL5
            Machine Type Model: 20VK0024US
            PCB: Wistron 19837-1

            Any help is appreciated!​
            Hello try this file perhaps it helps good luck ...
            Attached Files

            if you find these attachements useful please consider making a small donation to the site

            Comment

            • Zalman
              Member
              • May 2020
              • 32
              • UA

              #29
              Originally posted by Markus1741

              Hello try this file perhaps it helps good luck ...
              Thank you so much for your time. But unfortunately that didn't work. Played a tune at first start. Then just powercycled endlessly.

              Originally posted by SMDFlea

              please attach images directly to your post.
              I don't see an option to edit that post anymore. And probably without the text they are somewhat irrelevant now, expect for ME Analyzer output for BIOS1 and BIOS2 dumps and schematics. But attached just in case. As well as BIOS download page link (there are vPro and non-vPro BIOSes at the bottom)
              File created by Markus1741 kinda looks as expected - has only one instance of PMC, PCHC and PHY. And ofc a clean configured ME (15.0.23.1706_COR_LP_B_PRD_EXTR-Y). But didn't work unfortunately. I suspect there's something wrong with the BIOS2 file (I still have the original one attached in #27) as ME Analyzer doesn't seem to be happy. What if I just wipe it clean or flash with the same exact file?
              Attached Files

              if you find these attachements useful please consider making a small donation to the site

              Comment

              • Zalman
                Member
                • May 2020
                • 32
                • UA

                #30
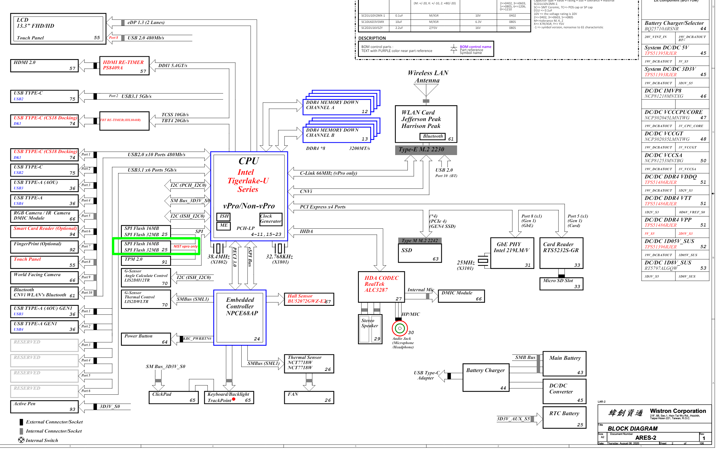
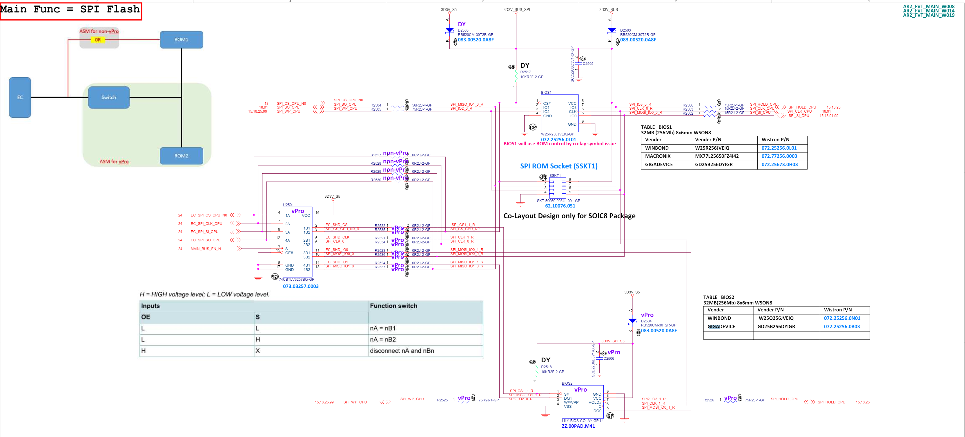
                Not sure if this changes anything. I tried some of the BIOSes linked above like in post #24 for example. With them laptop stays on, not power cycling. But still has no image. And none of the bios dumps that I was able to find came from a vPro machine. Non-vPros have only 1 BIOS chip. So at this point I still can't verify how different the contents of that other chip should be. Schematics say that it is used for NIST (see linked image). It can't be opened and fixed with FIT (mine has ME version that is unconfigured and in disagreement with the BIOS1 chip as shown in #29 screenshots).
                Difference between VL and VK devices is just the color (silver/black). Also VH/VJ devices share the same exact boards. These are the regular non-yoga L13 Gen2 Intels. Bios however may or may not be different?!

                But the biggest question here is vPro vs non-vPro. Lenovo clearly has different SPI chip layout for them and different BIOS download sections for each one.
                Also I still can't figure out why my BIOS region is 16MB, and all other dumps here have 24MB. Is it possible that they just changed mapping in newer releases?
                Attached Files

                if you find these attachements useful please consider making a small donation to the site

                Comment

                • hoaca388
                  Badcaps
                  • Jan 2022
                  • 12534
                  • Socialist Republic of Vietnam

                  #31
                  Originally posted by Zalman
                  Not sure if this changes anything. I tried some of the BIOSes linked above like in post #24 for example. With them laptop stays on, not power cycling. But still has no image. And none of the bios dumps that I was able to find came from a vPro machine. Non-vPros have only 1 BIOS chip. So at this point I still can't verify how different the contents of that other chip should be. Schematics say that it is used for NIST (see linked image). It can't be opened and fixed with FIT (mine has ME version that is unconfigured and in disagreement with the BIOS1 chip as shown in #29 screenshots).
                  Difference between VL and VK devices is just the color (silver/black). Also VH/VJ devices share the same exact boards. These are the regular non-yoga L13 Gen2 Intels. Bios however may or may not be different?!

                  But the biggest question here is vPro vs non-vPro. Lenovo clearly has different SPI chip layout for them and different BIOS download sections for each one.
                  Also I still can't figure out why my BIOS region is 16MB, and all other dumps here have 24MB. Is it possible that they just changed mapping in newer releases?
                  Try
                  Attached Files

                  if you find these attachements useful please consider making a small donation to the site



                  Any donations to badcaps are welcome, click this link to donate . Thanks to all the supporters
                  https://www.badcaps.net/donate

                  Comment

                  • Zalman
                    Member
                    • May 2020
                    • 32
                    • UA

                    #32
                    Originally posted by hoaca388

                    Try
                    Thanks! Now it's not power cycling. Stays on. But still no picture. And that bios2 file has the same errors if opened with ME Analyzer. Not sure if that's ok or not. However there's still a chance that there might be hardware issues as well, I can't tell for sure. For now I'm gonna continue looking for a bios2 dump from another working system.
                    I'm also not sure why, but with both fixed bios1 files I got, my bios region is still 16MB, not 24. And in both cases the part with Windows key was removed.

                    Comment

                    • apostsamking
                      Senior Member
                      • Dec 2017
                      • 119
                      • Ghana

                      #33
                      i was doing a bios update and all of a sudden my Lenovo L13 Gen 2 went off. cant display again. it powers on but no display. can anyone help me repair the bios. i have a backup below. serial Number R9-1096QW TYPE: 20VH-001AUK
                      Attached Files

                      if you find these attachements useful please consider making a small donation to the site

                      Comment

                      • volinakis
                        Badcaps Legend
                        • Jan 2021
                        • 2888
                        • N/A

                        #34
                        Originally posted by apostsamking
                        i was doing a bios update and all of a sudden my Lenovo L13 Gen 2 went off. cant display again. it powers on but no display. can anyone help me repair the bios. i have a backup below. serial Number R9-1096QW TYPE: 20VH-001AUK
                        try
                        Attached Files

                        if you find these attachements useful please consider making a small donation to the site

                        ----------------------------------------------------------------------------------------------------------------------------------------------------------------------
                        https://www.badcaps.net/donate/
                        ----------------------------------------------------------------------------------------------------------------------------------------------------------------------

                        Comment

                        • apostsamking
                          Senior Member
                          • Dec 2017
                          • 119
                          • Ghana

                          #35
                          Originally posted by volinakis

                          try
                          Thanks it worked.

                          Comment

                          • Munbi1215@gmail.com
                            Member
                            • Jan 2019
                            • 25
                            • Viet Nam

                            #36
                            Re: ThinkPad L13 Yoga Gen 2
                            SN : R9-12AYX8
                            Help :
                            Does not recognize ssd
                            Attached Files

                            if you find these attachements useful please consider making a small donation to the site

                            Comment

                            • tomrayuela
                              New Member
                              • Nov 2024
                              • 4
                              • Kansas

                              #37
                              Hi, i need your help. I accidentally damaged a chip backup.If anyone has a backup of the chip(Mx Ic) that I detail below
                              Attached Files

                              if you find these attachements useful please consider making a small donation to the site

                              Comment

                              • SMDFlea
                                Super Moderator
                                • Jan 2018
                                • 22427
                                • UK

                                #38
                                Originally posted by tomrayuela
                                Hi, i need your help. I accidentally damaged a chip backup.If anyone has a backup of the chip(Mx Ic) that I detail below
                                Thread merged. Post the full laptop model number, including model type, and serial .

                                So you are wanting a dump from U7302 .Motherboard LAR-2 (AMD)
                                All donations to badcaps are welcome, click on this link to donate. Thanks to all supporters

                                Comment

                                • hoaca388
                                  Badcaps
                                  • Jan 2022
                                  • 12534
                                  • Socialist Republic of Vietnam

                                  #39
                                  Originally posted by Munbi1215@gmail.com
                                  Re: ThinkPad L13 Yoga Gen 2
                                  SN : R9-12AYX8
                                  Help :
                                  Does not recognize ssd
                                  L13 Yoga Gen 2 Laptops (ThinkPad) - Type 20VK

                                  Attached Files

                                  if you find these attachements useful please consider making a small donation to the site



                                  Any donations to badcaps are welcome, click this link to donate . Thanks to all the supporters
                                  https://www.badcaps.net/donate

                                  Comment

                                  • Dagobert14
                                    New Member
                                    • Dec 2024
                                    • 2
                                    • Germany

                                    #40

                                    Hello everyone,

                                    I have a Lenovo laptop (ThinkPad L13 Yoga Gen 2) that was interrupted during the bios update and no longer boots.
                                    After my initial research, I came across this guide: https://www.partsnotincluded.com/fla...lenovo-laptop/ . However, it fails at the first step to get a clean bios, because the .exe file does not extract a .WPH file under the following file path %USERPROFILE%\AppData\Local\Temp\WinFlash nor does it help to extract the .exe.
                                    After further research I came across the following post in this forum: https://www.badcaps.net/forum/troubl...l13-yoga-gen-2 .
                                    There, however, the ‘broken' BIOS was uploaded as a template to repair it.

                                    Now to my question:
                                    1. is it better/smarter to ‘reflash' the BIOS as in the first guide or should I read the ‘broken' BIOS first and then upload it to the forum.

                                    and if it is better to ‘reflash' the BIOS:
                                    2. how would I get a clean new BIOS file?

                                    Thank you very much for your help, I appreciate it.

                                    Comment


                                    • peste
                                      peste commented
                                      Editing a comment
                                      post merged..

                                  Related Topics

                                  Collapse

                                  • lucaszmn
                                    Summary of BIOS Whitelist Removal Problem Lenovo Thinkpad T560
                                    by lucaszmn


                                    Summary of BIOS Whitelist Removal Problem


                                    Problem:
                                    I am attempting to remove the WWAN card whitelist from my Lenovo ThinkPad T560.
                                    Initial Findings:
                                    • My current BIOS version is N1KET58W (1.45).
                                    • I have a CH341A programmer and have successfully created two full backups of my BIOS.
                                    • I have the ability to use command-line tools on a Linux machine.
                                    Troubleshooting Steps & Conclusions:
                                    • I attempted to use several automated and manual patching methods on my N1KET58W (1.45) BIOS, including using hex strings. These attempts all failed.
                                    • I concluded that the
                                    ...
                                    08-12-2025, 03:01 PM
                                  • Marco_compucell
                                    Lenovo ThinkPad P1 LPM-1 MB 17870-2 32mb bios
                                    by Marco_compucell
                                    Hi
                                    Device: Laptop
                                    brand : Lenovo
                                    Model: Lenovo ThinkPad p1
                                    MB: LPM-1 MB 17870-2
                                    SN: R9-0SP0WN
                                    Request: I could get one good read of the bios chip in not writable any more
                                    I can not open the bios file in FIT tool looking for someone to fix the bios or
                                    give me a new dump this file is 32MB
                                    Thank you...
                                    07-05-2025, 12:09 PM
                                  • MaxonDomkrat
                                    Lenovo Thinkpad X1 carbon 11th Gen BIOS problem
                                    by MaxonDomkrat
                                    Hi everyone.

                                    I have an engineering sample of a Lenovo ThinkPad X1 Carbon 11th Gen (TYPE 21HM-2FVT05, S/N PF-40G7CD) with an Intel Core i7 1360P (ES – Intel 0000). Since this is an engineering sample, the BIOS had a massive number of various settings. One day, I was experimenting with the BIOS settings and, after saving them, the laptop stopped booting and played a melody after pressing the power button, signaling error code 0002 (Internal bus error), just like in this post: https://www.badcaps.net/forum/troubl...shooting-lapto...
                                    07-30-2025, 01:27 PM
                                  • 1g0r
                                    Lenovo ThinkPad L15 G3 Bios 1 IC conductor track
                                    by 1g0r
                                    Hello everyone,

                                    First, the data in brief:
                                    Manufacturer: Lenovo
                                    Model: ThinkPad L15 G3 21C3-0016GE
                                    motherboard: LG4 LT5 ADL RT UMA MB 8L - 448.0PZ26.0011
                                    IC Bios 1: MX77L25650F
                                    IC Bios 2​: MX25L25673G
                                    EC Chip: NPCX997KAABX

                                    So far I've been a silent reader, but now I need your help

                                    I bought a laptop. The seller said the bios was locked. I was looking for a way to remove this ban.
                                    I then got the CH341A and pulled the corresponding files from here https://www.badcaps.net/forum/troubl...evices-and-ele...
                                    The laptop was brought in with a BIOS problem and a password. After reading the dump, the information was damaged. I ask for help in the BIOS with a clean ME region. Motherboard 213035-1. Serial number: PW+04e998, Type number: 21c3-0016ge
                                    01-18-2025, 02:39 AM
                                  • macabook
                                    🛠️ MSI GP75 Leopard MS-17E71 – No Display, Deep BIOS/EC Troubleshooting
                                    by macabook
                                    Hello everyone,

                                    I’m currently working on a dead MSI GP75 Leopard (MS-17E71) motherboard (i7 CPU, NVIDIA GPU) with a no display/no backlight issue initially. After extensive investigation, I’m at a critical stage involving EC firmware, BIOS/ME region interaction, and possible deep corruption. I'm seeking advanced insight from anyone with experience in EC/BIOS sync issues or PCH-level behavior. Here’s a full breakdown:
                                    🧩 Initial Issue
                                    • Board powers on (fans spin, keyboard lights up and can be adjusted, caps lock led lights), but no display or backlight
                                    • External display (HDMI) shows
                                    ...
                                    07-24-2025, 02:17 PM
                                  • Loading...
                                  • No more items.
                                  Working...