Dead no response. No lights at all. Got 3v at pwr button, But 0v at bios pin 1,8

Collapse
X
 
  • Time
  • Show
Clear All
new posts
  • flatline
    Member
    • Apr 2019
    • 23
    • united states

    #1

    Dead no response. No lights at all. Got 3v at pwr button, But 0v at bios pin 1,8

    I see 19v in a few areas. None of the coils are shorted to ground. And I haven't detected any shorts in the obvious areas. There is no response when i press the power button. There is 0.00 Amps drawn from bench power supply at 19v power connector.
    Attached Files
  • flatline
    Member
    • Apr 2019
    • 23
    • united states

    #2
    Re: Dead no response. No lights at all. Got 3v at pwr button, But 0v at bios pin 1,8

    Just want to add that I have a very basic understanding of these motherboards.

    Comment

    • Techtiger
      Badcaps Legend
      • Oct 2014
      • 1602
      • france

      #3
      Re: Dead no response. No lights at all. Got 3v at pwr button, But 0v at bios pin 1,8

      Check PL20 PL21 +5VS5 +3VS3 , PU11 pin 5 PU12 pin7 LDO 3/5 output Voltage & your RTC 3.3V section

      Comment

      • flatline
        Member
        • Apr 2019
        • 23
        • united states

        #4
        Re: Dead no response. No lights at all. Got 3v at pwr button, But 0v at bios pin 1,8

        PL20 and PL21 are both 0V

        PU11 pin5 is 3.3V

        PU12 pin7 is 5V

        Comment

        • flatline
          Member
          • Apr 2019
          • 23
          • united states

          #5
          Re: Dead no response. No lights at all. Got 3v at pwr button, But 0v at bios pin 1,8

          voltages at U9 for RTC

          pin2 is 0V
          pin10 is 3.0V
          pin14 is 2.8V
          pin15 is 3.27V

          Comment

          • flatline
            Member
            • Apr 2019
            • 23
            • united states

            #6
            Re: Dead no response. No lights at all. Got 3v at pwr button, But 0v at bios pin 1,8

            Regarding PL20, PL21. When power is initially applied to 19v connector, they both get a quick blip of voltage for a split second, then down to 0v, almost too fast for the multimeter to show. I was able to read 2.1v at the aluminum capacitor c747 as it slowly discharges. Also, pin 8 on bios chip shows this quick blip of voltage as well.
            Attached Files

            Comment

            • flatline
              Member
              • Apr 2019
              • 23
              • united states

              #7
              Re: Dead no response. No lights at all. Got 3v at pwr button, But 0v at bios pin 1,8

              I checked (pu1) (bq24738H)

              pin10 looks low, but I don't know if it's supposed to be 1v when board is at idle, then 3v when board is powered on?

              pin1,2,3,20= 19.5v
              pin4= 25v
              pin5= 3v
              pin6= 2.6v
              pin8,9= 3.3v
              pin10= 1v
              pin11,12,13,18,19= 2.8v
              pin14= ground
              pin15= 0v
              pin16,17= 6v
              Attached Files

              Comment

              • flatline
                Member
                • Apr 2019
                • 23
                • united states

                #8
                Re: Dead no response. No lights at all. Got 3v at pwr button, But 0v at bios pin 1,8

                Okay, this one is interesting.

                (pu10 APW8713QBI-TRG)

                Pin1,2,3,4,5 = 0v
                Pin6 =11.2v
                Pin7 cycles from 0v to 300mv then repeats
                Pin8 =19.5v
                pin9 =19.5v
                Pin10,11 =0v
                Pin2,13,14,15 grnd
                Pin16,17,18 =0v
                Pin19 grnd
                pin20 =0v
                pin21 =0v
                pin22 =19.5v
                pin23 =300mv

                Comment

                • flatline
                  Member
                  • Apr 2019
                  • 23
                  • united states

                  #9
                  Re: Dead no response. No lights at all. Got 3v at pwr button, But 0v at bios pin 1,8

                  PL16 is showing 150ohm to ground

                  Comment

                  • flatline
                    Member
                    • Apr 2019
                    • 23
                    • united states

                    #10
                    Re: Dead no response. No lights at all. Got 3v at pwr button, But 0v at bios pin 1,8

                    pc182 seems to be open. It's a .1u cap

                    Comment

                    • Techtiger
                      Badcaps Legend
                      • Oct 2014
                      • 1602
                      • france

                      #11
                      Re: Dead no response. No lights at all. Got 3v at pwr button, But 0v at bios pin 1,8

                      PU11 pin 1 7 8 Voltage PL21 ohm ?
                      PU12 pin 1 5 8 Voltage PL20 ohm?

                      Comment

                      • Techtiger
                        Badcaps Legend
                        • Oct 2014
                        • 1602
                        • france

                        #12
                        Re: Dead no response. No lights at all. Got 3v at pwr button, But 0v at bios pin 1,8

                        Originally posted by flatline
                        Okay, this one is interesting.

                        (pu10 APW8713QBI-TRG)

                        Pin1,2,3,4,5 = 0v
                        Pin6 =11.2v
                        Pin7 cycles from 0v to 300mv then repeats
                        Pin8 =19.5v
                        pin9 =19.5v
                        Pin10,11 =0v
                        Pin2,13,14,15 grnd
                        Pin16,17,18 =0v
                        Pin19 grnd
                        pin20 =0v
                        pin21 =0v
                        pin22 =19.5v
                        pin23 =300mv
                        This IC if fine it Enables after S3/S4 signel

                        Comment

                        • Techtiger
                          Badcaps Legend
                          • Oct 2014
                          • 1602
                          • france

                          #13
                          Re: Dead no response. No lights at all. Got 3v at pwr button, But 0v at bios pin 1,8

                          Originally posted by flatline
                          PL16 is showing 150ohm to ground
                          150ohm with RAM or without ?

                          Comment

                          • flatline
                            Member
                            • Apr 2019
                            • 23
                            • united states

                            #14
                            Re: Dead no response. No lights at all. Got 3v at pwr button, But 0v at bios pin 1,8

                            Hi techtiger, PL16 is 150ohm with or without RAM.

                            PL21 3k ohm
                            PL20 70k ohm (takes a few seconds to settle fom 130K-70Kohm)

                            PU11 Pin1 7 8
                            0V 4.5V 19.5V


                            PU12 Pin1 7 8
                            0V 5V 19.5V

                            PL20,21 are 13ohm when I accidentally checked for ohms while power supply is still on board and supplying power. And of course, there is no voltage at PL20,21. But I guess that means there is a gate to ground?

                            Comment

                            • khaahk
                              Badcaps Veteran
                              • Dec 2013
                              • 812
                              • Estonia

                              #15
                              Re: Dead no response. No lights at all. Got 3v at pwr button, But 0v at bios pin 1,8

                              Pressing power button brings NBSWON1# from 3V to low state?
                              After that IT8987 should bring DNBSWON# high and give a short low pulse to cpu.
                              Cpu should respond with susb# and susc# going high.

                              IT8987 might need to be reprogrammed.

                              Comment

                              • flatline
                                Member
                                • Apr 2019
                                • 23
                                • united states

                                #16
                                Re: Dead no response. No lights at all. Got 3v at pwr button, But 0v at bios pin 1,8

                                Hello khaahk,

                                NBSWON1# press button, 3v then 1.8v blip, then back to 3v

                                DNBSWON# press button, 40mv for about 1second.

                                susb# press button, nothing happens, 0v

                                susc# press button, nothing happens, 0v

                                Comment

                                • flatline
                                  Member
                                  • Apr 2019
                                  • 23
                                  • united states

                                  #17
                                  Re: Dead no response. No lights at all. Got 3v at pwr button, But 0v at bios pin 1,8

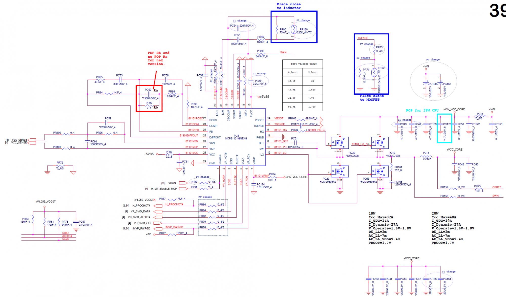
                                  PU3 (NCP81101MNTXG)

                                  PIN8 Rising and Falling Voltage. What's BST?
                                  Attached Files

                                  Comment

                                  • flatline
                                    Member
                                    • Apr 2019
                                    • 23
                                    • united states

                                    #18
                                    Re: Dead no response. No lights at all. Got 3v at pwr button, But 0v at bios pin 1,8

                                    PL14 is 110 ohms to ground.

                                    Comment

                                    • Techtiger
                                      Badcaps Legend
                                      • Oct 2014
                                      • 1602
                                      • france

                                      #19
                                      Re: Dead no response. No lights at all. Got 3v at pwr button, But 0v at bios pin 1,8

                                      Now check PU11 SIO pin 100 14 119 97

                                      Comment

                                      • flatline
                                        Member
                                        • Apr 2019
                                        • 23
                                        • united states

                                        #20
                                        Re: Dead no response. No lights at all. Got 3v at pwr button, But 0v at bios pin 1,8

                                        U11 SIO IT8987

                                        Pin14 3.25V EC_WRST
                                        Pin97 3V ACIN
                                        Pin100 16mV S5_ON
                                        Pin119 0V RSMRST#

                                        Comment

                                        Related Topics

                                        Collapse

                                        • macabook
                                          🛠️ MSI GP75 Leopard MS-17E71 – No Display, Deep BIOS/EC Troubleshooting
                                          by macabook
                                          Hello everyone,

                                          I’m currently working on a dead MSI GP75 Leopard (MS-17E71) motherboard (i7 CPU, NVIDIA GPU) with a no display/no backlight issue initially. After extensive investigation, I’m at a critical stage involving EC firmware, BIOS/ME region interaction, and possible deep corruption. I'm seeking advanced insight from anyone with experience in EC/BIOS sync issues or PCH-level behavior. Here’s a full breakdown:
                                          🧩 Initial Issue
                                          • Board powers on (fans spin, keyboard lights up and can be adjusted, caps lock led lights), but no display or backlight
                                          • External display (HDMI) shows
                                          ...
                                          07-24-2025, 02:17 PM
                                        • Loli Popu
                                          DELL 5590 LAPTOP DEAD AFTER BIOS WRONG FLASHED
                                          by Loli Popu
                                          Hello guys ,i have a dell latitude 5590 with f411p bios,this laptop has bios password ,i tried to read the bios(winbond 25q128jv) with ch341 but when goes to verify give error ,it said doesnt match .After this i flashed another bios which is cleaned and then the laptop was dead ,i tried to turn on but only white light in the buton power turned on several times and then no display at all .I had a backup and flashed again the original bios ,but this time the laptop will not turn on at all ,no light nothing,the bios original bios that i flashed was having verify error when i verified with ch341 ,i...
                                          12-13-2024, 03:28 AM
                                        • Vesko356
                                          [Guide] How to find the right HP bios version to flash
                                          by Vesko356
                                          First of all thanks to all of our members who have posted previously all methods posted here.
                                          Please leave a comment if you find something new,or have anything else to add.
                                          -----------------------------------------------------------------------------------------

                                          Find by serial number,model number or series

                                          If you know the laptop serial or model number go to HP support https://support.hp.com/us-en/drivers/laptops .
                                          Enter the serial number or model number and click submit.On the next screen you will have to enter the OS
                                          Operating system and OS version.If...
                                          08-11-2023, 03:27 AM
                                        • zenius
                                          [REQUEST] Dell G3 3579 BIOS Password & AMI Protected Range/BIOS Guard Unlock
                                          by zenius
                                          Hello, I have an old Dell G3 3579 (ST: 2WQ7LP2-8FC8) with a newer 8FC8 BIOS password. I have successfully attached to the flash chip (W25Q128JVSQ) on the motherboard with a CH341A programmer and made several modifications using Intel FIT (e.g., allow software SPI write) without bricking. I was also able to boot to a modified GRUB shell where I attempted to edit many BIOS security related options like BIOS Guard/Lock, Flash Signature Override, ME FW Image Re-Flash, etc.

                                          Unfortunately, some of these modifications like to Intel BIOS Guard failed because it is fused into the PCH. Also,...
                                          12-08-2024, 06:13 AM
                                        • lucaszmn
                                          Summary of BIOS Whitelist Removal Problem Lenovo Thinkpad T560
                                          by lucaszmn


                                          Summary of BIOS Whitelist Removal Problem


                                          Problem:
                                          I am attempting to remove the WWAN card whitelist from my Lenovo ThinkPad T560.
                                          Initial Findings:
                                          • My current BIOS version is N1KET58W (1.45).
                                          • I have a CH341A programmer and have successfully created two full backups of my BIOS.
                                          • I have the ability to use command-line tools on a Linux machine.
                                          Troubleshooting Steps & Conclusions:
                                          • I attempted to use several automated and manual patching methods on my N1KET58W (1.45) BIOS, including using hex strings. These attempts all failed.
                                          • I concluded that the
                                          ...
                                          08-12-2025, 03:01 PM
                                        • Loading...
                                        • No more items.
                                        Working...