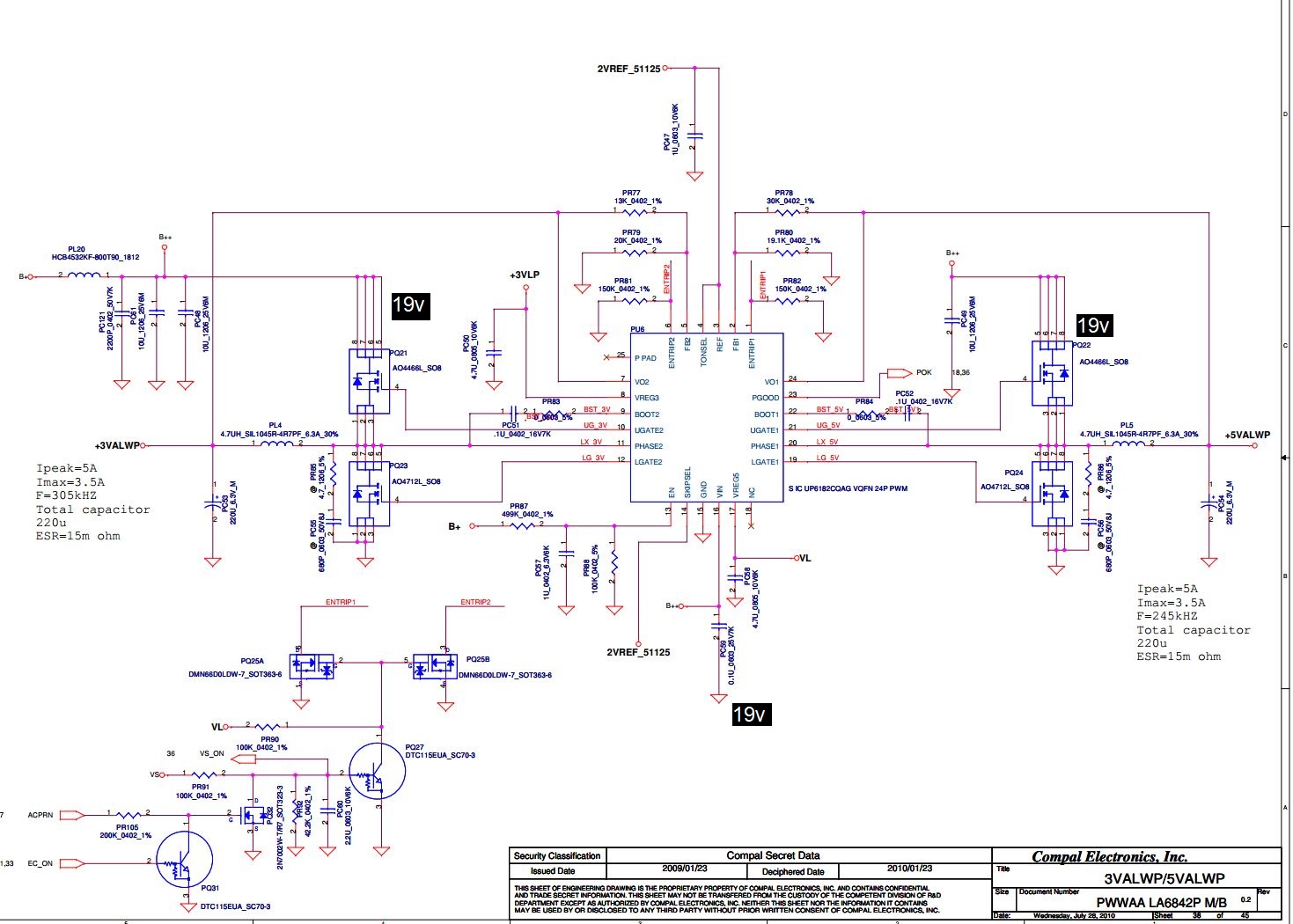
Hello, i have a Toshiba C660 with motherboard LA-6842P.
There's no lights or fan when i power with my bench supply.
No voltage at the power switch, but i have tested it is working.
I can find 18.90v around the charging section but no 3v or 5v.
18.9v is also present at PQ21 and PQ22 but there are no other voltages.
Is that suggesting PU6 ?
Any other suggestions ?
Thanks.
There's no lights or fan when i power with my bench supply.
No voltage at the power switch, but i have tested it is working.
I can find 18.90v around the charging section but no 3v or 5v.
18.9v is also present at PQ21 and PQ22 but there are no other voltages.
Is that suggesting PU6 ?
Any other suggestions ?
Thanks.

Comment