List of pin compatible Laptop ICs

Collapse
This is a sticky topic.
X
X
 
  • Time
  • Show
Clear All
new posts
  • sparker1
    Badcaps Veteran
    • Sep 2011
    • 343
    • Australia

    #41
    Re: List of pin compatible Laptop ICs

    Found this one here http://ns-comp.blogspot.com.au/2014/...lity-list.html Some have already been listed but there are a few new ones.
    Attached Files

    Comment

    • Th3_uN1Qu3
      Believe in
      • Jul 2010
      • 6031
      • Romania

      #42
      Re: List of pin compatible Laptop ICs

      Thank you, that is pretty good. Keeping this thread at the top so people can see it.
      Originally posted by PeteS in CA
      Remember that by the time consequences of a short-sighted decision are experienced, the idiot who made the bad decision may have already been promoted or moved on to a better job at another company.
      A working TV? How boring!

      Comment

      • highpulse
        i hate HP
        • May 2013
        • 1489
        • portugal

        #43
        Re: List of pin compatible Laptop ICs

        agree this thread should be on top

        Comment

        • highpulse
          i hate HP
          • May 2013
          • 1489
          • portugal

          #44
          Re: List of pin compatible Laptop ICs

          btw isl 6228 ??

          Comment

          • dj_ricoh
            Badcaps Legend
            • Jan 2013
            • 2073
            • uk

            #45
            Re: List of pin compatible Laptop ICs

            Originally posted by highpulse
            btw isl 6228 ??
            i found that ISL6228 in :
            Acer Aspire 7750 LA-6911p
            Acer TravelMate 4730G LA-4221p
            Acer Aspire 4935 4937 LA-4492p
            Aspire Aspire 4736 KALG0 LA-4494P

            maybe you got a spare board from those notebook and take it from there
            Just cook it! It's already broken.

            Comment

            • highpulse
              i hate HP
              • May 2013
              • 1489
              • portugal

              #46
              Re: List of pin compatible Laptop ICs

              bq24725A compatible with BQ24728 , working here

              Comment

              • highpulse
                i hate HP
                • May 2013
                • 1489
                • portugal

                #47
                Re: List of pin compatible Laptop ICs

                ISL6269 compatible ?

                Comment

                • sasser
                  Badcaps Veteran
                  • Dec 2012
                  • 365
                  • Malaysia

                  #48
                  Re: List of pin compatible Laptop ICs

                  How about mosfet. Like omega 4406a is compatible with 4406? Or 4407? Or if n channel can use for another n channel not for p channel

                  Comment

                  • rs232killer
                    Senior Member
                    • Feb 2015
                    • 89
                    • Portugal

                    #49
                    Re: List of pin compatible Laptop ICs

                    Last day was crazy finding some mosfets compatibility and found this :

                    http://pt.scribd.com/doc/118013615/M...titution-table

                    and also this from the same guy

                    http://pt.scribd.com/doc/230959317/N...roubleshooting

                    All credits for the rightful owner

                    Comment

                    • tawfeek_mokhtar
                      New Member
                      • Aug 2014
                      • 5
                      • egypt

                      #50
                      Re: List of pin compatible Laptop ICs

                      @rs232killer
                      thanks ,, that's amazing

                      Comment

                      • Ramee
                        Badcaps Veteran
                        • Jul 2014
                        • 218
                        • Israel

                        #51
                        Re: List of pin compatible Laptop ICs

                        Thanks for the info.

                        Comment

                        • sasser
                          Badcaps Veteran
                          • Dec 2012
                          • 365
                          • Malaysia

                          #52
                          Re: List of pin compatible Laptop ICs

                          Thanks rs232killer

                          Comment

                          • masud
                            Badcaps Veteran
                            • Jul 2011
                            • 317
                            • Bangladesh

                            #53
                            Re: List of pin compatible Laptop ICs

                            maxim8731 eqv?

                            Comment

                            • sasser
                              Badcaps Veteran
                              • Dec 2012
                              • 365
                              • Malaysia

                              #54
                              Re: List of pin compatible Laptop ICs

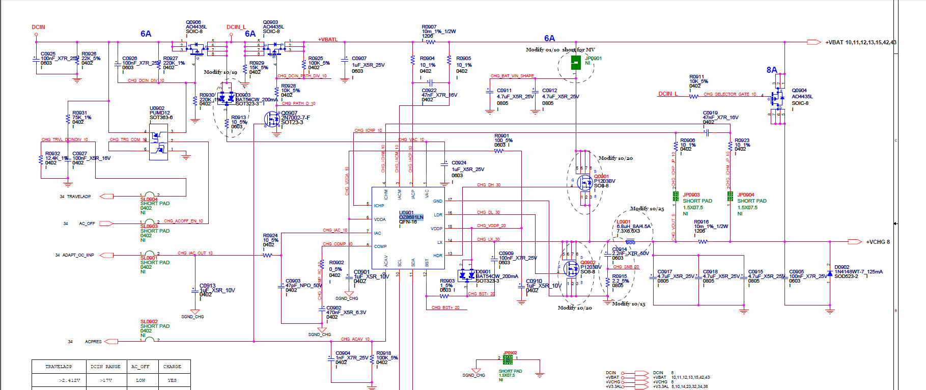
                              in compaq CQ43 have 8186L ic. it pwr charging ic. what compatible for this ic? i attach picture schematic diagram for this ic.

                              im measure Q0902 on all pin no volt. Q0901 got 19v on pin 5,6,7,8. i think 8681L is culprit and need replace but i dont have the ic
                              Attached Files

                              Comment

                              • budm
                                Badcaps Legend
                                • Feb 2010
                                • 40746
                                • USA

                                #55
                                Re: List of pin compatible Laptop ICs

                                On the bottom left of the page, part of the CHART is cutoff so you cannot see what they are supposed to be.
                                I can see that TRAVLADP has to be >2.412, the DC IN has to be >17V, AC OFF = LOW, then the charger will be 'YES'.
                                So the circuit may not be getting the required signal for the charger to function.

                                OZ8681 is available on line. IE. http://www.aliexpress.com/store/prod...223328230.html
                                Last edited by budm; 04-13-2015, 10:28 PM.
                                Never stop learning
                                Basic LCD TV and Monitor troubleshooting guides.
                                http://www.badcaps.net/forum/showthr...956#post305956

                                Voltage Regulator (LDO) testing:
                                http://www.badcaps.net/forum/showthr...999#post300999

                                Inverter testing using old CFL:
                                http://www.badcaps.net/forum/showthr...er+testing+cfl

                                Tear down pictures : Hit the ">" Show Albums and stories" on the left side
                                http://s807.photobucket.com/user/budm/library/

                                TV Factory reset codes listing:
                                http://www.badcaps.net/forum/showthread.php?t=24809

                                Comment

                                • the-sky-blue
                                  Member
                                  • Dec 2013
                                  • 48
                                  • salfeet

                                  #56
                                  Re: List of pin compatible Laptop ICs

                                  CTLAB parts replace laptop motherboard:
                                  1. RT8205A=TPS51125
                                  2. ISL62366=RT8206A
                                  3. ISL6268=APW7318
                                  4. TPS51117=RT8209B ao=ca AO=BM AO=CD AO=CA AO=BG AO=BG AO=CB AO=BL. AO=BG AO=BH 40. RT8209A=FH=CG CU1 FH=EE,FH=CC,FH=DD,FH=CL,FH=8JFH=CF,
                                  5. TPS51116=RT8207 ISL6227=APW7108

                                  6. TPS51125=RT8205B=UP6182
                                  7. TPS51123=RT8223M=UP1585QQAG(20=el,20=df,20=ef.......rt8223p)eq=cg,eq=dm,eq=do,eq=dd=da=dc=dkrt8223m RICHTEK RT8223BGQW RT8223B DS=CC DS=CD DS=CE DS=CF DS=BJ DS=BK

                                  8. P2805MF=G5933
                                  9. SN608090=ISL6237=TPS51427=RT8206B
                                  10. ISL6237=MAX17020=MAX8778=TPS51427=RT8206B
                                  11. PM6686=TPS17020=isl6236=rt8206a
                                  12. U1585QQAG(EM=EC)=51123A=RT8223P(EQ=XX)
                                  13. MAX8734A=RT8203
                                  14. MAX1908=MAX8724
                                  15. ISL88731=BQ24745
                                  16. ISL6266=ISL6262
                                  17. ISL62883=ISL62882
                                  18. ALC660=ALC883
                                  19. RT8223=51123
                                  20. (DH=CH)=(DH=CA)=RT8207 CP=DD,CP=CF,DH=EA,CP=AJ(DH=,CP=)
                                  21. W8769=W8763
                                  22. SN608090=ISL6236=51427=RT8206B
                                  23. KB9206QF C0,D2,D3 ARE INTERCHANGEABLE
                                  24. IT8500E=IT8512=IT8502
                                  25. ISL6262=ISL6266
                                  26. ISL62883=ISL628823
                                  27. RT8205(A)=RT8223
                                  28. RT8206B=ISL62373
                                  29. ITE8512EKXS=ITE8512EKXO
                                  30. MAX8734A=RT82032
                                  31. J493(G966-93)RT9018B(DELL VOSTRO 1015) ES=EF ES=CL ES=DD
                                  32. (EF=DE 41J)=RT8207LGQW EF-EF-DE-. EF=CM EF=CG EF=CF EF EF=CM EF=DG EF=DE EF=CG EF=DF
                                  33. (CJ=CL 40W)=TPS51125
                                  34. PM6686=TPS17020
                                  35. UP1585QQAG(MARKED EC EM)=TPS51123A=RT8223P(MARKED EQ=) RICHTEK RT8223BGQW RT8223B DS=CC DS=CD DS=CE DS=CF DS=BJ DS=BK
                                  36. RT8205(A0=TPS51125%
                                  37. EF=DE 41J---------------RT8207LGQW
                                  38. CJ=CL 40W------------ TPS51125
                                  39. TPS51125A=RT8205BGQW=(CK=CD C47)
                                  40. RT8209A=FH=CG CU1 FH=EE,FH=CC,FH=DD,FH=CL,FH=8JFH=CF,

                                  41. RT8204C H6=CH,H6=CB,H6=CG,H6=BE,H6=CC ETC JOX RT8204BGQW (FR=AH FR=AM FR=
                                  42. RT8205=TPS51125
                                  43. SN10504=SN0608098 RHBR
                                  44. MAX1908=MAX8724
                                  45. ISL6266=ISL6262
                                  46. RT8205=RT8223
                                  order;
                                  ncp6131
                                  tps51225
                                  tps51216
                                  tps51219
                                  isl 6228
                                  bq24735
                                  TPS51511 +vddc_gpu
                                  PM6652TR +vgfx
                                  TPS51621RHAR
                                  TPS51218 1.5v. & vtt volt pizi 1189 14 pin
                                  TPS51621RHAR
                                  RICH_RT8015APQW_WDFN_10P el=dc 10 pin EL

                                  RICHTEK RT8223BGQW RT8223B DS=CC DS=CD DS=CE DS=CF DS=BJ DS=BK

                                  rt8223a=tps51123=ds=cd
                                  [[[[[[[[[[[[[[[[[[[[[[[[[[[[[[[[[[[[[[[[[[[[[[[[[[[[[[[[[[[[[[[[[[[[[[[[[[[[[[[[[[[[
                                  RT8152D
                                  max 8731ae
                                  BD9528A
                                  rt9173d
                                  mec1310-nu
                                  ite 8572e
                                  NPCE795Paodx
                                  MB39A132
                                  17435E
                                  IMZ2
                                  MAX17020
                                  TPS51221
                                  KBC1070
                                  NPCE781BA0DX
                                  NPCE781LA0DX
                                  KB926QF
                                  KB3926QF
                                  KBC1091
                                  KBC1126
                                  BQ726TI
                                  TPS51461
                                  ISL65831
                                  BQ727
                                  BQ51219
                                  KBC1098
                                  TPS51123
                                  AO4435
                                  RT8206A
                                  ADB3211
                                  BQ07A
                                  APW71536
                                  MAX8731AE
                                  AO4606
                                  P2805
                                  EMC2102
                                  SLG8SP585V
                                  ISL6252
                                  SI7129DN-T1-GE3
                                  DMN66D0LDW-7_SOT363-6
                                  PDTC115EU_SOT323
                                  2N7002W-T/R7_SOT323-3
                                  AO4435
                                  AO4433
                                  FDMC4435BZ
                                  2N7002-7-F SOT23-3
                                  TPS51217
                                  G2997F6U
                                  TPS51218DSCR
                                  [[[[[[[[[[[[[[[[[[[[[[[[[[[[[[[[[[[[[[[[[[[[[[[[[[[[[[[[[[[[[[[[[[[[[[[[[[[[[[[[[[[[[[[[[[[[[[[[[[[[[[[

                                  6236 INTERSIL ISL6236IRZ
                                  62392 INTERSIL ISL62392HRTZ
                                  6259 INTERSIL ISL6259AHRTZ
                                  6265 INTERSIL ISL6265AHRTZ
                                  6265 INTERSIL ISL6265CHRTZ
                                  6267 INTERSIL ISL6267HRZ
                                  6269 INTERSIL ISL6269CRZ
                                  6277 INTERSIL ISL6277HRZ
                                  62882 INTERSIL ISL62882HRTZR
                                  88731 INTERSIL ISL88731AHRZ
                                  88731 INTERSIL ISL88731CHRTZ
                                  95831 INTERSIL ISL95831HRTZ
                                  95836 INTERSIL ISL95836HRTZ
                                  98602 INTERSIL ISL98602IRAAZ
                                  1909 MAX1909EVKIT
                                  8725 MAX8725EVKIT
                                  8731 MAX8731AEVKIT
                                  8744 MAX8744E
                                  8770 MAX8770GTL
                                  8771 MAX8771GTL
                                  MICREL KSZ8721B ??????? ?????
                                  2136 RTD2136R
                                  269 ALC269 6*6mm
                                  8015 RT8015AGQW
                                  8202 RT8202APQW (dj=ae)
                                  8204 RT8204BGQW (FR=AH FR=AM FR=
                                  8205 RT8205AGQW CJ=BM CJ=BK CJ=BJ CJ=AK CJ=BD

                                  8205 RT8205BGQW Cj=da Cj=bk Cj=ce Cj=al Cj=bm
                                  8205 RT8205CGQW CJ=BM CJ=BK CJ=BJ CJ=AK CJ=BD

                                  8205 RT8205EGQW dt=ca dt=cb dt=cc dt=ch dt
                                  8205 RT8205LGQW EM= EM=ED EM=CH EM=DC EM=db EM= EM=ED EM=CH EM=DC EMdj
                                  8206 RT8206AGQW
                                  8206 RT8206BGQW
                                  8206 RT8206LZQW
                                  8207 RT8207LGQW EF-EF-DE-. EF=CM EF=CG EF=CF EF EF=CM EF=DG EF=DE EF=CG EF=DF
                                  8207 RT8207MZQW j7 em

                                  8208 RT8208BGQW
                                  8209 RT8209BGQW ao=ca AO=BM AO=CD AO=CA AO=BG AO=BG AO=CB AO=BL. AO=BG AO=BH

                                  8223 RT8223MGQW
                                  8223 RT8223PGQW
                                  8239 RT8239BGQW JC=CF,JC=ED,JC=IC,JC=EA,JC.jc=do,jc=ec

                                  8239 RT8239CGQW jd=de jd=ee jd=db jd=dc jd eq=fj JD=DE JD=EE JD=DB JD=DC JD=DG

                                  8243 RT8243AZQW 8A EE 8A EF 8A EC
                                  9297 RT9297GQW EZ=ED EZ=EH EZ=CD
                                  Flash KLMAG2GE4A-A001 16G
                                  24003 TI BQ24003
                                  24170 TI PBQ24170 BQ24170
                                  24703 TI BQ24703
                                  24705 TI BQ24705
                                  24707 TI BQ707 BQ24707
                                  24707 TI BQ707A BQ24707A
                                  24715 TI BQ24715 BQ715 XQ24715 XQ715
                                  24721 TI BQ24721
                                  24721 TI BQ24721C 24721C
                                  24725 TI BQ725 BQ24725

                                  24725 TI BQ725A BQ24725A
                                  24726 TI BQ726 BQ24726
                                  24727 TI BQ727 BQ24727
                                  24728 TI BQ728 BQ24728
                                  24735 TI BQ735 BQ24735
                                  24736 TI BQ24736 BQ736
                                  24737 TI BQ737 BQ24737
                                  24738 TI BQ738 BQ24738
                                  24740 TI BQ24740
                                  24741 TI BQ24741
                                  24742 TI BQ24742
                                  24745 TI BQ24745
                                  24747 TI BQ24747
                                  24750 TI BQ24750
                                  24751 TI BQ24751 BQ 24751
                                  24751 TI BQ24751A 24751A
                                  24751 TI BQ24751B 24751B
                                  24753 TI BQ24753A 24753A
                                  24760 TI BQ24760
                                  24762 TI PQ24762 BQ24762
                                  24765 TI BQ24765
                                  51117 TI TPS51117
                                  51124 TI TPS51124
                                  51219 TI TPS51219
                                  51225 TI TPS51225
                                  51621 TI TPS51621
                                  W25Q16BVSIG
                                  W25Q32VSIG
                                  W25X10AVNIG
                                  W25X10BVNIG
                                  W25X40BVNIG

                                  Comment

                                  • ktmmotocross
                                    Boardkiller
                                    • Feb 2014
                                    • 3627
                                    • slovakia

                                    #57
                                    Re: List of pin compatible Laptop ICs

                                    i nee change for 88731 INTERSIL ISL88731CHRTZ

                                    Comment

                                    • sasser
                                      Badcaps Veteran
                                      • Dec 2012
                                      • 365
                                      • Malaysia

                                      #58
                                      Re: List of pin compatible Laptop ICs

                                      I think 8681L is special no compatible model

                                      Comment

                                      • highpulse
                                        i hate HP
                                        • May 2013
                                        • 1489
                                        • portugal

                                        #59
                                        Re: List of pin compatible Laptop ICs

                                        up6188A can be replaced , with PM6686 , just added it to a l735 and workinf fine

                                        Comment

                                        • highpulse
                                          i hate HP
                                          • May 2013
                                          • 1489
                                          • portugal

                                          #60
                                          Re: List of pin compatible Laptop ICs

                                          ktmmotocross , 88731C only work withs the same one , alltough there is a 88731A but will not work , just tryed :P eheheheh

                                          Comment

                                          Related Topics

                                          Collapse

                                          • Deby
                                            List of compatible laptop motherboards
                                            by Deby

                                            This is a list of compatible laptop motherboard information that I have been collecting for some time.
                                            And it's still ongoing.
                                            Every time I come across information that a board is compatible with another, I write it down.
                                            Anyone who wants to, can continue to expand the list.
                                            Packed in the rar, is an excel table that has additional information.
                                            Motherboards.rar...
                                            05-31-2024, 04:34 AM
                                          • Document Archive
                                            Microsoft Surface Laptop 3 13.5-inch i5/8GB/256GB SSD Laptop Platinum Notebook Specification for Upgrade or Repair
                                            by Document Archive
                                            This specification for the Microsoft Surface Laptop 3 13.5-inch i5/8GB/256GB SSD Laptop Platinum Notebook can be useful for upgrading or repairing a laptop that is not working. As a community we are working through our specifications to add valuable data like the Surface Laptop 3 13.5-inch i5/8GB/256GB SSD Laptop Platinum boardview and Surface Laptop 3 13.5-inch i5/8GB/256GB SSD Laptop Platinum schematic. Our users have donated over 1 million documents which are being added to the site. This page will be updated soon with additional information. Alternatively you can request additional help from...
                                            09-06-2024, 09:30 PM
                                          • Document Archive
                                            Microsoft Surface Laptop Surface Laptop 2 Notebook 2 Specification for Upgrade or Repair
                                            by Document Archive
                                            This specification for the Microsoft Surface Laptop Surface Laptop 2 Notebook can be useful for upgrading or repairing a laptop that is not working. As a community we are working through our specifications to add valuable data like the Surface Laptop 2 boardview and Surface Laptop 2 schematic. Our users have donated over 1 million documents which are being added to the site. This page will be updated soon with additional information. Alternatively you can request additional help from our users directly on the relevant badcaps forum. Please note that we offer no warranties that any specification,...
                                            09-06-2024, 08:47 AM
                                          • RdeveLabs
                                            MSI GF63 THIN 11UCX (MS-16R6) LAPTOP WON'T TURN ON AFTER RESTARTING
                                            by RdeveLabs
                                            To all the members here...

                                            Let me tell you a little bit about what happened to my laptop (MSI GF63 THIN 11UCX model: MS-16R6) that “maybe” you know how to solve this problem.

                                            So before this problem happened, my laptop was running smoothly. When I wanted to restart my laptop, it looked fine at first. But after I waited for this restart process to take a long time, until finally I panicked (because the restart process did not finish plus the laptop screen only showed a black screen), I immediately pressed and held the power button to force the laptop to turn off. But...
                                            05-05-2025, 04:59 AM
                                          • Document Archive
                                            Microsoft Surface Laptop Surface Laptop 4 Notebook 4 Specification for Upgrade or Repair
                                            by Document Archive
                                            This specification for the Microsoft Surface Laptop Surface Laptop 4 Notebook can be useful for upgrading or repairing a laptop that is not working. As a community we are working through our specifications to add valuable data like the Surface Laptop 4 boardview and Surface Laptop 4 schematic. Our users have donated over 1 million documents which are being added to the site. This page will be updated soon with additional information. Alternatively you can request additional help from our users directly on the relevant badcaps forum. Please note that we offer no warranties that any specification,...
                                            09-07-2024, 06:11 AM
                                          • Loading...
                                          • No more items.
                                          Working...