Lenovo B560 fluctuating DC

Collapse
X
 
  • Time
  • Show
Clear All
new posts
  • whaldsz
    Badcaps Veteran
    • Apr 2013
    • 395
    • Philippines

    #1

    Lenovo B560 fluctuating DC

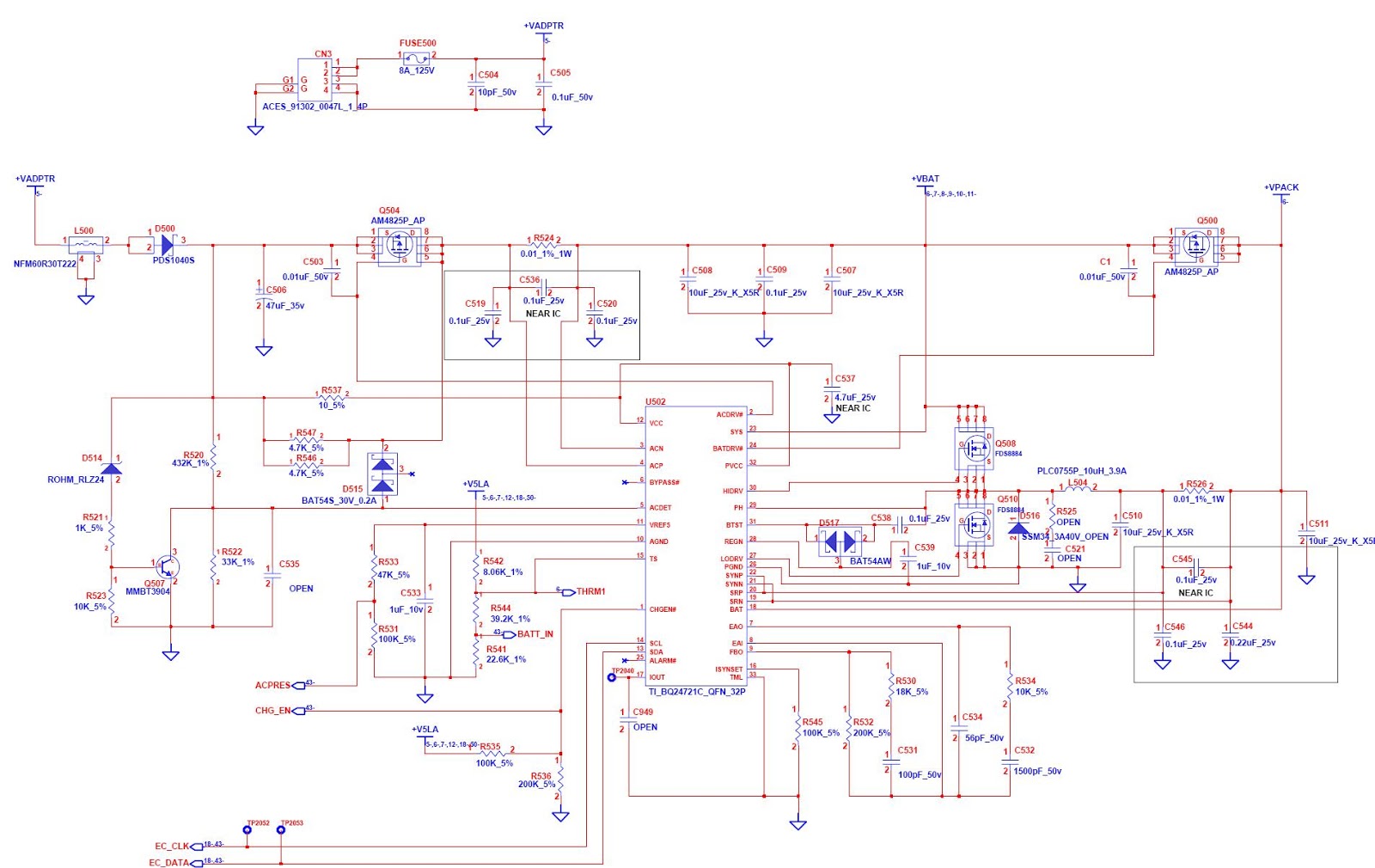
    I got this laptop where The voltage at D1(see page 46 in the attached schematic diagram) is fluctuating. Using power adapter,

    What i tried:
    1. TPS51123 is overheating so i replaced it with a new one.
    2. tested the mosfets, no short found.


    Havent tested the board using the battery. Any idea where the problem is? I also have acer 5570 zr1 with similar issue.
  • jtamad44
    Senior Member
    • Apr 2013
    • 145
    • israel

    #2
    Re: Lenovo B560 fluctuating DC

    try everything you know and if the problem stll the same post back everything you did in the past.

    Comment

    • tomodachi
      Badcaps Veteran
      • Apr 2012
      • 607
      • Turkey

      #3
      Re: Lenovo B560 fluctuating DC


      Try to desolder these coils one by one and measure if there is a short

      Comment

      • whaldsz
        Badcaps Veteran
        • Apr 2013
        • 395
        • Philippines

        #4
        Re: Lenovo B560 fluctuating DC

        Thank you for your reply.

        I already measured the resistance from those those coils to ground but there are no short. Tried replacing U7 - BQ24745 charger IC but same problem. the voltage at D1 fluctuates wildly. I will try to remove U38 and U37 and post bact the result.
        Attached Files
        Last edited by whaldsz; 06-19-2013, 05:34 PM.

        Comment

        • Techie666
          Member
          • Feb 2013
          • 23
          • Mexico

          #5
          Re: Lenovo B560 fluctuating DC

          Have you tested the dc adapter? I would put a load on the adapter alone (connect a 12v fan or something) and measure with volt meter to see if the voltage goes down. it should stay steady at almost the rated voltage. if voltage drops more than 1 volt try another adapter.

          Comment

          • whaldsz
            Badcaps Veteran
            • Apr 2013
            • 395
            • Philippines

            #6
            Re: Lenovo B560 fluctuating DC

            Yes, adapter is fine. Tried another known good adapter still the same.

            I will try to remove the coil as suggested by tomodachi and measure the voltage across D1, will post back the result.

            Comment

            • nataf10
              Member
              • Mar 2012
              • 37
              • Israel

              #7
              Re: Lenovo B560 fluctuating DC

              Hi there!
              I have also a dead motherboard that not power on.
              Have you fixed your at last?
              Can you please upload or send me the correct schema for this LA56 mother board?
              Please advise.
              Regards.

              Comment

              • tiak
                Senior Member
                • Sep 2013
                • 50
                • Iran

                #8
                Re: Lenovo B560 fluctuating DC

                Hi,
                Where is : attached schematic diagram ?

                Comment

                • BenCesur
                  Member
                  • Jun 2011
                  • 35

                  #9
                  Re: Lenovo B560 fluctuating DC

                  Originally posted by whaldsz
                  Thank you for your reply.

                  I already measured the resistance from those those coils to ground but there are no short. Tried replacing U7 - BQ24745 charger IC but same problem. the voltage at D1 fluctuates wildly. I will try to remove U38 and U37 and post bact the result.
                  Hey.

                  I need this scheme. (b560) Would you please add?

                  Thank you.

                  Comment

                  • ravindra
                    New Member
                    • Sep 2014
                    • 3
                    • india

                    #10
                    Re: Lenovo B560 fluctuating DC

                    Hi,
                    I have same Problem. My laptop suddenly died, no warning that I could see, I was watching a video and wasn't paying the best attention, but there were no noises. The screen just went black and the computer died.
                    The orange light on the power adapter is solid when it's not plugged it, when it plugs it, the light goes out and then blinks twice, dark for a second, then blinks twice again and repeats.

                    Please help me, and also please provide me it's schematic diagram, if some one have

                    Thank you

                    Comment

                    • cyberhack
                      Badcaps Veteran
                      • Feb 2013
                      • 466
                      • Uk

                      #11
                      Re: Lenovo B560 fluctuating DC

                      this LA56 mother board
                      Attached Files

                      Comment

                      • attila123
                        New Member
                        • Jun 2014
                        • 1
                        • SLovakia

                        #12
                        Re: Lenovo B560 fluctuating DC

                        Hi guys!

                        I have big problem with a Lenovo B560 with LA56 MB motherboard. I probably shorted out the LVDS connector at display. When I tried to turn on the notebook nothing happened, only power led is flashing very slowly. When I plug in AC the power led starts flashing every about 10 sec for 1 sec or less, no fan is working.

                        How can I fix it? Which power IC could damaged?

                        Thank you!

                        Comment

                        • rajeshkumar
                          Member
                          • Oct 2014
                          • 44
                          • india

                          #13
                          Re: Lenovo B560 fluctuating DC

                          hiiiiiii frnd need b560 la56 schematic diagram
                          dimm display problem facing

                          Comment

                          • emr2000
                            Member
                            • Mar 2015
                            • 17
                            • turkey

                            #14
                            Re: Lenovo B560 fluctuating DC

                            b560 diagram
                            Attached Files

                            Comment

                            • angel-boy
                              Badcaps Veteran
                              • Jan 2013
                              • 550
                              • Romania

                              #15
                              Re: Lenovo B560 fluctuating DC

                              Hi friends, I have a problem with the motherboard laptop lenovo b560

                              - i have 3 boards, all power on , but when i want to shutdown , when power led from power button and power led near charge led, remains on !

                              - i change the bios same problem , i dont know what to do !!!

                              about the problem - http://*******/viewtopic.php?f=58&t=23204
                              If you have an account please give me some bios ,i dont have enough posts to download bios

                              Comment

                              • dj_ricoh
                                Badcaps Legend
                                • Jan 2013
                                • 2073
                                • uk

                                #16
                                Re: Lenovo B560 fluctuating DC

                                get the files from there if you can!
                                Just cook it! It's already broken.

                                Comment

                                • angel-boy
                                  Badcaps Veteran
                                  • Jan 2013
                                  • 550
                                  • Romania

                                  #17
                                  Re: Lenovo B560 fluctuating DC

                                  Did you read ? " If you have an account please give me some bios ,i dont have enough posts to download bios "

                                  i cannot get files from there. if someone can help me , please help me .

                                  Comment

                                  • khaahk
                                    Badcaps Veteran
                                    • Dec 2013
                                    • 806
                                    • Estonia

                                    #18
                                    Re: Lenovo B560 fluctuating DC

                                    from another source but also for LA56
                                    Attached Files

                                    Comment

                                    • angel-boy
                                      Badcaps Veteran
                                      • Jan 2013
                                      • 550
                                      • Romania

                                      #19
                                      Re: Lenovo B560 fluctuating DC

                                      you give me EC , not main bios, please if you have a working bios file , from a lenovo thats shutdown

                                      Comment

                                      • angel-boy
                                        Badcaps Veteran
                                        • Jan 2013
                                        • 550
                                        • Romania

                                        #20
                                        Re: Lenovo B560 fluctuating DC

                                        I partial solve the problem of lenovo, now is shutdown , but when power up , lenovo logo appers late, and the fan allways is on.

                                        Comment

                                        Related Topics

                                        Collapse

                                        • coasterghost
                                          Lenovo T14 Gen 2 Type 20XK Model 20XK0069US Odd Charging Issues
                                          by coasterghost
                                          For Badcaps Readers, Please note that I am hopefully going to present this same message to Lenovo to see if they have any insight to the matter as well and figured to share the entirety here for clarification. The System is out of warranty as it is but does have the option to have it extended.

                                          Model Information: T14 Gen 2 (Type 20XK, 20XL) Laptop (ThinkPad) - Type 20XK - Model 20XK0069US
                                          Board: T14 Gen 2 (Type 20XK, 20XL) - Type 20XK.

                                          System Hardware:
                                          Processor: AMD Ryzen 7 PRO 5850U
                                          Memory: 1x 16GB DDR4 3200 (Soldered on Board); 1x Crucial 32GB DDR4...
                                          09-08-2025, 10:46 PM
                                        • Cemal Odabasioglu
                                          MacBook Pro A1707 Motherboard Diagnostic Help – CD3215 heating and Fluctuating Rails
                                          by Cemal Odabasioglu
                                          Hello everyone,

                                          I'm currently diagnosing a MacBook Pro A1707 motherboard that does not power on. I've gathered some data but am stuck and need expert advice.
                                          Note that i'm a beginner in electronics and i'm trying to learn while trying to repair this macbook that my work gave me. I'm really curious and love understanding how thing works and i already learned so much.

                                          Only one usb c port is taking 20v and have 12.5v on PPBUS_G3H. when trying other ports, 2 are not going to 20v and one is going to 20v but the CD3215 is getting really hot.

                                          Observations...
                                          01-14-2025, 03:54 PM
                                        • Document Archive
                                          Lenovo 3000 Series Schematic
                                          by Document Archive
                                          Lenovo 3000 Series Schematic

                                          Lenovo 3000 was a line of low-priced notebook and desktop computers designed by Lenovo Group targeting small businesses and individuals. It was replaced with the IdeaCentre and IdeaPad brands.

                                          3000 C100 laptop with Braille keyboard
                                          Lenovo 3000 C
                                          C100, C200 - 15-inch XGA screen
                                          Lenovo 3000 N
                                          N100, N200 - 14.1-inch- and 15.4-inch- WXGA models
                                          N500 - 15.4 inch screen.
                                          Lenovo 3000 V
                                          V100, V200 - 12.1-inch WXGA models
                                          Lenovo 3000 G
                                          G400, G410, G430, G450, G455, G510, G530, G550, and G560...
                                          10-04-2024, 06:05 AM
                                        • Document Archive
                                          Lenovo IdeaPad 120S Notebook 100 Specification for Upgrade or Repair
                                          by Document Archive
                                          This specification for the Lenovo IdeaPad 120S Notebook can be useful for upgrading or repairing a laptop that is not working. As a community we are working through our specifications to add valuable data like the 120S boardview and 120S schematic. Our users have donated over 1 million documents which are being added to the site. This page will be updated soon with additional information. Alternatively you can request additional help from our users directly on the relevant badcaps forum. Please note that we offer no warranties that any specification, datasheet, or download for Lenovo IdeaPad 120S...
                                          09-06-2024, 06:40 AM
                                        • Document Archive
                                          Lenovo IdeaPad 320 Notebook 300 Specification for Upgrade or Repair
                                          by Document Archive
                                          This specification for the Lenovo IdeaPad 320 Notebook can be useful for upgrading or repairing a laptop that is not working. As a community we are working through our specifications to add valuable data like the 320 boardview and 320 schematic. Our users have donated over 1 million documents which are being added to the site. This page will be updated soon with additional information. Alternatively you can request additional help from our users directly on the relevant badcaps forum. Please note that we offer no warranties that any specification, datasheet, or download for Lenovo IdeaPad 320...
                                          09-06-2024, 06:06 AM
                                        • Loading...
                                        • No more items.
                                        Working...