Elo 1525L power board ptb-1218

Collapse
X
 
  • Time
  • Show
Clear All
new posts
  • PlainBill
    Badcaps Legend
    • Feb 2009
    • 7034
    • USA

    #21
    Re: Elo 1525L power board ptb-1218

    Originally posted by BlkSmth
    Removed them again to get actual postable readings out of circuit:

    D809 = SF34 Diode and reads on Diode Mode: 441 Black probe on Cathode stripe side... nothing reverse... and nothing either direction on 200, 2k, 200k

    D810 = SR360 Diode and reads on Diode Mode: 192 Black probe on Cathode stripe side... nothing reverse... and nothing either direction on 200, 2k, 200k

    Are these the values we needed, or did I set the DMM wrong?

    Thanks again

    nothing meant just a "1" or "l"
    Those values indicate the diodes are fine. At this point I'm going back and re-examining my conclusions. Let's try this - use the diode test function to make readings across the leads of Q803.

    Alldatasheet.com is having database problems, so we'll have to wing it. Number the pins in any order and measure 1-2 1-3 2-3 2-1 3-1 3-2 (the red probe goes on the first number of each pair).

    PlainBill
    For a number of reasons, both health and personal, I will no longer be active on this board. Any PMs asking for assistance will be ignored.

    Never be afraid to try something new. Remember, amateurs built the ark. Professionals built the Titanic.

    Comment

    • BlkSmth
      Senior Member
      • May 2010
      • 89

      #22
      Re: Elo 1525L power board ptb-1218

      Originally posted by PlainBill
      Those values indicate the diodes are fine. At this point I'm going back and re-examining my conclusions. Let's try this - use the diode test function to make readings across the leads of Q803.

      Alldatasheet.com is having database problems, so we'll have to wing it. Number the pins in any order and measure 1-2 1-3 2-3 2-1 3-1 3-2 (the red probe goes on the first number of each pair).

      PlainBill
      got them readings. sorry it took o long guys... got a bit busy.
      here they are: 512 / 8 /1920+ / 1921+ / 8 / 524
      still not understanding why that diode on D806 reads both ways (317) on diode mode.

      looks like the acer al502 and the nec 1550me are based on this similar design.. I've scoured the web looking for this Now all I might need is a walk thru to make sure I'm learning to follow these schematics correctly, and get sufficient tools as needed.

      links to docs I found:



      and especially this one:


      note page 40, 88- *, then especially page 130

      Comment

      • PlainBill
        Badcaps Legend
        • Feb 2009
        • 7034
        • USA

        #23
        Re: Elo 1525L power board ptb-1218

        Originally posted by BlkSmth
        got them readings. sorry it took o long guys... got a bit busy.
        here they are: 512 / 8 /1920+ / 1921+ / 8 / 524
        still not understanding why that diode on D806 reads both ways (317) on diode mode.

        looks like the acer al502 and the nec 1550me are based on this similar design.. I've scoured the web looking for this Now all I might need is a walk thru to make sure I'm learning to follow these schematics correctly, and get sufficient tools as needed.

        links to docs I found:



        and especially this one:


        note page 40, 88- *, then especially page 130
        Don't worry about delays. My wife is on vacation for the summer, so my time is no longer under my control.

        Thanks for the links for the schematics; that will make it easier to explain things.

        Those numbers suggest something is seriously wrong with the FET. I'd suggest removing it from the board and testing it out of circuit; I've been wrong before. Here's the datasheet.

        PlainBill
        For a number of reasons, both health and personal, I will no longer be active on this board. Any PMs asking for assistance will be ignored.

        Never be afraid to try something new. Remember, amateurs built the ark. Professionals built the Titanic.

        Comment

        • BlkSmth
          Senior Member
          • May 2010
          • 89

          #24
          Re: Elo 1525L power board ptb-1218

          Readings just in

          Fet removed as request. 538 /8 /1925 / 1925 / 9/ 534

          what are the rules with fet for replacement as far as voltage etc.
          For example I have a p10nk70zfp from another board that I believe is good.

          Data Sheet: http://pdf1.alldatasheet.com/datashe...K70ZFP_07.html

          Comment

          • PlainBill
            Badcaps Legend
            • Feb 2009
            • 7034
            • USA

            #25
            Re: Elo 1525L power board ptb-1218

            Originally posted by BlkSmth
            Readings just in

            Fet removed as request. 538 /8 /1925 / 1925 / 9/ 534

            what are the rules with fet for replacement as far as voltage etc.
            For example I have a p10nk70zfp from another board that I believe is good.

            Data Sheet: http://pdf1.alldatasheet.com/datashe...K70ZFP_07.html
            This is really outside my area of expertise, and I get a queasy feeling whenever I suggest substituting parts. I was hoping someone more knowledgeable would have jumped in here.

            The rated voltage and current of your proposed replacement are better than the original. The only area that might be a problem is input capacitance. The proposed replacement has a capacitance 4 time greater than the original. I really can't predict how that will affect performance.

            PlainBill
            For a number of reasons, both health and personal, I will no longer be active on this board. Any PMs asking for assistance will be ignored.

            Never be afraid to try something new. Remember, amateurs built the ark. Professionals built the Titanic.

            Comment

            • BlkSmth
              Senior Member
              • May 2010
              • 89

              #26
              Re: Elo 1525L power board ptb-1218

              Originally posted by PlainBill
              This is really outside my area of expertise, and I get a queasy feeling whenever I suggest substituting parts. I was hoping someone more knowledgeable would have jumped in here.

              The rated voltage and current of your proposed replacement are better than the original. The only area that might be a problem is input capacitance. The proposed replacement has a capacitance 4 time greater than the original. I really can't predict how that will affect performance.

              PlainBill
              any other takers on this mosfet swap? I dont want to destroy the board
              the OEM # was 4N60B, this one is p10nk70zfp

              Comment

              • BlkSmth
                Senior Member
                • May 2010
                • 89

                #27
                Re: Elo 1525L power board ptb-1218

                Originally posted by BlkSmth
                any other takers on this mosfet swap? I dont want to destroy the board
                the OEM # was 4N60B, this one is p10nk70zfp
                Ok, I had a p4nk60zfp on another monitor. I thought the specs looks close enough to the s0220 sss4n60b. during removal with desoldering braid I think I ruined it.... The values dont seems to test on diode mode. dam it all again. Anyone got a good source so I can replace both with correct values? Also during that test plainbill had me do while in diode mode, what would the correct value or optimal would have be on the DMM?
                Thanks in advance guys...........BlkSmth

                the p4nk60zfp readings "Plainbill asked: Number the pins in any order and measure 1-2 1-3 2-3 2-1 3-1 3-2 (the red probe goes on the first number of each pair)" are open all except the last 3-2 which is 546 value.... They where diff before

                Comment

                • BlkSmth
                  Senior Member
                  • May 2010
                  • 89

                  #28
                  Re: Elo 1525L power board ptb-1218

                  cannot see giving up

                  I found what I think would be a good choice:# SSS4N60B s0220
                  http://www.mouser.com/Search/Product...y512-FQPF5N60C

                  Then the other I smoked... STP4NK60ZFP
                  http://www.mouser.com/Search/Product...11-STP4NK60ZFP

                  any peeps get a chance to verify that for me, that would be great. The oem datasheets are on links above........

                  Comment

                  • PlainBill
                    Badcaps Legend
                    • Feb 2009
                    • 7034
                    • USA

                    #29
                    Re: Elo 1525L power board ptb-1218

                    Originally posted by BlkSmth
                    Ok, I had a p4nk60zfp on another monitor. I thought the specs looks close enough to the s0220 sss4n60b. during removal with desoldering braid I think I ruined it.... The values dont seems to test on diode mode. dam it all again. Anyone got a good source so I can replace both with correct values? Also during that test plainbill had me do while in diode mode, what would the correct value or optimal would have be on the DMM?
                    Thanks in advance guys...........BlkSmth

                    the p4nk60zfp readings "Plainbill asked: Number the pins in any order and measure 1-2 1-3 2-3 2-1 3-1 3-2 (the red probe goes on the first number of each pair)" are open all except the last 3-2 which is 546 value.... They where diff before
                    Those numbers are NOT unreasonable for a power FET transistor. Here is the datasheet for the SSS4N60B. Note that the legs are G(ate) D(rain) S(ource) and that there is a diode which will conduct from Source to Drain (in normal operation Drain is positive with respect to Source). If you numbered in order, left to right 1=G, 2=D, 3=S, the results are exactly what I would expect.

                    Checking the specs, I would say the P4NK60ZPF is a good substitute for the SSS4N60B. It is available from Digi-Key for $1.40 each. Don't delay, they only have 3059 on hand.

                    PlainBill
                    For a number of reasons, both health and personal, I will no longer be active on this board. Any PMs asking for assistance will be ignored.

                    Never be afraid to try something new. Remember, amateurs built the ark. Professionals built the Titanic.

                    Comment

                    • BlkSmth
                      Senior Member
                      • May 2010
                      • 89

                      #30
                      Re: Elo 1525L power board ptb-1218

                      Got my Digikey order today

                      Replaced the Q803 with p4nk60zfp as a suggested relacement. still the same... pooooooop! Anyone got anymore suggestions? I'm overlooking something here. I would love to win this one. all this by shorting pins 2,3 on this Q803 originally.....

                      Comment

                      • BlkSmth
                        Senior Member
                        • May 2010
                        • 89

                        #31
                        Re: Elo 1525L power board ptb-1218

                        after replacing the mosfet Q803 I've taken some time to read all resistor values per the schematics link I supplied above.

                        Plainbill, that R811 is a 1.2ohm 2w colors where Brown, red, gold, gold. I can get nothing but infinite on DMM set on 200,2k,20k... but when I goto 200k I get 20.0 then while holding probes I can set the DMM back to 20k and get 19.98 .....must be bad? I dont have any laying around for subs other than 1.8ohm 3w ww 5% .... not sure them rules for this. Also testing futher indicates that the R814 set DMM on 2k reads 90.7 which should be according to the colors and schematic it should be a 47ohm Yellow, violet, black, gold.

                        any suggestions for replacements also rules for replacing resistors with larger values? anyone anything? thanks guys! ....Blk

                        Comment

                        • alexanna
                          Member
                          • Mar 2010
                          • 1346

                          #32
                          Re: Elo 1525L power board ptb-1218

                          Start over, with the DMM on the 200 ohm scale touch the probes together what reading do you get?
                          Whatever I do, I consider it a success, if in the end I am breathing, seeing, feeling and hearing!

                          Comment

                          • BlkSmth
                            Senior Member
                            • May 2010
                            • 89

                            #33
                            Re: Elo 1525L power board ptb-1218

                            Originally posted by alexanna
                            Start over, with the DMM on the 200 ohm scale touch the probes together what reading do you get?
                            Set DMM on 200, gives reading of 00.5 then goes down to 00.3 while holding for a few seconds

                            Comment

                            • jetadm123
                              Badcaps Legend
                              • Feb 2010
                              • 2169

                              #34
                              Re: Elo 1525L power board ptb-1218

                              I take it that you're measuring R811 in-circuit? Since other components could be affecting your readings, you'll have to remove it from the board and retake your measurements.

                              Comment

                              • BlkSmth
                                Senior Member
                                • May 2010
                                • 89

                                #35
                                Re: Elo 1525L power board ptb-1218

                                Originally posted by jetadm123
                                I take it that you're measuring R811 in-circuit? Since other components could be affecting your readings, you'll have to remove it from the board and retake your measurements.
                                maybe we have a winner on this one... its infinite all settings on DMM removed from circuit.

                                what are them rules for resistor replacement?

                                Comment

                                • BlkSmth
                                  Senior Member
                                  • May 2010
                                  • 89

                                  #36
                                  Re: Elo 1525L power board ptb-1218

                                  ok for replacment I have another similar board that i can rob a White, violet, silver, gold. whick calculates into .97ohm 1w for the R811. This must be better than the other suggestion of 1.8ohm 3w? any help is appreciated.

                                  Comment

                                  • BlkSmth
                                    Senior Member
                                    • May 2010
                                    • 89

                                    #37
                                    Re: Elo 1525L power board ptb-1218

                                    replaced the R811 on this thing. value checks at 1.2ohms and replaced the R814 with 47ohm 1/4w (bit larger)

                                    still not working. any other suggestions? top portions of this board not getting power. nothing past the I802, C828

                                    Comment

                                    • BlkSmth
                                      Senior Member
                                      • May 2010
                                      • 89

                                      #38
                                      Re: Elo 1525L power board ptb-1218

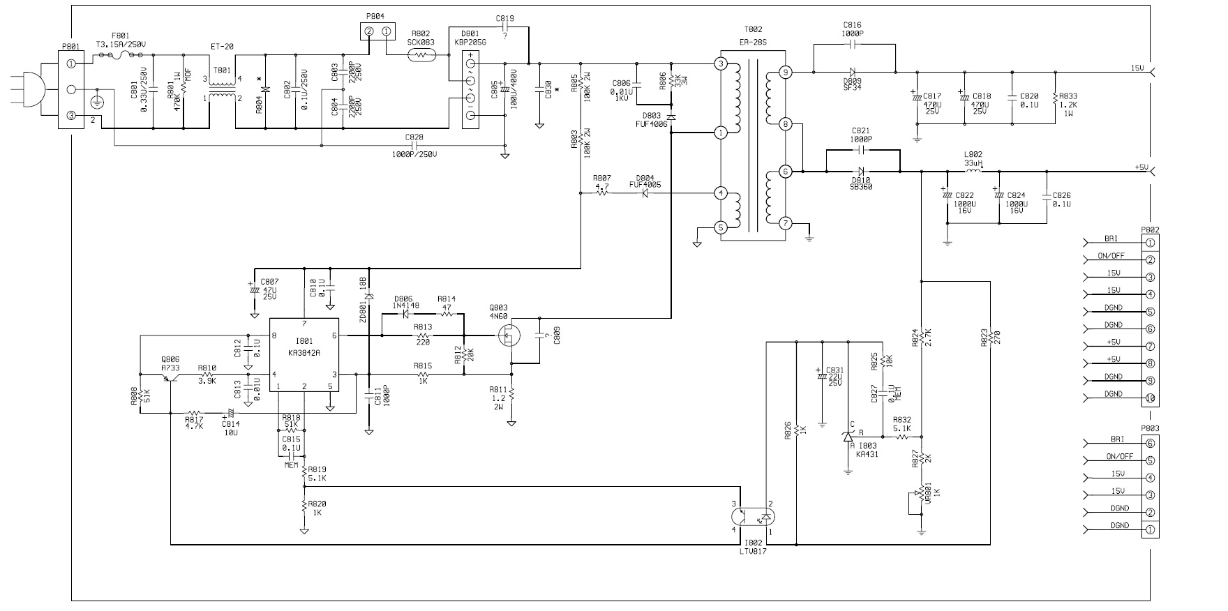
                                      Here is a schematic for easy following maybe this will someone better than me. I've check every resistor now..all check good

                                      wish I could fire this thing. Shorting Q803 was bad orginally

                                      So far I've replaced Q803, R811, R814

                                      any pointers other than dig a hole are welcome :P

                                      Not sure how to test D806. I have a replacement thats exact if it was proven failed...I'd have to remove it from another board.
                                      Attached Files

                                      Comment

                                      • BlkSmth
                                        Senior Member
                                        • May 2010
                                        • 89

                                        #39
                                        Re: Elo 1525L power board ptb-1218

                                        Here is a flowchart troubleshoot that might make things easier for someone to help me

                                        still unsure where I need that black probe set for ground when checking thse values.

                                        and then troubleshooting the d806
                                        Attached Files

                                        Comment

                                        • Toasty
                                          Badcaps Legend
                                          • Jul 2007
                                          • 4171

                                          #40
                                          Re: Elo 1525L power board ptb-1218

                                          Voltage across C805? C807?
                                          veritas odium parit

                                          Comment

                                          Related Topics

                                          Collapse

                                          Working...