Dell e172FPb Actual Schematics

Collapse
X
 
  • Time
  • Show
Clear All
new posts
  • lcdman
    TinkerTech
    • Nov 2010
    • 232
    • U.S.A.

    #1

    Dell e172FPb Actual Schematics

    Hello,

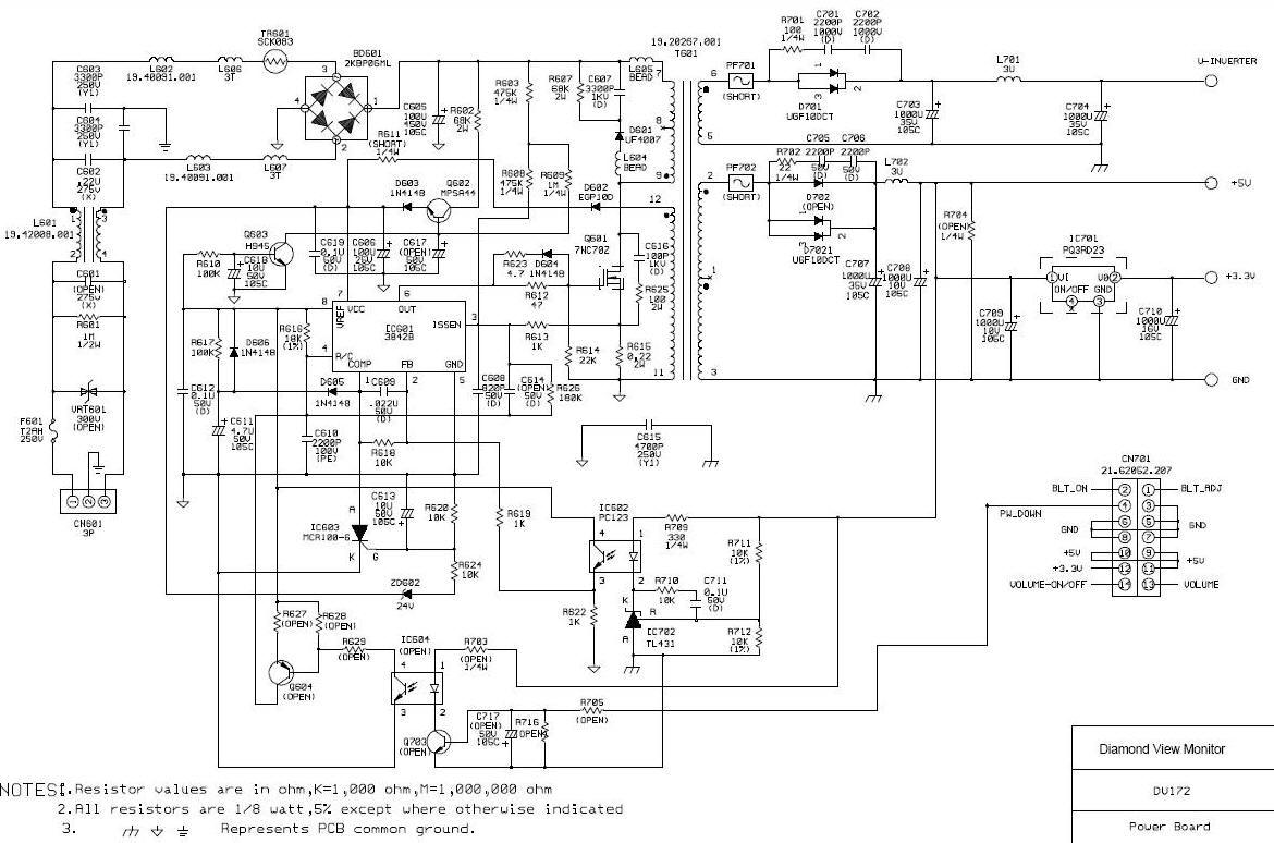
    I need ACTUAL circuit schematics for a Dell e172FBb inverter/power board. I've seen some but they never have all the parts in them? I have the following board revision numbers that I'm looking for at this time.

    48.L9202.A01
    48.L9202.A02
    48.L9202.A10
    48.L9202.A11
    48.L9202.A12
    48.L0J02.A12

    These are out there somewhere! I just haven't located them yet. I've checked and replaced all bad caps,transistors. None of the resistors appear burnt. And all of the diodes and the PF751 fuse check good. But I' still not getting the correct voltages at the union connector between the inverter/power board and the logic board? Any help that this site could provide would be awesome!

    Thanks
    lcdman
  • retiredcaps
    Badcaps Legend
    • Apr 2010
    • 9271

    #2
    Re: Dell e172FPb Actual Schematics

    Originally posted by lcdman
    But I' still not getting the correct voltages at the union connector between the inverter/power board and the logic board?
    Can you give an example of incorrect voltages? Are the voltages fluctuating or steady?

    Also, what are the voltages at the dual diode pack/Schottky?
    --- begin sig file ---

    If you are new to this forum, we can help a lot more if you please post clear focused pictures (max resolution 2000x2000 and 2MB) of your boards using the manage attachments button so they are hosted here. Information and picture clarity compositions should look like this post.

    We respectfully ask that you make some time and effort to read some of the guides available for basic troubleshooting. After you have read through them, then ask clarification questions or report your findings.

    Please do not post inline and offsite as they slow down the loading of pages.

    --- end sig file ---

    Comment

    • EGuevarae
      Badcaps Legend
      • Nov 2008
      • 1336
      • USA

      #3
      Re: Dell e172FPb Actual Schematics

      Originally posted by retiredcaps
      Can you give an example of incorrect voltages? Are the voltages fluctuating or steady?

      Also, what are the voltages at the dual diode pack/Schottky?
      I agree. More info, and actual readings are needed.
      As for actual schematics,that's a hard one .....
      There are 10 kind of people in this world: those that understand binary, and those who don't.
      • ASUS ROG Maximus IX Code
      • Intel Core i5-7600K 3.8GHz
      • 16gb GSKILL TridentZ RGB DDR4-3200
      • 1 M2 SSD + 2 WD Blue 1TB (Mirrored)
      • Windows 10 Pro x64
      • GeForce GT1050
        2 x Acer KA240H + 1 Vewsonic VP2130 21 (a cap replacement job )

      Comment

      • lcdman
        TinkerTech
        • Nov 2010
        • 232
        • U.S.A.

        #4
        Re: Dell e172FPb Actual Schematics

        Originally posted by retiredcaps
        Can you give an example of incorrect voltages? Are the voltages fluctuating or steady?

        Also, what are the voltages at the dual diode pack/Schottky?
        Hello,

        I have a pin-out of a working board at the connection point between the inverter/logic boards. Hopefully I posted it correctly? The voltages drop and don't recover. As far as "dual diode pack/Schottky", I don't know which part on the board you're referring too? Maybe you can tell me a part # on the board or even a picture of what you are talking about?

        Thanks Again.
        lcdman
        Attached Files

        Comment

        • jetadm123
          Badcaps Legend
          • Feb 2010
          • 2169

          #5
          Re: Dell e172FPb Actual Schematics

          Originally posted by lcdman
          Hello,

          I have a pin-out of a working board at the connection point between the inverter/logic boards. Hopefully I posted it correctly? The voltages drop and don't recover. As far as "dual diode pack/Schottky", I don't know which part on the board you're referring too? Maybe you can tell me a part # on the board or even a picture of what you are talking about?

          Thanks Again.
          lcdman
          It would help immensely if you could post photos of your board. That way, members can point exactly to the component they want you to test. There were many different versions of power supplies used on the E172-173 series of monitors and members will not spend too much time looking for pictures for you.
          Last edited by jetadm123; 12-08-2010, 12:02 PM.

          Comment

          • EGuevarae
            Badcaps Legend
            • Nov 2008
            • 1336
            • USA

            #6
            Re: Dell e172FPb Actual Schematics

            Originally posted by jetadm123
            It would help immensely if you could post photos of your board. That way, members can point exactly to the component they want you to test. There were many different versions of power supplies used on the E172-173 series of monitors and members will not spend too much time looking for pictures for you.
            Sorry for breaking the no-inline pictures rule, but ....
            Attached Files
            There are 10 kind of people in this world: those that understand binary, and those who don't.
            • ASUS ROG Maximus IX Code
            • Intel Core i5-7600K 3.8GHz
            • 16gb GSKILL TridentZ RGB DDR4-3200
            • 1 M2 SSD + 2 WD Blue 1TB (Mirrored)
            • Windows 10 Pro x64
            • GeForce GT1050
              2 x Acer KA240H + 1 Vewsonic VP2130 21 (a cap replacement job )

            Comment

            • retiredcaps
              Badcaps Legend
              • Apr 2010
              • 9271

              #7
              Re: Dell e172FPb Actual Schematics

              Originally posted by lcdman
              I have a pin-out of a working board at the connection point between the inverter/logic boards. Hopefully I posted it correctly? The voltages drop and don't recover. As far as "dual diode pack/Schottky", I don't know which part on the board you're referring too?
              Just so we are clear, the units you have listed is mvac. Is that millivolts AC? If not, what is it?

              Generally, on the connectors between the inverter and logic board, we are measuring DC V. Some board will have the voltages printed right on the PCB.

              The "dual diode pack/Schottky" is usually 3 legged IC mounted on a heatsink.
              Last edited by retiredcaps; 12-08-2010, 02:47 PM.
              --- begin sig file ---

              If you are new to this forum, we can help a lot more if you please post clear focused pictures (max resolution 2000x2000 and 2MB) of your boards using the manage attachments button so they are hosted here. Information and picture clarity compositions should look like this post.

              We respectfully ask that you make some time and effort to read some of the guides available for basic troubleshooting. After you have read through them, then ask clarification questions or report your findings.

              Please do not post inline and offsite as they slow down the loading of pages.

              --- end sig file ---

              Comment

              • sabre504
                Badcaps Veteran
                • May 2010
                • 449
                • United Kingdom

                #8
                Re: Dell e172FPb Actual Schematics

                Not sure if this will help its the only one i have but there are a lot of revisions on this unit so this one may not be correct
                Attached Files

                Comment

                • lcdman
                  TinkerTech
                  • Nov 2010
                  • 232
                  • U.S.A.

                  #9
                  Re: Dell e172FPb Actual Schematics

                  Hello,

                  The readings I got at CN701 were in millivolts AC! I checked all electrolytic caps. And replaced where they were bad. I replaced all (4) C5707 and the (2) FU9024N transistors. I even checked the main fuse and PF751. I also checked all of the diodes. And all of the other transistors on sinks as well as just regular transistors without sinks. The only things that I didn't finish checking were the resistors as seen in the one A10 picture. I fixed one e172FPb with replacing just the (4) C5707 and the (2) FU9024N and PF751 fuse. And its still working well several months later. But before that monitor I never tinkered with an LCD monitor before. So I have alot more to learn thats why I'm here on your site!
                  I tried enclosing 12 pictures front and back of all the inverter/power boards that I'm currently working on but they were missing a security something?
                  I tried sending them compressed. Any suggestions?

                  Thanks Again,
                  lcdman

                  Comment

                  • retiredcaps
                    Badcaps Legend
                    • Apr 2010
                    • 9271

                    #10
                    Re: Dell e172FPb Actual Schematics

                    Originally posted by lcdman
                    The readings I got at CN701 were in millivolts AC!
                    At that connector, we want to measure DC V. Typically readings for Benq style boards are 5V and 12V DC.

                    I tried enclosing 12 pictures front and back of all the inverter/power boards that I'm currently working on but they were missing a security something?
                    I tried sending them compressed. Any suggestions?
                    1) Post clear focused pictures after reading

                    https://www.badcaps.net/forum/showthread.php?t=1868

                    2) Please do not post pictures inline as they slow down the loading of pages.

                    3) For best picture quality and clarity take your boards to a window on a sunny day, turn flash off, and use macro mode. Take a top down view of all your boards (front and back). Make sure the photo is legible so that we can read the PCB printing clearly. A shutter speed of 1/125 or faster will produce nice clear focused pictures. Try to get a photo that is 2000x2000 resolution or as close as possible.

                    4) Here is an example of the pictures we want.

                    https://www.badcaps.net/forum/showpos...94&postcount=1

                    edit: 5) The max size for each pictures is 2MB.
                    Last edited by retiredcaps; 12-09-2010, 05:28 PM. Reason: added 5)
                    --- begin sig file ---

                    If you are new to this forum, we can help a lot more if you please post clear focused pictures (max resolution 2000x2000 and 2MB) of your boards using the manage attachments button so they are hosted here. Information and picture clarity compositions should look like this post.

                    We respectfully ask that you make some time and effort to read some of the guides available for basic troubleshooting. After you have read through them, then ask clarification questions or report your findings.

                    Please do not post inline and offsite as they slow down the loading of pages.

                    --- end sig file ---

                    Comment

                    • lcdman
                      TinkerTech
                      • Nov 2010
                      • 232
                      • U.S.A.

                      #11
                      Re: Dell e172FPb Actual Schematics

                      Hello,

                      I didn't see you tell me why my pictures needed a security thing a ma gig. I have pictures of the revision number and the component side of the boards. Can I post all my pictures using the insert image button above? I did try measuring DC at the union between the two boards. I went from left to right. Measuring top and bottom pins as a set all the way across. Is there a different process for measuring the voltages at that point? I'm not a technician but have been tinkering with electronics for awhile. Its possible that I checked a component incorrectly! Please tell me another way other than risking injury using my Fluke with a live circuit.

                      Thanks As Always,
                      lcdman

                      Comment

                      • retiredcaps
                        Badcaps Legend
                        • Apr 2010
                        • 9271

                        #12
                        Re: Dell e172FPb Actual Schematics

                        Originally posted by lcdman
                        Can I post all my pictures using the insert image button above?
                        Use the manage attachments button to upload pictures. It is documented in the FAQ link I posted above.

                        I did try measuring DC at the union between the two boards. I went from left to right. Measuring top and bottom pins as a set all the way across. Is there a different process for measuring the voltages at that point?
                        To measure DC voltage, put your fluke on DC voltage. Put all your boards together with the ground screws back in. Put your black lead into the COM. Put your red lead into the Volt.

                        Put your black probe onto a ground screw near the connectors. Put your red probe on each connector. All these voltages on the connector are typically less than 19V and will not cause a problem for Flukes.
                        --- begin sig file ---

                        If you are new to this forum, we can help a lot more if you please post clear focused pictures (max resolution 2000x2000 and 2MB) of your boards using the manage attachments button so they are hosted here. Information and picture clarity compositions should look like this post.

                        We respectfully ask that you make some time and effort to read some of the guides available for basic troubleshooting. After you have read through them, then ask clarification questions or report your findings.

                        Please do not post inline and offsite as they slow down the loading of pages.

                        --- end sig file ---

                        Comment

                        • lcdman
                          TinkerTech
                          • Nov 2010
                          • 232
                          • U.S.A.

                          #13
                          Re: Dell e172FPb Actual Schematics

                          Hello,

                          I still can't upload all 12 of my board images! I don't have a URL to do the images either! I just keep getting a message about a missing security token? I got a image to upload once. How do I get this elusive security token? Do I understand you correctly, each of the ten pins at CN701 has a voltage DC?
                          I'll try to measure each pin. From the closest ground screw to each of the ten pins. What kind of voltages DC should I find at pins 1-10? Thanks for the advice!

                          Have A Great Day,
                          lcdman

                          Comment

                          • retiredcaps
                            Badcaps Legend
                            • Apr 2010
                            • 9271

                            #14
                            Re: Dell e172FPb Actual Schematics

                            Originally posted by lcdman
                            Hello,

                            I still can't upload all 12 of my board images!

                            Do I understand you correctly, each of the ten pins at CN701 has a voltage DC?
                            We don't need 12 pictures. I don't manage this site, just upload one board picture (top view).

                            I have never heard of anyone requiring a security token. All you have to do is use the manage attachments button to upload. Just upload ONE picture. Pay attention to the 2000x2000 resolution and 2MB limit for each picture.

                            Some of the pins will be ground, some will have DC voltages, some pins are used for backlight on/off, dimmer adjustment.
                            Last edited by retiredcaps; 12-10-2010, 10:46 AM.
                            --- begin sig file ---

                            If you are new to this forum, we can help a lot more if you please post clear focused pictures (max resolution 2000x2000 and 2MB) of your boards using the manage attachments button so they are hosted here. Information and picture clarity compositions should look like this post.

                            We respectfully ask that you make some time and effort to read some of the guides available for basic troubleshooting. After you have read through them, then ask clarification questions or report your findings.

                            Please do not post inline and offsite as they slow down the loading of pages.

                            --- end sig file ---

                            Comment

                            • retiredcaps
                              Badcaps Legend
                              • Apr 2010
                              • 9271

                              #15
                              Re: Dell e172FPb Actual Schematics

                              BTW, we should ask you what is the actual problem that makes you want to measure the DC voltage at the connectors? Please describe in as much detail as possible.
                              --- begin sig file ---

                              If you are new to this forum, we can help a lot more if you please post clear focused pictures (max resolution 2000x2000 and 2MB) of your boards using the manage attachments button so they are hosted here. Information and picture clarity compositions should look like this post.

                              We respectfully ask that you make some time and effort to read some of the guides available for basic troubleshooting. After you have read through them, then ask clarification questions or report your findings.

                              Please do not post inline and offsite as they slow down the loading of pages.

                              --- end sig file ---

                              Comment

                              • torin3
                                Senior Member
                                • Aug 2009
                                • 178

                                #16
                                Re: Dell e172FPb Actual Schematics

                                Originally posted by lcdman
                                Hello,

                                I still can't upload all 12 of my board images! I don't have a URL to do the images either! I just keep getting a message about a missing security token? I got a image to upload once. How do I get this elusive security token?
                                How are you trying to upload 12 photos? There are only 10 slots for upload locations in the manage attachments window. You can't put in 12. If you really feel you need 12, try 6 in one post and 6 in another. Also, what file extension are these photos? What size are the photos?

                                Comment

                                • lcdman
                                  TinkerTech
                                  • Nov 2010
                                  • 232
                                  • U.S.A.

                                  #17
                                  Re: Dell e172FPb Actual Schematics

                                  Hello Yet Again,

                                  I smoked a logic board. Since then I've been trying to get a working monitor. Maybe there was a short? I think that the pictures will work now. Sorry for the delay. I said that I was new to this site! Thanks again for all your wisdom.

                                  Till Next Time,
                                  lcdman
                                  Attached Files

                                  Comment

                                  • PlainBill
                                    Badcaps Legend
                                    • Feb 2009
                                    • 7034
                                    • USA

                                    #18
                                    Re: Dell e172FPb Actual Schematics

                                    Originally posted by lcdman
                                    Hello Yet Again,

                                    I smoked a logic board. Since then I've been trying to get a working monitor. Maybe there was a short? I think that the pictures will work now. Sorry for the delay. I said that I was new to this site! Thanks again for all your wisdom.

                                    Till Next Time,
                                    lcdman
                                    You don't follow instructions very well, do you? Those pictures are too low resolution to be useful. It's just as well you also omitted pictures of the bottom side of the board.

                                    You 'Smoked a logic board'. HOW did you smoke it? And why are you posting pictures of the power supply?

                                    Here are my instructions: Read the suggestions on attaching pictures. Take good pictures of the top and bottom of one of the power supplies. In your next post explain EXACTLY what you are trying to accomplish. If requested, attach the pictures.

                                    A lot of the people here started off knowing next to nothing about repairing monitors before they found this board. I am one of them. Some knew very little about troubleshooting electronics. Most knew a little.

                                    That doesn't matter. We are willing to help you, but you must also provide clear and correct information before we can help.

                                    PlainBill
                                    For a number of reasons, both health and personal, I will no longer be active on this board. Any PMs asking for assistance will be ignored.

                                    Never be afraid to try something new. Remember, amateurs built the ark. Professionals built the Titanic.

                                    Comment

                                    • lcdman
                                      TinkerTech
                                      • Nov 2010
                                      • 232
                                      • U.S.A.

                                      #19
                                      Re: Dell e172FPb Actual Schematics

                                      Hello All,

                                      I hooked up a "power supply" to a logic board and then to the screen, etc.
                                      Plugged it in and the logic board started to smoke. So I very quickly unplugged the PSB and went back to the drawing board. Like I stated before the PSB probably had a short after attempting to repair loose C5707 and FU9024 that were found after dissembling this monitor in the first place. So then I went about checking and replacing all the (4) C5707, the (2) FU9024N and the radial caps that had possibly failed. After doing those redos I thought that it would be better to check the voltages before ruining another logic board, they are too expensive to replace. Since that attempt I then fixed the other 5 boards that I tried to post pictures here. If you need more info, I know you guys will tell me!

                                      Have A Good One,
                                      lcdman

                                      Comment

                                      • PlainBill
                                        Badcaps Legend
                                        • Feb 2009
                                        • 7034
                                        • USA

                                        #20
                                        Re: Dell e172FPb Actual Schematics

                                        Originally posted by lcdman
                                        Hello All,

                                        I hooked up a "power supply" to a logic board and then to the screen, etc.
                                        Plugged it in and the logic board started to smoke. So I very quickly unplugged the PSB and went back to the drawing board. Like I stated before the PSB probably had a short after attempting to repair loose C5707 and FU9024 that were found after dissembling this monitor in the first place. So then I went about checking and replacing all the (4) C5707, the (2) FU9024N and the radial caps that had possibly failed. After doing those redos I thought that it would be better to check the voltages before ruining another logic board, they are too expensive to replace. Since that attempt I then fixed the other 5 boards that I tried to post pictures here. If you need more info, I know you guys will tell me!

                                        Have A Good One,
                                        lcdman
                                        NOW it's clearer. Good idea NOT trying another logic card on that good power supply / inverter (PS/I) card. Lots of people would have blown two or three logic cards.

                                        Let me verify this. You have 5 good PS/I cards, 5 good logic cards, and 6 good panels. Is that correct?

                                        If it is, the most likely cause is excessive voltage out of the power supply. You can test it without anything hooked up to the card (except a power cord). Check the voltages on the connector to the logic card. If you need help idetifying the points to test, attach good pictures (as close to 2000 x 2000 as possible) and we'll identify the proper points.

                                        I would suggest that a good LCD panel is probably worth more than the cost of repairing the power supply and replacing the logic card.

                                        PlainBill
                                        For a number of reasons, both health and personal, I will no longer be active on this board. Any PMs asking for assistance will be ignored.

                                        Never be afraid to try something new. Remember, amateurs built the ark. Professionals built the Titanic.

                                        Comment

                                        Related Topics

                                        Collapse

                                        Working...