DIY Backup with sealed lead acid battery

Collapse
X
 
  • Time
  • Show
Clear All
new posts
  • petehall347
    Badcaps Legend
    • Jan 2015
    • 4442
    • United Kingdom

    #41
    Re: DIY Backup with sealed lead acid battery

    you could maybe adapt this circuit . http://www.thebackshed.com/Windmill/...Controller.asp

    Comment

    • Curious.George
      Badcaps Legend
      • Nov 2011
      • 2305
      • Unknown

      #42
      Re: DIY Backup with sealed lead acid battery

      Originally posted by Dannyx
      Not sure whether I should go with a 24v or 12v battery. A 12v one would still require a "master" supply voltage of (I'd say at least) 18-19v to charge it, through a control circuit of course....this is if we want the "advanced" version.
      Chances are, anything greater than 12V will rely on a battery pack, not just a single "battery".

      Any time you connect cells together (to form a "battery"), you run the risk of imbalances in the cells complicating charging strategies. And, eventually, leading to battery failure (because most chargers don't monitor individual cells).

      When you buy a "battery", you eliminate some of this problem -- at least all of the cells are the same age and have experienced the same operating and charging conditions over their lifetime (there are some batteries that have internal taps which disprove this but those aren't likely to be anything you'll encounter).

      When you ASSEMBLE a battery PACK, you're back in the realm of dealing with different subassemblies that may have different manufacturing, usage and charging histories. So, open to failure from this (because your charger likely won't monitor individual BATTERIES and your user may elect to replace just one battery but not the other).

      E.g., folks who replace the batteries in their UPSs often replace only some (one?) of the batteries (most commercial UPSs use 2 or 4 batteries in a pack) in an attempt to save a few dollars. The manufacturer, OTOH, tries to package the battery pack as an assembly to ensure that all of the batteries within are replaced at the same time (yeah, it also lets them "make a bigger sale").

      Attached, pic of the battery pack used in my UPSs (DIMM for scale)
      Attached Files

      Comment

      • Dannyx
        CertifiedAxhole
        • Aug 2016
        • 3912
        • Romania

        #43
        Re: DIY Backup with sealed lead acid battery

        There DO exist 24v "batteries" (assembled batteries as you put it, ready to be hooked up), but voltage isn't the only aspect: capacity is important as well.

        From what I see, naturally, the lower the voltage, the "easier" it is for the capacity to be greater and by "easier" I mean "easier" on the wallet, because there DO exist high AH rating UPS batteries, or car batteries, but the prices are way up there, plus car batteries are ill-suited for deep cycling from what I know. Deep cycle batteries...pfft...forget about it...the prices are just....geez....WTH ? It's lead not gold
        Wattevah...

        Comment

        • Curious.George
          Badcaps Legend
          • Nov 2011
          • 2305
          • Unknown

          #44
          Re: DIY Backup with sealed lead acid battery

          Originally posted by Dannyx
          There DO exist 24v "batteries" (assembled batteries as you put it, ready to be hooked up), but voltage isn't the only aspect: capacity is important as well.
          You can get batteries in any multiple of the chemistry's cell voltage -- I had 48V "dry cells" as a kid.

          But, certain cell combinations are ubiquitous -- 12V, by far, the most common (you can find 6V batteries but usually for smaller case sizes). Other sizes are rarely seen unless you have a specific application and the deep pockets to justify a custom assembly.

          Comment

          • Dannyx
            CertifiedAxhole
            • Aug 2016
            • 3912
            • Romania

            #45
            Re: DIY Backup with sealed lead acid battery

            The 6v solution also crossed my mind because they have higher capacities, but it would also mean I'd have to stack at least 2-3 of them which could become expensive. For roughly the same price, I could parallel two 12 or 24v ones, albeit I'd run into the same issue of imbalances between them. Granted, power outages don't last more than 1-2 hours at the very most (and even those happen like once every 3 years or so), so one should suffice. I have to first maybe conduct some bench testing to see how low the devices can operate before displaying erratic behaviour...I'm expecting around 10v.
            Wattevah...

            Comment

            • stj
              Great Sage 齊天大聖
              • Dec 2009
              • 31255
              • Albion

              #46
              Re: DIY Backup with sealed lead acid battery

              car battery??

              Comment

              • TechGeek
                Computer Geek
                • Jan 2015
                • 2254
                • USA

                #47
                Re: DIY Backup with sealed lead acid battery

                Originally posted by stj
                car battery??
                Not unless it's a deep cycle AGM battery.
                Don't buy those $10 PSU "specials". They fail, and they have taken whole computers with them.

                My computer doubles as a space heater.

                Permanently Retired Systems:
                RIP Advantech UNO-3072LA (2008-2021) - Decommissioned and taken out of service permanently due to lack of software support for it. Not very likely to ever be recommissioned again.
                Asus Q550LF (Old main laptop, 2014-2022) - Decommissioned and stripped due to a myriad of problems, the main battery bloating being the final nail in the coffin.


                Kooky and Kool Systems
                - 1996 Power Macintosh 7200/120 + PC Compatibility Card - Under Restoration
                - 1993 Gateway 2000 80486DX/50 - Fully Operational/WIP
                - 2004 Athlon 64 Retro Gaming System - Indefinitely Parked
                - Main Workstation - Fully operational!

                sigpic

                Comment

                • Dannyx
                  CertifiedAxhole
                  • Aug 2016
                  • 3912
                  • Romania

                  #48
                  Re: DIY Backup with sealed lead acid battery

                  Actually let's talk about what battery I should use. As it turns out, it's not as easy as I expected: there's quite a few different characteristics to watch out for, besides the AH rating and it can get a bit confusing, especially when you're browsing through local ads where a lot of the time this technical lingo gets translated which further adds to the confusion.

                  For instance: I found a relatively cheap battery which says it's a "gel acid" battery, rated at 12v 20AH...would this make it a VRLA, or is VRLA the generic term for ALL "maintenance-free" lead acid batteries ?
                  Wattevah...

                  Comment

                  • stj
                    Great Sage 齊天大聖
                    • Dec 2009
                    • 31255
                    • Albion

                    #49
                    Re: DIY Backup with sealed lead acid battery

                    there are ones designed to be cycled - not for you,
                    and ones designed to be kept on a float until shit happens - probably what your looking for.

                    Comment

                    • Dannyx
                      CertifiedAxhole
                      • Aug 2016
                      • 3912
                      • Romania

                      #50
                      Re: DIY Backup with sealed lead acid battery

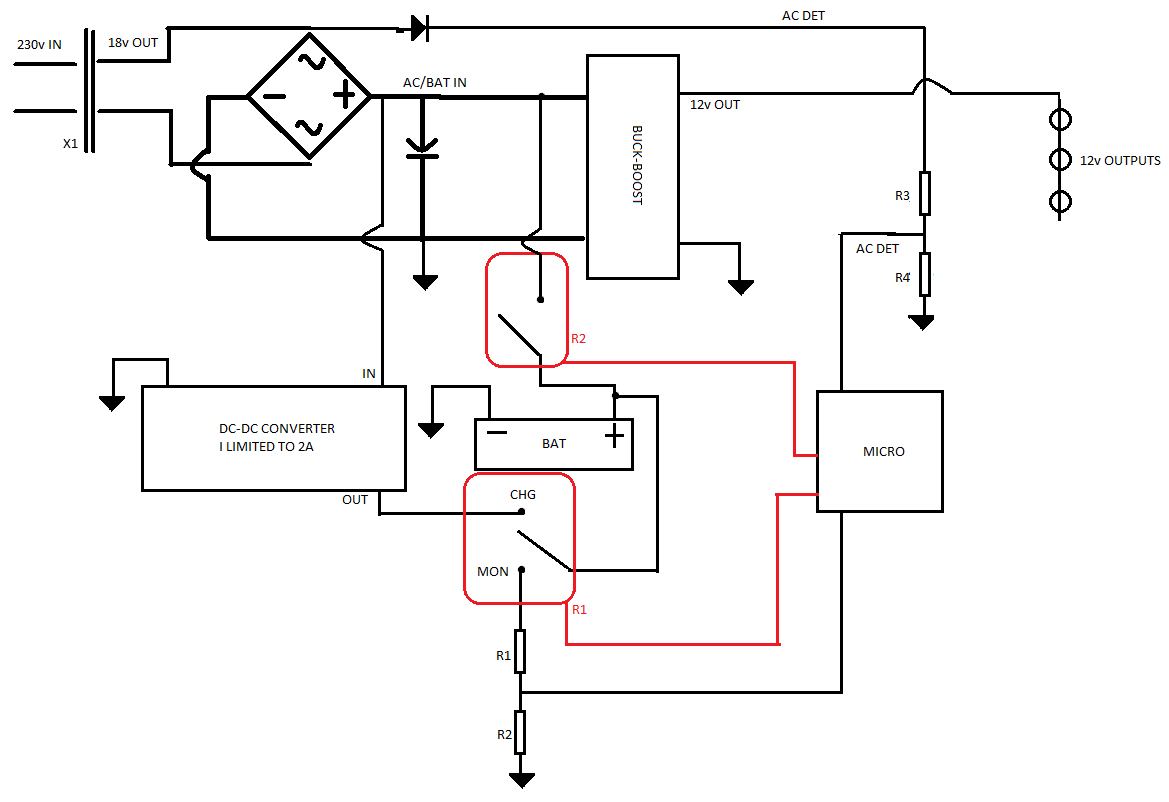
                      Hey fellas, how you've been. Today I sat down and revisited this project. This time I even threw together a schematic...could be overkill, but the idea is to use a buck converter to handle the charging and another buck converter to do the actual regulation to the output devices.

                      When AC is present, the micro keeps R2 open and the buck converter at the top is powered by the unregulated 18V supply only (which will be higher than that due to the cap and the bridge rectifier). The device will happily get its 12v. Periodically, the micro probes the battery by closing R1 so that it's in the MON position (which I made up). The resistor divider does its thing, the micro compares that to a reference and determines if it needs charging. If it does, it leaves the relay in the CHG position (OFF). After a while it checks it again and so on.

                      If AC fails, the AC DET line will drop and the micro goes into BAT mode: R2 closes and the buck converter at the top is powered by the battery....didn't really think it through and it's just a scribble. There's a lot of things missing: zener diodes here and there for one thing and even the concept itself could be unnecessarily complicated.
                      Attached Files
                      Wattevah...

                      Comment

                      • budm
                        Badcaps Legend
                        • Feb 2010
                        • 40746
                        • USA

                        #51
                        Re: DIY Backup with sealed lead acid battery

                        What is the AC window range for the AC det? I.E. if the AC is still present but lower than normal will it false trigger the circuit?
                        Last edited by budm; 12-13-2018, 11:26 AM.
                        Never stop learning
                        Basic LCD TV and Monitor troubleshooting guides.
                        http://www.badcaps.net/forum/showthr...956#post305956

                        Voltage Regulator (LDO) testing:
                        http://www.badcaps.net/forum/showthr...999#post300999

                        Inverter testing using old CFL:
                        http://www.badcaps.net/forum/showthr...er+testing+cfl

                        Tear down pictures : Hit the ">" Show Albums and stories" on the left side
                        http://s807.photobucket.com/user/budm/library/

                        TV Factory reset codes listing:
                        http://www.badcaps.net/forum/showthread.php?t=24809

                        Comment

                        • Dannyx
                          CertifiedAxhole
                          • Aug 2016
                          • 3912
                          • Romania

                          #52
                          Re: DIY Backup with sealed lead acid battery

                          Good observation and it also gives me an idea for an overvoltage protection feature. I'd measure the voltage on the secondary with "normal" 230v present at the transformer's primary and adjust the resistor divider to read about 2.5v - this would be normal. Using a variac which I thankfully have, I'd then lower the primary voltage to about 90v which I believe is the absolute minimum for most SMPS-powered devices to run properly. I'd measure the voltage at the divider again and set this value as the low threshold. Anything below this should cause it to go into battery mode.

                          Likewise with OV: crank the variac to the max to around 270v primary, measure the voltage and set this as upper threshold. I'm not sure how the circuit should behave at this point: if the mains is overvolted for too long, I THINK it could damage the transformer so it would have to be disconnected from the mains via a relay, however upon doing this, there's no way for the circuit to know if the overvoltage is still there and connecting it back could cause a bang if mains is too high for various reasons. I think I can do this with an analogRead command.

                          A zener diode could be placed with its cathode on that sense line and the anode at GND to prevent the voltage from exceeding 5v and killing the input pin.
                          A zener could also be placed like this at the transformer's output to prevent the voltage from exceeding the buck converter's maximum input by blowing a fuse for instance....around 35v I believe is what it can take.
                          Another fuse should go in series with the battery, main 12v output and mains of course.
                          Wattevah...

                          Comment

                          • Curious.George
                            Badcaps Legend
                            • Nov 2011
                            • 2305
                            • Unknown

                            #53
                            Re: DIY Backup with sealed lead acid battery

                            Originally posted by Dannyx
                            When AC is present, the micro keeps R2 open and the buck converter at the top is powered by the unregulated 18V supply only (which will be higher than that due to the cap and the bridge rectifier). The device will happily get its 12v. Periodically, the micro probes the battery by closing R1 so that it's in the MON position (which I made up). The resistor divider does its thing, the micro compares that to a reference and determines if it needs charging. If it does, it leaves the relay in the CHG position (OFF). After a while it checks it again and so on.

                            If AC fails, the AC DET line will drop and the micro goes into BAT mode: R2 closes and the buck converter at the top is powered by the battery....didn't really think it through and it's just a scribble. There's a lot of things missing: zener diodes here and there for one thing and even the concept itself could be unnecessarily complicated.
                            There's no advantage to disconnecting the sense lead for the battery when it is being charged -- just have the software note the virtual position of the relay in its interpretation of the sense voltage input. Being able to watch the battery voltage at all times gives you additional information (e.g., is the battery voltage being unduly influenced by the application of charge current? Is the battery voltage not increasing as expected while being charged?)

                            (You may, in fact, want to have a means of completely isolating the battery if your parasitic loads are considerably more than the self-discharge rate of the battery -- lest you run it into the ground when power is absent)

                            Note, also, that the peak voltage being sensed by your AC detector will vary based on the load you are placing on the transformer; when lightly loaded, the peak AC detect voltage will be higher than when more heavily loaded (unless you oversize the transformer to reduce its effective output impedance).

                            Instead of disconnecting the charger to test the battery, try just disabling it.

                            Comment

                            • Dannyx
                              CertifiedAxhole
                              • Aug 2016
                              • 3912
                              • Romania

                              #54
                              Re: DIY Backup with sealed lead acid battery

                              Here's another version. I drew it by hand this time to save time, so please excuse the gorilla handwriting and grandmamma's paper

                              This time I'm keeping the resistor divider (R1, R2) connected to the battery all the time, in hopes that the losses over that resistor divider in time would be so low they would be negligible.

                              I'm using 3 relays this time:
                              R1 is rather optional: it disables the DC-DC converter I'm using for charging.
                              R2 is the "charge-or-run" relay: it toggles the battery between the output of the DC converter used for charging and the DC converter used for output.
                              R3 is the main battery cutoff relay.

                              There's a legend on the right for each of the 3 states: mains mode+charging, just mains (charging done or battery not connected), battery mode.

                              Alternatively, I was thinking of keeping the battery connected to the output of the charge DC converter all the time when not in use (with the DC converter being off), but I wasn't sure how bad the "leak-through" on that thing's output diode would be, so just to be safe I'm cutting it off entirely when done charging or when the MCU decides it's time to turn off the whole system if the battery drops too low in battery mode.

                              R3 and R4 form the AC-DET resistor divider like before to let the MCU know when mains is present.
                              Attached Files
                              Wattevah...

                              Comment

                              • Dannyx
                                CertifiedAxhole
                                • Aug 2016
                                • 3912
                                • Romania

                                #55
                                Re: DIY Backup with sealed lead acid battery

                                Better yet, instead of relays, how about some FETs ? Not perfect, as there's still going to be losses and some unwanted conduction even when the FET is "off" I believe.
                                Wattevah...

                                Comment

                                • kc8adu
                                  Super Moderator
                                  • Nov 2003
                                  • 8832
                                  • U.S.A!

                                  #56
                                  Re: DIY Backup with sealed lead acid battery

                                  sure.
                                  since the cycle count over its float life is low it will be fine.
                                  works fine for most ups use too.
                                  lifespan determined by its float life.
                                  if its a ca-ca its water use is low.
                                  other types like true deep cycle ca-sb or sb-sb will use water and need regular top ups.

                                  Originally posted by stj
                                  car battery??

                                  Comment

                                  • Dannyx
                                    CertifiedAxhole
                                    • Aug 2016
                                    • 3912
                                    • Romania

                                    #57
                                    Re: DIY Backup with sealed lead acid battery

                                    Is your reply a response to the car battery suggestion or to my circuit idea ?
                                    Wattevah...

                                    Comment

                                    Related Topics

                                    Collapse

                                    Working...