X or Y class capacitor for replacement ?

Collapse
X
 
  • Time
  • Show
Clear All
new posts
  • nonanche92000
    Member
    • Mar 2014
    • 19
    • France

    #1

    X or Y class capacitor for replacement ?

    hi guys,

    I need some advices for capacitor replacement, one of them is slightly cracked at the top , values are 0.1µf 250 VAC for both , they are connected between phase conductors and grounded to the case.

    I think they are EMI Suppression Capacitors , but i'm not sure of it , in the listing part , they are listed as polyester capacitor (C.POL).

    Here is a picture and the schematic (C1 and C16) :

    Thanks
    Attached Files

    if you find these attachements useful please consider making a small donation to the site

    Main Pc : core i7 2600k @ 4.2 Ghz, ga-z77x up5 th , raptor WD 300Go , 16 Go crucial ballistix 1600 Mhz ,Asus Strix GTX980 DC2OC , Cooler Master storm trooper , Corsair AX860i.

    Laptop : Asus X73SV-TY549V
  • japlytic
    Badcaps Legend
    • Oct 2005
    • 2086
    • Australia

    #2
    Re: X or Y class capacitor for replacement ?

    Welcome, monanche92000!
    I would recommend X-class for both since they are isolated from the mains.
    X-class units are directly connected to the mains between L-N and Y-class units are connected directly between the mains between L-E and N-E.
    My first choice in quality Japanese electrolytics is Nippon Chemi-Con, which has been in business since 1931... the quality of electronics is dependent on the quality of the electrolytics.

    Comment

    • nonanche92000
      Member
      • Mar 2014
      • 19
      • France

      #3
      Re: X or Y class capacitor for replacement ?

      hey Japlytic,

      In the schematic , they are connected between phase conductors and earthed casing and thus by-pass operating insulation, i thought to Y class at the beginning like in this scheme , it is very confusing, what do you think of this scheme, (coming from murata manufacturer).

      Thanks
      Attached Files

      if you find these attachements useful please consider making a small donation to the site

      Last edited by nonanche92000; 03-08-2014, 07:40 AM.
      Main Pc : core i7 2600k @ 4.2 Ghz, ga-z77x up5 th , raptor WD 300Go , 16 Go crucial ballistix 1600 Mhz ,Asus Strix GTX980 DC2OC , Cooler Master storm trooper , Corsair AX860i.

      Laptop : Asus X73SV-TY549V

      Comment

      • nonanche92000
        Member
        • Mar 2014
        • 19
        • France

        #4
        Re: X or Y class capacitor for replacement ?

        Hi,

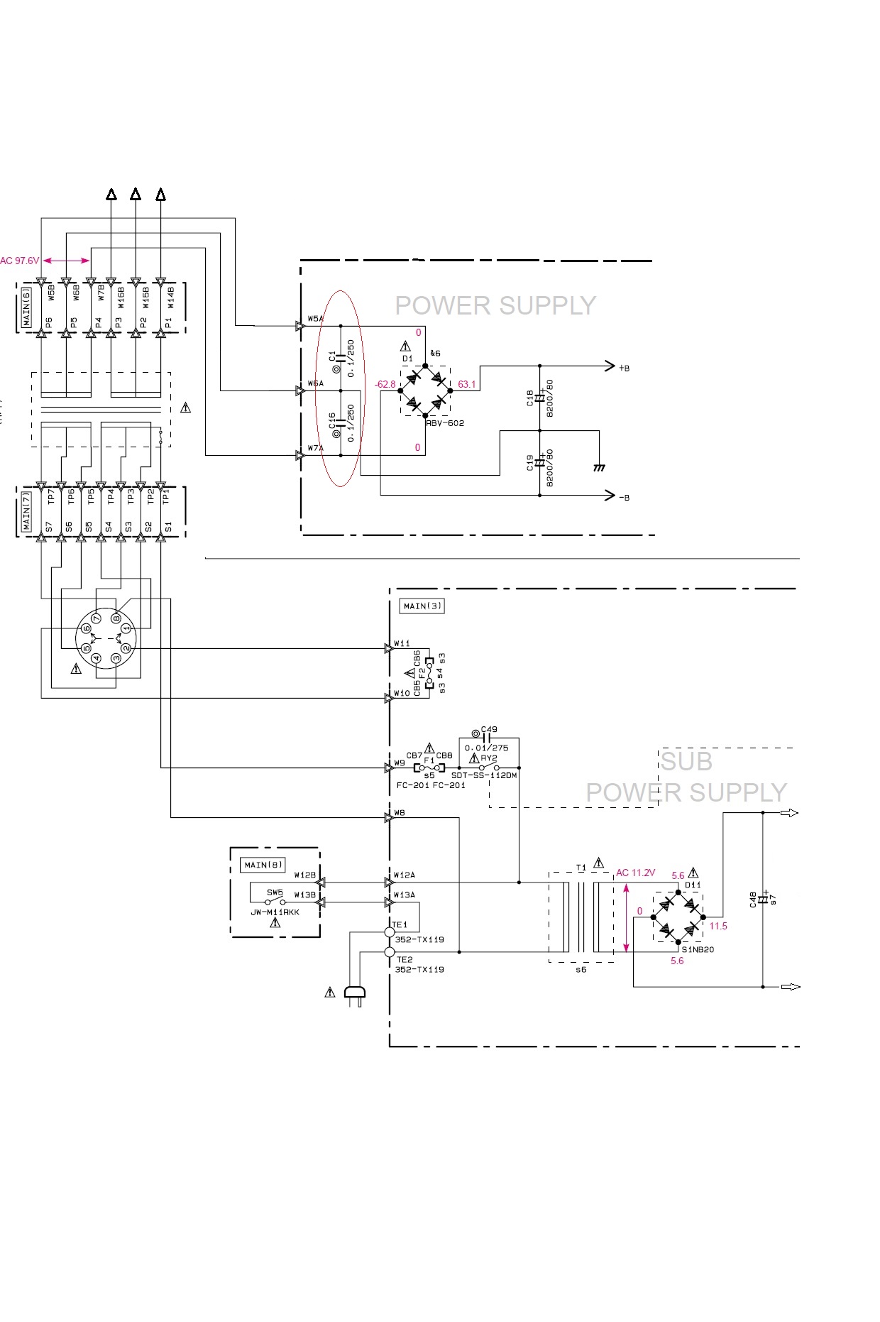
        Here is a more advanced schematic , the two capacitors are in the red circle,
        just in case...
        Attached Files

        if you find these attachements useful please consider making a small donation to the site

        Main Pc : core i7 2600k @ 4.2 Ghz, ga-z77x up5 th , raptor WD 300Go , 16 Go crucial ballistix 1600 Mhz ,Asus Strix GTX980 DC2OC , Cooler Master storm trooper , Corsair AX860i.

        Laptop : Asus X73SV-TY549V

        Comment

        • momaka
          master hoarder
          • May 2008
          • 12175
          • Bulgaria

          #5
          Re: X or Y class capacitor for replacement ?

          I am nowhere near as experienced as others in this, but I would suggest to do as japlytic suggested: X-class only between L-N lines or L-L lines and Y-class between N-E and L-E, as that's the only way I have ever seen them. Reason why you don't put X-class on N-E and L-E is because they can sometimes short out, thus posing a shock hazard if ground is not proper. Y-class, on the other hand, go open-circuit when they fail, which is good because they are connected to ground.
          Also, I *think* the 0.1uF X-class caps might trip some GFCI outlets if you put them between L-E. Please correct me if I am wrong on this.
          Last edited by momaka; 03-22-2014, 12:08 AM.

          Comment

          Related Topics

          Collapse

          Working...