TCL 40-L141H4-PWG1CG power supply board repair for Thomson 49UV6206W

Collapse
X
 
  • Time
  • Show
Clear All
new posts
  • totof
    Senior Member
    • Feb 2017
    • 168
    • france

    #1

    TCL 40-L141H4-PWG1CG power supply board repair for Thomson 49UV6206W

    Hello,
    My TV's power board has blown and I have a mosfet, some diodes and resistors to change.

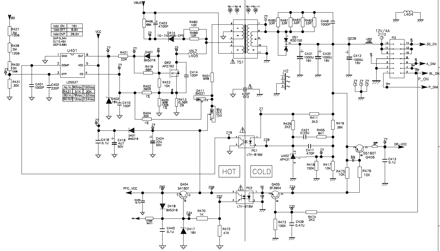
    The problem is that I cannot identify one of the components (U401, 6 pins chip).
    See photo with the marking on the component.
    I have downloaded the diagram of this card but the reference is not indicated.

    Can someone tell me what is the reference of this component U401?

    Thank you.
    Attached Files
  • lotas
    Badcaps Legend
    • Jan 2016
    • 4752
    • Russia

    #2
    Re: TCL 40-L141H4-PWG1CG power supply board repair for Thomson 49UV6206W

    t37 - LD5537
    Attached Files

    Comment

    • lotas
      Badcaps Legend
      • Jan 2016
      • 4752
      • Russia

      #3
      Re: TCL 40-L141H4-PWG1CG power supply board repair for Thomson 49UV6206W

      Power Supply
      Attached Files

      Comment

      • totof
        Senior Member
        • Feb 2017
        • 168
        • france

        #4
        Re: TCL 40-L141H4-PWG1CG power supply board repair for Thomson 49UV6206W

        Thank you lotas, once again you are great.
        I had looked for codes starting with Qt but not with 37.

        Comment

        • lotas
          Badcaps Legend
          • Jan 2016
          • 4752
          • Russia

          #5
          Re: TCL 40-L141H4-PWG1CG power supply board repair for Thomson 49UV6206W

          Originally posted by totof
          Thank you lotas, once again you are great.
          I had looked for codes starting with Qt but not with 37.
          But it also happens
          p37 is already LD7537.

          Comment

          • totof
            Senior Member
            • Feb 2017
            • 168
            • france

            #6
            Re: TCL 40-L141H4-PWG1CG power supply board repair for Thomson 49UV6206W

            Thank you for the diagram but I have other questions while reading it.
            I have to change the R413 2W resistor but mine is 36.8 ohm (see photo) and not 0.36 ohm as shown in the diagram.
            Same difference for R402, mine is it seemed to me 300 ohm (see photo) and not 390 ohm as on the diagram.
            In the end I do not know by which values are the good ones for these 2 resistors.
            I also have the QW2 mosfet which is blown (short circuit), it is reference CS7N65F and not AP2762.
            Attached Files

            Comment

            • lotas
              Badcaps Legend
              • Jan 2016
              • 4752
              • Russia

              #7
              Re: TCL 40-L141H4-PWG1CG power supply board repair for Thomson 49UV6206W

              According to the photo, 0.36 Om is correct (the silvery stripe is a multiplier of x0.01).

              Comment

              • totof
                Senior Member
                • Feb 2017
                • 168
                • france

                #8
                Re: TCL 40-L141H4-PWG1CG power supply board repair for Thomson 49UV6206W

                OK, I thought the multiplier was the 4th stripe

                Comment

                • lotas
                  Badcaps Legend
                  • Jan 2016
                  • 4752
                  • Russia

                  #9
                  Re: TCL 40-L141H4-PWG1CG power supply board repair for Thomson 49UV6206W

                  The fourth band (golden) is the tolerance of ± 5%.
                  This resistor (R413) acts as a current sensor and their resistance is always less than Om.
                  Last edited by lotas; 11-01-2022, 02:33 PM.

                  Comment

                  • totof
                    Senior Member
                    • Feb 2017
                    • 168
                    • france

                    #10
                    Re: TCL 40-L141H4-PWG1CG power supply board repair for Thomson 49UV6206W

                    I let myself be deceived by the site https://kiloohm.info by selecting caculator for 5 color band resistor.

                    Comment

                    Related Topics

                    Collapse

                    Working...