BN44-00274a dead

Collapse
X
 
  • Time
  • Show
Clear All
new posts
  • ajshoe
    ajshoe
    • Dec 2012
    • 477
    • usa

    #1

    BN44-00274a dead

    Have a Samsung PN50B550T2FXZA plasma set thats dead - no led lights, no TCON led lights, no standby voltage. Have re-soldered several bad spots on PSB board. looking at schematic - not getting 120 VAC at BD801S (HS802). followed circuit and don't see how 120 AC gets to this rectifier circuit. Replaced NT801S power thermistor SCK206. coil LE802 seems good. anyone have an insight into this ? checked all diodes and caps. thanks
    Last edited by ajshoe; 11-18-2021, 05:11 PM.
  • ajshoe
    ajshoe
    • Dec 2012
    • 477
    • usa

    #2
    Re: BN44-00274a dead

    pics attached
    Attached Files

    Comment

    • lotas
      Badcaps Legend
      • Jan 2016
      • 4800
      • Russia

      #3
      Re: BN44-00274a dead

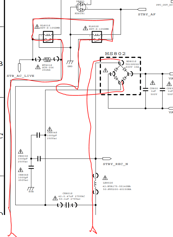
      AC voltage is supplied to the diode bridge through a relay.
      Attached Files

      Comment

      • R_J
        Badcaps Legend
        • Jun 2012
        • 9607
        • Canada

        #4
        Re: BN44-00274a dead

        Have you checked FB801S? You will not have A/C at BD801S until RL802S is energized, and this will not happen until you have the standby circuit working. If the fuse is ok, check the solder connections on ICB801S
        Last edited by R_J; 11-18-2021, 06:20 PM.

        Comment

        • dskall
          Badcaps Legend
          • Oct 2016
          • 2905
          • usa

          #5
          Re: BN44-00274a dead

          At what point are you losing voltage?
          I assume no responsibility for any stupid suggestions I might post.

          Comment

          • ajshoe
            ajshoe
            • Dec 2012
            • 477
            • usa

            #6
            Re: BN44-00274a dead

            will check ICB801S tomorrow. all 4 fuses are good. I see now - relay has to be enegerized to get 120 VAC across bridge. plug power in - absolutely dead. no +5 VDC standby, no clicks.

            Comment

            • ajshoe
              ajshoe
              • Dec 2012
              • 477
              • usa

              #7
              Re: BN44-00274a dead

              Checked all solder connections. No 5 vdc on standby.
              Attached Files

              Comment

              • dskall
                Badcaps Legend
                • Oct 2016
                • 2905
                • usa

                #8
                Re: BN44-00274a dead

                What is voltage on pin 4 CB8015?
                Attached Files
                I assume no responsibility for any stupid suggestions I might post.

                Comment

                • ajshoe
                  ajshoe
                  • Dec 2012
                  • 477
                  • usa

                  #9
                  Re: BN44-00274a dead

                  before I get voltage on CB8015 - is this done with all connections to PSB ?
                  can the PSB be tested for standby voltage on bench (nothing connected but 120 AC) ?
                  thanks

                  Comment

                  • ajshoe
                    ajshoe
                    • Dec 2012
                    • 477
                    • usa

                    #10
                    Re: BN44-00274a dead

                    dskall - you want voltage on pin 4 of HS802 (ICB801S) ? don't see a cb8015 anywhere on board or schematic

                    Comment

                    • R_J
                      Badcaps Legend
                      • Jun 2012
                      • 9607
                      • Canada

                      #11
                      Re: BN44-00274a dead

                      Originally posted by ajshoe
                      before I get voltage on CB8015 - is this done with all connections to PSB ?
                      can the PSB be tested for standby voltage on bench (nothing connected but 120 AC) ?
                      thanks
                      Yes it can be tested on the bench, You should get stby 5.2v like this.
                      To power on the rest of the supply, this power supply requires you install about a 1k resistor between stby 5.2v and PS_ON to turn on the other voltages.
                      Check the DC voltage ACROSS CB816
                      Last edited by R_J; 11-19-2021, 04:08 PM.

                      Comment

                      • ajshoe
                        ajshoe
                        • Dec 2012
                        • 477
                        • usa

                        #12
                        Re: BN44-00274a dead

                        voltage across CB816 is 135 VDC.
                        voltage on pin 4 of ICB801S (HS802) is 0 VDC -when first plugged in goes to 0.35 VDC and then down to 0 VDC
                        saw bad solder on ICB801S (HS802) joints - touched them up. still 0 VDC on Standby and above checkpoints
                        Last edited by ajshoe; 11-19-2021, 05:45 PM.

                        Comment

                        • R_J
                          Badcaps Legend
                          • Jun 2012
                          • 9607
                          • Canada

                          #13
                          Re: BN44-00274a dead

                          That voltage is fine, it is the voltage that supplies icb801s and should also be on pins 1 & 2 of TB801s transformer. Keep the negative lead on CB816 (-) to check voltages in the primary circuit.
                          With a/c disconnected, check if RB807 is ok, it should read 0.4Ω (short) If it is open, the ic is defective.

                          Also, was NT801S bad? ie burnt? if it was then the RL801S relay contacts are bad and the relay should be replaced or at a minimum the contacts may be cleaned.
                          Last edited by R_J; 11-19-2021, 05:59 PM.

                          Comment

                          • ajshoe
                            ajshoe
                            • Dec 2012
                            • 477
                            • usa

                            #14
                            Re: BN44-00274a dead

                            NT801S ohmed out at 20 ohms - it was not bad or burnt. I replaced it with new one anyway. don't believe relay or relay contacts are bad.
                            I'll check RB807 tomorrow. thinking the ICis bad - had 3 cold solder joints on it. The solder quality on this board is bad. found dozens of cold solder joints.

                            Comment

                            • dskall
                              Badcaps Legend
                              • Oct 2016
                              • 2905
                              • usa

                              #15
                              Re: BN44-00274a dead

                              Looks to be controller for standby transformer. Mounted on heat sink.
                              I assume no responsibility for any stupid suggestions I might post.

                              Comment

                              • R_J
                                Badcaps Legend
                                • Jun 2012
                                • 9607
                                • Canada

                                #16
                                Re: BN44-00274a dead

                                Many times if the ic had poor solder connections, the ic becomes defective, sometimes they survive but not always. If RB807 is ok, the ic is likely still bad. I would also replace CB803 and CB815, they can dry out over time but still look and sometimes check ok. CX823 (standby output cap) could be weak as well on this age of a tv.
                                Last edited by R_J; 11-19-2021, 07:10 PM.

                                Comment

                                • dskall
                                  Badcaps Legend
                                  • Oct 2016
                                  • 2905
                                  • usa

                                  #17
                                  Re: BN44-00274a dead

                                  Since I am trying to learn here. What supplies start up voltage to looks like CB8015 or CB801s. To start controller it needs >15v if I read datasheet right.
                                  I assume no responsibility for any stupid suggestions I might post.

                                  Comment

                                  • R_J
                                    Badcaps Legend
                                    • Jun 2012
                                    • 9607
                                    • Canada

                                    #18
                                    Re: BN44-00274a dead

                                    Originally posted by dskall
                                    Since I am trying to learn here. What supplies start up voltage to looks like CB8015 or CB801s. To start controller it needs >15v if I read datasheet right.

                                    What schematic are you using? I don't see CB8015 or CB801s
                                    In the datasheet you will see it has an internal startup cel that takes the voltage from the drain (pin1) and internally supplies startup vcc, and charges cb803 to about 18v. once it starts, DB802 keeps CB803 charged.
                                    Last edited by R_J; 11-19-2021, 08:10 PM.

                                    Comment

                                    • dskall
                                      Badcaps Legend
                                      • Oct 2016
                                      • 2905
                                      • usa

                                      #19
                                      Re: BN44-00274a dead

                                      The above pdf from LOTAS and o/p picture of board. How is transformer getting voltage. Looks like it has to go through relay. Or does it get from NT801S?
                                      I assume no responsibility for any stupid suggestions I might post.

                                      Comment

                                      • R_J
                                        Badcaps Legend
                                        • Jun 2012
                                        • 9607
                                        • Canada

                                        #20
                                        Re: BN44-00274a dead

                                        Originally posted by dskall
                                        The above pdf from LOTAS and o/p picture of board. How is transformer getting voltage. Looks like it has to go through relay. Or does it get from NT801S?
                                        A/C is supplied from live, to one end of NT801s, the other end of the ntc connects to DB810~DB812, This Dc connects to FC803 (fuse) and charges CB816 to approx. 150vdc. This supplies the transformer Tb801s
                                        Once the power supply is turned ON, RL801s shorts out the ntc to supply a bit more current for the standby circuit when it is operating at full capacity and supplying VCC & VCC_S to the other circuits in this supply.
                                        Last edited by R_J; 11-19-2021, 08:50 PM.

                                        Comment

                                        Related Topics

                                        Collapse

                                        • double_DD
                                          How can I be sure that my EC chip is dead?
                                          by double_DD
                                          Hi all,

                                          As the title suggests, how can I be sure that my EC chip is really dead?

                                          I've recently gotten into this hobby of laptop repairs, and have successfully brought back to life a couple with some easy fixes, mostly shorted caps.

                                          Now I'm working on HP Probook 455 G8, that had some "devil" run around on 3V line, burning a bunch of stuff. Luckily I have a dead 455G7 (for spare parts) so I managed to fix it (swapped burned parts) to a point that it will charge (both on barrel jack and usb-c), but it doesn't want to turn on. There is a 3V3 on a keyboard...
                                          03-12-2025, 07:47 AM
                                        • disorder
                                          ps5 edm-033 dead after hdmi/usb ports destroyed
                                          by disorder
                                          hello guys,

                                          i need help to repair a edm-033 ps2
                                          history : as always hdmi port and usb ports destroyed after unplugged
                                          after change them, ps5 dead too : 1 beep, no blue light. after inspection 1.8v power was shorted, and because of dead panasonic chip. after remove it : no short anymore
                                          so i changed it
                                          now i have got 5v stby,, 3.3v stby, 3.3v power, 1.8v power and no short on them
                                          but the ps5 is dead again : 1 beep, near 10 seconds with power lines and then off, no blue light ...

                                          i don't see any projection of liquid metal on pcb.
                                          ...
                                          01-14-2025, 12:48 PM
                                        • zunasthegreat
                                          Chieftec GPS-450-AA with dead 20N60C3
                                          by zunasthegreat
                                          Hello everyone hope all doing well!
                                          I have this PSU (GPS450-AA delta oem) around for like 4-5 years and I had it recapped early 2020 or 2021 with mostly UCC KY and Nichicon PW's. The bulk was and still is fine, the original Ltec's were bloated and empty. The previous issue was some major coil whine noise and at times random shutdowns when going idle. Today it started tripping the mains breaker and I think I have dead APFC mosfets (20N60C3). Right now upon checking I have the Q1 and Q3 FETs dead so far and I guess those are responsible for the PFC circuit. The only thing I care is If there...
                                          09-01-2024, 07:12 PM
                                        • Beton
                                          Finding a dead short component
                                          by Beton
                                          Hi guys!
                                          I searched for the term "dead short" in the forum but no specific thread came up however if I'm just blind and couldn't see the thread talking about this please forward me to that direction.
                                          So my problem is I don't know how to find the source of a dead shorted voltage rail. Dead short = ~0 ohm resistance.
                                          I have two VGAs (HD 4850 and HD 4870), both dead shorted to ground on the memory rail. I have the boardview file for the 4870 and the memory rail consists around ~7892346 capacitors...
                                          I have a bench PSU and if I try to inject voltage the voltage...
                                          12-10-2021, 01:05 PM
                                        • FiguringITout
                                          MSI Raider GE75 - Not posting, probable dead CPU
                                          by FiguringITout
                                          Hello, today I'm working on this lovely MSI Raider GE75 gaming laptop which I bought to flip. Unfortunately, I believe the CPU is toast but I wanted a second opinion before I chucked it into my spare parts bin. I will not have most tools with me today as I'm away from my workbench but I have the basics (a good multimeter, a horrible iron, a solid screwdriver, and my trusty thermal cam). I do not have the original 230w charger, but I have a Dell 180w which was sold with the device and reportedly "worked fine for them".

                                          Specs: I7-10750H, RTX 2060, 32GB RAM (unknown manufacturer)...
                                          07-25-2024, 07:27 AM
                                        • Loading...
                                        • No more items.
                                        Working...