Samsung UE40D5000 power board - 9.4V on B13V

Collapse
X
 
  • Time
  • Show
Clear All
new posts
  • NoxiousPluK
    Generic nerd
    • Aug 2021
    • 3
    • Netherlands

    #1

    Samsung UE40D5000 power board - 9.4V on B13V

    I'm strugling today with trying to fix a UE40D5000 power board.

    A5V gives a nice 5V, B5V and B13V stay off until I short A5V to PS-ON, so far so good.

    B5V comes up as a nice 5V as well but B13V gets me 9.4V max.

    Also backlight doesn't get power, those pins stay at 0 even if I put 5V on BLU_ON (measuring across CH1+ and CH1- on CNL802).

    After turning on PS-ON, I see about 165VAC going into TM801S; I'm not sure what voltage I should see there.

    The caps next to CNL802 get 96VDC, which seems too low as well since CNL802 should be 268V. These caps are all in parallel.

    I'm suspecting the input voltage to TM801S is too low, but I can't find what I should measure on the in- and outputs of this transformer.

    Suggestions welcome, thanks a lot in advance!

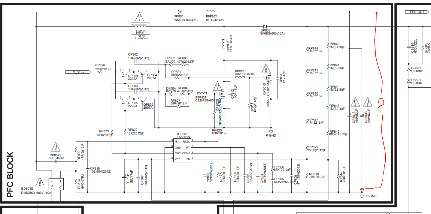
    Attached the circuit diagram for this specific board.
    Attached Files

    if you find these attachements useful please consider making a small donation to the site

    Last edited by NoxiousPluK; 08-14-2021, 09:09 PM.
  • lotas
    Badcaps Legend
    • Jan 2016
    • 4859
    • Russia

    #2
    Re: Samsung UE40D5000 power board - 9.4V on B13V

    When switching to operating mode, what is the voltage at the PFC output?
    Should be around 400v DC.
    Attached Files

    if you find these attachements useful please consider making a small donation to the site

    Comment

    • Davi.p
      Hobbist Tech
      • Sep 2009
      • 4538
      • Italy - Milan

      #3
      Re: Samsung UE40D5000 power board - 9.4V on B13V

      Try change ICM851 and PCM803, if doesn't work change ICM801, i guess you have correct 400vdc on PFC out. You cannot measure AC on TM801 because its a square wave
      .

      Comment

      • dick_barton
        Badcaps Legend
        • Aug 2015
        • 6643
        • Wales

        #4
        Re: Samsung UE40D5000 power board - 9.4V on B13V

        What voltage do you have at each side of inductor L9801
        Willing to help but I'm no expert.

        Comment

        • NoxiousPluK
          Generic nerd
          • Aug 2021
          • 3
          • Netherlands

          #5
          Re: Samsung UE40D5000 power board - 9.4V on B13V

          Originally posted by lotas
          When switching to operating mode, what is the voltage at the PFC output?
          Should be around 400v DC.
          I measured across CP803S because that should be the same voltage right? I get 320VDC both with and without PS-ON shorted to A5V.

          Would that indicate something to be wrong on the hot side? I'm surprised the A5V is exactly 5V then tho.

          Originally posted by Davi.p
          Try change ICM851 and PCM803, if doesn't work change ICM801, i guess you have correct 400vdc on PFC out. You cannot measure AC on TM801 because its a square wave
          .
          I might not have the correct voltage on PFC out, see above!

          Originally posted by dick_barton
          What voltage do you have at each side of inductor L9801
          I'm not sure where to probe for this; see attached images.

          Thanks so much already
          Attached Files

          if you find these attachements useful please consider making a small donation to the site

          Comment

          • lotas
            Badcaps Legend
            • Jan 2016
            • 4859
            • Russia

            #6
            Re: Samsung UE40D5000 power board - 9.4V on B13V

            Yes, your PFC does not work.
            PFC is not related to STB 5v.
            In the standby power supply, the PFC does not work and the output should be 320v, when switching to the operating mode, the PFC should give out about 400v.

            Comment

            • Davi.p
              Hobbist Tech
              • Sep 2009
              • 4538
              • Italy - Milan

              #7
              Re: Samsung UE40D5000 power board - 9.4V on B13V

              I tell you the following test, retest PFC out but right after test for the B13v, i suspect your ON command was not ok. 5V are stable because them are took from standby ps through a mosfet. If pfc again is low check M_Vcc, must be maybe something around 5-15v, if present replace ICP801
              Last edited by Davi.p; 08-15-2021, 09:49 AM.

              Comment

              • lotas
                Badcaps Legend
                • Jan 2016
                • 4859
                • Russia

                #8
                Re: Samsung UE40D5000 power board - 9.4V on B13V

                What is the voltage across the CP811 capacitor?
                Attached Files

                if you find these attachements useful please consider making a small donation to the site

                Comment

                Related Topics

                Collapse

                • Tynan Dill
                  Vizio e601i-A3 - Has Sound and Display, But No Backlight - Bad Power Supply Board or Bad LED Bulbs ?
                  by Tynan Dill
                  I was given this TV from my great uncle. He said it just wouldn't turn on one day out of nowhere, replaced the TV, and gave it to me to possibly fix and use for myself.

                  Upon bringing it home and plugging it up, it showed a standby light.

                  I powered it on and without a flashlight, the display showed the "V" but the lighting is very dim, but visible.

                  The screen seems to blackout and stay black, but with a flashlight I can see the display.

                  With my Playstation 4 connected via HDMI, and running a game I can hear sound.

                  Assuming...
                  11-22-2024, 01:46 PM
                • m1ch43lzm
                  HP Pavilion 15-eh Board DAG7HAMB8F0 - CPU throttling to 0.4GHz (PROCHOT_EXT) and black screen
                  by m1ch43lzm
                  Hi, this is my personal laptop, which the original board (lets call it Board A) blew up PU8700 (TPS51486), making a hole on the board, i had left the laptop at my desk one day with the battery fully charged and didn't touch it for a week, but when i tried to turn it on it didn't
                  Thought the battery was dead, so i plugged in the charger then tried to power on, the power LED blinked once, charged LED still orange, unplugged the charger, plugged in again and I noticed the "magic smoke" smell, so i unplugged the charger, removed the back cover and saw the blown IC (the "magic...
                  05-12-2025, 08:37 PM
                • ohren
                  Upgrading a Samsung ue55nu7096u with logic board from an ue55ru7105k -- good idea?
                  by ohren
                  I hope this is the right forum to post in despite not technically being a repair, but still a question of swapping boards.

                  I thought I'd explore the possibility to upgrade an existing working Samsung ue55nu7096u with the logic board (and power board if needed) of a newer model (ue55ru7105k) of the same size and appearance (and resolution). The reason being I'd like the extra inputs of that board including component in, an extra HDMI port and bluetooth. Its panel is broken so I have no use for the board otherwise.

                  The models launched in 2018 and 2019 respectively....
                  09-08-2023, 05:24 PM
                • Document Archive
                  Samsung Galaxy Book 2 Notebook Specification for Upgrade or Repair
                  by Document Archive
                  This specification for the Samsung Galaxy Book 2 Notebook can be useful for upgrading or repairing a laptop that is not working. As a community we are working through our specifications to add valuable data like the Galaxy Book 2 boardview and Galaxy Book 2 schematic. Our users have donated over 1 million documents which are being added to the site. This page will be updated soon with additional information. Alternatively you can request additional help from our users directly on the relevant badcaps forum. Please note that we offer no warranties that any specification, datasheet, or download...
                  09-07-2024, 05:50 AM
                • Nicktronic
                  Samsung Power Supply Board BN44-00874F
                  by Nicktronic
                  Hey everyone,

                  This power supply board is hard to find but there are repair kits available. This board had a blown fuse, FP801S, blown PFC MOSFET, QP802CS and ceramic cap, CP809. I replaced them with parts I already had and tested the rest of the parts that would've come in the repair kit and they were fine. I powered the board up on the bench expecting, in typical Samsung power supply board fashion, to see all my output voltages but, nothing. 0 volts on CNL801, CNM801 and CNT801. The only thing I have is 170vdc on the filter caps. No standby voltage either.

                  Anybody...
                  03-17-2025, 06:20 AM
                • Loading...
                • No more items.
                Working...