LG 55EC930V OLED - 3 Second Power No Display

Collapse
X
 
  • Time
  • Show
Clear All
new posts
  • maxim2511
    Member
    • May 2021
    • 20
    • Netherlands

    #81
    Re: LG 55EC930V OLED - 3 Second Power No Display

    I want also mention that connecting usb with mp4 file dont do nothing, is not powering usb and read it. I see on usb stick that led light is very wick blink and stay dead.
    I check power going to main board, and voltage is correct.
    Voltage for t-con when I try turn on with remote is only rising very fast to 24V and then stops.

    Comment

    • maxim2511
      Member
      • May 2021
      • 20
      • Netherlands

      #82
      Re: LG 55EC930V OLED - 3 Second Power No Display

      I did new test, now in my room is dark and I could try one idea mentioned in here.
      I disconnected signal tape from main board to t-con, and then try turn on with remote.
      Especially corners on the left side and right side was lightening with low light. and after one second turn of.
      With signal tape connected between boards , I have white stripe on top of screen for one second.
      Last edited by maxim2511; 05-12-2021, 03:05 PM.

      Comment

      • TeslaMichael
        Senior Member
        • Oct 2020
        • 102
        • Germany

        #83
        Re: LG 55EC930V OLED - 3 Second Power No Display

        I have a problem, i got new Mainboard in my 55ec930v, its turning on, but got green lines. I saw, that i damaged a ribbon flex cable, there is one pin less. Is this the last problem, to get the tv working again with image? The cable is on the left side on the tcon

        Comment

        • tmaster21
          Member
          • Feb 2021
          • 28
          • Portugal

          #84
          Re: LG 55EC930V OLED - 3 Second Power No Display

          Hello friends. i tried anymote for the instop comand on my poco X3 pro that have IR but it dont work on this android anymore, any other app tha have this feature? thank you

          ps: by the way ,my tv is off,i press on and it goes off after 3 secs. Even if i leave only the psu and mainboard connected. i gess its in error mode because any panel failure? but without unlock it i cant understand
          Last edited by tmaster21; 10-27-2022, 11:21 AM.

          Comment

          • TeslaMichael
            Senior Member
            • Oct 2020
            • 102
            • Germany

            #85
            Re: LG 55EC930V OLED - 3 Second Power No Display

            Use RCoid App and download in app LG Service remote. This worked well with my old galaxy s5 and 55ec930v
            BTW. Disconnect LVDS cable and TV should turn on or it's a MB Or A Psu issue

            Comment

            • nomoresonys
              Badcaps Legend
              • Jan 2013
              • 12330
              • U.S.

              #86
              Re: LG 55EC930V OLED - 3 Second Power No Display

              Originally posted by TeslaMichael
              I have a problem, i got new Mainboard in my 55ec930v, its turning on, but got green lines. I saw, that i damaged a ribbon flex cable, there is one pin less. Is this the last problem, to get the tv working again with image? The cable is on the left side on the tcon
              can't tell til you get a new cable, can it be carefully trimmed or is it too far gone.

              Comment

              • tmaster21
                Member
                • Feb 2021
                • 28
                • Portugal

                #87
                Re: LG 55EC930V OLED - 3 Second Power No Display

                On mine. i forced "power on" an "driver on" and it startup the selftest . the screen is bad and the mainboard is in "lockmode" and on forced power on never shuts down.
                but without "forced power on"dont respond to instop or instart, but respont to "power only". The result it's the same, or i forced power on or it shuts down in 3 secs.

                https://photos.google.com/share/AF1Q...8tYjNDWjFyN3p3

                Comment

                • TeslaMichael
                  Senior Member
                  • Oct 2020
                  • 102
                  • Germany

                  #88
                  Re: LG 55EC930V OLED - 3 Second Power No Display

                  Originally posted by nomoresonys
                  can't tell til you get a new cable, can it be carefully trimmed or is it too far gone.
                  It was the screen, i had a thread in this forum and we tested it.
                  forced panel on and half screen side was dark. it's sad because it was a expensive TV for these 4 years.

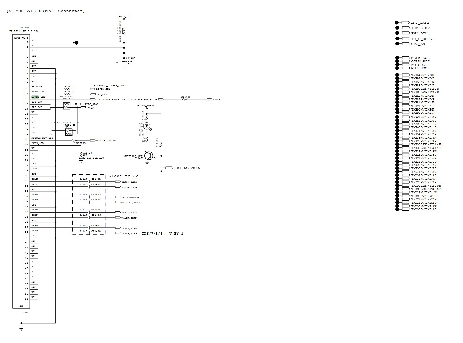
                  @tmaster21 ahh, sad to see your screen defective.. :/ but you can bypass it, to turn the tv on with broken panel. on the LVDS there is a pin "BURNT DET", i blocked this pin and then i could start the normally, then i saw on my tv the loading screen two seconds with stripes, then screen went black.
                  here is service manual with the LVDS pins
                  Attached Files

                  if you find these attachements useful please consider making a small donation to the site

                  Last edited by TeslaMichael; 11-04-2022, 04:08 AM.

                  Comment

                  • nomoresonys
                    Badcaps Legend
                    • Jan 2013
                    • 12330
                    • U.S.

                    #89
                    Re: LG 55EC930V OLED - 3 Second Power No Display

                    looks like another candidate for the European 6 year guarantee.

                    Comment

                    • nomoresonys
                      Badcaps Legend
                      • Jan 2013
                      • 12330
                      • U.S.

                      #90
                      Re: LG 55EC930V OLED - 3 Second Power No Display

                      It may depend on the Country you are in: https://europa.eu/youreurope/busines...s/index_en.htm

                      Comment

                      • Bloopeta
                        Badcaps Veteran
                        • Jun 2018
                        • 526
                        • United Kingdom

                        #91
                        Re: LG 55EC930V OLED - 3 Second Power No Display

                        I have a problem, where turn TV on, it clicks and LG logo illuminates, 2 seconds later, clicks again, logo fades out, nothing else happens other than this, screen stays blank.

                        Have tried plugging in mouse and USB stick, nothing happens, still the same.

                        Have tried pressing power only on service remote, LG logo stays illuminated, but still no display, and unable to turn off again.
                        Pressing instop does nothing.

                        If I unplug the TV, and plug back in, the LG logo illuminates and stays illuminated, and anything else is unresponsive, Only way I can get it to shut off again, is to unplug a Tcon to driver ribbon cable

                        I have no microswitches on mainboard like others have.
                        Last edited by Bloopeta; 11-10-2022, 03:55 PM.

                        Comment

                        • TeslaMichael
                          Senior Member
                          • Oct 2020
                          • 102
                          • Germany

                          #92
                          Re: LG 55EC930V OLED - 3 Second Power No Display

                          Ok when the LG Logo stays illuminated then TV is powered up. if i remember you had to press exit with normal remote and then power off TV. in-stop should work too after pressing exit when TV started with bright LG Logo. can you try again?

                          Comment

                          • kelznz
                            New Member
                            • Feb 2024
                            • 2
                            • New Zealand

                            #93
                            Hi there, hoping to refresh this thread by seeking support.

                            Same model LG as per this thread.

                            3x clicks on power up then turns off. LG led lights up and turns off after 3rd click.

                            I have replaced Power cord (new), PSU, MB and TCon with refurbished components and still turns off after 3 clicks from power up. I do not have a service remote can anyone plz help?

                            Comment

                            • Dac12
                              Member
                              • Aug 2025
                              • 31
                              • Uk

                              #94
                              Originally posted by Billsy
                              Re: LG 55EC930V OLED - 3 Second Power No Display

                              Ok so I pulled the tcon from the cracked set, loaded it into the other set and no change.

                              After hours of pi55ing about with IR leds and headphone cables trying to make a IR blaster, found an old galaxy tab in a cupboard with an IR blaster built in. Anyway long story short, using the RCoid app, I was able to send the Power_Only command and the TV powers up. The screen is very dimly lit kind of across lower left corner. I'm guessing this is now out of lock out mode but this is as far as I can get. The only other thing. There are two buttons on the main board. Does anyone know the procedure to bring it back to life or am I wasting my time?
                              Many thanks







                              Hi I'm a newbie just wanted some advice. I've got the same tv lg55ec930v with the same symptoms. The only difference is that I am getting voltages on the tcon board. But the differences are

                              1. Psu bottom rh corner the 24v is not constantly there it sort of builds 1v at a time by the time it reaches 2.5v the tv shuts down.

                              2. I've got a lg remote which the tv responds to, I mean turns on for a few seconds and then off. Do I have to get a *different remote a ir blaster*?

                              3. Even if i disconnect the tcon board from the mainboard the tv turns on , logo flashes once and then switches off all in roughly 3 seconds.

                              I can attach a photo of the boards but they are identical to yours.

                              Any help would be appreciate.

                              Comment

                              • Davi.p
                                Hobbist Tech
                                • Sep 2009
                                • 4538
                                • Italy - Milan

                                #95
                                i read almost all posts, my ideas are:
                                -all these thread tv suffers from bad connection between screen strip boards and screen glass, the screen heat is not normal, and also the color banding are a sign of that
                                -the set can fall into protected mode, the way of getting out of this is probably the use of one of the two micro buttons on the main board, or that together with the power only key on service rc, certainly not the use of a mouse, the other micro btn is for restarting the standby micro controller, and maybe the whole tv.

                                Comment

                                • Dac12
                                  Member
                                  • Aug 2025
                                  • 31
                                  • Uk

                                  #96
                                  Originally posted by Davi.p
                                  i read almost all posts, my ideas are:
                                  -all these thread tv suffers from bad connection between screen strip boards and screen glass, the screen heat is not normal, and also the color banding are a sign of that
                                  -the set can fall into protected mode, the way of getting out of this is probably the use of one of the two micro buttons on the main board, or that together with the power only key on service rc, certainly not the use of a mouse, the other micro btn is for restarting the standby micro controller, and maybe the whole tv.
                                  Hi I did exactly as some of the posts suggested including yourself I've got my hands on a lg service remote and pressed power on and I get the attached image. The standby stays lit all the time but the tv does not respond to any remote. I'm getting an image but 3/4 of the screen is sort of green. I've tried those micro buttons with no success. Any ideas on how to get the tv to respond to the remote?

                                  Thanks

                                  Comment

                                  • lotas
                                    Badcaps Legend
                                    • Jan 2016
                                    • 4859
                                    • Russia

                                    #97
                                    The motherboard was blocked due to a faulty panel (a common problem in this series is the panel).

                                    Comment

                                    • Dac12
                                      Member
                                      • Aug 2025
                                      • 31
                                      • Uk

                                      #98
                                      Originally posted by lotas
                                      The motherboard was blocked due to a faulty panel (a common problem in this series is the panel).
                                      Earlier it was responding to the remote but I kept tampering with the microswitch and now its not responding. But everytime I press the microswitch the shading and the percentage of screen shaded changes.

                                      I should have entered the code via a normal remote. But i dont really want to give up on this yet. Is there anyway of getting it back to the lockdown stage? I just disconnected the tcon ribbons and it went back to lockdown.

                                      I've added two photos and the chip I assume below this ans the rubber is very hot to the touch, maybe a fault?

                                      Comment

                                      • Davi.p
                                        Hobbist Tech
                                        • Sep 2009
                                        • 4538
                                        • Italy - Milan

                                        #99
                                        I'm sorry , you don't have a picture, that apparent logo is not coming from data boards, it's only the residual capacitance of every pixel that shows a draft of image, needs to get the tcon software to work again, it's possible that by insist to press the correct one of the two micro buttons, the image finally comes back, keep in mind tcon SW is complex so you have to give some seconds or many seconds or up to minutes to let the tcon work again, maybe, or high kindly, the tcon circuitry remains still protected by oled panel flaw (No vgl, no vgh, no vdd, no clocks, maybe only evdd on), so you can help the restoring by to blow ice spry to the screen strip boards, the resistance of the bad connections could decrease and make the supply lines and data to flow better without sort of uvlo protection... prior to freezing them you can even try to blow some hot air but not so high temp. ar at certain distsnce, at block tries of 30secs..
                                        Last edited by Davi.p; 08-16-2025, 02:09 PM.

                                        Comment

                                        • Diah
                                          Badcaps Legend
                                          • Feb 2013
                                          • 6562
                                          • Germany

                                          #100
                                          unplug the EVSS 24V block from PSU side... and send In_Stop when TV go to STBY plug it out from wall for 10 minutes to discharge and put back EVSS socket then turn on
                                          you can also run PSU and T-CON driver bords and OLED as standalone state... it could show you the effect if the OLED defekt

                                          Comment

                                          Related Topics

                                          Collapse

                                          • learnmore
                                            Lg oled 55ec930v automatically turns off after 1-2 seconds
                                            by learnmore
                                            Hi Community,

                                            I've got the above model that activates the relay (clicks) and powers on the LG logo power light on when turned on. It then almost immediately turns off. I not noticed any image on the screen or heard any sound during this brief period.

                                            Checks show:
                                            3.5v on SMPS on (in off state, no other voltages present incl pwr on)
                                            On pressing power button > the 3.5 pwn on voltage, 12v and 24v lines appear on the SMPS connnector between the main the SMPS but then all drop the zero in 1-2 seconds
                                            Disconnecting 24 to TCON connector and powering on shows...
                                            05-08-2024, 02:42 PM
                                          • Document Archive
                                            ASUS VivoBook Vivobook Pro 15 OLED D3500QC-L1351W Notebook Pro 15 OLED Specification for Upgrade or Repair
                                            by Document Archive
                                            This specification for the ASUS VivoBook Vivobook Pro 15 OLED D3500QC-L1351W Notebook can be useful for upgrading or repairing a laptop that is not working. As a community we are working through our specifications to add valuable data like the Vivobook Pro 15 OLED D3500QC-L1351W boardview and Vivobook Pro 15 OLED D3500QC-L1351W schematic. Our users have donated over 1 million documents which are being added to the site. This page will be updated soon with additional information. Alternatively you can request additional help from our users directly on the relevant badcaps forum. Please note that...
                                            09-07-2024, 04:30 AM
                                          • Document Archive
                                            Gigabyte AERO 16 OLED BSF-A3LA964SP Notebook Specification for Upgrade or Repair
                                            by Document Archive
                                            This specification for the Gigabyte AERO 16 OLED BSF-A3LA964SP Notebook can be useful for upgrading or repairing a laptop that is not working. As a community we are working through our specifications to add valuable data like the 16 OLED BSF-A3LA964SP boardview and 16 OLED BSF-A3LA964SP schematic. Our users have donated over 1 million documents which are being added to the site. This page will be updated soon with additional information. Alternatively you can request additional help from our users directly on the relevant badcaps forum. Please note that we offer no warranties that any specification,...
                                            09-07-2024, 07:12 AM
                                          • Document Archive
                                            Gigabyte AERO 14 OLED BMF-72ESBB4SH Notebook Specification for Upgrade or Repair
                                            by Document Archive
                                            This specification for the Gigabyte AERO 14 OLED BMF-72ESBB4SH Notebook can be useful for upgrading or repairing a laptop that is not working. As a community we are working through our specifications to add valuable data like the 14 OLED BMF-72ESBB4SH boardview and 14 OLED BMF-72ESBB4SH schematic. Our users have donated over 1 million documents which are being added to the site. This page will be updated soon with additional information. Alternatively you can request additional help from our users directly on the relevant badcaps forum. Please note that we offer no warranties that any specification,...
                                            09-07-2024, 07:12 AM
                                          • Document Archive
                                            Gigabyte AERO 14 OLED 9MF-E2USBB4SH Notebook Specification for Upgrade or Repair
                                            by Document Archive
                                            This specification for the Gigabyte AERO 14 OLED 9MF-E2USBB4SH Notebook can be useful for upgrading or repairing a laptop that is not working. As a community we are working through our specifications to add valuable data like the 14 OLED 9MF-E2USBB4SH boardview and 14 OLED 9MF-E2USBB4SH schematic. Our users have donated over 1 million documents which are being added to the site. This page will be updated soon with additional information. Alternatively you can request additional help from our users directly on the relevant badcaps forum. Please note that we offer no warranties that any specification,...
                                            09-07-2024, 06:40 AM
                                          • Loading...
                                          • No more items.
                                          Working...