Funai (Emerson) LF501EM4F not turning on
Collapse
X
-
Re: Funai (Emerson) LF501EM4F not turning on
Something must be wrong with main board, if when ps non forced on pluged into main board 21 v rail is 21 the moment it iis plugged into wall but 11.5 when board alone? or can somehing in led causeLast edited by jayjoesph; 03-12-2017, 09:13 PM.Comment
-
Re: Funai (Emerson) LF501EM4F not turning on
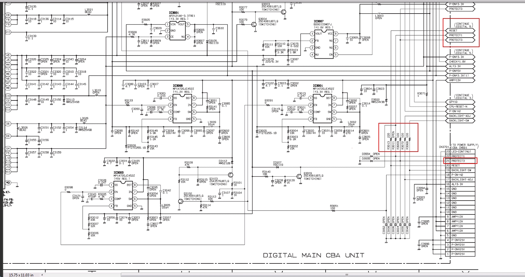
Nope, based on your DATA, your VLED1 power supply is not putting out the boosted Voltage, but the other two do, BUT you are indicating that the Protect3 is still LOW, so I hope your data is correct.Never stop learning
Basic LCD TV and Monitor troubleshooting guides.
http://www.badcaps.net/forum/showthr...956#post305956
Voltage Regulator (LDO) testing:
http://www.badcaps.net/forum/showthr...999#post300999
Inverter testing using old CFL:
http://www.badcaps.net/forum/showthr...er+testing+cfl
Tear down pictures : Hit the ">" Show Albums and stories" on the left side
http://s807.photobucket.com/user/budm/library/
TV Factory reset codes listing:
http://www.badcaps.net/forum/showthread.php?t=24809Comment
-
Re: Funai (Emerson) LF501EM4F not turning on
Measuring the protect 3 spots is the same procedure as measuring gate /such ?
ground on same side of board and other lead to protect 3.? I get .5v at each protect 3 test spot. , after removing the other 2 pin 7 resistors the protect 3 should test high ?Comment
-
Re: Funai (Emerson) LF501EM4F not turning on
PROTECT3 line is connected to pin 7 of all 3 IC through 1K resistor, so if you check the resistance between pin 7 and GND of the IC, it should show high resistance.
"after removing the other 2 pin 7 resistors the protect 3 should test high ?" Yes, when power up the TV it should show around 3VDC on PROTECT3.Never stop learning
Basic LCD TV and Monitor troubleshooting guides.
http://www.badcaps.net/forum/showthr...956#post305956
Voltage Regulator (LDO) testing:
http://www.badcaps.net/forum/showthr...999#post300999
Inverter testing using old CFL:
http://www.badcaps.net/forum/showthr...er+testing+cfl
Tear down pictures : Hit the ">" Show Albums and stories" on the left side
http://s807.photobucket.com/user/budm/library/
TV Factory reset codes listing:
http://www.badcaps.net/forum/showthread.php?t=24809Comment
-
Re: Funai (Emerson) LF501EM4F not turning on
No go... all removed R1108 R1208 R1308 Protect 3 still shows .578PROTECT3 line is connected to pin 7 of all 3 IC through 1K resistor, so if you check the resistance between pin 7 and GND of the IC, it should show high resistance.
"after removing the other 2 pin 7 resistors the protect 3 should test high ?" Yes, when power up the TV it should show around 3VDC on PROTECT3.Comment
-
Re: Funai (Emerson) LF501EM4F not turning on
So at this point with all the board connected, the TV is still not starting up?
What resistance do you get between GND and PROTECT 3?Last edited by budm; 03-13-2017, 10:15 AM.Never stop learning
Basic LCD TV and Monitor troubleshooting guides.
http://www.badcaps.net/forum/showthr...956#post305956
Voltage Regulator (LDO) testing:
http://www.badcaps.net/forum/showthr...999#post300999
Inverter testing using old CFL:
http://www.badcaps.net/forum/showthr...er+testing+cfl
Tear down pictures : Hit the ">" Show Albums and stories" on the left side
http://s807.photobucket.com/user/budm/library/
TV Factory reset codes listing:
http://www.badcaps.net/forum/showthread.php?t=24809Comment
-
Re: Funai (Emerson) LF501EM4F not turning on
Does not start tried remote also.
PROTECT 3=
31.95 boards all hooked up not plugged into wall
39.5 if i unplug mainboardComment
-
Never stop learning
Basic LCD TV and Monitor troubleshooting guides.
http://www.badcaps.net/forum/showthr...956#post305956
Voltage Regulator (LDO) testing:
http://www.badcaps.net/forum/showthr...999#post300999
Inverter testing using old CFL:
http://www.badcaps.net/forum/showthr...er+testing+cfl
Tear down pictures : Hit the ">" Show Albums and stories" on the left side
http://s807.photobucket.com/user/budm/library/
TV Factory reset codes listing:
http://www.badcaps.net/forum/showthread.php?t=24809Comment
-
Re: Funai (Emerson) LF501EM4F not turning on
Protect3 signal route. As you can see, there is pull-up resistor for that PROTECT3 line.Attached Filesif you find these attachements useful please consider making a small donation to the site
Never stop learning
Basic LCD TV and Monitor troubleshooting guides.
http://www.badcaps.net/forum/showthr...956#post305956
Voltage Regulator (LDO) testing:
http://www.badcaps.net/forum/showthr...999#post300999
Inverter testing using old CFL:
http://www.badcaps.net/forum/showthr...er+testing+cfl
Tear down pictures : Hit the ">" Show Albums and stories" on the left side
http://s807.photobucket.com/user/budm/library/
TV Factory reset codes listing:
http://www.badcaps.net/forum/showthread.php?t=24809Comment
-
Re: Funai (Emerson) LF501EM4F not turning on
OK, it is VERY IMPORTANT to give FULL and ACCURATE description of DATA.
If your DATA is correct, then I cannot see why you have such low DCV reading on PROTECT3 line since it has 10K pull-up resistor, something is not right, see POST 71.Never stop learning
Basic LCD TV and Monitor troubleshooting guides.
http://www.badcaps.net/forum/showthr...956#post305956
Voltage Regulator (LDO) testing:
http://www.badcaps.net/forum/showthr...999#post300999
Inverter testing using old CFL:
http://www.badcaps.net/forum/showthr...er+testing+cfl
Tear down pictures : Hit the ">" Show Albums and stories" on the left side
http://s807.photobucket.com/user/budm/library/
TV Factory reset codes listing:
http://www.badcaps.net/forum/showthread.php?t=24809Comment
-
Re: Funai (Emerson) LF501EM4F not turning on
OKay I looked over what i removed to be sure it was correct there was a very tiny peice of the chip was left where i removed them. I Now get OL reading across ground and protect 3 when main board is unplugged
64kohms if main board +hooked normally Still .5vdc at protect 3 tho either wayComment
-
Re: Funai (Emerson) LF501EM4F not turning on
https://www.badcaps.net/forum/attach...6&d=1489422823
AL+3.3V is present, right?Never stop learning
Basic LCD TV and Monitor troubleshooting guides.
http://www.badcaps.net/forum/showthr...956#post305956
Voltage Regulator (LDO) testing:
http://www.badcaps.net/forum/showthr...999#post300999
Inverter testing using old CFL:
http://www.badcaps.net/forum/showthr...er+testing+cfl
Tear down pictures : Hit the ">" Show Albums and stories" on the left side
http://s807.photobucket.com/user/budm/library/
TV Factory reset codes listing:
http://www.badcaps.net/forum/showthread.php?t=24809Comment
-
Re: Funai (Emerson) LF501EM4F not turning on
3.2vdc is present at J151https://www.badcaps.net/forum/attach...6&d=1489422823
AL+3.3V is present, right?Comment
-
Re: Funai (Emerson) LF501EM4F not turning on
As you can see the diagram DIGITAL MAIN 5 in post 71, you see the pull-up resistor for the PROTECT3, see what you have both ends of the resistor.Never stop learning
Basic LCD TV and Monitor troubleshooting guides.
http://www.badcaps.net/forum/showthr...956#post305956
Voltage Regulator (LDO) testing:
http://www.badcaps.net/forum/showthr...999#post300999
Inverter testing using old CFL:
http://www.badcaps.net/forum/showthr...er+testing+cfl
Tear down pictures : Hit the ">" Show Albums and stories" on the left side
http://s807.photobucket.com/user/budm/library/
TV Factory reset codes listing:
http://www.badcaps.net/forum/showthread.php?t=24809Comment
-
Comment
-
Re: Funai (Emerson) LF501EM4F not turning on
Well, you do have AL+3.3V at the main board connector, right?Never stop learning
Basic LCD TV and Monitor troubleshooting guides.
http://www.badcaps.net/forum/showthr...956#post305956
Voltage Regulator (LDO) testing:
http://www.badcaps.net/forum/showthr...999#post300999
Inverter testing using old CFL:
http://www.badcaps.net/forum/showthr...er+testing+cfl
Tear down pictures : Hit the ">" Show Albums and stories" on the left side
http://s807.photobucket.com/user/budm/library/
TV Factory reset codes listing:
http://www.badcaps.net/forum/showthread.php?t=24809Comment
-
Re: Funai (Emerson) LF501EM4F not turning on
Yes i have 21vdc 13vcd and 3.3vdc at connection on main board side. I do have the flashing red led ever 10 seconds(steady lite with 1 blink every 10sec) as stated from the startComment
-
Re: Funai (Emerson) LF501EM4F not turning on
c3660 reads 3.25vc P-ON+21v reads 21vdc and AMP+13v reads 13vdc
http://www.tvparts.ca/images/product...2876462323.jpgAttached Filesif you find these attachements useful please consider making a small donation to the site
Last edited by jayjoesph; 03-13-2017, 04:03 PM.Comment
Related Topics
Collapse
-
by m1ch43lzmHi, this is my personal laptop, which the original board (lets call it Board A) blew up PU8700 (TPS51486), making a hole on the board, i had left the laptop at my desk one day with the battery fully charged and didn't touch it for a week, but when i tried to turn it on it didn't
Thought the battery was dead, so i plugged in the charger then tried to power on, the power LED blinked once, charged LED still orange, unplugged the charger, plugged in again and I noticed the "magic smoke" smell, so i unplugged the charger, removed the back cover and saw the blown IC (the "magic... -
by howardc64All left and right refers to looking from rear of TV (or looking from front with TV upside down)
- TV came with vertical bars and no image. Found faulty TVS on left buffer board. Also replaced T-Con (may have damaged the original while hot air removing components, board has slight warp) and have full image but few horizontal lines on the screen. Some of the lines appears to be 2 pixel tall while others are 1 pixel tall.
- Disconnecting left and right buffer board potentially reveals problems on both sides with different signals (unless this T-Con require jumper like Samsung FB_TRDY1&3) Fault
-
Vizio e601i-A3 - Has Sound and Display, But No Backlight - Bad Power Supply Board or Bad LED Bulbs ?by Tynan DillI was given this TV from my great uncle. He said it just wouldn't turn on one day out of nowhere, replaced the TV, and gave it to me to possibly fix and use for myself.
Upon bringing it home and plugging it up, it showed a standby light.
I powered it on and without a flashlight, the display showed the "V" but the lighting is very dim, but visible.
The screen seems to blackout and stay black, but with a flashlight I can see the display.
With my Playstation 4 connected via HDMI, and running a game I can hear sound.
Assuming...7 Photos -
by HakuuHi There,
This TV was auto switching off after few seconds with some vertical lines on the screen, so got a new TCON board and replaced it.
After replacing the TCON board it was working fine and i set it up with everything, used for few hours, then had the bright idea to update the software on it. During the update process, TV switched off and now no audio or video. No relay switch sound.
More Details
TV Model - LG OLED77G1PUA
Got the same exact TCON board from TVPartsToday and replaced it. But didnt transfer the EPPROM data (didnt... -
by SoulzinkHi everyone,
I am trying to fix a samsung washinmachine power supply main board.
I already replaced it with another one to fix the machine but i want to try understand the issue with the old board.
Therefore i hope to be able to get some help to explain what to check in order to troubleshoot.
The power supply board reference is the following: DC41-00189a
I have followed one thread (https://www.badcaps.net/forum/troubl...ingmachine-rel... - Loading...
- No more items.
Comment