Toshiba 37hlv66 Seine (main) board problem 3 blinks

Collapse
X
 
  • Time
  • Show
Clear All
new posts
  • philliesfan30m
    Badcaps Veteran
    • Aug 2013
    • 542
    • USA

    #1

    Toshiba 37hlv66 Seine (main) board problem 3 blinks

    ok i have the repeat 3 blinks which means the tv is trying to boot. i only have 5v stby and 3.3v which the service manual says it is the seine board. i couldn't find the sm for the 37" but i got 1 for the 32 which seems to be almost exact. i think 1 of the ic's on the mainboard isn't sending out the ps_on which toshiba calls the power_sig to turn on the power supply. but i need help trying to figure out which ic or what is causing it to not send it out. i don't get a click from any relay on the psu just 3 blinks repeated. i did see people saying about 3 ic's on the psu going bad on a similar model or a firmware update which isn't available for this model so i don't think either is my problem but i could be wrong. any help is appreciated i wanna try a component repair not a board replacement because the tv is a 2006. the pics aren't the best but the last 3 are of the seine board top,bottom and my opinion of the suspected ic's that could be bad they are the 2 20 pin tps54310 ic's in the last pic. next post i will add the service manual and the link of datasheet for those 2 ic's.
    Attached Files
  • philliesfan30m
    Badcaps Veteran
    • Aug 2013
    • 542
    • USA

    #2
    Re: Toshiba 37hlv66 Seine (main) board problem 3 blinks

    ok here is the link for the ic's and in attachments is the service manual. and in the pic of the seine board there are 2 aluminum surface mount caps missing because i took them off to test them 1 is a 220uf 6v and the other is a 47uf 16v i marked 220 and 47 on the board by the location they belong if you can see it in the pics.

    https://cdn.badcaps-static.com/pdfs/...fdc171dcba.pdf
    Attached Files

    Comment

    • philliesfan30m
      Badcaps Veteran
      • Aug 2013
      • 542
      • USA

      #3
      Re: Toshiba 37hlv66 Seine (main) board problem 3 blinks

      in the last pic the connector cn90 the tan colored connector at the top right i have 3.3v on pin 8,9,and 11 but no 18v on pin 1 or 6v on pin 3. why would they have the highest rated caps on the board at 16v when you are suppose to have 18v? bad design? that doesn't make much sense to me but i'm not an electrical engineer either.

      Comment

      • audiofreak19
        Badcaps Veteran
        • Apr 2013
        • 556
        • usa

        #4
        Re: Toshiba 37hlv66 Seine (main) board problem 3 blinks

        If all your getting is the 3 red blinks then it sounds like the common toshiba power supply problem with 3 ic's they have a repair kit on shopjimmy for it.

        Comment

        • philliesfan30m
          Badcaps Veteran
          • Aug 2013
          • 542
          • USA

          #5
          Re: Toshiba 37hlv66 Seine (main) board problem 3 blinks

          i'm getting 3 blinks but they are yellow and the troubleshooting guide points to the seine board as being faulty. unless toshiba doesn't know how to troubleshoot their own boards with their own service manual which is very possible. if it is the power board mine only has 2 str-z4517 and str-w6756 the other components on the heatsinks are double diodes and 2 double diodes not on heatsinks. does anyone know how to test those ic's? i can't even find a datasheet on the str-z4517 but i can purchase them if i know they are the problem.

          Comment

          • budm
            Badcaps Legend
            • Feb 2010
            • 40746
            • USA

            #6
            Re: Toshiba 37hlv66 Seine (main) board problem 3 blinks

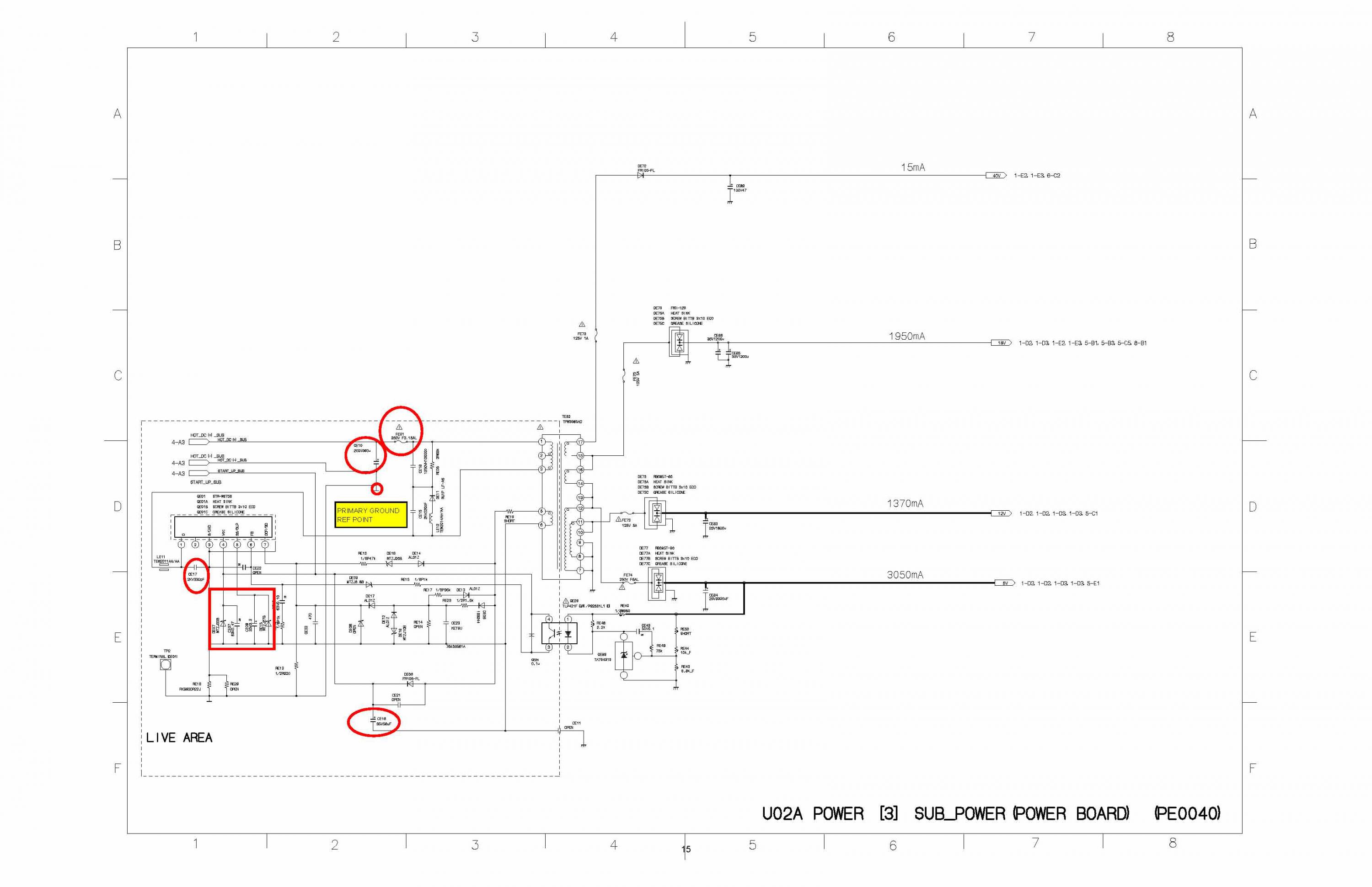
            OK, per SCH you provided, there is an always on power supply (see SCH U02 POWER (3) SUB_POWER page) that has four output voltages: 40V, 18V, 12V, and 6V. All of them has fuse for the protection. So do you have those voltages on the output connector of the power supply?
            Never stop learning
            Basic LCD TV and Monitor troubleshooting guides.
            http://www.badcaps.net/forum/showthr...956#post305956

            Voltage Regulator (LDO) testing:
            http://www.badcaps.net/forum/showthr...999#post300999

            Inverter testing using old CFL:
            http://www.badcaps.net/forum/showthr...er+testing+cfl

            Tear down pictures : Hit the ">" Show Albums and stories" on the left side
            http://s807.photobucket.com/user/budm/library/

            TV Factory reset codes listing:
            http://www.badcaps.net/forum/showthread.php?t=24809

            Comment

            • philliesfan30m
              Badcaps Veteran
              • Aug 2013
              • 542
              • USA

              #7
              Re: Toshiba 37hlv66 Seine (main) board problem 3 blinks

              i was hoping you would respond. no i don't have any of those voltages. and i checked all the fuses on the power board and sub board and they all check out ok. i never saw a power supply that had so many fuses. so you think it might be str-w6756? i never dealt with 1 that has an always on power supply so i'm a little confused as to whether it is the seine board or power supply causing me grief. thanks for replying bud

              Comment

              • budm
                Badcaps Legend
                • Feb 2010
                • 40746
                • USA

                #8
                Re: Toshiba 37hlv66 Seine (main) board problem 3 blinks

                I know, that are lots of fuses. The thing is that you do have 5V and 3.3V which does not make sense since the outputs of the sub_power (40v, 18v, 12v, 6V) are used to feed the smaller power supply board.
                Do you have the whole service manual that will show how the 5V and 3.3v standby voltages are generated?
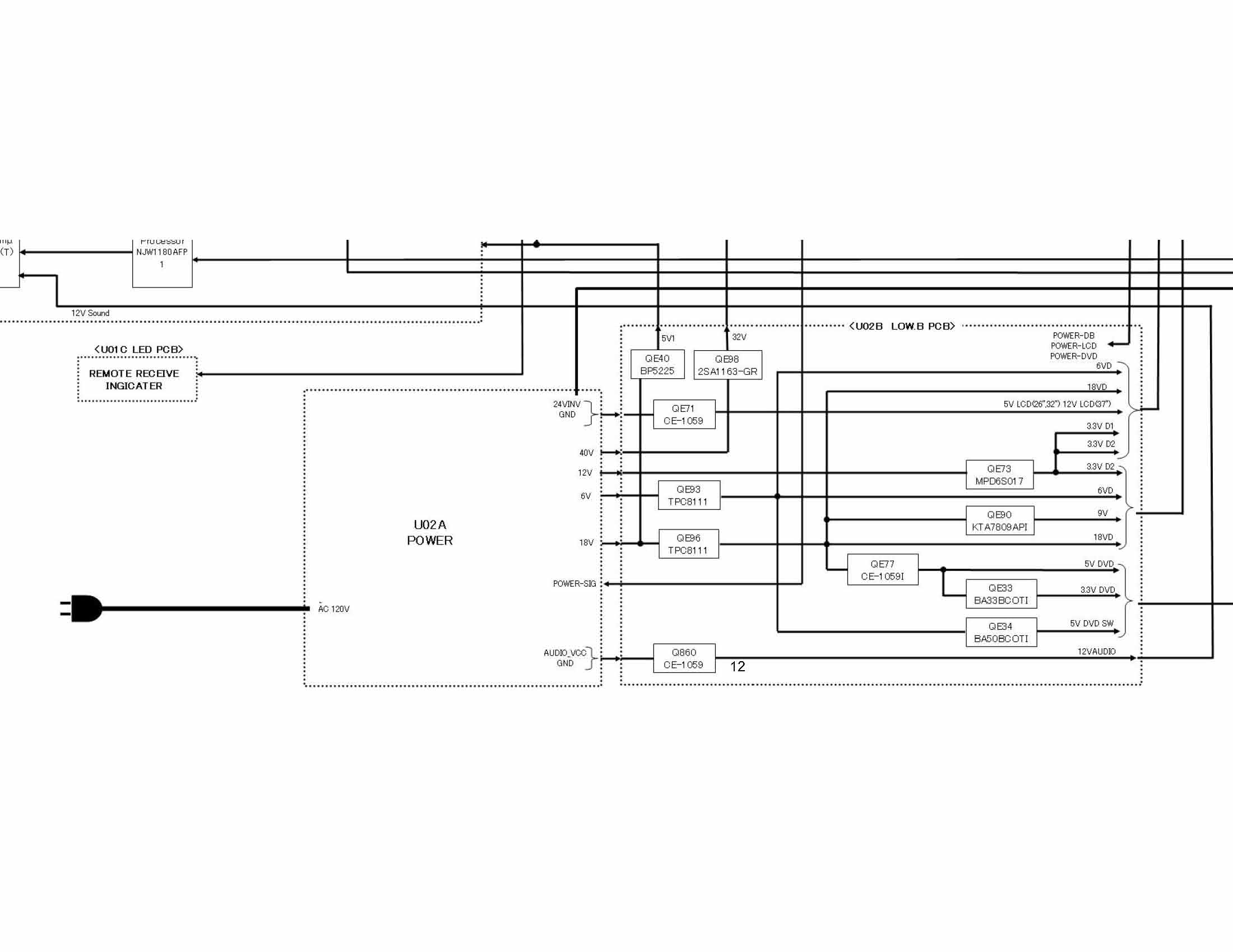
                If you look at the block diagram, you will see how the sub voltages are generated.
                The 12V is used to generated the 3.3VD
                The 18V is for the 5.1V.
                So what you are getting does not make sense.
                Last edited by budm; 04-23-2014, 09:57 PM.
                Never stop learning
                Basic LCD TV and Monitor troubleshooting guides.
                http://www.badcaps.net/forum/showthr...956#post305956

                Voltage Regulator (LDO) testing:
                http://www.badcaps.net/forum/showthr...999#post300999

                Inverter testing using old CFL:
                http://www.badcaps.net/forum/showthr...er+testing+cfl

                Tear down pictures : Hit the ">" Show Albums and stories" on the left side
                http://s807.photobucket.com/user/budm/library/

                TV Factory reset codes listing:
                http://www.badcaps.net/forum/showthread.php?t=24809

                Comment

                • philliesfan30m
                  Badcaps Veteran
                  • Aug 2013
                  • 542
                  • USA

                  #9
                  Re: Toshiba 37hlv66 Seine (main) board problem 3 blinks

                  no i don't have any other service manual i wish i did. i just followed the flowchart and they were saying it was seine board with the symptoms i had. but the service manual doesn't have anything on the seine board other than the connector it doesn't show how it generates the 5 and 3.3v. thats what i was trying to figure out what on the seine board is producing the 5 and 3.3v and why it wasn't the other 18 and 6v. they are all on the same connector going from the seine board to the lowb board thats what they call it. but i don't have the 18 and 6v coming out of that connector from the seine board. if that makes any sense.

                  Comment

                  • budm
                    Badcaps Legend
                    • Feb 2010
                    • 40746
                    • USA

                    #10
                    Re: Toshiba 37hlv66 Seine (main) board problem 3 blinks

                    Here is the block diagram for the power section, as you can see how the sub voltages are created.
                    Attached Files
                    Never stop learning
                    Basic LCD TV and Monitor troubleshooting guides.
                    http://www.badcaps.net/forum/showthr...956#post305956

                    Voltage Regulator (LDO) testing:
                    http://www.badcaps.net/forum/showthr...999#post300999

                    Inverter testing using old CFL:
                    http://www.badcaps.net/forum/showthr...er+testing+cfl

                    Tear down pictures : Hit the ">" Show Albums and stories" on the left side
                    http://s807.photobucket.com/user/budm/library/

                    TV Factory reset codes listing:
                    http://www.badcaps.net/forum/showthread.php?t=24809

                    Comment

                    • philliesfan30m
                      Badcaps Veteran
                      • Aug 2013
                      • 542
                      • USA

                      #11
                      Re: Toshiba 37hlv66 Seine (main) board problem 3 blinks

                      i understand what you are saying but i don't know why it is like that. it doesn't make any sense to me either. i did check out the seine board it has 2 test points tp1 and tp2. tp1 is located by str-z4517 and tp2 is located by str-w6756. i don't know if this means anything or if i am even checking it right but when i put 1 lead on tp1 and 1 lead on black ac in wire i get 124v ac but when i put the lead on the white ac in wire i get only 1v ac and on tp2 i get 125v ac when lead is on either white or black. could this have to do with the relay located by tp1 as to why it isn't reading 125v on both ac in wires like tp2 does? shouldn't that relay click on when the tv is plugged in since it is an always on power supply?

                      Comment

                      • philliesfan30m
                        Badcaps Veteran
                        • Aug 2013
                        • 542
                        • USA

                        #12
                        Re: Toshiba 37hlv66 Seine (main) board problem 3 blinks

                        any suggestions as to what to do next?

                        Comment

                        • budm
                          Badcaps Legend
                          • Feb 2010
                          • 40746
                          • USA

                          #13
                          Re: Toshiba 37hlv66 Seine (main) board problem 3 blinks

                          OK. let me get this right, if not, correct me, if you measure the DC output of 40V, 18V, 12V, and 6V, none of them are working?
                          Never stop learning
                          Basic LCD TV and Monitor troubleshooting guides.
                          http://www.badcaps.net/forum/showthr...956#post305956

                          Voltage Regulator (LDO) testing:
                          http://www.badcaps.net/forum/showthr...999#post300999

                          Inverter testing using old CFL:
                          http://www.badcaps.net/forum/showthr...er+testing+cfl

                          Tear down pictures : Hit the ">" Show Albums and stories" on the left side
                          http://s807.photobucket.com/user/budm/library/

                          TV Factory reset codes listing:
                          http://www.badcaps.net/forum/showthread.php?t=24809

                          Comment

                          • philliesfan30m
                            Badcaps Veteran
                            • Aug 2013
                            • 542
                            • USA

                            #14
                            Re: Toshiba 37hlv66 Seine (main) board problem 3 blinks

                            correct

                            Comment

                            • budm
                              Badcaps Legend
                              • Feb 2010
                              • 40746
                              • USA

                              #15
                              Re: Toshiba 37hlv66 Seine (main) board problem 3 blinks

                              OK, lets see if we have DC voltage on the filter cap CE10 (560uF 200VDC), measure right at the two legs of the cap to see if we have DC feeding this SUB-POWER section, I expect about 165~170VDC.
                              Then check those caps and Zener diodes that I marked up in the SCH.
                              Attached Files
                              Never stop learning
                              Basic LCD TV and Monitor troubleshooting guides.
                              http://www.badcaps.net/forum/showthr...956#post305956

                              Voltage Regulator (LDO) testing:
                              http://www.badcaps.net/forum/showthr...999#post300999

                              Inverter testing using old CFL:
                              http://www.badcaps.net/forum/showthr...er+testing+cfl

                              Tear down pictures : Hit the ">" Show Albums and stories" on the left side
                              http://s807.photobucket.com/user/budm/library/

                              TV Factory reset codes listing:
                              http://www.badcaps.net/forum/showthread.php?t=24809

                              Comment

                              • philliesfan30m
                                Badcaps Veteran
                                • Aug 2013
                                • 542
                                • USA

                                #16
                                Re: Toshiba 37hlv66 Seine (main) board problem 3 blinks

                                bud i am sorry for being incorrect and having you do more than you should of and appreciate the help. here it is i do have the 6v,18v,and 40 but the 12v is 10.8v so now it should make sense other than the 12v being low now we should be able to get somewhere thanks to your help.

                                Comment

                                • philliesfan30m
                                  Badcaps Veteran
                                  • Aug 2013
                                  • 542
                                  • USA

                                  #17
                                  Re: Toshiba 37hlv66 Seine (main) board problem 3 blinks

                                  i did notice ce83 on the 12v line was giving me a weird reading i'm gonna take it out and test it for capacitance. i don't have an esr meter but if it is low on capacitance i'm gonna just change it out unless you come up with something else in the meantime. i apologize about the misunderstanding about the voltage but i was going by the board labels instead of checking by pin number and was reading ground points instead of the proper voltages.

                                  Comment

                                  • budm
                                    Badcaps Legend
                                    • Feb 2010
                                    • 40746
                                    • USA

                                    #18
                                    Re: Toshiba 37hlv66 Seine (main) board problem 3 blinks

                                    OK, at least the IC of the SUB Power supply is OK and running.
                                    Never stop learning
                                    Basic LCD TV and Monitor troubleshooting guides.
                                    http://www.badcaps.net/forum/showthr...956#post305956

                                    Voltage Regulator (LDO) testing:
                                    http://www.badcaps.net/forum/showthr...999#post300999

                                    Inverter testing using old CFL:
                                    http://www.badcaps.net/forum/showthr...er+testing+cfl

                                    Tear down pictures : Hit the ">" Show Albums and stories" on the left side
                                    http://s807.photobucket.com/user/budm/library/

                                    TV Factory reset codes listing:
                                    http://www.badcaps.net/forum/showthread.php?t=24809

                                    Comment

                                    • philliesfan30m
                                      Badcaps Veteran
                                      • Aug 2013
                                      • 542
                                      • USA

                                      #19
                                      Re: Toshiba 37hlv66 Seine (main) board problem 3 blinks

                                      that seemed to test ok. i also check the schotty barrier diode and that tested ok as well. anything else on that line that could be bringing down the 12v? any ideas?

                                      Comment

                                      • budm
                                        Badcaps Legend
                                        • Feb 2010
                                        • 40746
                                        • USA

                                        #20
                                        Re: Toshiba 37hlv66 Seine (main) board problem 3 blinks

                                        The 12V is fed to QE73 (MPD6S017) used for producing the 3.3Vd1, 3.3D2, even at 10V, it should be enough to produe 3.3V out put.
                                        At this point you are correct that some how the main board is not sending the Power on signal to turn on the relay which supply the power to the 24V power supply section.
                                        I do not know what are on the main board for us to check without the service manual. I am sure that there are voltage regulators and may be fuses on the main board that can be checked.
                                        Never stop learning
                                        Basic LCD TV and Monitor troubleshooting guides.
                                        http://www.badcaps.net/forum/showthr...956#post305956

                                        Voltage Regulator (LDO) testing:
                                        http://www.badcaps.net/forum/showthr...999#post300999

                                        Inverter testing using old CFL:
                                        http://www.badcaps.net/forum/showthr...er+testing+cfl

                                        Tear down pictures : Hit the ">" Show Albums and stories" on the left side
                                        http://s807.photobucket.com/user/budm/library/

                                        TV Factory reset codes listing:
                                        http://www.badcaps.net/forum/showthread.php?t=24809

                                        Comment

                                        Related Topics

                                        Collapse

                                        • Dani_2024
                                          Sceptre U550CV-UMR 4K LED, Bad Caps on Main Power Board?
                                          by Dani_2024
                                          Hi and thanks in advance for any input you might provide!
                                          I have a Sceptre U550CV-UMRD8POTV83BB 4K LED (this is a dumb tv) that I bought new in August 2021, so It's just completed 3 years.
                                          Main power board model: TP.MS3683.PC821 T-Con board: N4TP546UHDPU2L_BO

                                          Last Sunday I was watching a dvd and fell asleep for about half hour, when I awoke the tv screen was black and couldn't get the dvd menu to show, so I changed the input to antenna and had sound but no picture, turned it off. I then got online and found this great site! ....read many troubleshooting tips and this...
                                          10-28-2024, 05:06 PM
                                        • ygorsan
                                          LG 55NANO77SRA TV – Menu scrolling by itself even after removing button board (Main Board EBU66792103)
                                          by ygorsan
                                          Hi everyone,




                                          I’m looking for help with a persistent issue on an LG TV model 55NANO77SRA, which uses the main board EBU66792103 (also used in LG UQ80 and NANO75/NANO80 series).







                                          🧩 Problem Summary:
                                          • The TV keeps scrolling through the menu or selecting items by itself.
                                          • I removed the physical button board (the entire panel with power and volume buttons) and also disconnected the flat cable (CN202) from the main board.
                                          • The remote control is not in use (batteries removed), and the TV still shows the same behavior.
                                          • I
                                          ...
                                          07-28-2025, 08:34 AM
                                        • jb_Bak
                                          Sony xbr-65x900c main board issues?
                                          by jb_Bak
                                          Hey guys great forum glad to have found it. I bought a Sony XBR 65X900C cheaply because it didn't work. No signs of life at all not even a light/led. All I hear is a brief high voltage sound when I throw the power to it.

                                          Didn't see any obvious signs of damage so right away started checking voltages. This is what I see:
                                          Power Board Connector that goes to Main board
                                          CN6401
                                          Pin 01 NC
                                          Pin 02 NC
                                          Pin 03 "BL_ON": 0V
                                          Pin 04 "N/C"
                                          Pin 05 "STBY 3.3V": 3.5V
                                          Pin 06 "GND": N/C
                                          Pin 07 "AC_OFF"...
                                          09-27-2021, 04:52 PM
                                        • JDC
                                          (SOLVED) - ONN 100012588 No Power, Then Rebooting After Main Board Change
                                          by JDC
                                          ONN 100012588
                                          Issue: No Power, Then Rebooting After Main Board Change

                                          Short answer: replace main board and power board
                                          Technical answer: replace main board and Q306 & Q307 on power board.

                                          Long answer:

                                          TV wouldn't turn on. Power switch was fine which means the main board isn't processing the power on signal. Replaced main board. TV turns on now but randomly reboots. Bad main board? EEPROM? Tried to pull main board and got a shock touching the corner of the board. That's weird. C334 (450V 10uf) capacitor is still holding a high charge....
                                          07-15-2022, 07:39 AM
                                        • m1ch43lzm
                                          HP Pavilion 15-eh Board DAG7HAMB8F0 - CPU throttling to 0.4GHz (PROCHOT_EXT) and black screen
                                          by m1ch43lzm
                                          Hi, this is my personal laptop, which the original board (lets call it Board A) blew up PU8700 (TPS51486), making a hole on the board, i had left the laptop at my desk one day with the battery fully charged and didn't touch it for a week, but when i tried to turn it on it didn't
                                          Thought the battery was dead, so i plugged in the charger then tried to power on, the power LED blinked once, charged LED still orange, unplugged the charger, plugged in again and I noticed the "magic smoke" smell, so i unplugged the charger, removed the back cover and saw the blown IC (the "magic...
                                          05-12-2025, 08:37 PM
                                        • Loading...
                                        • No more items.
                                        Working...