Ok have some troubles figuring this one out mainly because there is no voltage labels anywhere except on inverters master & slave. The symptoms are 6 led blinking error code when you press power button, no flash and no main voltages going to inverter, obviously its went into protect mode. So i could use some help with this one guys help me find the stby voltage and this set fault....Thanks ahead of time....
PHILIPS 42PF7421D/37 Chassis EL1.1 U AA
Collapse
X
-
Tags: None
-
-
Re: PHILIPS 42PF7421D/37 Chassis EL1.1 U AA
Also no obvious blown or bulging or leaky caps mostly rubycons i think there is a couple lelons er something like that anyways here is the closest manual i can find on this set. i am having hard time telling what is what for voltage checks and power board has zero output except to the sound board/standby board. and having heck of time telling what is what on mainboard due to lack of labels. I have a feeling it may be the standby board being culprit but without being able to verify before purchase. would like a second opinion and help in verification thanks.Comment
-
Re: PHILIPS 42PF7421D/37 Chassis EL1.1 U AA
6 blink code is missing 5 volt error see attached training guideAttached Filesif you find these attachements useful please consider making a small donation to the site
Ron Driver,BSEE,CET,ISCET,NESDAComment
-
Re: PHILIPS 42PF7421D/37 Chassis EL1.1 U AA
Thanks, i was trying to upload the service manual but for some reason a no go, and it did not say much about the error code either, anyways this Training manual should shed some light thanks.... I will post back more info of what i find...or any questions i may have...Comment
-
Comment
-
-
Re: PHILIPS 42PF7421D/37 Chassis EL1.1 U AA
I appear to have all 5v on everything i can find that regards to stby stby-v and on one stby connector with no apparent specific voltage reference but is 3.4 volts just says stby on connector 1J02 pin 11going to POD mode, hence the blinking error i think it is supposed to be 0 volts when there is no error correct me if i am wrong but then again even when TV is off it still gets 3.4 volts on pin 11 of connector 1J02 sooo ?. Still looking in meantime but i admit it's got me scratching my head atm... ThanksComment
-
Re: PHILIPS 42PF7421D/37 Chassis EL1.1 U AA
Look @ the voltage from 7U25 transistor pin 1 and 3 for 5V this is a run voltage refer to fig 8 in the training manual this 5v run voltage is what is monitored by the standby processor IC 7J00Ron Driver,BSEE,CET,ISCET,NESDAComment
-
Re: PHILIPS 42PF7421D/37 Chassis EL1.1 U AA
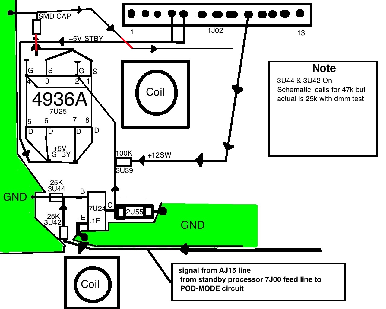
Okay looks like we have a clue and getting somewhere but weird deal here. 7U25 happens to be a 8 pin sot dual N channel mosfet part number 4936A, basically dual transistors built into a single package anyhow what is odd is pin 1234 has zero voltage which is source and gate pins and pins 5678 all have 5 volts and they are drainsComment
-
Re: PHILIPS 42PF7421D/37 Chassis EL1.1 U AA
in order for the source of 7U25 to go to 5v base of 7U24 must go high turning on 7U24 therefore putting the collector of 7U24 low through the gnd path of the emitter of 7U24
turning on 7U25 gate with the 5v sitting on drain for developing the source 5 voltsRon Driver,BSEE,CET,ISCET,NESDAComment
-
Re: PHILIPS 42PF7421D/37 Chassis EL1.1 U AA
Ok so the transistor junction 7U24 is supposed to have voltage at the base to engage the internal gate and the emitter to ground . Here is the problem there is no voltage at the base so that explains clearly why there is no 5 volt getting to source because 7U24 is not being told to engage. So i ran a jump from 5 volt drain to source and it changes the error code to 12 , no 12 volt , I undid the jump and it returned to error 6...Now i suspect the standby processor is not getting 12 volt feed or is it getting it from 3U39 100k resistor? and i guess i also need to check 2U55. I will trace and check some more around later today... Thanks again...We are certainly on the right track...Comment
-
Re: PHILIPS 42PF7421D/37 Chassis EL1.1 U AA
I found 7M06 can't identify the lil sucker about the size of a grain of rice, number on it is either B122 or 8122 it has 5 pins anyhow, it has 2 pins on one side and 3 on other i am getting 5 volts on the 3 pin side and on 2 pin side 1.2 volts will i need to upload a pic to identify this thing? It looks like it's working.Last edited by heavymachines; 03-26-2014, 01:38 PM.Comment
-
Re: PHILIPS 42PF7421D/37 Chassis EL1.1 U AA
So in theory it's looking like the standby processor is defective or it's a reball issue? After all the standby processor is a BGA plus it's only 1.2 volts and from looks on schematics that is what it's supposed to be but also looking at schematic line AJ15 is what feeds 7U24 threw a 3U42 47k resistor am i reading this right and just past the transistor junction says +12SW feed 3U39 100k resistor.... still trying to find 3U39 not everything is labeled LOL. probably is under the resistor but not visible... should i feed the 7U24 some juice and what volts ? I will wait on your expert advice thanks...Comment
-
Re: PHILIPS 42PF7421D/37 Chassis EL1.1 U AA
Also i am not getting any led light indication at all on mainboard ....Comment
-
Re: PHILIPS 42PF7421D/37 Chassis EL1.1 U AA
1.2V for the output of 7m06 is correct,upon power on are you seeing the 12vsw @ 3U39?
what is the base voltage of 7U24 before set is powered on? what is base voltage of base 7U24 after set powered on? yes your reading right that AJ15 pin feeds through 3u42 to base of 7U24Ron Driver,BSEE,CET,ISCET,NESDAComment
-
Re: PHILIPS 42PF7421D/37 Chassis EL1.1 U AA
Ok i spent some time making my own schematic to make it easier to cross reference with the manufacture schematic and while i was doing this i realized i made a slight mistake in properly testing 7U24, after using a magnifying glass to identify the markings on it i was able to find datasheet on that ic and then i dawned on me i was checking the wrong pin (Base) etc, needless to say after drawing up my own schematic cross referencing with manufacture schematic and a boat load of trace continuity testing i was able to fully cypher and get a full understanding and this should help us both no phun intended. Doh!!!
Now that things are cleared up There is no voltage at all feeding 3U39 supposed to be 12v
@ 3U42 is reading 2.8 volts but by time it reaches 7U24 @base is actually getting .59 volts but nothing at emitter and collector. but emitter is grounded anyways.
7U25 is getting 5v STBY at the drain side just pooled there waiting to be drained er directed into the source and gate side
1J02 connector is getting STBY 5v at pins 4&5 Zero volts @ pin 9 supposed to be +12volts/VS
1J02 is getting 3.4 volts @ pin 11 (pins 123 is not used and pins 6789&10 12 and 13 is dead zero zilch notta....
I rechecked 7M06 and that is confirmed working....
Also wanted to point out that 3U44 & 3U42 is reading 25k ohms. Manufacture schematic calls for 47k ohms each.
Even if i took pictures of this area with camera things are so tiny and traces are hard to see with eyes let alone camera another reason i spent few hours drawing up the area and tracing and checking and researching cross referencing etc...Attached Filesif you find these attachements useful please consider making a small donation to the site
Comment
-
Re: PHILIPS 42PF7421D/37 Chassis EL1.1 U AA
I am certain it needs the 12 volts to make everything happy in that area, 7U25 is not getting 5v to source and gate side when 5v is just pooled up at drain side of that 4936A mosfet, i jump the 5 volts over to where it needs to be then it changes 6 blink led code missing 5v error to 12 led light blinks meaning 12 volt error.
Another slight concern i have maybe not enough voltage is getting at base of 7U24 but something tells me it's fine.... I am certain it needs the +12VSW to make everything work.
Also on that note it's kinda funny how the system self error checker says missing 5 volts when it does indeed have 5v but not being drained to where it needs, it should be checking for the 12volts first before the 5v if i think i caught a flaw in their design....Comment
Related Topics
Collapse
-
by HP32SiiThis is my first post on this forum, and my first attempted repair of a modern flat-screen LCD-TV (though I have repaired a few LCD-monitors, all with Elco-problems (high ESR). I have repaired my fair share of TV-sets and VCRs in the past ('90s) and was fairly familiar with the different Philips chassis (KT-3M, K12, K2, K3, K7 are some that come to mind). So I have a fair bit of experience on old sets. Obviously, modern TV sets are quite a different cup of tea.... no HOT or flyback-transformer inside, for starters....
The set came into my possession by accident,... -
Hello,
My Plasma Philips 37inch chassis FTL2.1 does not show picture. It automatically goes into protection mode after 30 seconds (red led blinks at 3Hz)
Is there someone having any symptom like this? How to fix it?
Thanks in advance!08-06-2024, 09:55 PM -
by celiabrownHello guys,
My Plasma Philips 37inch chassis FTL2.1 does no picture ,and goes into protection mode after 30 seconds (red led blinks at 3Hz).
Can someone has any symptom like this ?
Thanks05-09-2024, 10:56 PM -
by Jimmy1979Philips 50PUS6262/12 (chassis TMP17.7E LA)
Hello does anyone have a schematic of the bufferboard? or clear photos with resistors? I have one burnt resistor and one shorted smd cap. -
This specification for the Acer Aspire Acer Aspire Vero Green PC AV15-51 15.6 inch Laptop - (Intel Core i7-1195G7, 16GB, 1TB SSD, Full HD Display, Windows 11, Grey, 30% PCR Chassis) Notebook can be useful for upgrading or repairing a laptop that is not working. As a community we are working through our specifications to add valuable data like the Acer Aspire Vero Green PC AV15-51 15.6 inch Laptop - (Intel Core i7-1195G7, 16GB, 1TB SSD, Full HD Display, Windows 11, Grey, 30% PCR Chassis) boardview and Acer Aspire Vero Green PC AV15-51 15.6 inch Laptop - (Intel Core i7-1195G7, 16GB, 1TB SSD, Full...09-07-2024, 03:10 AM
- Loading...
- No more items.
Comment