Panasonic 15th Gen 2012/13, intermittent not powering on or standy LED - power outage

Collapse
X
 
  • Time
  • Show
Clear All
new posts
  • andyb1712
    Member
    • Oct 2018
    • 41
    • United Kingdom

    #21
    Re: Panasonic 15th Gen 2012/13, intermittent not powering on or standy LED - power ou

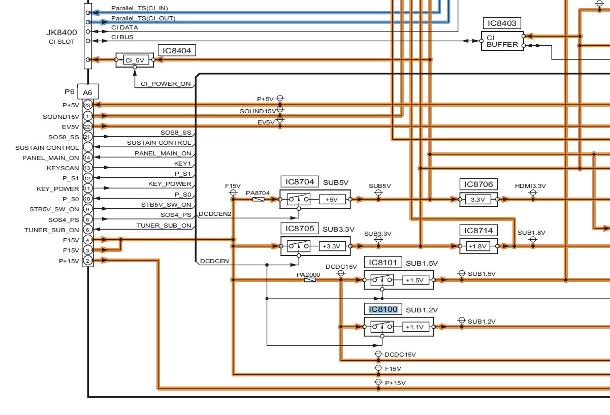
    Looking at this more closely... Vsus, Vda, +15Vc/+15Vs aren't powering up. These all get their signal to start from U207, the PSU micom. This in turn is given the signal to start from the A board CPU via Panel_Main_ON, which is not going high when the set is switched on. STB5V and F15V are both good, so I'm starting to think this isn't a PSU issue.

    Next checks will be on the A Board for IC8704 - SUB5V, IC8705 - SUB3.3V, IC8101 - SUB1.5V and IC8100 - SUB1.2V. I don't think the main CPU will give the Panel_Main_ON signal unless all 4 of these are present and correct.

    Fuses on the A Board, PA8704 and PA2000 are candidates for investigation too.
    Attached Files

    if you find these attachements useful please consider making a small donation to the site

    Last edited by andyb1712; 06-15-2021, 08:48 AM.

    Comment

    • andyb1712
      Member
      • Oct 2018
      • 41
      • United Kingdom

      #22
      Re: Panasonic 15th Gen 2012/13, intermittent not powering on or standy LED - power ou

      Hit a wall with this now...

      SUB5V, 3.3V, 1.8V, 1.5V and 1.2V are all present on the A-Board, so all the regulators on there are good. Panel_Main_On is not on, which isn't good.

      On the PSS board, STBY5V and F15V are up and the Power Micom U207 has +5V.

      The only anomaly is STB5V_SW_ON to the A-Board is at 0V, just like +15Vc_ON and Vsus Vda, which all originate from U207.

      I assume Panel_Main_On from the main CPU won't go high unless it sees STB5V_SW_ON from the PSU micom?

      From all this it looks like the PSU Micom has failed, which is an obscure device with on board eeprom, so will be a custom Panasonic one.

      Anyone???

      Comment

      • nataf10
        Member
        • Mar 2012
        • 37
        • Israel

        #23
        Re: Panasonic 15th Gen 2012/13, intermittent not powering on or standy LED - power ou

        Hi there,
        I'm trying to repair the same problem with a Panasonic power supply.
        Did you manage to repair your TV?
        Are you still thinking it is a Power supply issue?
        I have the schematic diagram if you want it I can send via email or upload it here.
        I hope to hear from you friend.
        Thank you.

        Comment

        Related Topics

        Collapse

        • BigPete
          Panasonic Heatpump Dryer Repair
          by BigPete
          I picked up a Panasonic NH-P70G2, though it would apply to the NH-P80G2, NH-P70G1 and NH-P80G1 models as well, as maybe some other models. This one was coming up with a H86 error. After lots of testing and googling it was an error with one of the thermistors in the condenser area.
          The attached French service manuals is incorrect, TH11 is gray and is a 95k thermistor and TH12 is black and is a 35k thermistor.
          In my case TH12 was bad. I was able to get a 35k thermistor on AliExpress. It's 6mm in diameter.
          Unfortunately the whole machine has to come apart to fix it.
          I have...
          11-01-2025, 06:40 PM
        • Andre Gilbert
          Panasonic TC-P55ST50 8 blinks then no blinks
          by Andre Gilbert
          Hello! yes I know there is already lots of information about this issue. I have a Panasonic TC-P55ST50 that originally displayed an 8-blink error code. Following the troubleshooting flowchart, I ended up replacing the SS board. However, even after replacing it, the issue persists. The TV turns on and stays on without displaying an image, and continuity is confirmed on all connectors. What am I missing here🤔?
          Ok Im a mechanical engineer ...but I thought I was able to follow a rather simple flowchart for electric troubleshooting 😂.

          TV Model: Panasonic TC-P55ST50
          ...
          11-20-2024, 08:52 PM
        • protocold
          MacBook Pro 15" 2010 820-2850 intermittent charging
          by protocold
          I would like to get some help on a 820-2850 logic board with intermittent charging problem. Sometimes the battery will charge all the way and sometimes magsafe would be cycling between green and orange.

          I have already tried replacing dc-in board, swapping good battery, swapping genuine 85w chargers. None of that helps..

          when it is not intermittent:
          PPVBAT_G3H_CHGR_R is 12.07v

          when it is intermittent:
          When the light is green, PPVBAT_G3H_CHGR_R is 12.99v
          when the light is orange, PPVBAT_G3H_CHGR_R is 11.62v

          data line on the battery...
          07-25-2025, 08:18 PM
        • AquaMan Ua
          Problem with PANASONIC CF53 laptop after changing BIOS settings
          by AquaMan Ua
          Hello. I am asking you for a hint on how to solve the problem with my touchbook Panasonic CF53-2 standart model. After setting up the BIOS, the laptop displays the wrong image until Windows loads. (More precisely, it displays, but distorted, instead of the Panasonic image immediately after turning it on, it displays what is in photo #1 in the attached file) Then the image appears when Windows starts loading and then there are no problems with the screen until the reboot. If you enter the BIOS, just a black screen. If you connect an external screen, the image on it is the same as on the built-in...
          05-17-2025, 09:40 AM
        • DanielCoffey
          Panasonic TX-40ES503B Intermittent Power On
          by DanielCoffey
          We have a wall-mounted Panasonic 40" TX-40ES503B at home which we have owned since new (around four years) and it has recently become reluctant to power on via the button on the rear lower right. We would appreciate any advice please.

          The symptoms are as follows...

          1. Press the Power On button with a short press. This button is a momentary with a tactile "click" when pressed and when released.

          Usually the TV will not power on and there is no activity. Sometimes it does power on and remains on.

          2. If it did not power on, short press...
          03-13-2021, 05:20 AM
        • Loading...
        • No more items.
        Working...