LG 32" 32LG50FD whitish picture

Collapse
X
 
  • Time
  • Show
Clear All
new posts
  • mohhingman
    Member
    • May 2012
    • 10
    • Australia

    #1

    LG 32" 32LG50FD whitish picture

    Hello All,

    I got a 32" LG LCD which has a colour problem.

    The image is mostly white, but if brightness is maxed you can make out some of the image. Parts of the image persistently stay on the screen. There are some green and pink tints in some of the images. There are no borders, double images, vertical or horizontal lines. The image just has whacked colour.

    I have tried spraying the screen borders with freezy spray - no change.

    I have tried using a heat gun and freezy spray on the tcon board, power supply and also mainboard - no change.

    The power supply looks good - no bulging caps, no sign of burning components.

    All inputs sources and the menu have the same colour effect.

    Any pointers what i can check on the boards or what to replace?

    Thanks in advance
  • mohhingman
    Member
    • May 2012
    • 10
    • Australia

    #2
    Re: LG 32" 32LG50FD whitish picture

    This is a photo of the colour problem.
    Attached Files

    if you find these attachements useful please consider making a small donation to the site

    Comment

    • tom66
      EVs Rule
      • Apr 2011
      • 32560
      • UK

      #3
      Re: LG 32" 32LG50FD whitish picture

      Probably T-con -> low VGH/VGL voltage could be caused by a bad T-con and would cause similar effect. Who makes the LCD panel in this TV, is it an LG?
      Please do not PM me with questions! Questions via PM will not be answered. Post on the forums instead!
      For service manual, schematic, boardview (board view), datasheet, cad - use our search.

      Comment

      • mohhingman
        Member
        • May 2012
        • 10
        • Australia

        #4
        Re: LG 32" 32LG50FD whitish picture

        Originally posted by tom66
        Probably T-con -> low VGH/VGL voltage could be caused by a bad T-con and would cause similar effect. Who makes the LCD panel in this TV, is it an LG?
        Thanks for your reply Tom66.

        It's an AU Optronics T315HW01 screen, with a T315HW01 V0 T-Con board.

        Comment

        • mohhingman
          Member
          • May 2012
          • 10
          • Australia

          #5
          Re: LG 32" 32LG50FD whitish picture

          Originally posted by mohhingman
          Thanks for your reply Tom66.

          It's an AU Optronics T315HW01 screen, with a T315HW01 V0 T-Con board.
          Hi tom66, i did a voltage measurement of VGH and VGL pads on the tcon board, VGH=27V, VGL=-6.0V

          cheers
          Mark

          Comment

          • tom66
            EVs Rule
            • Apr 2011
            • 32560
            • UK

            #6
            Re: LG 32" 32LG50FD whitish picture

            Originally posted by mohhingman
            Hi tom66, i did a voltage measurement of VGH and VGL pads on the tcon board, VGH=27V, VGL=-6.0V

            cheers
            Mark
            VGH seems way too high... it's usually around 10-15V. Not sure about VGL. Right now I would suggest you see if the T-con is available cheap somewhere, as AUO are in lots of cheap TVs.
            Please do not PM me with questions! Questions via PM will not be answered. Post on the forums instead!
            For service manual, schematic, boardview (board view), datasheet, cad - use our search.

            Comment

            • mohhingman
              Member
              • May 2012
              • 10
              • Australia

              #7
              Re: LG 32" 32LG50FD whitish picture

              Thanks a lot tom66, i'l get my hand on a new t-con board. Thanks for putting me in the right direction I'l post results once the new board is obtained and fitted.

              Comment

              • budm
                Badcaps Legend
                • Feb 2010
                • 40746
                • USA

                #8
                Re: LG 32" 32LG50FD whitish picture

                I did see 27v Vgh on some panels that use TI chip.
                Attached Files

                if you find these attachements useful please consider making a small donation to the site

                Never stop learning
                Basic LCD TV and Monitor troubleshooting guides.
                http://www.badcaps.net/forum/showthr...956#post305956

                Voltage Regulator (LDO) testing:
                http://www.badcaps.net/forum/showthr...999#post300999

                Inverter testing using old CFL:
                http://www.badcaps.net/forum/showthr...er+testing+cfl

                Tear down pictures : Hit the ">" Show Albums and stories" on the left side
                http://s807.photobucket.com/user/budm/library/

                TV Factory reset codes listing:
                http://www.badcaps.net/forum/showthread.php?t=24809

                Comment

                • mohhingman
                  Member
                  • May 2012
                  • 10
                  • Australia

                  #9
                  Re: LG 32" 32LG50FD whitish picture

                  Ah i see, thanks for that budm. This T-con board uses the TI 65161. By examining the feedback resistor values I imagine the correct voltages can be ascertained. Say the voltages went too high, would it damage the panel itself? One of the application notes in the 65161 datasheet has a VGH of 27.5V, VGL of -6V and a VS of 16V, which matches the readings on the T-con board. If the voltages are within spec, is there another thing to check on the T-con board or could the panel be damaged? Cheers

                  Comment

                  • budm
                    Badcaps Legend
                    • Feb 2010
                    • 40746
                    • USA

                    #10
                    Re: LG 32" 32LG50FD whitish picture

                    The Vgh, Vgl, Vs are fed to the ICs on the side Tabs on the flexible circuit board which will drive the Gate of the TFTs on the LCD panel. I cannot tell you for sure if it is still T-CON or the panel itself.
                    Never stop learning
                    Basic LCD TV and Monitor troubleshooting guides.
                    http://www.badcaps.net/forum/showthr...956#post305956

                    Voltage Regulator (LDO) testing:
                    http://www.badcaps.net/forum/showthr...999#post300999

                    Inverter testing using old CFL:
                    http://www.badcaps.net/forum/showthr...er+testing+cfl

                    Tear down pictures : Hit the ">" Show Albums and stories" on the left side
                    http://s807.photobucket.com/user/budm/library/

                    TV Factory reset codes listing:
                    http://www.badcaps.net/forum/showthread.php?t=24809

                    Comment

                    • crtfool
                      Senior Member
                      • Jun 2010
                      • 82
                      • USA

                      #11
                      Re: LG 32" 32LG50FD whitish picture

                      I repair a lot of LCD computer monitors, and I see this exact problem on the monitors with AU Optronics LCD assemblies. I even see it on brand new monitors right out of the sealed box. Since computer monitors have the T-Con boards ribbon fused to the LCD panel, it is impossible to tell which is at fault. I just swap out the complete LCD assembly and everything is good. It seems that this is a common fault with AU Optronics.

                      Comment

                      • mohhingman
                        Member
                        • May 2012
                        • 10
                        • Australia

                        #12
                        Re: LG 32" 32LG50FD whitish picture

                        Originally posted by crtfool
                        I repair a lot of LCD computer monitors, and I see this exact problem on the monitors with AU Optronics LCD assemblies. I even see it on brand new monitors right out of the sealed box. Since computer monitors have the T-Con boards ribbon fused to the LCD panel, it is impossible to tell which is at fault. I just swap out the complete LCD assembly and everything is good. It seems that this is a common fault with AU Optronics.

                        Thanks for your input crtfool. I plan to keep testing this set of boards until I determine if it's panel or tcon. I did a search and stumbled across a great resource for LG LCD tvs. Albeit it's a different a model but it may be a good starting point for checking voltages.

                        http://www.scribd.com/doc/78050578/2...LK450-Training

                        I'm now inspecting the TCON board closely for voltage problems.

                        Comment

                        • mohhingman
                          Member
                          • May 2012
                          • 10
                          • Australia

                          #13
                          Re: LG 32" 32LG50FD whitish picture FIXED

                          OK, great news on the 32LG50FD LCD set which had a white picture. It has been fixed with a replacement of the T-con board. I would like to thank all those who posted here giving me advice on where to start. A picture is shown with the replacement T-con board fitted and running a test source on the screen. This was a 2nd hand part from an internet vendor.

                          So for those running AUO screens which have gone white, it is due to a bad T-con board. I am lead to beleive the problem is in the LCD bias voltage generation circuitry. It had become hot on my previous board and had made scorch marks on the rear of the T-con board.

                          Before removing the old T-Con board I made notes of voltages on every test point. I will now re-test the voltages on this good working board and publish the results here shortly.

                          Regards
                          mohhingman
                          Attached Files

                          if you find these attachements useful please consider making a small donation to the site

                          Comment

                          • tom66
                            EVs Rule
                            • Apr 2011
                            • 32560
                            • UK

                            #14
                            Re: LG 32" 32LG50FD whitish picture

                            Great - Another TV saved from landfill.
                            Please do not PM me with questions! Questions via PM will not be answered. Post on the forums instead!
                            For service manual, schematic, boardview (board view), datasheet, cad - use our search.

                            Comment

                            • mohhingman
                              Member
                              • May 2012
                              • 10
                              • Australia

                              #15
                              Re: LG 32" 32LG50FD whitish picture

                              Hello All,

                              The voltage readings from the good T-Con board have been measured. A picture is attached of the board's voltage generation circuitry. It's a AUO T315HW01 V0. Different voltages in bold.

                              General Voltages - Good, Bad

                              V12IN: 12.0, 12.0
                              V12: 12.0, 12.0
                              VGL: -6.0, -6.0
                              VGH: 27.3,27.3
                              AVDD: 16.5,16.5
                              VGHC: 25.8,25.7
                              VCOM: 6.7,15.8
                              VGMA_REF: 15.8, 16.0
                              CONF: 6.7,6.7
                              VIDE:1.8,1.8
                              V2REF:2.5
                              XSFT_M:1.3,1.3
                              YUIC:2.5,2.5
                              YOE_B: 1.8,1.8
                              YCLR_B: 0.38,0.38
                              YDIOU_B: 0.0,0.0
                              XSTB_B: 0.25,0.25
                              YPOL_B:1.6,1.6
                              YOE_F:1.8,1.8
                              YCLR_F:0.38,0.38
                              YDIOU_F:0.0,0.0
                              XSTB_F:0.25,0.25
                              YPOL_F:1.6,1.6


                              VGAMA References - Good, Bad

                              VGAMA1: 15.8,16.5
                              VGAMA2: 15.8,16.5
                              VGAMA3: 10.9,16.5
                              VGAMA4: 10.3,16.5
                              VGAMA5: 9.1,16.5
                              VGAMA6: 8.7,16.5
                              VGAMA7: 8.7,16.5
                              VGAMA8: 6.7,3.3
                              VGAMA9: 6.7,3.3
                              VGAMA10: 6.5,3.0
                              VGAMA11: 5.3,1.9
                              VGAMA12: 4.7,1.2
                              VGAMA13: 0.2,15.8
                              VGAMA14: 0.2,16.0


                              U502 Test points - Good, Bad

                              REF2: 15.0,16.5
                              REF3: 10.9,16.5
                              REF4: 10.6,16.5
                              REF5: 10.6,16.5
                              REF6: 9.5,16.4

                              REF_F1: 15.8,15.9
                              REF_F7: 6.5,8.7

                              REF_F8: 6.7,6.8
                              REF_F14: 0.15, 15.6
                              REF9: 6.2,4.5
                              REF10: 5.5,5.8
                              REF11: 4.8,7.2
                              REF12: 4.7,7.5
                              REF13: 0.9, 14.8


                              What can be seen here is U502 is bad. On my bad board it has been so hot that the chip ID is burned off the face of the chip. It looks like it's a multiple output linear regulator IC.

                              The VGAMA references are totally different, which I beleive are derived from U502. The main regulator, U201 which seems to feed U502 seems to have survived with the main VGL, VGH and AVDD voltages intact, though it's running a little hot evidenced by the hot marks on the rear of the board.

                              The conclusion is thus, U502 is faulty and should be replaced. Since this is a chip made by AUO itself, maybe it will be difficult to source. Can anyone else chime in here? Anyone know the part number of this chip?

                              According to the LG 37LK450 service manual, a similar IC on the T-Con board, IC U601 is a “DC-to-DC converter which enerates the voltages necessary for the panel to operate." It is however a 32 pin beast as compared to the 48 pin chip on this T-Con board. It has a similar style of voltages on the test pads according to the manual. I posted a link to this manual further up.

                              Thank you all for your input and hope this post helps someone else out. Also welcome for discussion.

                              Cheers
                              Mohhingman
                              Attached Files

                              if you find these attachements useful please consider making a small donation to the site

                              Comment

                              • tom66
                                EVs Rule
                                • Apr 2011
                                • 32560
                                • UK

                                #16
                                Re: LG 32" 32LG50FD whitish picture

                                U502 is a gamma voltage generator, something like this part: http://www.maxim-ic.com/datasheet/index.mvp/id/5757

                                It shouldn't get hot, I'd guess they are using cheaper chips or running them above spec.
                                Please do not PM me with questions! Questions via PM will not be answered. Post on the forums instead!
                                For service manual, schematic, boardview (board view), datasheet, cad - use our search.

                                Comment

                                • mohhingman
                                  Member
                                  • May 2012
                                  • 10
                                  • Australia

                                  #17
                                  Re: LG 32" 32LG50FD whitish picture

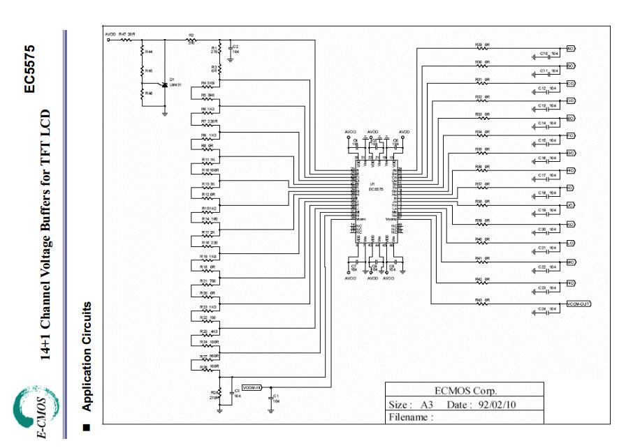
                                  Thanks for your reply tom66, after looking at U502 under a microscope I can just make out it's part number. It's an E-CMOS AS15-F, a 14 channel reference voltage buffer. According the application note this chip buffers a bunch of resistive divided references. This is good news; it might be easier to source than an AUO chip and it might just be a resistor on the string of referernce inputs which is open or shorted. A picture is attached of the typical application circuit.
                                  Attached Files

                                  if you find these attachements useful please consider making a small donation to the site

                                  Comment

                                  • killroys2001@yahoo.com.au
                                    New Member
                                    • Jan 2015
                                    • 3
                                    • Australia

                                    #18
                                    Re: LG 32" 32LG50FD whitish picture FIXED

                                    Hi There

                                    I am facing the exact same problem and I have the exact LG LCD model as yours - 32LG50FD-AD. I don't know much about voltages, T-CONs etc..so I was wondering if you could tell me what TCON model no. you purchased and from where and I believe this will sort my problem as well. I'll try to install this myself once I figure out (via the web), where does this TCON fits.

                                    Thanks in advance
                                    Cheers
                                    PK


                                    Originally posted by mohhingman
                                    OK, great news on the 32LG50FD LCD set which had a white picture. It has been fixed with a replacement of the T-con board. I would like to thank all those who posted here giving me advice on where to start. A picture is shown with the replacement T-con board fitted and running a test source on the screen. This was a 2nd hand part from an internet vendor.

                                    So for those running AUO screens which have gone white, it is due to a bad T-con board. I am lead to beleive the problem is in the LCD bias voltage generation circuitry. It had become hot on my previous board and had made scorch marks on the rear of the T-con board.

                                    Before removing the old T-Con board I made notes of voltages on every test point. I will now re-test the voltages on this good working board and publish the results here shortly.

                                    Regards
                                    mohhingman

                                    Comment

                                    • budm
                                      Badcaps Legend
                                      • Feb 2010
                                      • 40746
                                      • USA

                                      #19
                                      Re: LG 32" 32LG50FD whitish picture

                                      Please provide the pictures of the T-CON board, you need the P/N as printed on the barcode and then go to shopjimmy.com to see what they have and any sub you can use.
                                      Same model TV can use more than one supplier of the LCD panel so you need to get the correct one for what you have.
                                      Never stop learning
                                      Basic LCD TV and Monitor troubleshooting guides.
                                      http://www.badcaps.net/forum/showthr...956#post305956

                                      Voltage Regulator (LDO) testing:
                                      http://www.badcaps.net/forum/showthr...999#post300999

                                      Inverter testing using old CFL:
                                      http://www.badcaps.net/forum/showthr...er+testing+cfl

                                      Tear down pictures : Hit the ">" Show Albums and stories" on the left side
                                      http://s807.photobucket.com/user/budm/library/

                                      TV Factory reset codes listing:
                                      http://www.badcaps.net/forum/showthread.php?t=24809

                                      Comment

                                      • saddle_au
                                        Waste Warrior
                                        • Jan 2013
                                        • 121
                                        • Australia

                                        #20
                                        Re: LG 32" 32LG50FD whitish picture

                                        Replacement gama chip is required. The AS15-F has failed and one or more of the outputs is pulling the entire divider chain high.

                                        Be careful, this chip is very hard to desolder without destroying the pads. It may also be soldered underneath the chip itself.

                                        If your interested, this is what I do to get it off and a new one on.

                                        ==========================

                                        I have tried QuikChip for this, but it doesn't cope well with chips soldered by thermal pads underneath. I've replaced around thirty AS15s doing the following.

                                        First, run a thick line of solder on all of the pads on all four sides so that all pins are stuck together in four strong solid masses. Sometimes it's easier to solder a wire along the pins (from the caps you just replaced in the PSupply maybe).

                                        Second cut the pins just on the edge of the chip by running a sharp blade along the pin plastic junction. You need to run the blade towards you and almost to the bottom edge (don't go further, you may pull the blade off the chip and cut tracks on the PCB). Turn it around and attack from the other direction. Do this until you cannot feel the blade jumping on pins. I'm going to try the next one with a dremel to see if it's quicker, but it maybe too brutal.

                                        Do all four sides and carefully remove the solder with wick. Never run the wick along the chip, always start at the chip and move it away from the plastic. You don't want to remove pads. The chip legs should fall away.

                                        Third, if the chip still sits there still stuck on the board with no legs (about half of the AUO boards do not solder the thermal pad), either heat the chip (hard to do without temperature controlled air tools), or just physically pry it off. The chip normally splits in half like a sandwich and the bottom half stuck down is a pad of copper which is able to be peeled from the board.

                                        Fourth, clean the board with wick to make it dead flat. Again don't go across pads, work from the centre out, or use more of a dabbing motion. You will find it exceedingly difficult to repair missing pads.

                                        Flux the board and resolder the chip using whatever method you like, but be careful, the legs are exceedingly close together and shorts behind the legs (under them between the pads and the chip) are easy to do and wick will not get them out). I solder to adjacent legs on one side first during alignment. If you do just one, again you could remove the pad. Then I run the iron around the board using fine solder dabbing it towards the chip not along the chip.

                                        Inspect with a microscope (cheap digital usb one) or with magnifying goggles and multimeter. On one side of the chip (clockwise from pin 1) several pins are shorted for power.

                                        =================================

                                        If you have removed a pad (oops), run some replacement wire wrap wire on the board from the next component on the track to where the pad was before putting the chip on. Strip the end of the wire where the pad would have been. Raise that leg of the chip up slightly before soldering the chip down so it sits on the wire. Solder it down last.

                                        =================================

                                        Comment

                                        Related Topics

                                        Collapse

                                        • Document Archive
                                          HP Elite Slice G2 + Image Load & Asset Tag Elite Slice i5-7500T Specification for Upgrade or Repair
                                          by Document Archive
                                          This specification for the HP Elite Slice G2 + Image Load & Asset Tag can be useful for upgrading or repairing a desktop PC that is not working. As a community we are working through our specifications to add valuable data like the Elite Slice G2 + Image Load & Asset Tag boardview and Elite Slice G2 + Image Load & Asset Tag schematic. Our users have donated over 1 million documents which are being added to the site. This page will be updated soon with additional information. Alternatively you can request additional help from our users directly on the relevant badcaps forum. Please...
                                          09-12-2024, 02:20 PM
                                        • Tr0ll
                                          T-con suspect issue. Both ribbon cables no picture. One ribbon cable ok. (58pus8545)
                                          by Tr0ll
                                          Hi guys! I realized you have a lot of knowledge here so i am hoping you could point me in right direction with my odd issue.

                                          The Tv is a Philips 58PUS8545/12, it had no picture but working backlights.

                                          Original T-con:
                                          Opened the Tv and tested to unplug one ribbon cable at a time. With this test i could see that i got fine picture on both halves as long as there was only one ribbon cable connected, with two connected picture were gone.

                                          First replacement T-con:

                                          I thought it might be t-con and ordered new t-con from china(supposedly tested)...
                                          10-07-2023, 07:48 PM
                                        • Jaime Morillo
                                          Hitachi 32HAE2351 Vestel 17MB171 - Rotate Image
                                          by Jaime Morillo
                                          Hitachi 32HAE2351 Vestel 17MB171 - Rotate Image
                                          Mainboard: VESTEL 17MB171 Chassis: VES315WNGB - 2D - N52
                                          The TV was stuck on the logo and I couldn't access the update menu.
                                          I couldn't find the firmware for the Hitachi 32HAE2351 and updated it with the Toshiba 32WA2063DG - Vestel 17MB171 firmware.
                                          The image result was good, but the image is inverted.
                                          The image rotation/mirror function doesn't exist in the Menu Server. I can't correct the image.
                                          Do you have the firmware for the Hitachi 32HAE2351 - Vestel 17MB171 motherboard or a solution to rotate the image in...
                                          08-18-2025, 11:38 AM
                                        • JJAAMM
                                          SAMSUNG UN55KS9000F picture fades then distorts into vertical lines after 20 seconds
                                          by JJAAMM
                                          This was my main TV for the last 6 years. I'm not inclined to throw out a $2600 TV so quickly so I'm trying to investigate the issue.

                                          Problem
                                          TV was disconnected from power for 6 months during construction. When I plugged it yesterday picture was fine, after 30 seconds it dimmed then started developing horizontal lines, picture then starts to ghost vertically until it degrades into vertical streaks. TV always displays a perfect picture when cold. I can unplug TV for 5 minutes and plug it back in and picture is restored for 20 seconds. I can also keep it in standby mode...
                                          07-06-2023, 06:01 AM
                                        • TR103
                                          Samsung TV model UE50TU: rebooting, backlight, sound, but no picture
                                          by TR103
                                          Hi, I have a Samsung UE50TU with:
                                          - sound and backlight, but no picture
                                          - when it arrived, it had a picture for a few seconds
                                          - it keeps rebooting
                                          - without ribbon cable between the two panel boards, it does not reboot but I have no picture
                                          - without cable between mainboard and lcd panel, it does not reboot (but obviously i have no picture)
                                          - when i try a tape fix, its keeps rebooting, unless I tape off pin 1 (the innermost pin). In that case it does not reboot but I have no picture.

                                          - without cable between mainboard and lcd panel and with a jumpered...
                                          01-22-2025, 04:12 PM
                                        • Loading...
                                        • No more items.
                                        Working...