Hello
I haav a Panasonic TV model TX-65FX623E which dosn't show any picture. The backlight is on.
Upon testing the T-con i couldn't find the 12v at fuse, the fuse is ok.
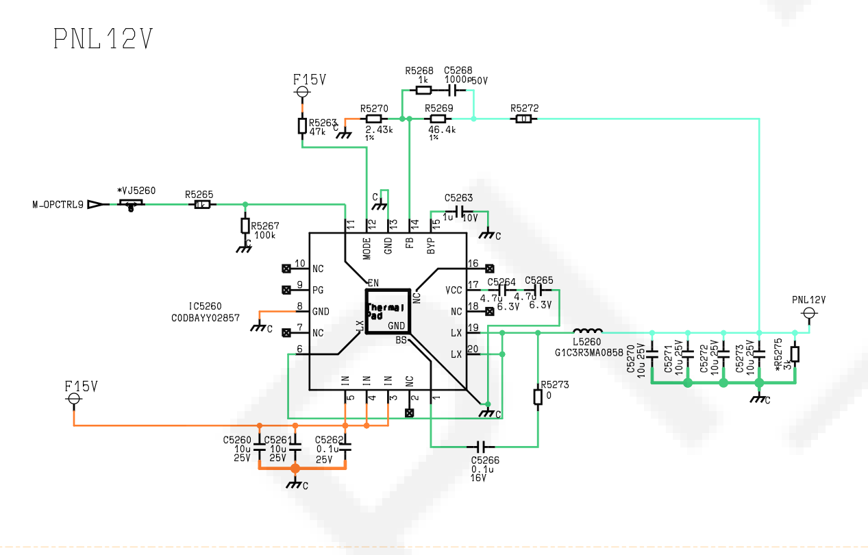
I traced it back to the main bord and the QFN25 buck IC responsible for generating the 12v is in the pic below with marking BUTAPA. No shorts where detected and the IC is not heating. Input of 16v is there, and 3v on another pin which i presume is enable signal.
Cant find any data or schematics for further troubleshoting.
Any ideas or if anybody came across this buck converter IC and can share would be much appreciated. The main bord model is TNPH1196.
Best regards.
					I haav a Panasonic TV model TX-65FX623E which dosn't show any picture. The backlight is on.
Upon testing the T-con i couldn't find the 12v at fuse, the fuse is ok.
I traced it back to the main bord and the QFN25 buck IC responsible for generating the 12v is in the pic below with marking BUTAPA. No shorts where detected and the IC is not heating. Input of 16v is there, and 3v on another pin which i presume is enable signal.
Cant find any data or schematics for further troubleshoting.
Any ideas or if anybody came across this buck converter IC and can share would be much appreciated. The main bord model is TNPH1196.
Best regards.
 
							
						
Comment