Crown xti 4000 SMPS Strange short

Collapse
X
 
  • Time
  • Show
Clear All
new posts
  • milhousesmom
    New Member
    • Oct 2022
    • 2
    • Canada

    #1

    Crown xti 4000 SMPS Strange short

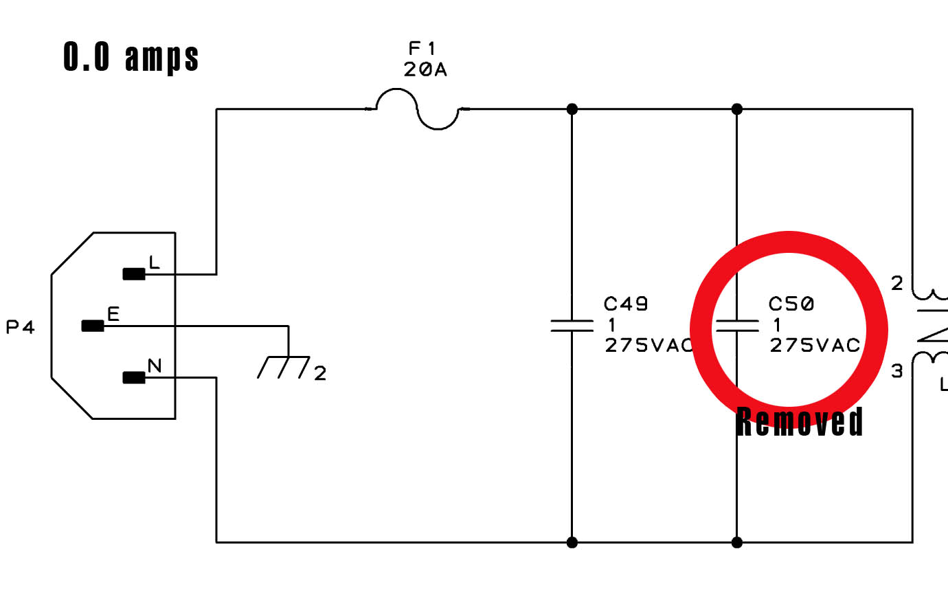
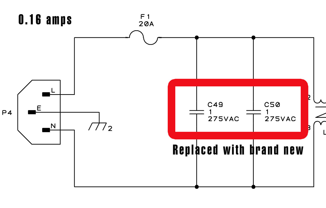
    Hello, I am working on a crown xti 4000. I have a strange problem. With the power cable plugged in but with the unit switched off it is drawing 0.16 amps and my lightbulb current limiter glows.

    My steps taken are as follows:

    Step 1: Tested fuse it is okay. I removed the a/c switch to see if that was faulty. It tested fine and with the switch out of circuit I was still getting the 0.16 amps.

    Step 2: I removed K1 Relay. No Change

    Step 3: I removed L1 coil to isolate the power cable from the rest of the board. Still got glowing bulb and .08 amps now.

    Step 4 Removed C50 capacitor and no current and no light. I thought that was the problem. Replaced C50 and C49 with brand new ones and short retuned.


    When the power cable is unplugged there is no continuity between the legs of the capacitors. With the power cord plugging in there is continuity.

    Is this a normal situation?

    Thanks
    Attached Files

    if you find these attachements useful please consider making a small donation to the site

  • redwire
    Badcaps Legend
    • Dec 2010
    • 3912
    • Canada

    #2
    Re: Crown xti 4000 SMPS Strange short

    I would say this is normal - the mains X-caps are very large at 1uF each and will have a lot of (capacitive) current flowing, around 45mA RMS each at 120VAC.

    If you are repairing it, it looks like the kickstart V_KSTART voltage is one to keep an eye on if the SMPS won't start.
    Be careful working around the mains filter caps- they are huge almost 4,000uF total!

    Comment

    • spiros.p
      Senior Member
      • Dec 2020
      • 89
      • Greece

      #3
      Re: Crown xti 4000 SMPS Strange short

      is normal. i have plugged 8 amplifiers on my rack and when i open the main swicth fuse to operate some of them i see the amp meter on the power distro drawing 500ma to 700ma with amps closed. the amps is 5 class D and the rest 3 is class H with swicthmode psu.

      Comment

      Related Topics

      Collapse

      • DynaxSC
        Extreme High Current & Low Voltage Short Killer ??
        by DynaxSC
        Hi Folks

        I'm looking for a extreme high current short killer solution for a reasonable cost.

        I have an LGA1700 motherboard (ASUS PRIME Z790-P WiFi) where I exchanged the LGA socket already 3 times, and every time after the socket exchange I get a short of power supply lines VCORE (V variable) and VCCIN_AUX (1.8V).
        After taking off the socket, the shorts dissappear again.
        The soldermask on the socket is already partially demaged from the heat, so I have reconstructed the soldermask by manually painting the missing soldermask parts with a very small top of a...
        10-15-2024, 10:13 AM
      • Stephen
        MacBook Pro 14" A2442 Short on PPBUS_AON but no short present when injecting voltage!
        by Stephen
        I check PPBUS_AON and there is a short present on the line, the computer shows a short when testing for short to ground, so when I inject voltage into the line, I get 0AMPS so no short is showing up. I have replaced a blown cap on this board that exploded and tested for the short and it is now removed. Any suggestions? I tested voltage at the line when the fuses are connected and I am getting 1.2 Volts at the line.
        02-06-2025, 12:03 PM
      • adelfr2009
        HP Victus 15-fb dag3pamb8d0 Short on VCORE – How to Confirm CPU Fault?
        by adelfr2009
        I have a laptop HP Victus 15-fb with motherboard DAG3PRMB8D0, CPU Ryzen 7535HS, and GPU RTX 2050. The laptop has a power issue: it does not turn on at all, and there is no light on the DC jack.
        After inspection, I found that an NMOS near the charger input had a short. I replaced it, but the short remained on the 19V line. I checked the charging circuit and it was fine, but the short appears after the current sense resistor near the charger. The charger does not pass current when connected, so I inject 3V–4V after the sense resistor. No component gets hot, except the CPU which becomes...
        09-28-2025, 10:21 PM
      • Victor Moreira Silva
        Acer Nitro 5 LA-L181p power LED turns on by 5 secs (Short on PCH rail?)
        by Victor Moreira Silva
        Hello everyone,

        I'm trying to repair my old Acer Nitro 5 (AN517-54-55T5). I've already bought a new laptop, so this is more of a learning project. For the experience, with no high expectations of success.

        Well, my decice specs are the following:

        Model: Acer Nitro 5 AN517-54-55T5
        CPU: Intel Core i5-11400H
        GPU: NVIDIA GeForce GTX 1650
        Motherboard: GH51G LA-L181P Rev:1c

        The symptom:
        When pressing the power button, the power LED lights up for about 5 seconds and then turns off. Initially, the issue was intermittent: sometimes...
        05-26-2025, 10:49 AM
      • aaronkatrini
        Help me find the short circuit on this WORKING Nvidia GTX1650
        by aaronkatrini
        Hi all,

        Recently picked up this GTX1650 at a local flea market for a low price and wanted to use it on my secondary PC. I first tested the card and saw the fan spin for a split second and then nothing. Immediately I thought of a short circuit. Disassembled and found a shorted SMD capacitor, injected voltage into it (1V/4A) and two Mosfets got hot immediately (QN3103 & QN3107). Desoldered these Mosfets and the card turned back to life.

        Bought replacements from Aliexpress and replaced them afterwards. Tried the card but still the saw the fan spin for a split second...
        04-18-2024, 03:15 PM
      • Loading...
      • No more items.
      Working...