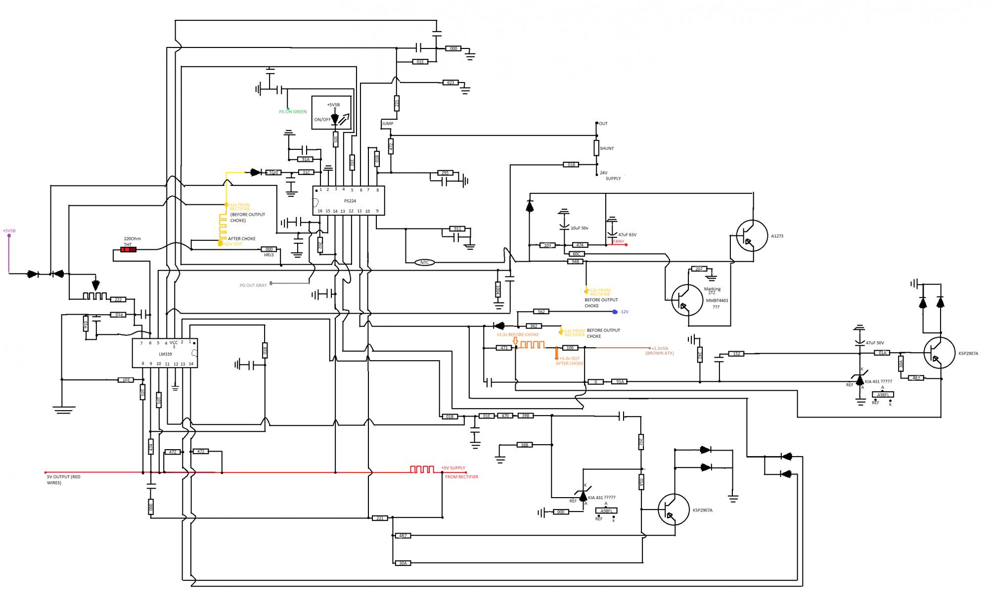
Good day folks. Another challenge was issued to me today: fixing a dedicated ATX supply for a cash register terminal monitor or some junk, doesn't really matter. It's a Tyco spi270f4b24 and of course there's no info available on it, so I was hoping based on some of the pics and discussions that someone would look at this thing and suggest a similar one they've encountered, or at least point to a similar issue. The pics are not spectacular - bad lighting, constant pet-peeve at this new shop 
The supply is not starting: standby is present at the output, but nothing happens when you short the green wire to GND. Actually there IS something happening: a click is hear, kinda like a relay closing, and then it does it again after it's unplugged. No relay on the board though
It's made relatively complicated by those two riser boards, "computers" as I call them. It's worth noting that I took on this project somewhat "second-hand", meaning others have messed around with this supply before me, some of the components have been changed, caps were changed, even the controller chips on the risers were swapped, from what the guy who handed it over to me told me, so it would be great if I were the one who actually did it.
The closest we got to actually diagnosing the fault was one of the optoisolators: the reason it's sticking up in the air like that (you can just about make it out in one of the pics, soldered to the UNDERside of the board), is because my workmate suggested measuring the resistance across the "transistor" side of it, as he's thinking the primary is not receiving the "ON" signal. There is a resistance drop on those pins when power is applied indeed, but if I install the opto back in its place the way it should be, nothing happens: there's 14v on one side and 1v on the other and my colleague thinks this voltage should make it across to get to the IC on the riser board. Indeed, the trace from the optoisolator does lead to a pin of the riser, but I haven't dissected the supply enough to know what those ICs actually are. My fairly modest knowledge of ATX SMPSs would tell me one is a PFC controller and the other is the "run" controller for the outputs. "V-AUX" is present (those 14v I was mentioning), but it's not jumping across the optoisolator despite this guy replacing several of them...I still think the control IC is not functioning, but that doesn't explain why there's no VCC going through to the IC. I THINK this place has some oscilloscopes I could source to probe those output pins of the ICs after we identify them. Better yet, power the ICs with a bench supply at their rated voltage to see if 1: I get an abnormal current draw which would mean something's shorted and 2 if the IC pulses the gates of the FETs as it should (it's obviously NOT, but this will also help determine whether it's a power issue or an IC issue).
No shorts or anything obvious unfortunately on the board...any help from people more skilled with ATX supplies would be great...I used to fix these relative ease, but I haven't done it in quite a while (not wanting to bother) and it seems now I need it but I forgot how to do it
I forgot my past, my humble beginnings when I was just a skinny lad with his multimeter probing away at ATX supplies and fixing them for a quick buck....it's all SMDs now, supplies are getting more and more complex.....*sad*

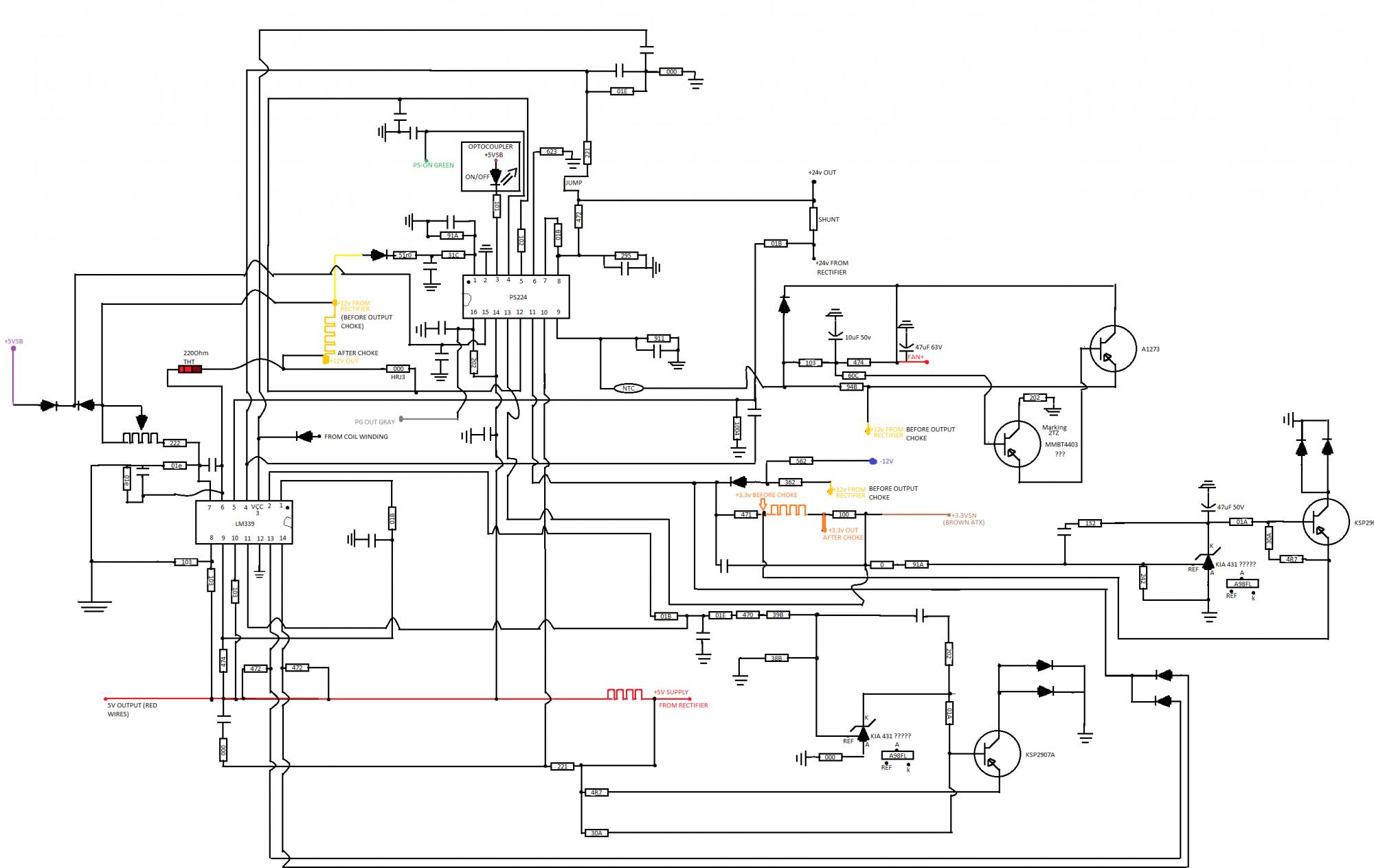
The supply is not starting: standby is present at the output, but nothing happens when you short the green wire to GND. Actually there IS something happening: a click is hear, kinda like a relay closing, and then it does it again after it's unplugged. No relay on the board though

The closest we got to actually diagnosing the fault was one of the optoisolators: the reason it's sticking up in the air like that (you can just about make it out in one of the pics, soldered to the UNDERside of the board), is because my workmate suggested measuring the resistance across the "transistor" side of it, as he's thinking the primary is not receiving the "ON" signal. There is a resistance drop on those pins when power is applied indeed, but if I install the opto back in its place the way it should be, nothing happens: there's 14v on one side and 1v on the other and my colleague thinks this voltage should make it across to get to the IC on the riser board. Indeed, the trace from the optoisolator does lead to a pin of the riser, but I haven't dissected the supply enough to know what those ICs actually are. My fairly modest knowledge of ATX SMPSs would tell me one is a PFC controller and the other is the "run" controller for the outputs. "V-AUX" is present (those 14v I was mentioning), but it's not jumping across the optoisolator despite this guy replacing several of them...I still think the control IC is not functioning, but that doesn't explain why there's no VCC going through to the IC. I THINK this place has some oscilloscopes I could source to probe those output pins of the ICs after we identify them. Better yet, power the ICs with a bench supply at their rated voltage to see if 1: I get an abnormal current draw which would mean something's shorted and 2 if the IC pulses the gates of the FETs as it should (it's obviously NOT, but this will also help determine whether it's a power issue or an IC issue).
No shorts or anything obvious unfortunately on the board...any help from people more skilled with ATX supplies would be great...I used to fix these relative ease, but I haven't done it in quite a while (not wanting to bother) and it seems now I need it but I forgot how to do it

I forgot my past, my humble beginnings when I was just a skinny lad with his multimeter probing away at ATX supplies and fixing them for a quick buck....it's all SMDs now, supplies are getting more and more complex.....*sad*

Comment